Puretec Sparq S6 Sparkling Chilled and Hot Water Filter System

Puretec Customer Service
Thank you for purchasing a Puretec Sparq S6 Drinking Water Appliance. The Sparq S6 is a proven performer manufactured from only quality materials and components. It will give years of reliability and trouble-free operation if maintained properly.
Caution: Do not use with water that is microbiologically unsafe or without adequate disinfection before or after the system.
The Puretec Sparq S6 is designed for metropolitan supply water only.
The Puretec Sparq S6 is designed for domestic use only. Non-domestic use will result in voided warranty.
Flush the system for 5 minutes or more, after any period of non-use, more than 2 weeks.
Note: Where maximum line pressure exceeds 500 kPa, the supplied multivalve (pressure limiting valve) must be installed to comply with Australian Plumbing Standards.
Installation Record
For future reference, fill in the following data:
| PRODUCT INFORMATION | |
| Model Number: | SPARQ-S6 |
| Serial / Batch Number:(Refer to label on the rear of the unit) | |
| Purchased From: | |
| Date of Installation: | |
| Installer / Plumber Details: | |
All installation and service work should be completed by qualified tradespeople. Faulty operation due to unqualified persons will result in voided warranty.
All plumbing must comply with AS 3500.1 and AS3500.2.15.
Before Installation
VERY IMPORTANT! Carefully read through this instruction booklet and check that all requirements can be met. Faulure to meet requirements may result in voided warranty.
- Check the mains water pressure is between 138 – 500kPa.
Note: Where maximum line pressure exceeds 500, the supplied multivalve must be installed to comply with Australian Plumbing Standards. - The Sparq S6 system is designed for mains/towns warter supply only.
- The Puretec Sparq S6 is designed for domestic use only. Non-domestic use will result in voided warranty.
- Caution: Do not use with water that is microbiologically unsafe or without adequate disinfection before or after the system.
- Check the appliance rating plate and ensure correct power supply is available for the appliance and the relevant circuit will not be overloaded (see Specifications).
- Check both unit and tap locations are within reach of each other and within reach of the power and water connections
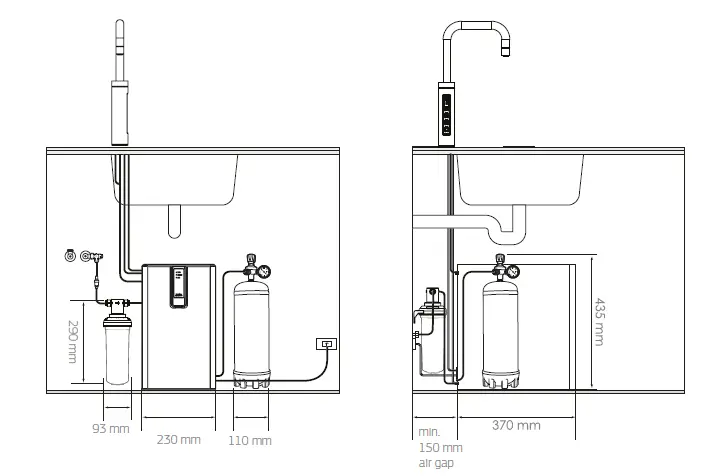
- Check there is sufficient room for the appliance inclusive of ventilation requirements within the cupboard and that the cupboard is capable of supporting the appliance with a net weight of 24 kg including the gas bottle (see Fig. 1).
Note: It may be required for additional ventilation to be installed within the cupboard/door to ensure there is adequate cross ventilation to mitigate cupboard temperature reaching 40°C or above. Inadequate ventilation can lead to malfunction and void warranty.
Installation Note: A water filter system/tap, like any product, has a limited life and may eventually fail. Also sometimes failure happens early due to unforeseen circumstances. To avoid possible property damage, this product should be regularly examined for leakage and/or deterioration and replaced when necessary. A drain pan, plumbed to an appropriate drain or outfitted with a leak detector, should be used in those applications where any leakage could cause property damage, and/or the water supply should be turned off if no one is home/present.
Parts Included
Unpack the equipment. Ensure all parts are present and have not been damaged in transport. You should have:

Specifications
| Model: | SPARQ-S6 |
| Flow: | Chilled Water Flow: 100 glasses/hourˇ Hot Water Flow: 72 cups/hour⁺ |
| Min/Max Pressure: | 138 – 500* kPa |
| Chilled Temperature: | 2°C – 10°C |
| Max Boiling Temperature: | 97°C |
| Power Requirements: | 50Hz / 220~240 V |
| Max Power Consumption: | 900 W |
| Standby Power Consumption: | 20 W |
| Chrome Tap Dimensions: | 345 (H) x 197 mm (W) |
| Coloured Tap Dimensions: | 350 (H) x 197 mm (W) |
| Appliance Dimensions: | 390 (H) x 230 (W) x 370 (D) mm |
| Filter Dimensions: | 290 (H) x 93 (W) x 110 (D) mm |
| Warranty: | 2 years |
Note: *Where maximum line pressure exceeds 500 kPa, the supplied multivalve must be installed to comply with Australian Plumbing Standards. (Ref. AS/NZS 3500.1:2021, Clause 3.3.4) ˇGlass size is based on 200ml. ⁺Cup size is based on 167ml.
Figure 1 – Dimensions


Figure 2 – CO2 Bottle

TOP VIEW

SIDE VIEW
Figure 3 – Clearance Envelope
NOTE: Clearance at the back of the until from the wall needs to be 150 mm.
Figure 4 – Buffer Pads & Floor Air Gap

Ventilation
For air flow cutouts a drill and jigsaw, keyhole or wall board saw will be required.
Ventilation Requirements
WARNING! Allow at least 50 mm clearance on either side of the unit, 150 mm at the rear and 200 mm above the main unit (see Fig. 3).
Sufficient air circulation MUST be provided in order for the system to operate and function correctly. Allow enough space for the system to be easily accessed for any servicing needs.
Fit the upper cabinet rail (where the cabinet door rests) with 3 mm silicone door buffers. This will allow for the warm air to be expelled from the cabinet (see Fig. 4).
Cutouts
HINT: First mark & drill pilot holes in each corner of the required cutout, finishing cutout with a jigsaw, keyhole or wall board saw.
To allow the cool air to be drawn into the cabinet, cut out the cabinet floor as shown in Fig. 4 and Fig. 5 (A. Cabinet Floor cutout). Ideally this should be as large as possible along the cabinet for maximum ventilation.
Alternatively, a ventilation kit (not included) can be installed by cutting out a hole for a kickboard ventilation grille (see Fig. 5 – B. Kickboard Ventilation Cutout), a cutout on the cabinet floor (see Fig. 5 – C. Floor Cabinet Cutout) and ducting to connect them. Follow the manufacturer’s installation guide included with your kit.
Where cabinet temperatures are higher than 35°C, it is recommended an exhaust fan kit is fitted (not included) in place of the kickboard ventilation grille.
Figure 5 – Cutouts

Figure 6 – Exploded Diagram

How To Operate The Tap
When the blue light is on, the tap is in ‘Sleep Mode’. Press any button once and the LED light will change from blue to green to indicate that the tap is ready. Press the button again to start dispensing water.

Hot Water Temperature Override
Press the setting button once to override 80°C or 90°C degree setting as a once off for unit to heat water to 100°C degrees. Unit will revert back to original setting once heart 100°C degree cycle has completed.
Settings
Press and hold for 5 seconds to enter setting mode. In setting mode the chosen temperature will be blinking. Press the setting button to select the next temperature level. When the desired temperature setting is blinking, press any water dispensing button below.
Cold Water
Press and release any button, once the light is green press & hold the cold water button to dispense cold water.
Sparkling Water
Press and release any button, once the light is green press & hold the sparkling button to dispense sparkling water.
Hot Water
Press and release any button, once the light is green press & hold the hot water button to dispense hot water (for safety reasons there is approx a 3 second time delay before the hot water will dispense.
ECO Mode
ECO is an active energy saving mode that enables the Sparq S6 tap to detect the activity in it’s installed environment. This allows the system to switch the boiling water function into sleep mode when it is appropriate to save energy, save money and save the planet. A concealed light sensor on the back of the tap automatically turns the boiler off when the room is dark and restarts the boiler when the room is light.
Note:
- Eco mode activates after 10 minutes from lights out.
- Under bench module lights deactivate.
- Hot side powers down, cold and sparkling maintain chilled function.
- Hot water Temp lights deactivate (80, 90, 100).
- Dispenser icons remain illuminated.
- Dispenser icons will still dispense water when depressed (hot will not be hot however).
- Unit will begin heat cycle 1 min after room lighting is sufficient with tap lights and unit lights re-illuminating.
In setting mode when the ECO light is blinking ECO mode has been selected. When the ECO light is off, the ECO mode has been disabled.
To turn on ECO mode press and hold the setting button for 5 seconds. Press the setting button until the ECO light is blinking and then press any dispensing button below to select ECO mode and exit settings.
To switch ECO mode off enter ECO mode as above and press the settings button until the ECO light switches off and press any dispensing button below to select ECO mode and exit settings.
Figure 7 – How To Use Quick Connect Fittings
- Cut the tube square and push in to the tube stop. For metal tube remove burrs and chamfer tube end to prevent
O- Ring seal being damaged.
- Fitting grips before it seals. Ensure tube is pushed in to tube stop.

- Tube is secured in position.
DISCONNECTION PROCEDURE - Push collet against body and slide tube out of fitting.

Figure 8 – SmartTee™ Quick Connect Fitting
- Turn the quick connect nut on the SmartTee™ anticlockwise to release the collet.

- Cut the tube square and push into into the tube stop (inside the collet). For metal tube; remove burrs and chamfer tube end to prevent O-ring seal being damaged.

- The fitting grips before it seals. Ensure the tube is pushed all the way into the tube stop.

- Once the tube is secured in position, turn the quick connect nut clockwise to secure.
Note: Hand tighten only. Do not overtighten.
DISCONNECTION PROCEDURE
- Turn the quick connect nut on the SmartTee™ anticlockwise to release the collet.

- Push the collet against the quick connect nut and slide tube out of fitting.

Installation
VERY IMPORTANT! The following installation sequence must be followed in the correct order and as specified in this userguide by suitably qualified tradespeople. The unit and CO2 Bottle must be installed upright (as depicted within this user guide) In the event of a leak or electrical fault, the unit must be isolated from both power and water. Advice should be sought out by the relevant licenced tradesperson.
Installation Note: A water filter system/tap, like any product, has a limited life and may eventually fail. Also sometimes failure happens early due to unforeseen circumstances. To avoid possible property damage, this product should be regularly examined for leakage and/or deterioration and replaced when necessary. A drain pan, plumbed to an appropriate drain or outfitted with a leak detector, should be used in those applications where any leakage could cause property damage, and/or the water supply should be turned off if no one is home/present.
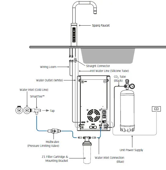
- Select a suitable position for the tap so that it dispenses into the sink bowl with ample clearance below the outlet and drill a 26 – 30mm hole.
- Isolate the under sink/bench cold water supply.
- Uninstall the connections on the cold water line and install the SmartTee™ as per the Exploded Diagram (see Fig. 6) and the reconnect the cold water line connections to the SmartTee™.
- Using a straight cut off length of blue tube, connect the inlet of the multivalve to
the outlet of the SmartTee™ Please see Fig. 6 for water flow direction and Fig. 8 for connection to the SmartTee™ - Remove the black plastic nut from the tap thread and connect the wiring loom to the tap (see Fig.6). Take care not to bend or break the pins.
- Carefully feed the silicone tube, white tube and wiring loom through the sink/benchtop tap hole and place tap into position ensuring it sits flush to the sink/benchtop.
- Slide the tap nut over the tap connections and screw the tap nut on and tighten making sure the tap is correctly positioned on top. Fixing the tap to a sink may require more care to align all the parts. HAND TIGHTEN with an additional ¼ – ½ turn ONLY. Do not overtighten as over-tightening may split the plastic nut.
Note: For thin bench tops or a sink mount, use the supplied spacer, slipping it up the thread, followed by the black nut to tighten. - Connect the straight connector to the white tube on the tap (see Fig.6).
- Choose the best position for the unit with the required 150 mm clearance for ventilation to the rear and top of the unit and in a suitable place where water spillage will not cause damage.
- Select a suitable location for the Z1 Ultra Z Filtration System that is close to the unit.. Note: Remember to allow access room for changing the filter and a suitable place where water spillage will not cause damage. Location should not be in direct sunlight.
- Install the filter cartridge head by positioning it in the desired location, marking the position of the fixing holes, and securing the head with the provided screws OR suitable fasteners. (See Fig.6) The filter system can be mounted horizontally or vertically.
Note: Ensure flow arrow on the head is in the direction of water flow. - With a length of blue tubing, connect the outlet of the multivalve to the inlet of the filter cartridge head (see Fig. 6).
- With the remaining length of blue tubing, connect the outlet of the filter cartridge head to the inlet at the back of the unit (see Fig. 6) trimming back any excess tubing.
- With the length of white tubing, connect one end to the straight adaptor and the other end to the Cold/Soda Water outlet at the rear of the unit, trimming back any excess tubing (see Fig. 6).
- Connect the silicone tube from the tap to the hot water outlet at the rear of the unit (see Fig. 6) ensuring there are no kinks or sagging in the tube, trimming back any excess tube. Note: DO NOT lengthen the silicone tube – dispenser, pump & temperature performance may be impaired and doing so may void the warranty.
- Attach the wiring loom from the tap to the unit, taking care not to bend or break the pins (see Fig. 6).
- Leaving the power off, connect the power cord at the rear of the unit to the power outlet (DO NOT TURN POWER ON).
Note: DO NOT turn on the water or power supply, this will be done in the Cold , Sparkling and Hot Water Commissioning steps. - Position the CO2 bottle as close to the unit as possible, ensuring the bottle is upright. Note: Any CO2 bottles should always be upright during use, storage and transit. If the bottle has been left horizontal, place upright and let stand for 60+ minutes to allow contents to settle before initialising. The SPARQ-CO2 is NOT refillable.
- Ensure the regulator is in the off position by turning the black knob fully counterclockwise (-) until home (see Fig.2).
- Connect the CO2 bottle to the regulator by screwing the regulator clockwise onto the bottle firmly, but taking caution not to overtighten as this may cause the sealing rubber to perish and leak. Use soapy water on the connection between the bottle and regulator to test for leaks.
Note: Some CO2 will escape as the valve in the bottle is depressed during connection. - Attach one end of the black tube to the regulator (See Fig.2) and connect the remaining tube end to the “CO2 IN” connection at the back of the unit (See Fig.6) but DO NOT open the regulator, this will be done in the Soda/Sparkling Water Commissioning Sequence.
- Check all tubes from the undersink unit to the tap ensuring there are no kinks in the tubing, and any tube sag is minimised as it can cause flow to be reduced.
- Double check all tubes, fittings and connections to and from the unit and tap have been connected and fitted correctly.
- Check all electrical connections are firmly fitted and there is no damage
Hot Water Commissioning
- Turn on the water supply at the inlet (SmartTee™ valve).
- Turn on the power supply at the power point. The tap lights should illuminate.
- Flush the filter by pressing the cold button on the tap for 2-5 minutes or until water runs clear of any carbon fines and micro-bubbles. (It is normal for black fines, cloudiness or micro-bubbles to come through during the filter flush).
Note: To activate water flow, press the button once and the ring light on the top of the tap body will go green, then press and hold the button again for water flow. - Press and hold the hot button on the tap for 1-2 minutes or until tank runs dry
Note: The hot water dispenser includes a safety time delay feature. To activate hot water, press the hot button once and the ring light on the top of the tap body will go green, then press and hold the button again for 3 seconds or more for hot water to flow. - Turn on the hot power switch on the back of the unit. The hot water indicator on the front panel of the unit will illuminate and the 80 degree light on the tap will begin to flash. Press and hold the hot button on the tap for 1-2 minutes or until the tank runs dry once the temperature lights are solid on the tap as a final flush. Then allow the unit to refill and reheat prior to using.
- To set the preferred temperature, push and hold down the cog symbol on the tap, releasing when the taps ring light turns green. Tap and release the cog button to cycle through the temperature settings until the desired temperature is illuminated. Tap and release the hot button once to lock in the temperature setting.
Chilled & Sparkling Water Commissioning
- Ensure the CO2 bottle is connected firmly to the regulator and the black gas tube is fitted correctly.
- Slowly open the CO2 regulator by turning the black knob clockwise (+) until the gauge reads 3 Bar.
- Turn off the water supply at the inlet (SmartTee™ valve).
- Purge the soda water line of any air by pressing on the sparkling button on the tap for 30 seconds.
Note: To activate water flow, press the button once and the ring light on the top of the tap body will go green, then press and hold the button again for water flow. - Turn on the water supply at the inlet (SmartTee™ valve).
- Turn on the SODA power switch on the back of the unit and operate the sparkling button on the tap for 15 seconds allowing any excess CO2 to be dispensed. Allow 1-3 minutes for the soda tank to fill completely.
Note: The bar pressure on the CO2 gauge will increase during this process. Venting from the CO2 gauge and/or the pressure relief valve within the unit is normal during this step. - Operate the sparkling button on the tap for 10 – 15 seconds and allow the tank to refill for approximately 1 minute, repeating this process 1-3 more times or until water carbonation is noticed.
Note: The bar pressure on the CO2 gauge will fluctuate between 3-4 Bar during this process and during normal operation. Allow 1-2 hours for the water to both chill and reach full carbonation.
A small amount of water will come out after using the sparkling feature for 1-2 seconds. This is normal as the CO2 is purged from the line.
The temperature is preset to 2-10 degrees within the tank. It takes approx 20-30 minutes to complete its chill cycle dependent on incoming water temperature and ambient surrounds of the unit.
Gas Replacement – As Required
- Isolate the CO2 by turning the black knob fully counter-clockwise (-) until home.
- Unscrew the depleted CO2 bottle from the regulator. (Turn the empty CO2 bottle clockwise).
Note: Some CO2 may escape as the valve in the bottle is depressed. - Connect the new CO2 bottle to the regulator by screwing the bottle counter-clockwise onto the regulator firmly, but taking caution not to overtighten as this may cause the sealing rubber to perish and leak.
Note: Some CO2 will escape as the valve in the bottle is depressed. Use soapy water on the connection between the bottle and regulator to test for leaks. - Slowly open the CO2 regulator by turning the black knob clockwise(+) until the gauge reads 3 – 4 Bar but not exceeding 4 Bar.
- Operate the sparkling button on the tap for 10 – 15 seconds and allow the tank to refill for approximately 1 minute, repeating this process until water carbonation is noticed in the dispensed water.
Note: The Bar pressure on the CO2 gauge will fluctuate between 3-5 Bar during this process and normal operation. - Allow 1-2 hours for the water to both chill and reach full carbonation.
Note: A small amount of water will come out after using the sparkling feature for 1-2 seconds. This is normal as the CO2 is purged from the line. - Check with your local governing bodies for any disposal requirements and discard the empty bottle.
Filter Cartridge Replacement – Every 12 Months or When Taste Returns
- Place a container or towel under the filter to catch any drips.
- Isolate the water supply at the SmartTee™ and release water pressure by operating the cold button on the tap.
- Rotate the old cartridge counterclockwise 1/4 turn, pull it out and dispose of it.
- Remove all packaging from the new cartridge, including any wraps or caps (if applicable). Replacement cartridge Z1-R
- Insert the new cartridge into the filter head and rotate clockwise 1/4 turn.
- Turn on the water and check for leaks.
- Flush the filter by pressing the cold button on the tap for 2-5 minutes or until water runs clear of any carbon fines and micro-bubbles. (It is normal for black fines, cloudiness or micro-bubbles to come through during the filter flush).
- Check for leaks, if any, rectify them before leaving the unit.
Troubleshooting
| SYMPTOMS | POSSIBLE CAUSE | POSSIBLE SOLUTION |
| No cold water. | Cold temperature switch is off. | Please turn the cold temperature switch on. |
| Refrigerant is low. | Call your service provider. | |
| Problem with compressor or thermostat. | Call your service provider. | |
| No cold water from tap. | Ice blockage. | Please turn off the power supply and allow 24 hrs for the blockage to melt. |
| No water inside the cold water tank. | Please check mains water supply. | |
| Soda not working or flat. | CO2 bottle is empty. | Replace CO2 bottle. |
| Soda power is off. | Turn on the soda power switch. | |
| CO2 line needs re- commissioning. | Follow the Soda/Sparkling Water Commissioning steps. | |
| Not enough bar pressure. | Slightly increase CO2 bar pressure. DO NOT exceed 4 bar. |
WARRANTY
Any claim under this warranty must be made within 2 years of the date of purchase of the product. This product is warranted to be free of defect of material and workmanship for 2 years from date of purchase.
Puretec is renowned for its quality and after-sales support so if you have any issues please call 1300 140 140 (AU) or 0800 130 140 (NZ). To make a warranty claim, contact us directly or the place of original purchase. All costs relating to a warranty claim must be approved by Puretec prior to any work being carried out. 2 year warranty is 1 parts and labour for residential use only. Excludes cartridges and canisters. Warranty excludes normal wear and tear and any misuse according to the user guide.
Puretec is not liable under this warranty if:
- The appliance has been, or Puretec reasonably believes that the appliance has been used for purposes other than those for which the appliance was intended. This includes where the appliance has been used for any non-domestic purpose;
- Surface finishes are damaged as a result of contact with improper materials,unsuitable or harsh cleaning products, improper cleaning, external impact or abuse or the effects of hard water;
- The appliance is modified without authority of Puretec in writing;
- The appliance’s serial number or data plate has been removed or defaced.
Puretec will pay your reasonable, direct expenses of claiming under this warranty. You may submit details and proof of your expense claim to place of purchase for consideration.
The warranty only applies if the product was used and/or installed in accordance with the user guide and/or installation instructions. This warranty is given in lieu of all other express or implied warranties and manufacturer shall in no circumstance be held liable for damages consequential or otherwise or delays caused or faulty manufacturing except as excluded by law.
Applicable to all above, is that the warranties need to be approved by Puretec to ensure product was not incorrectly used, installed or claimed. False and incorrect claims will be pursued at Puretec’s discretion, including chargeable inspection and labour costs incurred.
WARRANTY / AUSTRALIA
This warranty is given by Puretec Pty Ltd, ABN 44 164 806 688, 37-43 Brodie Road Lonsdale SA 5160, telephone no. 1300 140 140 and email at [email protected].
This warranty is provided in addition to other rights and remedies you have under law: Our goods come with guarantees which cannot be excluded under the Australian Consumer Law. You are entitled to replacement or refund for a major failure and to compensation for other reasonably foreseeable loss or damage. You are also entitled to have the goods repaired or replaced if the goods fail to be of acceptable quality and the failure does not amount to a major failure.
WARRANTY / NEW ZEALAND
This warranty is given by Puretec NZ LP, Reg. No 50081773, PO Box 875 Cambridge 3450 NZ, telephone no. 0800 130 140 and email at [email protected].
This warranty is provided in addition to other rights and remedies you have under law: Our goods come with guarantees which cannot be excluded under the Consumer Guarantees Act. You are entitled to replacement or refund for a major failure and to compensation for other reasonably foreseeable loss or damage. You are also entitled to have the goods repaired or replaced if the goods fail to be of acceptable quality and the failure does not amount to a major failure.
AUSTRALIA
P 1300 140 140
[email protected]
puretec.co.nz
NEW ZEALAND
P 0800 130 140
[email protected]
puretec.com.au

Cold Water
Sparkling Water
Hot Water

DISCONNECTION PROCEDURE
























