
SPARQ H2
Instant Hot & Ambient Filtered Water Appliance
User Guide
MAINS WATER
Introduction
Puretec Customer Service
Thank you for purchasing a Puretec Drinking Water Appliance. Your system is a proven performer, manufactured from only quality materials and components. It will give years of reliability and trouble‑free operation if maintained properly.
The system is designed for metropolitan supply water only.
Puretec Drinking Water Appliances are designed to run economically for many years, dependent on the initial installation and periodic maintenance.
Flush system for 5 minutes or more, after any period of non‑use of more than 2 weeks.
For cartridge replacements, contact your nearest stockist.
Installation Record
For future reference, fill in the following data:
| PRODUCT INFORMATION | |
| Model Number: | SPARQ-H2 |
| Replacement Cartridge: | Z1-R |
| Serial / Batch Number: | |
| (Refer to label on the rear of the unit) | |
| Purchased From: | |
| Date of Installation: | |
| Installer / Plumber Details: | |
ALL INSTALLATION AND SERVICE WORK SHOULD BE COMPLETED BY QUALIFIED TRADESPEOPLE. FAULTY OPERATION DUE TO UNQUALIFIED PERSONS WILL RESULT IN VOIDED WARRANTY COVERAGE.
ALL PLUMBING MUST COMPLY WITH AS 3500.1. ALL ELECTRICAL MUST COMPLY WITH AS/NZS3000.
Installation Note: A water filter system/tap, like any product, has a limited lifespan and if not replaced, will eventually fail. Failure can happen early due to unforeseen circumstances. To avoid possible property damage, this product should be regularly examined for leakage and/or deterioration and replaced when necessary. We strongly recommend that a drain pan, plumbed to an appropriate drain or outfitted with a leak detector, be used in those applications where any leakage could cause property dam‑ age. We also strongly recommend that the water supply be turned off, upstream to the water filter system/tap, if no one is home for an extended period of time.
Before Installation
Read this user guide completely and check if there is adequate space where you want to install the unit, to mount all of the components. Refer to page 5.
Caution: Do not use with water that is microbiologically unsafe or without adequate disinfection before or after the system.
Note: Where line pressure exceeds 500 kPa, an approved pressure limiting device must be installed to comply with Australian & New Zealand Plumbing Standards.
(Ref. AS/NZS 3500.1:2021, Clause 3.3.4).
Check the mains water pressure is between 172 ‑ 500 kPa.
NOTE: This product must be connected to MAINS WATER ONLY.
Check the appliance rating plate and ensure correct power (see specifications, pg.5) is available for the appliance.
Check the surface supporting the appliance is adequate for a total weight of 6kg.
Ensure there is adequate ventilation available through the cupboard. If there is inadequate ventilation, and the cupboard temperature rises to above 40°C, the system may become damaged and malfunction which will void the product warranty. To ensure there is sufficient cross‑flow ventilation suitable holes or vents will need to be cut into the cupboard and door.
Parts Included

Specifications
| Model: | SPARQ-H2 |
| Operating Water Pressure: | 172 – 500 kPa |
| Hot Water Temperature: | 60°C – 98°C (temperature inside of tank) |
| Power Requirements: | 10 amp |
| Rated Power: | 230V / 1300W |
| Tap Dimensions: | 127 (w) x 260 (h) |
| Appliance Dimensions: | 200 (w) x 220 (d) x 310 (h) |
| Warranty: | 2 years |
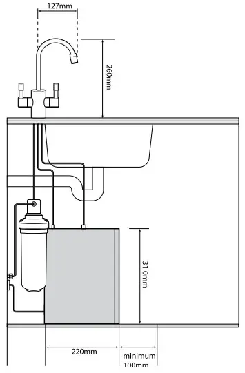
Figure 1 –
Dimensions
Note: Ensure there is adequate ventilation available through the cupboard. If there is inadequate ventilation, and the cupboard temperature rises to above 40°C, the system may become damaged and malfunction which will void the product warranty. To ensure there is sufficient cross‑flow ventilation suitable holes or vents will need to be cut into the cupboard and door.
A Ø35mm hole required for faucet.
Note: All dimensions are expressed in millimetres.
Important Information
IMPORTANT! This hot water dispenser produces instant hot water of 60 o C – 98 o C (temperature inside of tank) as dispensed from the faucet.
- This product is not intended to produce a continuous flow of hot water. The SPARQ H2 will produce up to 60 cups of water per hour at 60 o C ‑ 98 o C (temperature inside of tank). Due to high water temperature, for safety reasons, the tank is not under pressure.
Consequently, there is a slight delay of water flow after the faucet has been turned on.
This is normal and indicates that the priming chamber is functioning properly.
Important Safety Instructions
When using all electrical appliances, basic safety precautions should always be followed including the following:
- Read all instructions within this user guide.
- Do not operate any appliance with a damaged cord, plug, or after the appliance malfunctions.
- Do not use outdoors or in damp area.
- Do not expose cord to hot surfaces.
- Do not use appliance for any use other than the intended household use.
- When using the appliance, provide 100 mm minimum air space around the entire unit for air circulation.
- Do not attempt to service this product. Repairs and servicing should be done by authorized service personnel.
- Do not let children operate. The hot water can cause severe burns.
SAVE THESE INSTRUCTIONS. THIS PRODUCT IS FOR HOUSEHOLD USE ONLY.
The alert symbols displayed below point to important safety information to make you aware of potential hazards that can cause serious injury or death. These symbols can be found on a label attached to the unit. Please pay special attention to the information following these alerts and warning. Failure to comply with these instructions can result in property damage, serious injury or death.
Electrical Requirements
- For your personal safety, the hot water dispenser is equipped with a power supply cord having a 3‑prong ground plug. To minimise possible shock hazard, the cord must be plugged into a mating 3‑prong, ground type outlet, grounded in accordance with all local codes and ordinances.
- If a suitable electrical socket is not available, contact a qualified electrician to install one.
- A 10 amp grounded electrical supply is required. It is recommended that a separate circuit service to your hot water dispenser be provided.
Pressure Free Hot Water Dispenser Concept
Unlike other household water dispensers, this dispenser tank is not pressurized for safety reasons. For a conventional household water heater, the faucet valve is placed after the heater tank resulting in a pressurized tank. For a hot water dispenser, the faucet valve is placed before the tank, creating an “open vent” style faucet and consequently, no pressure is built up inside the tank.
Note: Water will vent out the spout sporadically if set to or above the MAX setting.
Overview
- Determine a convenient location to mount your faucet. Location of the hole should also provide easy access for tank connections.
- The thickness of the mounting position must be less than 70mm thick.
- Before connecting to the power source, the dispenser must be filled with water and the thermostat turned to the OFF position.
- Do not use an extension cord with this appliance. Appliance must be within 914 mm of the power source.
- Plumbing connections must comply with all local codes and ordinances.
- Do not use any pipe sealing compounds as they may get inside the dispenser causing an objectionable taste and odour.
Important: Observe all governing code and ordinances.
Faucet may be installed in spray hose opening in sink or drilled hole. If drilling another hole is needed, the 35 mm max. dia. hole is required.
Tank must be mounted vertically
Quick‑connector fittings connects to cold water supply line.
See step 4 (pg.9) of installation for optional connections and instructions.
WARNING
ELECTRIC SHOCK HAZARD
Plug into a grounded 3 prong outlet.
Do not remove ground prong.
Do not use an adapter.
Do not use an extension cord.
Failure to folow these instructions can result in death, fire or electric shock.
Figure 2 –
Typical Installation

- (COLD) Water Inlet Connection
- SmartTee™ (KSAV47)
- 1/4″ White Tube (KTU4W‑2)
- MultiValve
- Reducer KRR64
- Z1 Ultra Z Filtration System
- 1/4″ Tube (Blue Filtered Water Line)
- 1/4″ Tube (White Tank Inlet Line)
- Straight Connector
- Sparq H2 Unit
- Unit Power Supply
- 12 mm Tube (Clear Hot Water Line)
- Faucet
Before You Begin
- Determine where you will install your hot water dispenser. The faucet can be mounted in an existing hole in the sink, or drill a 35 mm hole in your sink or bench top.
- Stainless Steel: You need a 35 mm screw punch available at most hardware stores or drill a hole with an expandable drill. Proper tools are required to drill through a porcelain, granite or cast iron sink. If you are not familiar with this process you shouldconsider having this done by a professional plumber.
Do not attempt to drill without these special tools as you may severely damage your sink or bench top.
Installation Instructions
- Select Faucet Location: Choose a suitable location that is close to where the hot and filtered water will be delivered (e.g. sink).
- Connect the SmartTeeTM : Isolate water supply. Uninstall the connections on the cold water line and connect the SmartTeeTM (see Fig.3). Reinstall the previous connections to the tee valve.
- Connect the Multivalve: Connect the pressure limiting multivalve to the Smart TeeTM with a piece of 1/4″ Tube (White Tank Inlet Line) provided.
- Select location for the Z1 Ultra Z Filtration System: Select suitable location that is close to the existing tap. Remember to allow access room for changing filter and a suitable place where water spillage will not cause damage. Location should not be in direct sunlight.
- Install the Z1 Ultra Z Filtration System: Install Z1‑R cartridge to the head assembly.
Please note arrow on cartridge. Install system assembly by positioning it in the desired location, marking the position of fixing holes and fixing with mounting screws (Z1 can be mounted horizontally and vertically). Allow room for the connecting tubes and for removing the cartridge (70 mm). - Connect the Z1 Ultra Z Filtration System: Connect the Multivalve to the KRR64 attached on the Z1‑R inlet with the 1/4″ Tube (White Tank Inlet Line) provided.
- Prepare Faucet Location: Choose the best position for the faucet, taking into consideration height of jugs etc. and also the draining of any spills. Then drill a suitable 35 mm hole to install the faucet.
WARNING: Special tools may be required to drill the hole in some sinks or benchtops. To avoid damage, consult a qualified plumber or installer for the proper method of drilling holes in porcelain, granite or stainless steel - Install Faucet: To install faucet, place the small rubber washer, dress ring (chrome washer) and large rubber washer onto the threaded end of the faucet. Insert the faucet into the hole in the sink or bench. Slip the large plastic washer and lock washer onto the threaded end of the faucet, screw on the nut and tighten, making sure the faucet is correctly positioned on top.
- Mounting Tank: Position tank vertically beneath faucet so flexible tube from the faucet reaches the centre faucet supply tube on the tank. Keep the tank 10 mm away from the wall. Be sure dial is in OFF position during installation.
Note: The tank must be positioned so the hose to the faucet does not twist or kink. - Connect Faucet to Tank: Connect the White Tank Inlet Line hose to the rear top corner of the tank with the quick‑connect fitting supplied. Connect the Clear Silicone Hot Water Line tube to the centre outlet tube on top of the tank, using the hose clamps supplied.
Note: DO NOT lengthen the hose – dispenser performance will be impaired and warranty will be void. - Connect Cold Water Supply: Connect the 1/4″ Tube (Blue Filtered Water Line) from the faucet, to the reducer attached on the outlet of the Z1 Ultra Filtration System.
Note: Connection to a hot water supply is not recommended. If the water filter is used, water pressure to the tank should not drop below 240 kPa. - Install Filter Assembly: Position the filter assembly in the desired location, marking the position of fixing holes and fixing with mounting screws supplied. Allow room for the connecting tubes and for future filter changes.
- Check for Leaks: Turn on the water supply and check for leaks.
- Run the System: Pull the cold faucet lever down and run the system for at least 5 minutes, to remove carbon fines. Tiny air bubbles in the water may cause the water to appear milky, but will clear after a short period.
- Prepare the Power: Double check the thermostat control dial, on the front of the unit, is in the OFF position. The thermostat control dial controls the water temperature, not the water flow or delivery.
- Test Installation: Plug electrical cord into a ground 3‑prong outlet. Turn thermostat control dial clockwise to the highest position. Maximum temperature will be reached in about 15 minutes and dispenser will be ready to use. Lower the temperature setting by turning thermostat control dial counterclockwise if you notice vapour coming from the faucet or a boiling noise. To raise or lower the water temperature, rotate the thermostat dial. At the LOW setting of thermostat dial, water temperature will be approximately 60°C and at the HIGH setting of the thermostat dial, water temperature will be approximately 98°C.
Note: Not designed to run continuously at the MAX setting. Water will vent out the spout sporadically if set to or above the MAX setting. We recommend turning the dial down slightly from the MAX setting.
Figure 3 – SmartTee™ Quick Connect Fitting
Turn the quick connect nut on the SmartTee™ anticlockwise to release the collet.
- Cut the tube square and push into into the tube stop (inside the collet). For metal tube; remove burrs and chamfer tube end to prevent O-ring seal being damaged.

- The fitting grips before it seals. Ensure the tube is pushed all the way into the tube stop.

- Once the tube is secured in position, turn the quick connect nut clockwise to secure.
Note: Hand tighten only. Do not overtighten.
DISCONNECTION PROCEDURE
- Turn the quick connect nut on the SmartTee™ anticlockwise to release the collet.

- Push the collet against the quick connect nut and slide tube out of fitting.
Important Information
This dispenser is equipped with a self re‑setting thermal fuse. Turn the thermostat to OFF position and fill tank with water before plugging the power cord from the tank into an electrical outlet. If tank is empty and the thermostat set in the ON position when the power cord is connected, the self re‑setting fuse in the heater control will disconnect the current to the heater after approximately one minute, thus protecting the heater from a “dry start” failure. The fuse in the heater control will self reset after approximately 30 minutes. Turn on the water supply to the tank and continue the installation. Continued misuse will cause damage to the appliance and is detectable thus, voiding the warranty.
Faucet Operation
Child-Proof Safety Lock
Unique safety lock design is loaded to prevent children from burns by hot water.
How to Use Hot Water
- Press down the safety locker to release safety lock.
- Pull handle down and use the hot water.
Cleaning and Maintenance
To prevent damage when dispenser is exposed to freezing temperatures, water must be drained. Follow the instructions below:
- Unplug dispenser tank to power supply.
- Turn thermostat control dial to OFF position (fully counterclockwise).
- Turn faucet hot water handle on and run water until water is cold.
- Place a 3 L container under the drain plug at bottom of the tank. Use a screwdriver to remove the screw and 0‑ring in the drain tube opening. When tank is fully drained replace 0‑ring and screw. Tighten to reseal the drain.
Note: Do not plug appliance into power supply if tank is empty.
Cartridge Replacement
- Place container under filter in case of drips.
- Isolate water supply and release water pressure by operating faucet lever.
- Disconnect tubing from the cartridge. Discard old cartridge.
- Remove packaging from the new cartridge. Connect tubing to either end of the cartridge. Ensure flow arrow on cartridge is in direction of water flow.
- Replacement cartridge code: Puretec Z1‑R
- Restore water supply.
- Check for leaks, if any, rectify them before leaving the unit.
- After installing cartridges flush unit for 5 ‑ 10 minutes.
Troubleshooting
- Water is not hot (assuming cold water supply is connected properly and valve is open):
This tank is capable of supplying 60 cups of hot water over an hour (approximately 2.4L), however, the volume of water that can be drawn off immediately is approximately 1.6L.
• Check if dispenser is plugged in.
• Turn thermostat control dial fully clockwise. This may produce boiling water in approximately 15 minutes and possibly be accompanied by a gurgling sound in the tank and/or water “sputtering” from the faucet.
• If the water boils, turn thermostat control dial slightly counterclockwise until the gurgling and/or “sputtering” stops. This should take place within 20 seconds. Turn control dial an additional 3 mm counterclockwise at the tip of the dial. Wait 15 minutes and check the temperature of the water.
• Check for blown fuse or circuit breaker is tripped (also see IMPORTANT NOTE explaining the self re‑setting thermal fuse in step 12 of installation, pg. 10).
NOTE: The thermostat activates the heater after water temperature in the tank drops approximately 8°C from the maximum setting. The dispenser does not produce a continuous flow of hot water. - Hot water drips or sputters from faucet:
• Turn thermostat control dial counterclockwise.
• Check that the hose connecting the faucet to the dispenser tank is not clogged, twisted or kinked.
• Check for proper installation of tubing from faucet to dispenser tank and faucet to water line. If cross‑connected, valve may be damaged. - Water does not flow right away or at all:
• Due to high temperature and for safety reasons, the tank is not under pressure causing a slight delay in water flow.
• Make sure all valves on water supply are open.
• Check hose from faucet for twisting or tight bending. - Water boils or vapour appears:
• Lower temperature setting by turning thermostat control dial counterclockwise.
Note: If lowering the thermostat setting does not stop the boiling, unplug the power supply cord and contact customer service.
WARRANTY
Any claim under this warranty must be made within 2 years of the date of purchase of the product. 2 year warranty is 1 year parts and labour, plus 1 year parts only. Excludes cartridges.
Puretec is renowned for its quality and after‑sales support so if you have any issues please call 1300 140 140 (AU) or 0800 130 140 (NZ). To make a warranty claim, contact us directly or the place of original purchase. All costs relating to a warranty claim must be approved by Puretec prior to any work being carried out.
Puretec will pay your reasonable, direct expenses of claiming under this warranty.
You may submit details and proof of your expense claim to place of purchase for consideration.
The warranty only applies if the product was used and/or installed in accordance with the user guide and/or installation instructions. This warranty is given in lieu of all other express or implied warranties and manufacturer shall in no circumstance be held liable for damages consequential (or otherwise) or delays caused or faulty manufacturing except as excluded by law.
Applicable to all above, is that the warranties need to be approved by Puretec to ensure product was not incorrectly used, installed or claimed. False and incorrect claims will be pursued at Puretec’s discretion, including chargeable inspection and labour costs incurred.
WARRANTY / NEW ZEALAND
This warranty is given by Puretec NZ LP, Reg. No 50081773, PO Box 875 Cambridge 3450 NZ, telephone no. 0800 130 140 and email at [email protected]
This warranty is provided in addition to other rights and remedies you have under law: Our goods come with guarantees which cannot be excluded under the Consumer Guarantees Act. You are entitled to replacement or refund for a major failure and to compensation for other reasonably foreseeable loss or damage. You are also entitled to have the goods repaired or replaced if the goods fail to be of acceptable quality and the failure does not amount to a major failure.
JUL2023
AUSTRALIA
P 1300 140 140
E [email protected]
W puretec.com.au
NEW ZEALAND
P 0800 130 140
E [email protected]
W puretec.co.nz
WaterMark
WMTS 105
Certificate No. 23291
Pro-Switch Pty Ltd
Turn the quick connect nut on the SmartTee™ anticlockwise to release the collet.




Note: Do not plug appliance into power supply if tank is empty.

















