POTTER STAT-X Aerosol Generator

The following provides information when using Potter addressable panels with STAT-X Aerosol Generators. Please refer to the appropriate wiring diagrams for proper installation.
PFC-6075R, P400R, IPA Series, and ARC-100 Addressable Releasing Control Panels
- NAC circuits support up to ten (10) Stat-X generators each.
- I/O circuits cannot be used to release Stat-X generators.
- Refer to wiring diagram #1
PSN-1000 Intelligent Power Supply
- NAC circuits support up to ten (10) Stat-X generators each.
- Refer to wiring diagram #1
MOM-4 Addressable Output Module
- Each MOM-4 module supports one (1) Stat-X generator.
- Refer to wiring diagram #2
PAD100-NAC Addressable Output Module Used With IPA Series & ARC-100 Panels
- PAD100-NAC module requires 24VDC power from an IPA or ARC-100 panel or PSN-1000 NAC circuit.
- A single NAC circuit can provide power for PAD100-NAC modules with a combined total of 10 Stat-X generators as described in examples below.
- Refer to wiring diagram #3
Examples:
- One (1) PAD100-NAC module with ten (10) Stat-X generators powered by a single NAC circuit.
- Five (5) PAD100-NAC modules with two (2) Stat-X generators each, powered by a single NAC circuit.
- Ten (10) PAD100-NAC modules with one (1) Stat-X generators each, powered by a single NAC circuit.
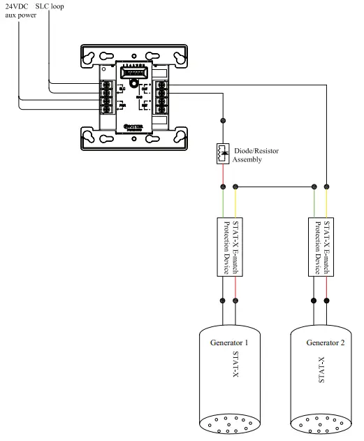
Wiring Diagram #1
Note: This configuration doesn’t provide short circuit supervision of the circuit segments for Generator 1 & Generator 2. A short on these segments will not initiate a trouble condition on the releasing control panel.

Wiring Diagram #2
MOM-4 Releasing STAT-X
Note: This configuration doesn’t provide supervision of open circuits beyond the connection of the E-match protection device. An open circuit on the red & black wires of the protection device will not initiate a trouble condition on the releasing control panel.

Wiring Diagram #3
Note: This configuration doesn’t provide supervision of open circuits beyond the connection of the E-match protection devices. An open circuit on the red & black wires of the protection device will not initiate a trouble condition on the releasing control panel. Also a short on the circuit segment to generator 2 would not initiate a trouble condition on the releasing control panel.

Customer Support
Potter Electric Signal Company, LLC
• St. Louis, MO
• Phone: 800-325-3936
• www.pottersignal.com


















