5/2 directional valve with spool position detection, ISO 5599-1, size 1
IS12-PD
Operating instructions
About This Documentation
Figures: View varies according to the series.

Device overview

Pin assignments for the M8x1 sensor plug

Pin assignment for the electrical connectors in accordance with ISO 4400, form A, CN1 series

Example circuit diagram

Switching position (left) and home position (right) for internal and external pilot
Documentation validity
This documentation applies to the following electrically operated pneumatic 5/2 directional valves, IS12-PD series, size 1, with spool position detection.
| Material number | Size | Coil | MO | Pilot |
| R422002521 | 1 | 24 V DC (1824210223) | Without detent | Internal |
| R422002522 | 1 | Without | Without detent | Internal |
| R422002577 | 1 | 24 V DC (1824210223) | Without detent | External |
| R422002578 | 1 | Without | Without detent | External |
| R422002645 | 1 | Without | Without | Internal |
| R422002646 | 1 | Without | Without | External |
| R422102676 | 1 | 24 V DC (1824210354) | Without detent | Internal |
| R422102678 | 1 | 24 V DC (R412004353) | Without detent | Internal |
| R422102677 | 1 | 24 V DC (1824210354) | Without detent | External |
| R422102679 | 1 | 24 V DC (R412004353) | Without detent | External |
This documentation is intended for installers, operators, service technicians, and systems owners.
This documentation contains important information on the safe and appropriate transport, assembly, commissioning, and maintenance of the product.
- Read this documentation completely, especially chapter “2 Sicherheitshinweise” before working with the product.
Required documentation
IS 12-PD series valves are system components.
- Also observe the instructions for the other system components and manufacturer’s system documentation.
Presentation of information
Safety instructions
This documentation contains safety instructions before any steps that involve a risk of personal injury or damage to property. The measures described to avoid these hazards must be observed.
Safety instructions are set out as follows:
SIGNAL WORD
Type of risk
Consequences of non-observance
- Precautions
| Safety sign, signal word | Meaning |
| Indicates a hazardous situation which, if not avoided, will certainly result in death or serious injury. | |
| Indicates a hazardous situation which, if not avoided, could result in death or serious injury. | |
| Indicates a hazardous situation which, if not avoided, could result in minor or moderate injury. | |
| NOTICE | Indicates that damage may be inflicted on the product or the environment. |
If this information is disregarded, the product cannot be used or operated optimally.
Abbreviations
This documentation uses the following abbreviations:
| Abbreviation | Meaning |
| CI | Coil compatibility index |
| MO | Manual override |
| PL | Performance level |
| ATEX | EU directive for explosion protection |
Notes on Safety
About this chapter
The product has been manufactured according to the accepted rules of current technology. Even so, there is risk of injury and damage to equipment if the following chapter and safety instructions of this documentation are not followed.
- Read these instructions completely before working with the product.
- Keep this documentation in a location where it is accessible to all users at all times.
- Always include the documentation when you pass the product on to third parties.
Intended use
The IS12-PD electrically operated pneumatic directional valve with integrated spool position detection is a system component.
The valve may only be used in conjunction with a size 1 base plate in accordance with the ISO 5599-1 standard.
Depending on the order, the valve is either delivered with a 24 V DC CO1 series coil* or without a coil. For valves that are supplied without a coil or for coil replacement, only the following coils with compatibility index (CI) 15 may be used:
- *24 V DC, form A (1824210223)
- 110 V AC, form A (1824210221)
- 230 V AC, form A (1824210220)
The available coils with CI 15 can be found in the catalog pages in the AVENTICS online catalog.
- Observe the performance limits listed in the technical data.
The product is intended for professional use only.
Intended use includes having read and understood this documentation, especially the chapter “2 Sicherheitshinweise”.
Use in safety-related controls
IS12-PD series valves are approved for use in category 2, 3, and 4 controls up to a max. performance level of d (PL d) in accordance with EN ISO 13849.
The valve is not a safety component or a complete safety solution. The product serves to increase the degree of diagnosis coverage (DC) of the controller.
Improper use
Any use other than that described under Intended use is improper and is not permitted.
AVENTICS GmbH is not liable for any damages resulting from improper use. The user alone bears the risks of improper use of the product.
Improper use of the product includes use in ATEX-certified (explosive) areas.
Personnel qualifications
The work described in this documentation requires basic mechanical, electrical and pneumatic knowledge, as well as knowledge of the appropriate technical terms. In order to ensure safe use, these activities may therefore only be carried out by qualified technical personnel or an instructed person under the direction and supervision of qualified personnel.
Qualified personnel are those who can recognize possible hazards and institute the appropriate safety measures, due to their professional training, knowledge, and experience, as well as their understanding of the relevant regulations pertaining to the work to be done. Qualified personnel must observe the rules relevant to the subject area.
General safety instructions
- Observe the regulations for accident prevention and environmental protection.
- Observe the safety instructions and regulations of the country in which the product is used.
- Only use IS12-PD valves with spool position detection that are in perfect working order.
- Follow all the instructions on the product.
- Persons who assemble, operate, disassemble or maintain IS 12-PD valves with spool position detection must not consume any alcohol, drugs, or pharmaceuticals that may affect their ability to respond.
- Only use accessories and spare parts approved by the manufacturer.
- Comply with the technical data and ambient conditions listed in the product documentation.
- If unsuitable products are installed or used in safety-relevant applications, this may result in uncontrolled system operating states that may lead to injuries or equipment damage. Therefore, only use a product in safety-relevant applications if such use is specifically stated and permitted in the product documentation.
- You may only commission the product if you have determined that the end product (such as a machine or system) in which the AVENTICS products are installed meets the country-specific provisions, safety regulations, and standards for the specific application.
Safety instructions related to the product and technology
WARNING
Danger of injury due to stored energy (compressed air)!
When the system is at a standstill, there is still a danger due to stored energy (compressed air).
- Generally avoid storing compressed air.
- Exhaust the system before working on it.
- Remove all other sources of danger in the immediate work area that may result from stored energy in the system.
Danger of injury by dismantling the valve!
Pre-tensioned springs may suddenly be released when dismantling the valvO Never dismantle the valve.
- Do not remove the mounting screws for the valve cover (1 –5).
- Do not remove the mounting screws for the pilot valve (1 –12).
- Do not remove the mounting screws for the sensor housing ( 1–4).
- Do not replace or disassemble the sensor, or change its position.
Injuries if system-specific limits are not complied with!
The operating conditions for the IS12-PD valve may deviate from the system operating conditions.
- Always observe the information in the documentation for the superior system.
- Before assembly, contact the system manufacturer or AVENTICS GmbH to clarify any contradictions or questions.
Danger of burns caused by hot surfaces!
Touching the surfaces of the valves and adjacent components during operation could cause burns.
- Let the relevant system component cool down before working on the valve.
- Do not touch the relevant system component during operation.
Danger of injury if assembled under pressure or voltage!
Uncontrolled system movements are possible.
- Make sure that the relevant system part is not under voltage or pressure before you assemble the product.
- Protect the system against being switched on.
Personal protective equipment
- Wear appropriate protective clothing during assembly and maintenance. Observe the applicable occupational safety regulations for the system.
Responsibilities of the system owner
As the owner of a system that will be equipped with an IS12-PD valve with spool position detection, you are responsible for
- ensuring intended use,
- ensuring that operating employees receive regular instruction,
- ensuring that the operating conditions are in line with the requirements for the safe use of the product,
- ensuring that no unauthorized repairs are attempted if there is a malfunction.
General Instructions on Equipment and Product Damage
NOTICE
Valve damage due to falling!
If the module falls, the product may be damaged even if no damage is visible.
- Always transport the module carefully.
- If the module has fallen, it may no longer be installed.
- Check the packaging when you receive the product. If the packaging is damaged, the module must not be installed.
Spool position detection malfunction due to magnetic sources!
Spool position detection may malfunction due to magnetic sources.
- Make sure that no magnetic sources are located near the valve.
Mechanical loads!
The device may be damaged. The protection class IP65 is no longer guaranteed.
- Do not mechanically load the vale, the electrical connecting cables, or the pneumatic tubing.
Delivery Contents
The scope of delivery includes:
- 1 IS12-PD valve, size 1, with mounted and adjusted ST4 sensor with M8x1 connection.
The sensor is fixed in its own sensor housing on valve side 14. The cable is guided outward. - 4 mounting screws
- 1 base plate gasket
- 1 set of operating instructions
- Optional: 1 coil, 24 V DC, CO1 series
If no coil is supplied, a coil with Cl15 must be ordered separately and used.
If the coil is supplied, the contacts of the coil are protected with a plastic cap.
Device Description
For a device overview, see 1
- Valve
- Valve cover, valve side 12
- Valve cover, valve side 14
- Sensor housing, bolted to valve cover (3)
- Mounting screws for the sensor housing
- Sensor slot
- Sensor cable
- Sensor plug
- Coil lock nut
- Coil (not always included in the scope of delivery)
- Contact for connecting an electrical connector
- Mounting screws for the pilot valve
- Pilot valve
- Mounting screws for valve
- Base plate gasket
Product identification
- Check that the module matches your order using the material number printed on the housing.
Function 5
IS12-PD series valves are electrically operated pneumatic 5/2 directional valves with an integrated spool position detection. Spool position detection is realized by means of the following system: A magnet is integrated in the piston (spool) of the valve and an ST4 series proximity sensor with an M8x1 connection is installed in a sensor housing on valve side 14.
The sensor LED indicates the position of the spool. This allows the user to detect whether the valve is in the home position (sensor LED is lit) or in the switching state (sensor LED is not lit). In addition, the position of the sensor is transferred to the controller via the M8 connection, PIN 4 (OUT).
The sensor is switched on when the spool is located on valve side 14, meaning in home position. In this case, the sensor LED is lit.
The sensor is switched off when the spool is located on valve side 12, meaning in the switching position. In this case, the sensor LED is not lit.
Depending on the order, IS12-PD series vales have different features:
- With or without manual override (MO)
- With internal or external pilot
Home position, sensor LED lit
When the valve is not actuated electrically, it is in home position. The spool is positioned so that connections 1 and 2 and connections 4 and 5 are connected respectively. With typical use, connection 2 is under pressure while connection 4 is pressure-free. The sensor LED is switched on and indicates that the valve is in the home position. The output voltage is applied to pin 4 (OUT). To ensure the system is not under pressure in home position, the working connection to the system must be connected at connection 4.
Switching position, sensor LED not lit
When the valve is actuated electrically, it is in switching position. The spool is positioned so that connections 2 and 3 and connections 1 and 4 are connected respectively. With typical use, connection 2 is pressure-free while connection 4 is under pressure. The sensor LED is switched off and indicates that the valve is in the switching position. 0 volts are applied to pin 4 (OUT). To ensure the system is under pressure in the switching position, the working connection to the system must be connected at connection 4.
Sensor signal change when pressurizing port 4
When the valve is switched on, the spool moves from valve side 14 to valve side 12.
During spool movement, the signal of the sensor switches from “ON” to “OFF”.
Sensor signal change when exhausting port 4
When the valve is switched off, the spool moves from valve side 12 to valve side 14.
During spool movement, the signal of the sensor switches from “OFF” to “ON” if port 4 is connected to port 5.
Transportation and Storage
The valve is packaged to protect it from contamination. Do not remove the packaging until just before assembling the valve.
Transportation
CAUTION
Danger of injury from falling!
An IS12-PD module with spool position detection can weigh up to 410 g and injure persons in falling.
▶ Always transport the module carefully.
▶ Wear suitable protective clothing, such as safety shoes.
NOTICE
Valve damage due to falling!
If the module falls, the product may be damaged even if no damage is visible.
▶ Always transport the module carefully.
▶ If the module has fallen, it must not be installed.
▶ Check the packaging when you receive the product. If the packaging is damaged, the module must not be installed.
Storage
NOTICE
Damage to the IS12-PD valve due to incorrect storage!
Unfavorable storage conditions can result in corrosion and material deterioration.
The maximum storage period is two years.
▶ Only store the IS12-PD valve in dry, cool, and corrosion-proof environments.Avoid direct sunlight.
▶ Keep the IS12-PD valve in the original or delivery packaging if you do not install it immediately.
▶ Never use IS12-PD valves that were stored for longer than two years.
Assembly
WARNING
Danger of injury due to assembly of the product while the system is running!
Assembly of the product while the system is running can cause major injuries from moving machinery.
▶ Bring the system mode into a state in which working movements are no longer possible. Wait until all moving machine parts come to a standstill, and protect the system against being switched on.
Danger of injury due to suspended useful loads!
Useful loads that are kept suspended by compressed air pose a danger if they are not secured before the pressure is switched off in the system.
▶ Guide the useful loads into a safe position or remove them from the system.
▶ You may only then switch off the pressure in the relevant section of the system.
Danger of injury due to stored energy (compressed air)!
When the system is at a standstill, there is still a danger due to stored energy (compressed air).
▶ Generally avoid storing compressed air.
▶ Exhaust the system in which the valve is to be installed.
▶ Remove all other sources of danger in the immediate work area that may result from stored energy in the system.
NOTICE
Damage to the IS12-PD valve when using the incorrect tightening torque!
Insufficient or excessive tightening torques can result in operating problems or damage the product.
▶ Always observe the tightening torques specified in these operating instructions.
The following must be observed during assembly:
■ The valve is packaged to protect it from contamination. Do not remove the packaging until just before assembling the valve.
■ All compressed air connections and control elements must remain freely accessible after installation.
■ The valve must be attached in such a way that it cannot be loosened by jolts, vibrations, or the like.
■ The position of the sensor was fixed at the factory and secured with a clamping screw with resin. The sensor must not be replaced or disassembled, or its position changed. The sensor housing (4) is bolted to the valve cover (3) and secured with resin. The sensor housing must not be replaced or disassembled, or its position changed.
▶ Make sure that the valve is only used as described in “Bestimmungsgemäße Verwendung”. An example for use in safety-relevant controls for exhausting systems and machines is described in “17 Exemplarische Steuerung”.
Preparing for assembly
Prepare for assembly as follows:
- Stop system operation and protect it against being switched on.
- Return all suspended loads to a statically secure position or remove them from the system.
- If required, exhaust stored compressed air from system parts in the immediate work area.
- Make sure the relevant section of the system is not under pressure or voltage and protect it from being switched on.
- Secure self-turning or other movable system parts before starting assembly.
- Before assembly, check the sensor cable for damage. If the sensor cable is damaged, you must replace the entire valve.
Installing the valve
Any mounting orientation may be used with the IS12-PD valve.
Assembly consists of five steps:
- mechanical fastening to the system,
- connection to the compressed air supply of the pneumatic system,
- connecting the sensor,
- coil assembly, and
- coil connection.
Mechanically fastening the valve to the system
To operate the valve, it must be mounted to a base plate. The base plate is not part of the scope of delivery.
The base plates are fastened to the assembly surface or in a valve system in various manners, depending on the type.
Suitable own mounting material must be used in order to fasten the base plates or the valve system to the assembly surface. The general rules of technology apply here.
- Mount the base plate or the valve system on the assembly surface in a way that prevents mechanical strain. While doing so, observe the maximum permissible tightening torque values for the mounting screws.
- Always mount the base plate or the valve system on an assembly surface in a way that prevents the valve, the base plate, and the valve system from loosening in the event of jolts, vibrations, etc.
- Install the base plate in your system in a manner where the pneumatic connections are always accessible.
- Please see the catalog pages in the AVENTICS online catalog for the exact dimensions for fixing your base plate or valve system.
To mount the valve on the base plate:
- Place the base plate seal (1 –15) on the underside of the valve so that the pneumatic ports are not covered.
- Fix the IS12-PD valve to a size 1 base plate in accordance with ISO 5599-1 using the four captive screws (1 –14).
Tightening torque: 2.2 ±0.3 Nm
Connecting the compressed air supply
The valve is supplied with compressed air via a base plate or a valve system.
▶ Make the pneumatic connections as follows:
- Connection 1 to the supply pressure
- Connections 3 and 5 to the exhaust
- Connections 2 and 4 to the working connections
Connecting the sensor
The contacts on the M8x1 connection have the following pin assignment (see 2 ):
| Contact | Pin assignment acc. to EN 60947-5-2:1998 |
| Pin 1 | (+) Brown (BN) |
| Pin 3 | (-) Blue (BU) |
| Pin 4 | (OUT) Black (BK) |
NOTICE
Malfunction due to damaged sensor cable!
If the seal in the sensor plug is missing or defective, protection class IP65 is not achieved.
▶ Make sure that the seals are integrated in the plug and not damaged.
Damage to the sensor due to excessive voltage!
The ST4 sensor may only be operated with 10–30 V DC even if you use 110 V AC or 230 V AC coils.
▶ Make sure that the ST4 sensor is always operated within the voltage limits.
▶ Connect the sensor plug and the knurled nuts to the controller. See the table for the pin assignment (above).
We recommend using short circuit protection.
Assembling the coil
NOTICE
Use of improper coils!
Using improper coils can result in malfunctions.
▶ Only used the coils named under “Intended use”.
You can assemble the coil in 5 different positions so that the contacts face upward, 45°, or 90° to the side.
- Assemble the coil on the pole tube.
The small centerings must be fixed in the steel plate so that the coil is prevented from turning. - Tighten the lock nuts (1 –9) on the thread at the end of the pole tube.
Tightening torque: 0.6 +0.2 Nm.
Connecting the coil
To connect the coil, you need cables with the following connections:
■ one electrical connector according to ISO 4400, form A, CN1 series,
■ or one M12x1 socket, 3-pin, A-coded.
The cable and connectors are not part of the scope of delivery. The pin assignments
for the connection cables are displayed in Fig.3
▶ Connect the electrical connector or the M12 socket to the coil. Make sure that the seals have been inserted correctly. Tighten the screw on the coil (form A) or the knurled nuts to the M12 plug.
Screw tightening torque: 0.4 +0.1 Nm
Commissioning
WARNING
Danger of injury while working on the system!
Working while the system is running can cause major injuries from moving machinery.
▶ Maintain a sufficient safety distance to moving machine components.
▶ Do not work on the system while it is running.
Risk of injury when actuating the manual override!
Uncontrolled movement of the system components!
- Before actuating the manual override, make sure that it will not trigger uncontrolled system movements.
Checking the connections
▶ Before commissioning, make sure that all plugs are correctly connected to ensure protection class IP65.
Initial check of the spool position detection
For valves with manual override (MO), you can simplify commissioning by actuating the MO. The MO on the IS12-PD valves is “without detent”. This means that the valve switches to home position when you discontinue actuating the MO.
▶ Before initial operation, check whether the “spool position detection” function is working properly.
– If the valve is not actuated (electrically or mechanically on the MO), the sensor LED should be lit. The output voltage is applied to pin 4 (OUT).
– If the valve is actuated (electrically or mechanically on the MO), the sensor LED must not be lit. 0 volts are applied to pin 4 (OUT).
Operation
WARNING
Loss of function if the minimum control pressure is not met!
If the control pressure falls below 3 bar, the valve can no longer switch reliably.
The safety function is then affected.
▶ Make sure that the minimum control pressure is always above 3 bar.
▶ For valves with internal pilot, ensure the operating pressure with an appropriate pressure sensor, or the control pressure for valves with external pilot respectively.
Spool position detection malfunction due to magnetic sources!
Spool position detection may malfunction due to magnetic sources. The safety function is then affected.
▶ Make sure that no magnetic sources are located near the valve.
▶ Make sure that the operating conditions correspond to the catalog specifications for size 1 IS12-PD valves, for CO1 coils, and for ST4 sensors, particularly with regard to temperature, pressure, voltage supply, and mechanical and climatic loads (see also chapter “15 Technische Daten”).
▶ Use compressed air with the following properties:
- Maximum particle size 5 μm
- Oil content of compressed air 0 mg/m³ – 5 mg/m ³
- The pressure dew point must be at least 15°C below the ambient temperature and must not exceed 3°C.
- The oil content of the compressed air must remain constant over the whole service life.
Care and Maintenance
Cleaning
NOTICE
Damage to the product due to the use of aggressive cleaning agents!
The product can be damaged if washed with a cleaning agent. The chemical resistance of the valve material to such products is not guaranteed.
▶ Make sure that no cleaning agents come into contact with the valve.
Damage to the product due to washing at high pressures and temperatures!
The product will be damaged if you clean it with high pressure and/or at a high temperature.
▶ Make sure that the product is not cleaned with high pressure and/or at a high temperature.
Maintenance
WARNING
Risk of injury while working on a running system!
Working while the system is running can cause major injuries from moving machinery.
▶ Bring the system mode into a state in which working movements are no longer possible. Wait until all moving machine parts come to a standstill, and protect the system against being switched on.
Danger of personal injury due to uncontrolled movements!
For valves with manual override (MO), you can simplify system maintenance by mechanically actuating the MO. The MO on the IS12-PD valves is “without detent”.
This means that the valve switches to home position when you discontinue actuating the MO.
▶ Make sure that no uncontrolled movements occur in the process.
IS12-PD valves are maintenance-free. However, the seals of the valves may age faster under aggressive ambient conditions. Defective seals will lead to pneumatics leaks and non-compliance with the IP65 protection class.
- Check regularly whether all plug connectors are firmly fitted.
- Establish the maintenance intervals according to your ambient conditions and enter them in the system-dependent maintenance plan.
- Observe the system-specific maintenance intervals.
The operator is responsible for determining the maintenance intervals.
Removing the Valve from the System
WARNING
Danger of injury if valve disassembled under pressure or voltage!
Uncontrolled movement of the system components!
▶ Make sure that the system is not under pressure or voltage when you disassemble the valve, coil, electrical connector, or the M8x1 socket.
NOTICE
Contamination during disassembly!
During disassembly, greases or lubricant may escape from the valve.
▶ Make sure that the environment is not contaminated with greases or lubricant during disassembly.
- Stop system operation and protect it against being switched on.
- Ensure that the useful load has reached a stable position.
- Make sure that the relevant section of the system is not under pressure and protect it against being switched on.
- Remove the electrical connector from the coil.
- Remove the sensor plug from the controller.
- Loosen the four mounting screws on the valve and remove the valve from the base plate.
This concludes the disassembly.
Exchanging the Coil
To operate the valve with a different voltage, for example, you can exchange the coil.
- Proceed as described in steps 1.–4. of chapter “11 Demontage des Ventils aus der Anlage”.
- Proceed as described in section “Spule montieren” in chapter 7.
- Proceed as described in section “Spule anschließen” in chapter 7.
Disposal
- Dispose of the valve and any escaping greases and lubricant in accordance with the national regulations in your country.
If Malfunctions Occur
WARNING
Danger of injury by dismantling the IS12-PD valve!
Pre-tensioned springs may suddenly be released when dismantling the valve.
- Never dismantle the valve.
- Do not attempt to perform any unauthorized repairs.
- Check the connections, operating voltage, and working pressure of the relevant system part if malfunctions occur.
Additional help for malfunctions can be found in the following table:
| Malfunction | Possible cause | Remedy |
| Valve does not | Insufficient control pressure. | Increase the control pressure. |
| Valve is not leaktight at all. | Disassemble it and send it,together with a description of the error, to AVENTICS GmbH. | |
| Incorrect pin assignment of the electrical connector | Check and correct the pin assignment of the electrical connector. | |
| Use pre-assembled connecting cables with electrical connectors. | ||
| Insufficient voltage | Increase voltage to the minimum voltage value. | |
| Sensor LED not | Incorrect M8x1 socket pin assignment | Check and correct the pin assignment. |
| Use pre-assembled connecting cables. | ||
| Insufficient voltage | Increase voltage to the minimum voltage value. | |
| Excessive voltage | Exchange valve |
If you are unable to troubleshoot the valve malfunction yourself:
▶ Disassemble the valve as described in chapter “11 Demontage des Ventils aus der Anlage” and send the valve to AVENTICS GmbH. You can find the address on the back of the operating instructions.
Technical Data
| General data | |
| Min./max. operating pressure | 3 to 10 bar internal pilot |
| Min./max. control pressure | 3 to 10 bar |
| Min./max. ambient temperature | 0°C/+50°C |
| Mounting orientation | Any |
| IP protection class | IP65 |
| On/off switching times | 18 ms/40 ms |
| Nominal flow (std l/min.) | 1060 |
| Coil, CO1 series (1824210223) | |
| Electrical connection | EN 175301-803, form A |
| Power supply | 24 V DC ±10% |
| Power consumption | 4.4 W |
| Coil, CO1 series (1824210354) | |
| Electrical connection | EN 60947-5-2, M12x1 |
| Power supply | 24 V DC ±10% |
| Power consumption | 4,5 W |
| Coil, CO1 series (R412004353) | |
| Electrical connection | EN 175301-803, form A |
| Power supply | 24 V DC ±10% |
| Power consumption | 4,5 W |
| UL certificate | MH 13513 |
| CSA certificate | LR 51090 |
| Sensor, ST4 series | |
| Electrical connection | M8 with knurled nuts |
| Min./max. power supply | 10/30 V DC |
| Max. switching current | 0.1 A |
| Vibration resistance | 10–55 Hz, 1 mm |
| Shock resistance | 30 g/11 ms |
| Voltage drop U at Imax | ≤2.5 V |
| Type of contact | Electronic PNP |
| Cable length | 0.3 m |
| Sensor LED | Yes |
| Electrical safety | Protection class III |
▶ For further technical data, see the catalog pages in the AVENTICS online catalog (see www.aventics.com/pneumatics-catalog).
| Component | Material number |
| Coils, CO1 series | |
| 24 V DC with EN 175301-803, form A plug | 1824210223 |
| 24 V DC with M12x1 plug, 2-pin, A-coded | 1824210354 |
| 24 V DC with EN 175301-803, form A plug | R412004353 |
| 110 V AC with EN 175301-803, form A plug | 1824210221 |
| 230 V AC with EN 175301-803, form A plug | 1824210220 |
| Electrical connectors, CN1 series, for CO1 coil | |
| 24 V DC, 24 V AC, Z-diode protective circuit | 1834484101 |
| 110 V AC, varistor protective circuit | 1834484102 |
| 230 V AC, varistor protective circuit | 1834484103 |
| 230 AC without protective circuit, 3 m | 1834484160 |
| 24 V DC, 24 V AC, Z-diode protective circuit, 3 m | 1834484162 |
| 24 V DC, 24 V AC, Z-diode protective circuit, 5 m | 1834484163 |
| 230 AC, varistor protective circuit, 3 m | 1834484164 |
| 230 AC, varistor protective circuit, 5 m | 1834484165 |
| Base plates | |
| See accessories in the catalog sheet for the IS12-PD valve, size 1 | |
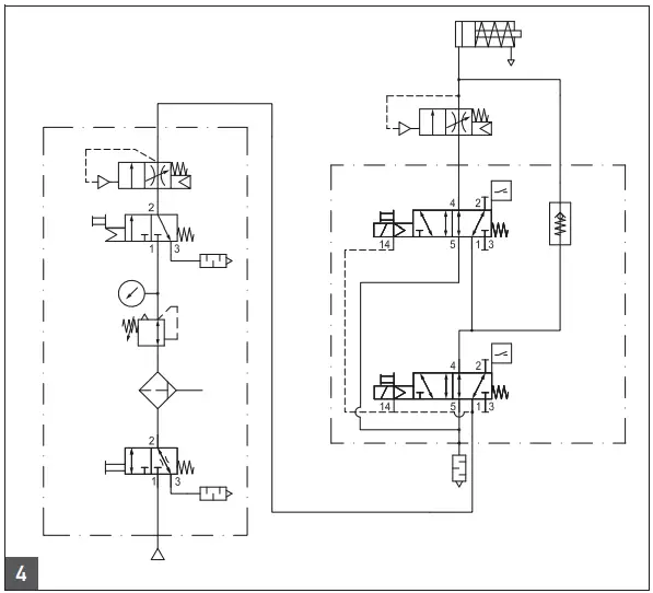
Example Control
Figure 4 shows an example of a safety-relevant control for exhausting a cylinder.
The block function is realized through two IS12-PD valves and one non-return valve.
The following circumstances were taken into account in the circuit diagram in Fig.4:
- To enable the correct behavior of the valve, the valve must not be actuated until a minimum operating pressure of 3 bar has been built up in the system. The valve pilot supply is then sufficient to correctly switch the valve.
- A pressure regulator is provided in an appropriate location in the supply line to build up a stable pressure.
AVENTICS GmbH
Ulmer Straße 4
30880 Laatzen
Phone +49 (0) 5 11-21 36-0
Fax: +49 (0) 511-21 36-2 69
www.aventics.com
[email protected]
Further addresses:
www.aventics.com/contact



















