Honeywell Fan Controls and Air Switches User Guide
THE L4068A,C,E,F FAN CONTROLS OPERATE THE FURNACE FAN MOTOR IN RESPONSE TO PLENUM TEMPERATURE IN FORCED AIR HEATING SYSTEMS. L4068G ATTIC FAN CONTROL OPERATES AN ATTIC VENTILATION FAN IN RESPONSE TO ATTIC AIR TEMPERATURE. THE L6068 AIR SWITCH IS USED IN DOWNFLOW FURNACES TO PREVENT REVERSE AIR CIRCULATION AND TO PROVIDE PROTECTION AGAINST EXCESSIVE TEMPERATURES CAUSED BY CLOGGED FILTERS. THE L6068 CAN ALSO BE USED TO CONTROL A 2- SPEED FAN
- L 4068 has spst switch; L 6068 has spdt switch
- L 4068A,C,E,F have adjustable FAN OFF and differential settings.
- L 4068G has adjustable FAN OFF setting, fixed differential setting
- L 6068 available with fixed or adjustable temperature setting; differential is fixed.
- MAN-AUTO fan lever standard on L4068E,F; optional on L4068G.
- Bimetal sensing element actuates switch.
- Push-in terminals.
- Available with and without case and cover
SPECIFICATION
TRADE LINE MODELS
Tradeline models are selected and packaged to provide ease of stocking, ease of handling, .and maximum replacement value. Tradeline model specifications are the same as those of standard models except as noted below.
TRADELINE MODELS AVAILABLE:
- L4068C Fan Control less MAN-AUTO fan lever, less case and cover.
- L4068E Fan Control with MAN-AUTO fan lever with case and cover
- L4068F Fan Control with MAN-AUTO fan lever, less case and cover
FAN OFF SETTING: Adjustable, 80 to 120 F [27 t 49 C]. L4068F factory-set at 100 F [38 C]
DIFFERENTIAL: Adjustable, 20 to 50 F [11 to 28 C]. L4068F factory-set at 25 F [-4 C].
ADDITIONAL FEATURES:
- Two No. 8 x 1/2 in. sheetmetal mounting screws provided.
- Case and cover assembly, Part No. 132475E, available for L4068C,F
- Tradeline pack with cross reference label and special instruction sheet.
STANDARD MODELS
MODELS
- L4068A Fan Control, less MAN-AUTO fan lever, with case and cover.
- L4068C Fan Control, less MAN-AUTO fan lever, less case and cover.
- L4068E Fan Control, with MAN-AUTO fan lever, with case and cover.
- L4068F Fan Control, with MAN-AUTO fan lever,less case and cover.
- L4068G Attic Fan Control, MAN-AUTO fan lever optional, with case and cover.
- L6068A Air Switch, adjustable temperature setting, with case and cover.
- L6068D Air Switch, fixed temperature setting, with or without case and cover
ELECTRICAL RATING (amperes):
L4068A.C.E.F
| 120V AC | 240V AC | |
| Full Load | 14 | 7 |
| Locked Rotor | 84 | 42 |
Pilot Duty-50 VA at 24V ac.
L4068G
4.4 amps full load, 26.4 amps locked rotor at 120V ac; 50 VA at 24V ac pilot duty.
L6068
| 120V AC 240V AC | |||
| R-W CIR- CUIT | R-B R-W CIR- CIR- CUIT CUIT | R-B CIR- CUil | |
| Full Load | 14 | 10 7 | 5 |
| Locked Rotor | 84 | 60 42 | 30 |
50 VA at 24V ac pilot duty. Maximum connected load 2000 VA.
SWITCHING
L4068 spst, snap acting makes on temperature rise. L6068 spdt, snap acting makes R-W, breaks R-B on temperature rise.
SETTINGS
L4068A,C,E,F-80 to 120 F [27 to 49 C] adjustable FAN OFF setting.
ORDERING INFORMATION
WHEN PURCHASING REPLACEMENT AND MODERNIZATION PRODUCTS FROM YOUR TRADELINE WHOLESALER OR YOUR DISTRIBUTOR, REFER TO THE TRADE LINE CATALOG OR PRICE SHEETS FOR COMPLETE ORDERING NUMBER
SPECIFY
- ORDER NUMBER, TRADE LINE IF DESI RED.
- VOLTAGE AND FREQUENCY
- TEMPERATURE SETTING DESIRED ON L6068D.
- FIXED OR ADJUSTABLE DIFFERENTIAL ON SPECIFY- L4068A,C,E,F.
- ELEMENT INSERTION LENGTH.
- OPTIONAL SPECIFICATIONS, IF DESIRED.
- ACCESSORY, IF DESIRED.
IF YOU HAVE ADDITIONAL QUESTIONS, NEED FURTHER INFORMATION, OR WOULD LIKE TO COMMENT ON OUR PRODUCTS OR SERVICES, PLEASE WRITE OR PHONE:
- YOUR LOCAL HONEYWELL RESIDENTIAL DIVISION SALES OFFICE (CHECK WHITE PAGES OF PHONE DI RECTORY).
- . RESIDENTIAL DIVISION CUSTOMER SERVICE HONEYWELL INC., 1885 DOUGLAS DRIVE NORTH MINNEAPOLIS, MINNESOTA 55422 (612) 542-750
(IN CANADA-HONEYWELL CONTROLS LIMITED, 740 ELLESMERE ROAD, SCARBOROUGH, ONTARIO M1P 2V9) INTERNATIONAL SALES AND SERVICE OFFICES IN ALL PRINCIPAL CITIES OF THE WORLD.
L4068G-70 to llO F (21 to 43 C] adjustable FAN OFF setting.
L6068A-125 to 165 F (52 to 74 C] adjustable temperature setting.
L6068D-fixed at 150, 165, or 200 F (66, 74, or93 C] temperature setting (200 F (93 C] model less case and cover).
DIFFERENTIAL:
L4068A,C,E,F-20 to 50 F (ll to 28 C] adjustable differential, or 35 F (20 C] fixed.
L4068G-12 F (7 C] nominal fixed differential.
L6068-20 F [ 44 C] nominal fixed differential.
SENSING ELEMENT: Flat blade bimetal on all models.
ELEMENT INSERTION LENGTH: 3 or 7 inches.
L4068A,C,E,F -3 or 7 inches.
L4068G-3 inches.
L6068A-3 or 7 inches.
L6068D-3 inches.
ADJUSTING MEANS (L4068 only): Knobs on the face of control for models with adjustable FAN OFF and fan differential settings.
MOUNTING MEANS: L4068A,C,E,F; L6068 With case and cover-two screw holes in back of case. Less case and cover-two notches for screws in back of switch.
L4068G: Four screw holes in back of case.
MAXIMUM AMBIENT TEMPERATURE: All modelsat switch 190 F, at bimetal 350 F.
WIRING KNOCKOUTS:L4068A,E; L6068 with case and cover only-one
in top and one in bottom of case for 1/2 inch conduit. L4068G-one in top of case for 1/2 inch conduit. FINISH (models with cover only): Gray.
DIMENSIONS:
| MODEL | HEIGHT | WIDTH | DEPTH |
| L4068A,G | 3-3/4 | 2-5/16 | 2 |
| L4068C | 2-3/4 | 1-7/8 | 1-1/4 |
| L4068E | 3-3/4 | 2-5/16 | 2-3/8 |
| L4068F | 2-3/4 | 1-7/8 | 2-3/8 |
| L6068A | 3-3/4 | 2-5/16 | 2 |
| L6068Da | 3-3/4 | 2-5/16 | 2 |
| L6068D | 2-3/4 | 1-7/8 | 1-3/16 |
CANADIAN ST AND ARDS ASSOCIATION COMPONENT RECOGNIZED: File No. LR1322, Guide No. 400-E-O.
OPTIONAL SPECIFICATIONS:
- L4068A with Celsius scale-25 to 50 C FAN OFF setting range, 10 to 25 C adjustable differential.
- L4068G with MAN-AUTO fan lever.
ACCESSORY: Case and cover assembly, Part No. 132475E, for L4068C,F. Assembly includes case, cover, decal, one self-tapping screw for mounting control in case, and two sheetmetal screws for mounting case.
INSTALLATION
CAUTION
- Installer must be a trained, experienced serviceman.
- Disconnect power supply before connecting wiring to prevent electrical shock or equipment damage.
- Do not exceed ambient temperature limitations in any application; see SPECIFICATIONS.
- Always conduct a thorough checkout when installation is complete
On L4068A,C,E,F and L6068 follow instructions furnished by the furnace or burner manufacturer, if available. Otherwise, proceed as follows. On L4068G follow instructions given below
LOCATION AND MOUNTING
L4068A,C,E,F LOCATION
Locate the element in the plenum where it will be exposed to the most rapid temperature changes. It should be affected as much as possible by the temperature of outlet air with minimum dependence on radiant heat. Element must not touch any internal part of the furnace.
L6068 LOCATION
Downflow furnaces-Locate the L6068 between the filter(s) and the heat exchanger where air circulation is not restricted by baffles. Element must not touch any internal part of furnace. Two-speed fan control-Locate the L6068 in the furnace outlet or plenum where it will be exposed to the most rapid temperature change and where it will be affected as much as possible by changing average temperature of outlet air with minimum dependence on radiant heat. Element must not touch any internal part of furnace.

FIG. 1-LOCATION OF SENSING ELEMENT.
MOUNTING L4068A,C,E,F; L6068
NOTE: If the existing element mounting is suitable, proceed to step 7. If existing mounting is unsuitable,install the case as follows.
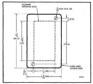
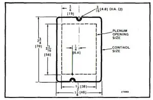
- Make opening in plenum. See Figs. 2 and 3 for dimensions. If modifying existing opening which is too small, enlarge it. If existing opening is too large, use an asbestos gasket to decrease hole size, or cover opening with a piece of sheetmetal and cut a new hole

FIG. 2-MOUNTING DIMENSIONS IN INCHES [MILLIMETRES IN BRACKETS] FOR L4068A,E AND L6068A WITH CASE AND COVER.
FIG. 3-MOUNTING DIMENSIONS IN INCHES [MILLIMETRES IN BRACKETS] FOR L4068C,F AND L6068D WITHOUT CASE AND COVER. - Remove cover from case.
- Position case over plenum opening and markmounting holes.
- Drill or punch holes for mounting screws.
- Remove knockouts from case.
- Using two sheetmetal screws furnished, fast encase to plenum or furnace.
- Insert element into plenum.
- Fasten control securely to furnace or case using back-plate mounting screw.
- After wiring and adjustments are complete, replace cover
NOTE: Manual fan lever on L4068E,F has a breakaway arm. If cover to be used has no fan lever opening, snap off lever by bending with fingers before placing cover on control.

L4068G LOCATION AND MOUNTING
The L4068G is mounted on any convenient stud or rafter in the attic. Mount the L4068G at the selected location using two screws through the mounting holes at the back of the case. Mount as shown in Fig. 4
FIG. 4-MOUNTING THE L4068G IN THE ATTIC.
WIRING
All wiring must agree with applicable electrical codes and ordinances.
L4068A,C,E,F; L6068
Follow any wiring instructions furnished with heating system. In a replacement installation, make certain the L4068 or L6068 is wired in the system to operate the same way as the old control. NOTE: Two common terminals (with internal jumper) are provided so that power may be provided to the line voltage limit switch without splicing. Connect the “hot” wire from the power supply to the upperleft terminal. On L4068, connect the fan motor to the bottom terminal (marked LOAD); connect limit switch, if wired in the line voltage circuit, to the upper right terminal. Figs. 5-10 show typical wiring diagrams.
FIG. 5-TYPICAL WIRING FOR L4068A,C,E,F USED IN FORCED AIR HEATING SYSTEM.

FIG. 6-TYPICAL 01 L BURNER SYSTEM WITH LIMIT SWITCH IN LINE VOLTAGE CIRCUIT

FIG. 7-TYPICAL SELF-POWERED GAS SYSTEM WITH LIMIT SWITCH IN MILLIVOLT CIRCUIT AND FAN SWITCH INLINE CIRCUIT.

FIG. 8-TYPICAL WIRING CONNECTIONS FOR L6068 USED AS A SECONDARY LIMIT AT THE FILTER OF A DOWNFLOW FURNACE. R-W MAKES, R-B BREAKS ON TEMPERATURE RISE TO SET POINT.

FIG. 9-TYPICAL WIRING CONNECTIONS FOR L6068 USED TO CONTROL A TWO-SPEED FAN MOTOR. R-W MAKES, R-B BREAKS ON TEMPERATURE RISE TO SET POINT.
L4068G: Wire L4068G to tum on the fan when attic temperature rises to control point. See Fig. 4.

FIG. 10-WIRING L4068G TO CONTROL AN ATTIC FAN.
CONNECTING TO PUSH-IN TERMINALS
To connect the push-in terminals use the following procedure:
- No. 14, 16, or 18 solid or No. 14 or 16 stranded wire may be connected to these terminals. Do not connect aluminum wire to the push-in terminals on this device.
- Strip insulation from wires the exact length shown by the strip gauge on the front of the switch.
- If stranded wire is used, insert a small screwdriver into the rectangular hole (marked ►) on the front of the switch above the round terminal hole; push inward and hold. Insert wire into round terminal hole and remove screwdriver (Fig. 5). If solid wire is used, it may be inserted into the round terminal hole without using a screwdriver

FIG. 11-INTERNAL VIEW OF L4068 FAN CONTROL, SHOWING USE OF PUSH-IN TERMINALS.
To disconnect either stranded or solid wire, proceed as follows:
- Insert a screwdriver into the rectangular hole (marked ►) on the front of the switch. Push inward to release grip on wire.
- With grip released, pull wire out of round terminal hole.

FIG. 12-INTERNAL VIEW OF L6068,SHOWING USE OF PUSH-IN TERMINALS.
SETTING AND CHECKOUT
CAUTION: BEFORE ADJUSTING SET POINT KNOB, MAKE SURE INSULATOR FLAP COVERS TERMINAL SCREW BELOW KNOB.
L4068 SETTINGS: FIXED DIFFERENTIAL
L4068A,C,E,F
On some models, the differential is fixed at approximately 35 F [20 C]. The fan starts when the plenum temperature rises 35 [20 C] degrees above the FAN OFF setting. For example, when the FAN OFF setting is 100 F [38 C], the fan starts at approximately 100 plus 35 or 135 F [38 plus 20 or 58 C].
L4068G
On L4068G, the fan differential is fixed at 12 F [7 C] nominal. The fan will start when attic temperature rises about 12 F [7 C] above the FAN OFF setting. For example, when the FAN OFF setting is 85 F [ 29 C], the fan will start at about 85 F [29 C] plus 12 F [7 C], or about 97 F [36 C].
ADJUSTABLE DIFFERENTIAL (L4068A,C,E,F)
Models with adjustable differential may be set between 20 and 50 F [ 11 to 28 C] . Differential is factory-set at 25 F [ 14 C]. The fan starts when the plenum temperature rises to the FAN OFF setting plus the differential setting. For example, when the FAN OFF setting is 100 F [38 C] and the differential is set at 25 F [14 C], fan starts when temperature rises to 125 F [52 C] and stops when temperature drops to 100 F [ 38 C]. Changing the differential changes the FAN ON temperature only.
FAN OFF SET POINT
Set FAN OFF to temperature recommended by burner or attic fan manufacturer. On replacement installations, use temperature set on old control.
NOTE (L4068A,C,E,F): If the fan runs too long after burner shutdown (as evidenced by cold drafts), raise the FAN OFF setting. Raising the FAN OFF setting simultaneously raises the FAN ON setting by the same amount. If the fan does not run long enough after burner shutdown (as evidenced by recycling), lowerthe FAN OFF setting.
L6068 SETTING
The L6068 switch makes R-W and breaks R-B when the temperature at the sensing element rises to the set point. When the temperature falls 20 F [ 11 CJ below the set point, the switch breaks R-W and remakes R-B. On the L6068A the set point is adjustable from 125 to 165 F [52 to 74 C]; turn the knob on front of the switch until indicator points to the temperature, at which the switch should break R-B and make R-W.
CHECKOUT
L4068A,C,E,F
After mounting and wiring are complete, turn on the power supply and allow the system to operate through one complete cycle. To check the furnace limit control, disconnect the fan and set the thermostat to call for heat. The burner should come on and the limit control should shut off the burner when the plenum temperature reaches the limit control set point. Reconnect the fan. Again set the thermostat to call for heat. The burner should come on and the fan should come on when the plenum temperature reaches the FAN ON set point.
L4068G
After mounting and wiring are complete, tum on the power supply and turn FAN OFF setting more than 12 F [7 CJ below attic temperature. Fan should come on. Turn setting dial above attic temperature. Fan should go off. Reset control to desired FAN OFF setting.
L6068 USED AS A SECONDARY LIMIT CONTROL
After completing mounting and wiring, turn on the power supply and let the system operate through one complete cycle. Actuate the control by blocking the filter until the temperature reaches the set point of the L6068. At this point the furnace should cut out and the fan should start or continue operating.
L6068 USED AS A TWO-SPEED FAN CONTROL
After mounting and wiring are completed, turn on power supply. Set thermostat to call for heat. Fan should first come on low speed. After a short period of operation, the L6068 should change the fan speed to high.

















