
M9-ASW1 Self Powered Wireless Switch with Dimming Capabilities
Owner’s Manual
M9-ASW1 / ASW2
Self Powered Wireless Switch With Dimming Capabilities
M9-ASW1 Self Powered Wireless Switch with Dimming Capabilities
Product Images

Product Overview
Description
The light switch is a battery free wireless transmitter that communicates with a wide variety of receivers. Every time the light switch is pressed, a small micro generator produces a small electrical current that powers a built in transmitter. This transmitter sends wireless signals that command the relay/receiver to turn a device ON or OFF. With an appropriate receiver, the switch can be used to control lighting scenes and continuous dimming.
Technical Specifications
![]()
MAGNUM OPUS
| Part Numbers | SINGLE SWITCH PART NUMBERS: Mx-ASW1-WW (exterior white acrylic frame and interior white switch) Mx-ASW1-WB (exterior white acrylic frame and interior black switch) Mx-ASW1-GB (exterior gun metal acrylic frame with interior black switch) Mx-ASW1-GW (exterior gun metal acrylic frame with interior white switch) Mx-ASW1-MB (exterior mint green acrylic frame with interior black switch) Mx-ASW1-MW (exterior mint green acrylic frame with interior white switch) Mx-ASW1-BW (exterior black acrylic frame with interior white switch) Mx-ASW1-BB (exterior black acrylic frame with interior black switch) DOUBLE SWITCH PART NUMBERS: Mx-ASW2-WW (exterior white acrylic frame and interior white switch) Mx-ASW2-WB (exterior white acrylic frame and interior black switch) Mx-ASW2-GB (exterior gun metal acrylic frame with interior black switch) Mx-ASW2-GW (exterior gun metal acrylic frame with interior white switch) Mx-ASW2-MB (exterior mint green acrylic frame with interior black switch) Mx-ASW2-MW (exterior mint green acrylic frame with interior white switch) Mx-ASW2-BW (exterior black acrylic frame with interior white switch) Mx-ASW2-BB (exterior black acrylic frame with interior black switch) The “x” in the part number describes the Endogean radio frequency. The frequency for x=9 is 902 MHz for North America; x=8 is 868 MHz for Europe and China; x=J is 928 MHz for Japan. |
| Integrated Radio Transmitter | Endogean PTM 200 |
| Energy Harvesting Source | Electrodynamic energy generator, maintenance free |
| Transmission Range | RPS Type 2 / 984 ft. (300m) free field, typ. 30m within buildings |
| Dimensions | 3.69” (W) x 4.19” (H) x .56” (H) (93.73 mm x 106.43 mm x 14.22 mm) *Base plate dimensional drawing are on page 6 |
| Total Installation Height | .56” (14.224 mm) |
| Installation | Glued (double-sided mounting film enclosed) or screwed onto flat surface |
| Color Variants | White, Anthracite, Aluminum Varnished |
| Rocker Variants | 2 channel (= 1 rocker with medial position), 4 channel (= 2 rockers) |
| Operating Travel / Operating Force | Approx. 2mm / 7N (at room temp.) |
| Switching Cycles | > 50.000 operations according to EN 60669 / VDE 0632 |
| Humidity | 0-95% rah., no condensing (for dry environment only) |
| Temperature Range (operation): | from -13°F to 149°F (-25 to + 65°C) |
Norms & Standards
| CE-Conformity: | 89/336/EWG Electromagnetic compatibility R&TTE 1999/5/EC Radio and Telecommunications Terminal Equipment Directive |
| Standards: | ETSI EN 301 489-1: 2001-09 ETSI EN 301 489-3: 2001-11 ETSI EN 61000-6-2: 2002-08 ETSI EN 300 220-3: 2000-09 |
The general registration for the radio operation is valid for all EU-countries as well as for Switzerland.
FCC ID: SZV-PTM200
This device complies with Part 15 of the FCC Rules and RSS210 of Industry Canada.
Operation is subject to the following two conditions:
(1) this device may not cause harmful interference, and
(2) this device must accept any interference received, including interference that may cause undesired operation.
Warning: Changes or modifications made to this equipment not expressly approved by Magnum may void the FCC authorization to operate this equipment.
Installation
Mounting Advice
The switch frames can be attached directly to the wall by means of the base plate or they can be mounted to existing deep installation boxes.
- Mount base plate to the wall. Note the marking “
” - Snap switch frame, intermediate frame, radio module and actuating rocker(s) one after the other in the base plate.
When mounting, take notice of the alignment of the markings “O” (OFF) and “I” (ON) on the radio module.

Note: If the single switch cover is removed from the radio module for any reason, be sure to place the switch cover, with the raised dimples on the back, to the left of the radio module.
Follow mounting order below.

WE SUGGEST MOUNTING ON A SOLID SURFACE
Depending on the ground (brick plaster, glass…) the base plate can be glued or screwed. In any case, the ground must be smooth. Unevenness can lead to malfunctions! Watch that no dust is getting inside the housing.
Screwing:
- Use #6 flathead screws only, that can be easily put into the mounting holes, e.g. 3 mm countersunk crews together with 5 mm dowels.
- Remove base plate from the radio switch and use the same as a template for marking the boreholes.
- Bore dowel holes
- Mount base plate and wireless insert as described
Gluing:
- The wireless switch inserts can be glued to smooth surfaces such as glass, painted
walls, tiles, mobile partition walls made of plastics etc. by means of the adhesive foil.
When mounting the wireless switch to glass surfaces at which the sensor can also be seen from the back side, a decoration foil (not supplied) in the size of the switch frame could first be glued to the glass in order to cover the back of the frame and the wireless switch. Glue the decoration foil to the glass surface first. Afterwards, glue the wireless switch by means of the attached adhesive foil as described in the chapter “Mounting”.
Disassembly
- Lever the rocker together with the radio module.
- Ease the intermediate frame by releasing the latching crochet at the left and right.
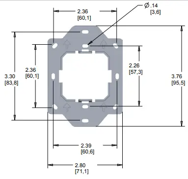
Base Plate Dimensional Drawings

Transmission Range
As the radio signals are electromagnetic waves, the signal is damped on its way from the sender to the receiver. That is to say, the electrical as well as the magnetic field strength is removed inversely proportional to the square of the distance between sender and receiver (E,H~1/r2). Beside these natural transmission range limits, further interferences have to be considered: Metallic parts, e.g. reinforcements in walls, metalized foils of thermal insulations or metalized heat-absorbing glass, are reflecting electromagnetic waves. Thus, a so-called radio shadow is built up behind these parts.
It is true that radio waves can penetrate walls, but thereby the damping attenuation is even more increased than by a propagation in the free field.
Penetration of radio signals:
| Penetration 90…100% 65…95% 10…90% 0…10% |
For the praxis, this means, that the building material used in a building is of paramount importance for the evaluation of the transmitting range. For an evaluation of the environment, some guide values are listed:
Radio path range/-penetration:
Visual contacts: Typ. 30m range in passages, corridors, up to 100m in halls
RI gypsum walls/wood: Typ. 30m range through max. 5 walls
Brick wall/Gas concrete: Typ. 20m range through max. 3 walls
Reinforced concrete/-ceilings: Typ. 10m range through max. 1 ceiling Supply blocks and lift shafts should be seen as a compartmentalization
In addition, the angle with which the signal sent arrives at the wall is of great importance. Depending on the angle, the effective wall strength and thus the damping attenuation of the signal changes. If possible, the signals should run vertically through the walling. Walling recesses should be avoided.
Other Interference Sources
Devices, that also operate with high-frequency signals, e.g. computer, audio/video systems, electronic transformers and ballasts etc. are also considered as an interference source. The minimum distance to such devices should amount to 0,5m.
Find the Optimum Device Location by Means of the Field Strength-Measuring Instrument EPM100
Under the description EPM100 we understand a mobile field strength measuring instrument, which allows the plumber or electrician to easily determine the optimum mounting place for sensor and receiver. Moreover, it can be used for the examination of interfered connections of devices, already installed in the building.
At the device, the field strengths of radio telegrams received or interfered radio signals in the range 868MHz, 902MHz or 928MHZ are displayed. Proceeding upon determination of mounting place for radio sensor/ receiver: Person 1 operates the radio sensor and produces a radio telegram by key actuation By means of the displayed values on the measuring instrument, person 2 examines the field strength received and determines the optimum installation place, thus.
High-Frequency Emission of Radio Sensors
Since the development of cordless telephones and the use of radio systems in residential buildings, the influence of radio waves on people’s health living and working in the building have been discussed intensively. Due to missing measuring results and long- term studies, very often great feelings of uncertainly have been existing with the supporters as well as with the critics of radio systems.
A measuring experts certificate of the institute for social ecological research and education (ECOLOG) has now confirmed, that the high-frequency emissions of radio keys and sensors based on Endogean technology are considerably lower than comparable conventional keys. Thus, it is good to know, that conventional keys do also send electromagnetic fields, due to the contact spark. The emitted power flux density (W/ m²) is 100 times higher than with radio sensors, considered over the total frequency range. In addition, a potential exposition by low- frequency magnet fields, emitted via the wires, are reduced due to wireless radio keys. If the radio emission is compared to other high-frequency sources in a building, such as DECT-telephones and basis stations, these systems are 1500 times higher-graded than radio keys.
Security Advice
CAUTION: The installation and assembly of electrical equipment may only be performed by a skilled electrician.
The modules must not be used in any relation with equipment that supports, directly or indirectly, human health or life or with applications that can result in danger for people or animals.
Magnum First – 1 Seneca Street, 29th Floor, M55 – Buffalo,
NY 14203 – phone 716-293-1588
– www.magnumfirst.com
– [email protected]















