velleman K6707 Codelock Receiver

Features
- Easy to build: no coils to be made!
- Operates in conjunction with the K6706 two channel transmitter.
- 8.748 possible codes.
- Range of the transmitter/receiver: +/-30m.
- LED on/off indication.
- LED receiving level indicator.
Specifications
- Relay output: 10A toggle or momentary contact.
- Separate output to switch car alarm on or off.
- Power supply: 2 x 9VAC or 12 to 16VDC / 100mA max.
- Dimensions: 76 x 84mm / 3 x 3,4”
modifications reserved.

VELLEMAN Components NV
Legen Heirweg 33
9890 Gavere
Belgium Europe
www.velleman.be
www.velleman-kit.com
Assembly hints
Assembly (Skipping this can lead to troubles ! )
Ok, so we have your attention. These hints will help you to make this project successful. Read them carefully.
Make sure you have the right tools:
- A good quality soldering iron (25- 40W) with a small tip.

- Wipe it often on a wet sponge or cloth, to keep it clean; then apply solder to the tip, to give it a wet look. This is called ‘thinning’ and will protect the tip, and enables you to make good connections. When solder rolls off the tip, it needs cleaning.

- Thin raisin-core solder. Do not use any flux or grease.

- A diagonal cutter to trim excess wires. To avoid injury when cutting excess leads, hold the lead so they cannot fly towards the eyes.

- Needle nose pliers, for bending leads, or to hold components in place.
- Small blade and Phillips screwdrivers. A basic range is fine.
For some projects, a basic multi-meter is required, or might be handy
Assembly Hints
- Make sure the skill level matches your experience, to avoid disappointments.
- Follow the instructions carefully. Read and understand the entire step before you perform each operation.
- Perform the assembly in the correct order as stated in this manual
- Position all parts on the PCB (Printed Circuit Board) as shown on the drawings.
- Values on the circuit diagram are subject to changes.
- Values in this assembly guide are correct*
- Use the check-boxes to mark your progress.
- Please read the included information on safety and customer service
Typographical inaccuracies excluded. Always look for possible last minute manual updates, indicated as ‘NOTE’ on a separate leaflet.
Soldering Hints
Mount the component against the PCB surface and carefully solder the leads
Mount the component against the PCB surface and carefully solder the leads

Make sure the solder joints are cone-shaped and shiny

Trim excess leads as close as possible to the solder joint

AXIAL COMPONENTS ARE TAPED IN THE CORRECT MOUNTING SEQUENCE!

REMOVE THEM FROM THE TAPE ONE AT A TIME!
Velleman hereby certifies that the device K6707 meets the essential requirements and all other relevant stipulations of directive 1999/5/EG and 1995/5/EC.
For the complete conformity, declaration check out: http://www.velleman.be/downloads/doC/CE_K6707.pdf
| C O D E
0 | I CODICE COLORE
Nero | P CODIGO DE CORES Preto | E CODIGO DE COL- ORES Negro | SF VÄRI KOODI
Musta | S FÄRG SCHEMA
Svart | DK FARVE- KODE
Sort | N FARGE- KODE
Sort | D FARB KODE
Schwarz | GB COLOUR CODE
Black | F CODIFI- CATION DES COU- LEURS Noir | NL KLEUR KODE
Zwart | C O D E 0 |
| 1 | Marrone | Castanho | Marrón | Ruskea | Brun | Brun | Brun | Braun | Brown | Brun | Bruin | 1 |
| 2 | Rosso | Encarnado Rojo | Punainen | Röd | Rød | Rød | Rot | Red | Rouge | Rood | 2 | |
| 3 | Aranciato | Laranja | Naranjado | Oranssi | Orange | Orange | Orange | Orange | Orange | Orange | Oranje | 3 |
| 4 | Giallo | Amarelo | Amarillo | Keltainen | Gul | Gul | Gul | Gelb | Yellow | Jaune | Geel | 4 |
| 5 | Verde | Verde | Verde | Vihreä | Grön | Grøn | Grønn | Grün | Green | Vert | Groen | 5 |
| 6 | Blu | Azul | Azul | Sininen | Blå | Blå | Blå | Blau | Blue | Bleu | Blauw | 6 |
| 7 | Viola | Violeta | Morado | Purppura | Lila | Violet | Violet | Violet | Purple | Violet | Paars | 7 |
| 8 | Grigio | Cinzento | Gris | Harmaa | Grå | Grå | Grå | Grau | Grey | Gris | Grijs | 8 |
| 9 | Bianco | Branco | Blanco | Valkoinen | Vit | Hvid | Hvidt | Weiss | White | Blanc | Wit | 9 |
| A | Argento | Prateado | Plata | Hopea | Silver | Sølv | Sølv | Silber | Silver | Argent | Zilver | A |
| B | Oro | Dourado | Oro | Kulta | Guld | Guld | Guldl | Gold | Gold | Or | Goud | B |
Construction
NOTE: By using the jumpers, the receiver can be set up for two output possibilities:
- The output is on while the transmitter is pressed (MOMENT), this is mostly used for operating a door lock, garage door etc.
- The output switches (on/off) every time the transmitter is pressed (toggle), this setting is mostly used for switching alarms in and out, for operating central door locking systems, for switching a lamp on and off, etc. This setting must be used for use with our car alarm K3504.




Create your code
You can select your own code for a transmitter/receiver combination. There is a 9-row jumper island located directly next to IC1 for setting the code. The code is set by connecting one or more code points to a neighboring ‘+’ or ‘-‘ point using the small jumpers. Code points may also be left unconnected (open): see figure.
- No connection

- Code connection to ‘-’

- Code connection to ‘+’

- Example of a possible code

Note: certain points cannot be connected to ‘+’
Test and set-up
IMPORTANT:
- A plastic screwdriver (including plastic blade) is needed to tune the transmitter or receiver. This is supplied with the receiver.
- The transmitter must be in its housing with the cover off.
- The receiver may not be in the vicinity of any metal objects.
- The transmitter and receiver must have the same code.
- If it is to be operated from push button SW1 of the transmitter, jumper CH1 of the receiver must be set. Otherwise, jumper CH2 must be set for operation from push button SW2.
- Tuning receiver:
- Set the tuning capacitor of the receiver to around the middle of its adjustment range.
- Check that the tuning LED of the receiver is not lit up, or is just on the verge of lighting up. If not, the tuning capacitor will have to be adjusted a little. Do not touch the circuit with your hand.
- Tuning one or more transmitters to the receiver:
- Activate the transmitter (do not touch any other parts other than the push button) and then (very carefully) turn the tuning capacitor until the tuning LED of the receiver lights up. If everything is correct, the relays should now switch, if of course the codes of the transmitter and receiver are the same.
- Now take the transmitter to a distance of about 10 metres from the receiver and repeat the test. Then the transmitter can be tested from around 20 metres (perhaps ask somebody to help you).
- If the transmitter cannot be tuned to the receiver, then it might be that the tuning capacitor of the receiver needs to be adjusted.
Connection
- Connection to DC voltage :
E.g.: car battery
- Connection to AC voltage :
E.g.: 2 x 9VAC / 100 mA Transformer
- Other connections :
When using the relay output there is a choice between a normally closed contact (NC) or a normally open contact (NO). The common output is at COM. - Connection to the k3504 car alarm :

For connection to the K3504 car alarm the DIS points of both circuits must be connected together. In this case the “DIS” connection of the car alarm must not be connected to the contact lock. For remote controlled operation of the car alarm, the SWITCHING TIME (IN and OUT) can be set to minimum. The free relay contacts can be still be used to operate the central locking system for example.
For indication purposes, LED LD1 can be mounted somewhere on the dashboard using the LED holder supplied. When the relay is closed the LED will flash, when open it is continuously lit.
NOTE
The circuit can also be installed in a plastic housing.
For installation in the car, the circuit can be mounted somewhere under the dashboard, and preferably in a place where there are few metal parts. It may be the case that after installation in the car, the circuit will have to be retuned. This is because of the influence of metal parts in the vicinity of the circuit. Because of the earth screen in a car, the transmitter/receiver range will be approximately halved which in most cases is more than sufficient.
PCB layout

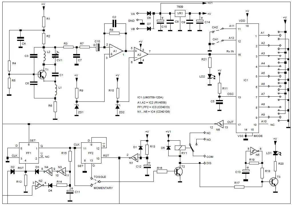
Diagram

Modifications and typographical errors reserved © Velleman Components nv.
H6707IP – 2002 – ED2




























