Code locks Support
Instruction Manual
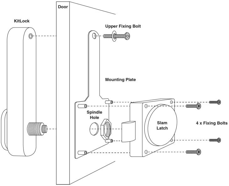
Kit Lock Slam Latch – Installation Instructions
Suitable for use with the Kit Lock KL1000 family:
KL1000 Classic, KL1000 Classic+, KL1000 G3, KL1000 G3 Net Code, KL1000 Net Code, KL1000 RFID.

SPECIAL NOTE
The maximum door thickness when using the Slam Latch is 20mm (3/4”).
Before installation, familiarise yourself with the operation and programming of the KitLock being fitted to the Slam Latch.
Note: A 2mm (5/64”) Allen Key is required for installation.
INSTALLATION INSTRUCTIONS
- Remove the mounting plate from the Slam Latch by unscrewing the 4 fixing bolts.
- Use the mounting plate as a template for the latch position and place it on the inside face of the door as dictated by the door frame. Mark the 16mm (5/8”) spindle hole and top 6mm (1/4”) fixing hole.
Important! When positioning your Slam Latch, take into account any rebate, strike plate or frame that the door closes against, leaving a gap of between 2mm (5/64”) and 4mm (5/32”) from the latch body. - Drill the 16mm (5/8”) spindle fixing hole and the 6mm (1/6”) fixing hole.
- Choose the spindle to suit your door thickness. The spindle fitted should project by a minimum of 17mm (5/8”) and a maximum of 23mm (7/8”) from the inside face of the door. Note This may be different to the spindle length suggested in the Kit Lock’s Installation Instructions.
- Fit the Kit Lock to the door by passing the spindle through the 16mm (5/8”) hole in the door and the mounting plate. Secure with the locking nut. Fit the upper fixing bolt with washer to suit your door thickness.
- Fit the Slam Latch to the mounting plate with the 4 fixing bolts. Enter the Kit Lock’s Master Code, or User Code, and turn the handle to check the latch retracts. Release the handle checking the latch and handle spring back.
- If using a strike plate, mount this to the frame to receive the latch, ensuring the latch engages freely, yet securely.
II_KL1000SLAM_v1:0919
https://codelocks.zohodesk.eu/portal/en/kb/articles/kitlock-slam-latch-installation-instructions
















