VERTEX VX-264 UHF FM Transceiver

Introduction
This manual provides the technical information necessary for servicing the VX-264 UHF FM Transceiver.
Servicing this equipment requires expertise in handing surface-mount chip components. At-tempts by non-qualifi ed persons to service this equipment may result in permanent damage not covered by the warranty, and may be illegal in some countries.
Two PCB layout diagrams are provided for each double-sided board in this transceiver. Each side of the board is referred to by the type of the majority of components installed on that side (“Side A” or “Side B”). In most cases one side has only chip components (surface-mount devices), and the other has either a mixture of both chip and leaded components (trimmers, coils, electrolytic capacitors, ICs, etc.), or leaded components only.
As described in the pages to follow, the advanced microprocessor design of the VX-264 Trans-ceiver allows a complete alignment of this transceiver to be performed without opening the case of the radio; all adjustments can be performed from the front panel, using the “Alignment Mode” menu.
While we believe the information in this manual to be correct, Vertex Standard assumes no li-ability for damage that may occur as a result of typographical or other errors that may be present. Your cooperation in pointing out any inconsistencies in the technical information would be appreciated.
Important Note
This transceiver is assembled using Pb (lead) free solder, based on the RoHS specification.
Only lead-free solder (Alloy Composition: Sn-3.0Ag-0.5Cu) should be used for repairs performed on this apparatus. The solder stated above utilizes the alloy composition required for compliance with the lead-free specifi cation, and any solder with the above alloy composition may be used.
Specifications: USA (NA) & Except EIA (CE)
- General
- Frequency range: 403-470 MHz (Type “G6”)
- 450-520 MHz (Type “G7”) (USA Model: 450-512 MHz)
- Channel / Group: 128 Channels / 8 Groups
- Power Supply Voltage: 7.4 V DC ± 10%
- Current Consumption: <2.0 A (5 W TX)
- Channel Spacing: 12.5 / 25 kHz (USA Model: 12.5 kHz)
- PLL Steps: 5 / 6.25 kHz
- IP Rating: IP55
- Operating Temperature Range: –22 °F to +140 °F (–30 °C to +60 °C)
- Charging Temperature Range: +32 °F to +113 °F (0 °C to +45 °C)
- Frequency Stability: ±2.5 ppm
- RF Input-Output: 50 ohm (unbalanced)
- Dimension (H x W x D): 2.3 x 4.3 x 1.3 inches (58.4 x 109 x 32.3 mm) (with FNB-V133LI-UNI)
- 2.3 x 4.3 x 1.6 inches (58.4 x 109 x 39.9 mm) (with FNB-V134LI-UNI)
- Weight (Approx.): 10.4 oz (296 g) (with FNB-V133LI-UNI, Antenna, Belt Clip)
- 11.6 oz (330 g) (with FNB-V134LI-UNI, Antenna, Belt Clip)
- Receiver (Measured by TIA/EIA-603)
- Circuit Type: Double Conversion Super-heterodyne
- Sensitivity (12 dB SINAD): 0.25 μV
- Adjacent Channel Selectivity: 65 / 60 dB (W/N)
- Hum and Noise: 45 / 40 dB (W/N)
- Intermodulation: 65 dB
- Spurious Image Rejection: 70 dB
- Conducted Spurious: –57 dBm
- Audio output: 700 mW (internal @16 ohm, 5 % THD)
- 500 mW (external @4 ohm, 5 % THD)
- Transmitter (Measured by TIA/EIA-603)
- Output Power: 5 / 1 W
- Modulation: 16K0F3E / 11K0F3E
- Maximum Deviation: ±5.0 kHz / ±2.5 kHz
- Conducted Spurious Emissions: 70 dB below carrier
- FM Hum & Noise: 45 / 40 dB (W/N)
- Audio Distortion: <5% @1 kHz
Specifications subject to change without notice or obligation
FRONT CASE ASSY (COMPONENT)
- FRONT CASE (4KEY)
- WINDOW
- NAME PLATE
- MODEL LABEL (VX-264)
- KEYPAD
- PTT KNOB ASSY VX-261/264
- RUBBER (SIDE)
- LATCH NAIL
- LATCH PLATE
- COIL SPRING (2.2x12x0.25) (x2 pcs)
- INDICATOR
- SPEAKER
- SP NET
- WIRE ASSY (BLK)
- WIRE ASSY (YEL)
- SHEET (MICROTEX 8×4)
- PAN HEAD SCREW (M2x3BUS #2)
MIC/SP CAP ASSY (COMPONENT)
- CAP (MIC/SP)
- O RING (CAP)
- O RING (0.8×2.2) (x2 pcs)
- BIND HEAD SCREW (M2.6x6B) (x2 pcs)
CHASSIS ASSY (COMPONENT)
- CHASSIS
- CONNECTOR (5MAF11S-T02)
- RUBBER PACKING
- RUBBER BOOTS
- SHEET (6×6)
- SHEET (MICROTEX C010)
- CAUTION LABEL
- BIND HEAD TAPTITE-B (2×10) (x2 pcs)
MAIN UNIT (COMPONENT)
- Printed Circuit Board with Components
- LCD
- LIGHT GUIDE (LCD)
- LCD HOLDER
- INTER CONNECTOR
- REFLECTOR SHEET (C065)
- SPONGE RUBBER (LCD)
- DOUBLE FACE (LCD)
- HOLDER RUBBER (MIC)
- LIGHT GUIDE (LCD)
- SPONGE RUBBER (LIGHT GUIDE)
- SHIELD CASE COVER (FET)
- RING NUT (x2 pcs)
- PAN HEAD TAPTITE-B (M2x5) (x13 p

| REF. | VXSTD P/N | DESCRIPTION | QTY. |
| 1 | U07230227 | PAN HEAD SCREW M2X3BSUS #2 | 1 |
| 2 | U24110001 | BIND HEAD TAPTITE-B 2X10 | 2 |
| 3 | U44105001 | PAN HEAD TAPTITE-B M2X5 | 13 |
Parts List
| REF. | DESCRIPTION | VALUE | MFR’s DESIG | VXSTD P/N |
| FRONT CASE ASSY | CB6983000 | |||
| LATCH NAIL | RA145350B | |||
| LATCH PLATE | RA1453400 | |||
| PTT KNOB ASSY VX-261/264 | CB7131000 | |||
| COIL SPRING | (x2 pcs) | (2.2x12x0.25) | RA0745400 | |
| PAN HEAD SCREW | (M2X3BSUS #2) | U07230227 | ||
| MIC/SP CAP ASSY | CB6642000 | |||
| CHASSIS ASSY | CB6984000 | |||
| RUBBER PACKING | RA1612600 | |||
| RUBBER BOOTS | RA1458000 | |||
| SHEET | (6×6) | RA037690B | ||
| SHEET | (MICROTEX C010) | RA0292100 | ||
| CAUTION LABEL | RA164610A | |||
| BIND HEAD TAPTITE-B | (x2 pcs) | (2×10) | U24110001 | |
| MECHANICAL PARTS | ||||
| KNOB | (VOL) | RA161270A | ||
| KNOB | (FREQ) | RA1612800 | ||
| MAIN UNIT ASSY | CB6986000: TYPE “G6” CB6985000: TYPE “G7” | |||
| CD1001 | CERAMIC DISC | JTBM450CX24-A | H7901530A | |
| CF1001 | CERAMIC FILTER | LTM450GW-A | H3900573A | |
| CF1002 | CERAMIC FILTER | LTM450EW-A | H3900574A | |
| F 1001 | CHIP FUSE | 3.15A, 36 V | FHC16 322ADTP | Q0000118 |
| MC1001 | MIC. ELEMENT | PF0-1055P | M3290045 | |
| Q 1012 | FET | RQA0011DNS#G0 | G3070507 | |
| S 1001 | TACT SWITCH | EVQPUB02K | N5090167 | |
| S 1002 | TACT SWITCH | EVQPUB02K | N5090167 | |
| S 1003 | TACT SWITCH | EVQPUB02K | N5090167 | |
| S 1004 | ROTARY SWITCH | TP7LBJC16 RY-10488 | N0190201 | |
| TH1001 | THERMISTOR | TH05 4B473FR | G9090150 | |
| VR1001 | POT. | TP7LBRN1 B503 RY-10489 | J60800323 | |
| X 1001 | XTAL | 11.0592MHz | EXS00A-CG04670 | H0103439 |
| X 1002 | XTAL OSC | 16.8MHz | HKE3449A 16.8MHZ | H9501513 |
| X 1003 | XTAL | 11.0592MHz | DSX321G 11.0592MHZ | H0103449 |
| XF1001 | XTAL FILTER | MFT50.85P 50.85MHZ | H1102361 | |
| SHIELD CASE COVER | (FET) | RA125020A | ||
| RING NUT | (x2 pcs) | RA157250A | ||
| PAN HEAD TAPTITE-B | (x13 pcs) | (M2X5) | U44105001 | |
| When replace a chip fuse, use the part of the same type and value. | ||||
Block Diagram
RF Section

AF Section

Frequency Generation & Regulation Section


Controller Section

Circuit Description
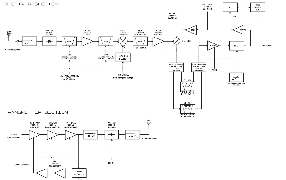
Receiver System
Front-end RF amplifier
Incoming RF signal from the antenna is delivered to the Main Unit and passes through low-pass filter, antenna switching diode D1004 and D1005 (both 1SS390), high-pass filter and removed undesired frequencies by varactor tuned band-pass filter D1007 and D1009 (both 1SV305).
The filtered RF signal is amplified by Q1015 (BFS505) and then passes through another varactor tuned band-pass filter D1013 and D1014 (both 1SV305) to remove the undesired frequencies, and then applied to the 1st mixer Q1020 (3SK293).
First Mixer
The RF signal is mixed with the 1st local signal be-tween 352.15 and 419.15 MHz (Type “G6”) or 399.15 and 469.15 MHz (Type “G7”) in the 1st mixer Q1020 (3SK293), to produce 50.85 MHz 1st IF signal.
The 1st local signal is generated by the VCO, which consists of Q1029 (CPH3910), varactor diodes D1021 (1SV323), D1022 (1SV323: Type “G6”, 1SV325: Type “G7”), D1023 (1SV323: Type “G6”, 1SV325: Type “G7”), and D1025 (1SV323). The 1st local signal is sup-plied to the 1st mixer Q1020 (3SK293) through the buffer amplifier Q1021 and Q1026 (both 2SC5010).
IF Amplifier & Demodulator
The 1st IF signal passes through monolithic crystal filters XF1001 (±7.5 kHz BW) to strip away all but the desired signal, and then supplied the buffer amplifier Q1035 (2SC5226).
The amplified 1st IF signal is applied to the FM IF subsystem IC Q1040 (AA32416) which contains the 2nd mixer, 2nd local oscillator, limiter amplifier, noise amplifier, and RSSI amplifier.
The signal from reference oscillator X1002 (16.8 MHz) becomes three times of frequencies in Q1040 (AA32416), it is mixed with the 1st IF signal and becomes 450 kHz.
The 2nd IF signal passes through the ceramic filter CF1001 (LTM450GW) or CF1002 (LTM450EW) to strip away unwanted mixer products, and is supplied to the limiter amplifier in Q1040 (AA32416), which removes amplitude variations in the 450 kHz IF, before detection of the speech by the ceramic discriminator CD1001 (JT-BM450CX24).
Audio amplifier
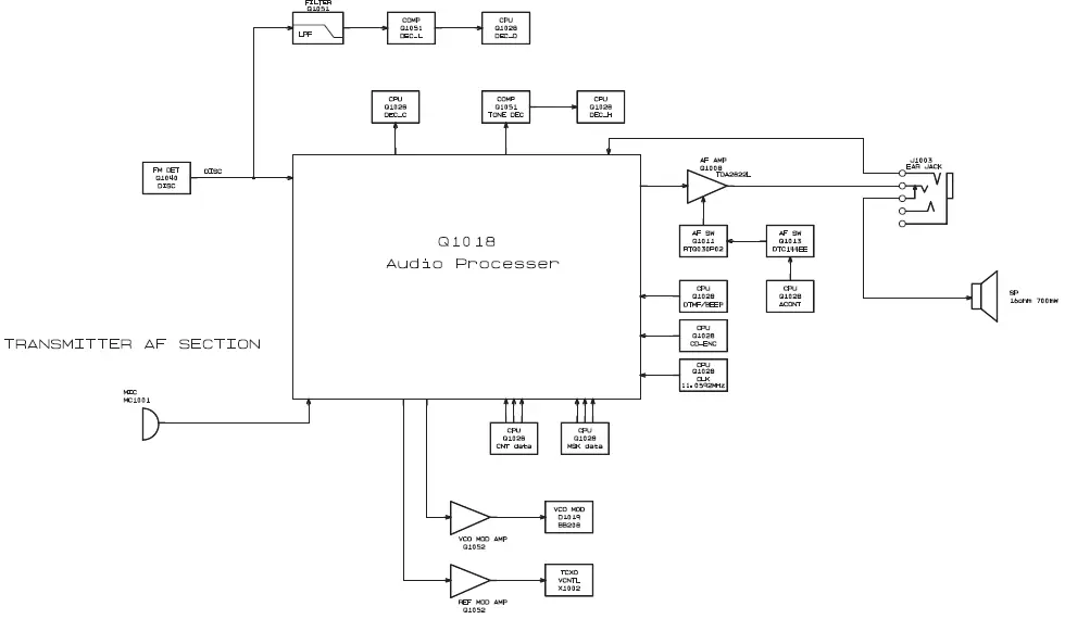
The detected signal from Q1040 (AA32416) is supplied to the receiver circuit section of the Baseband IC Q1018 (FQ0801).
The processed audio signal from Q1018 (FQ0801) is supplied to the AF volume (VR1001) through the audio amplifier Q1008 (TDA2822L). As a result, the audio sig-nal provides up to 700 mW (@16-ohm BTL) for internal speaker or up to 500 mW (@4-ohm OTL) for external speaker.
Squelch Circuit
There are 16 levels of squelch setting from “0” to “15”. The level “0” means open the squelch. The level “1” means the threshold setting level and level “14” means tight squelch. From level “2” to level “13” is established in the middle of threshold and tight. The level “15” be-comes setting of carrier squelch.
Noise Squelch
The noise squelch circuit is consisted of the band-path filter, noise amplifier Q1047 (2SC4617), and noise detector D1035 and D1036 (both DA221).
When a carrier isn’t received, the noise ingredient which goes out of the demodulator section of Q1040 (AA32416) is amplified by noise amplifier Q1047 (2SC4617) through the band-path filter, and then is detected to DC voltage by D1035 and D1036 (both DA221). The DC voltage is inputted to pin 54 (A/D port) of the CPU Q1028 (R5F100LHDFB). When a carrier is received, the DC voltage becomes low because the noise is compressed.
When the detected voltage to CPU is “High”, the CPU stops the AF output of Q1013 (DTC144EE) by making to “low” of the pin 39 of CPU.
When the detection voltage to CPU is “low”, the CPU al-lows the AF output of Q1013 (DTC144EE) by making to “High” of the pin 39 of CPU.
Carrier Squelch
The detected RSSI voltage from pin 12 of Q1040 (AA32416) supplied to pin 53 (A/D port) of Q1028 (R5F100LHDFB). It is controls the AF output.
The RSSI output voltage changes according to the signal strength of carrier. The stronger signal makes the RSSI voltage to be higher voltage. The process of the AF signal control is same as Noise Squelch. The shipping data is ad-justed 3 dBμ (EMF) higher than squelch tight sensitivity.
Transmitter System
MIC Amplifier
The speech signal from internal microphone MC1001 or external microphone J1003 is supplied to the transmitter circuit section of the Custom Baseband IC Q1018 (FQ0801) which is consist of the microphone amplifier, compander, pre-emphasis, limiter and splatter filter.
The processed speech signal from pin 42 of Q1018 (FQ0801) is amplified by Q1052-2 (NJM12904R), and then is made FM modulation to transmit carrier by the modulator D1019 (BB208) of VCO Q1037 (2SC4227).
Drive and Final Amplifier Stages
The modulated signal from the VCO Q1037 (2SC4227) is buffered by Q1026 (2SC5010). Then the signal is buffered by Q1021 (2SC5010) and Q1019 (2SK3077) for the driver amplifier Q1016 (RQA0004PXDQS). The low-level transmit signal is then applied to Q1012 (RQA-0011DNS) for final amplification up to 5 watts output power.
The transmit signal then passes through the antenna switch D1003 (RN142S) and is low-pass filtered to sup-press away harmonic spurious radiation before delivery to the antenna.
Automatic Transmit Power Control
The current detector Q1053-1 (NJM12902V) detects the current of the driver amplifier Q1016 (RQA0004PXDQS) and final amplifier Q1012 (RQA0011DNS), and converts the current difference to the voltage difference.
The output from the current detector Q1053-1 (NJM12902V) is compared with the reference voltage by Q1053-2 (NJM12902V). The output from Q1053-2 (NJM12902V) controls the gate bias of the buffer amplifier Q1019 (2SK3077), driver amplifier Q1016 (RQA0004PXDQS) and final amplifier Q1012 (RQA-0011DNS).
The reference voltage changes into two levels (Transmit Power “High” and “Low”) controlled by Custom Base-band IC Q1018 (FQ0801).
PLL Frequency Synthesizer
VCO (Voltage Controlled Oscillator)
While the radio is receiving, the RX VCO Q1029 (CPH3910) generates a programmed frequency between 352.15 and 419.15 MHz (Type “G6”) or 399.15 and 469.15 MHz (Type “G7”) as 1st local signal.
While the radio is transmitting, the TX VCO Q1037 (2SC4227) generates a frequency between 403 and 470 MHz (Type “G6”) or 450 and 520 MHz (Type “G7”).
The output from VCO is amplified by buffer amplifier Q1026 and Q1021 (both 2SC5010). The buffered VCO is supplied to the 1st mixer Q1020 (3SK293) in case of the reception. In the transmission, the buffered VCO is supplied to other buffer amplifi er Q1019 (2SK3077), and then amplifi ed more by Q1016 (RQA0004PXDQS) and it is put into the final amplifier Q1012 (RQA0011DNS).
A portion of the buffered VCO is fed back to the PLL IC Q1046 (AK1541) to control the VCV voltage.
Varactor Control Voltage Control
The tuning voltage (VCV) of VCO is established the lock range of VCO by controlling the cathode of varactor diodes D1021 (1SV323), D1022 (1SV323: Type “G6”, 1SV325: Type “G7”), D1023 (1SV323: Type “G6”, 1SV325: Type “G7”), and D1025 (1SV323) for receiv-ing and D1026 (1SV303), D1027 (1SV323: Type “G6”, 1SV305: Type “G7”), D1028 (1SV323: Type “G6”, 1SV305: Type “G7”), and D1029 (all 1SV305) for trans-mitting.
PLL
The PLL IC Q1046 (AK1541) is consists of reference divider, main divider, phase detector, charge pumps, and pulse swallow operation.
The reference frequency from TCXO X1002 (16.8 MHz) is inputted to pin 10 of PLL IC Q1046 (AK1541) and is divided by reference divider. On the other hand, the feedback signal of the VCO inputted to 17 pin of PLL IC Q1046 (AK1541), and is divided with the dividing ratio which becomes same frequency as the output of reference divider.
These two signals are compared by phase detector, and then phase difference pulse is generated. The phase dif-ference pulse is becomes a DC voltage through the charge pumps and LPF, and it controls the VCO.
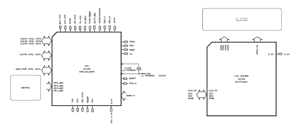
The PLL serial data from CPU Q1028 (R5F100LHDFB) is sent with three lines of SDO (pin 34), SCK (pin 32) and PSTB (pin 20).
The lock condition of PLL is output from the UL (pin 7) terminal of the PLL IC Q1046 (AK1541). The UL terminal becomes “Low” at the lock condition, and be-comes “High” at the unlock condition. The CPU Q1028 (R5F100LHDFB) is always watching over the UL condi-tion, and when it becomes “Low” unlocked condition, the CPU prohibits transmitting and receiving.
Alignment Introduction
The VX-264 is carefully aligned at the factory for the specified performance across the frequency range specified for each version. Realignment should therefore not be necessary except in the event of a component failure, or altering version type. All component replacement and service should be performed only by an authorized Vertex Standard representative, or the warranty policy may be void.
The following procedures cover the sometimes critical and tedious adjustments that are not normally required once the transceiver has left the factory. However, if damage occurs and some parts subsequently are replaced, realignment may be required. If a sudden problem occurs during normal operation, it is likely due to component failure; realignment should not be done until after the faulty component has been replaced.
We recommend that servicing be performed only by authorized Vertex Standard service technicians who are experienced with the circuitry and fully equipped for repair and alignment. Therefore, if a fault is suspected, contact the dealer from whom the transceiver was purchased for instructions regarding repair. Authorized Vertex Standard service technicians realign all circuits and make complete performance checks to ensure compliance with factory specifi cations after replacing any faulty components.
Those who do undertake any of the following alignments are cautioned to proceed at their own risk. Problems caused by unauthorized attempts at realignment are not covered by the warranty policy. Also, Vertex Standard reserves the right to change circuits and alignment pro-cedures in the interest of improved performance, without notifying owners.
Under no circumstances should any alignment be attempt-ed unless the normal function and operation of the trans-ceiver are clearly understood, the cause of the malfunction has been clearly pinpointed and any faulty components replaced, and realignment determined to be absolutely necessary.
The following test equipment (and thorough familiarity with its correct use) is necessary for complete realignment. Correction of problems caused by misalignment resulting from use of improper test equipment is not covered under the warranty policy. While most steps do not require all of the equipment listed, the interactions of some adjustments may require that more complex adjustments be performed afterwards. Do not attempt to perform only a single step unless it is clearly isolated electrically from all other steps. Have all test equipment ready before beginning, and follow all of the steps in a section in the order presented.
Required Test Equipment
- RF Signal Generator with calibrated output level at 600 MHz
- Oscilloscope
- Deviation Meter (linear detector)
- In-line Wattmeter with 5 % accuracy at 600 MHz
- 50 Ohm RF Dummy Load with power rating 10 W at 600 MHz
- Regulated DC Power Supply (standard 7.5 V DC, 3 A)
- Frequency Counter with 0.2 ppm accuracy at 600 MHz
- Audio Signal Generator
- AC Voltmeter
- DC Voltmeter
- UHF Sampling Coupler
- IBM® PC/compatible Computer with Microsoft® Windows® 2000, XP, Vista or Windows7
- Vertex Standard CE150 PC Programming Software
- Vertex Standard FIF-12 USB Programming Interface and CT-104A, CT-106, or CT-171 PC Programming Cable.
- Vertex Standard FRB-6 Tuning Interface Box and CT-160 Connection Cable.
- Vertex Standard CN-3 (P/N: A08760001) Antenna Connector
Alignment Preparation & Precautions
A 50-Ohm RF Dummy Load and in-line wattmeter must be connected to the main antenna jack in all procedures that call for transmission, except where specified other-wise. Correct alignment is not possible with an antenna.
Because of the BTL (Bridged Trans Less) Amplifier circuit used in the VX-264, do not connect earth side of the speaker leads to chassis “ground”.
After completing one step, read the following step to determine whether the same test equipment will be required. If not, remove the test equipment (except dummy load and wattmeter, if connected) before proceeding.
Correct alignment requires that the ambient temperature be the same as that of the transceiver and test equipment, and that this temperature be held constant between 68 and 86 °F (20 ~ 30 °C). When the transceiver is brought into the shop from hot or cold air, it should be allowed time to come to room temperature before alignment.
Whenever possible, alignments should be made with oscillator shields and circuit boards firmly affixed in place. Also, the test equipment must be thoroughly warmed up before beginning.
Note: Signal levels in dB referred to in the alignment procedure are based on 0 dBμ EMF = 1 μV.
Test Setup
Setup the test equipment as shown below for transceiver alignment, then apply 7.5 V DC power to the transceiver.
The Alignment Tool Outline
Installation of the alignment tool
- Install the CE150 (PC Programming Software) to your PC.
- “Alignment“ function in the “Radio“ menu tab of CE150.

Action of the switches
When the transceiver is in the “Alignment mode,“ the ac-tion of the [A], [B], [C], [D], SIDE-1, SIDE-2, and PTT keys are ignored. All of the action is controlled by the PC.
Caution
Please never turn off the power supply during alignment. If the power supply is turned off during alignment, the alignment data will be corrupted.
Alignment Mode
In the “Alignment Mode”, the aligned data written in the radio will be able to re-align its alignment data. The value of each parameter can be changed to desired position by “Left“/”Right” arrow key for data up/down, “Up“/”Down” arrow key for channel up/down, direct number input, and drag the mouse.
Note: when all items are aligned, it is strongly recom-mended to align according to following order. The detail information is written in the help document of CE150 PC Programming Software.
- PLL Reference Frequency (Frequency)
- RX Sensitivity (RX Tune)
- Squelch (SQL/RSSI)
- TX Power <High/Low>
- Maximum Deviation <Wide/Narrow>
Please adjust the following items when needed.
- CTCSS Deviation <Wide/Narrow>
- DCS Deviation <Wide/Narrow>
- DTMF Alignment
- Sequential Tone
Unit
During alignment, you may select the value among
dBμV, μV (EMF or PD), or dBm by the “UNIT” box.
When perform the RX Tune and SQL alignment, the RF level shows this unit according to this set-ting.
- PLL Reference Frequency (Frequency)
This parameter align the reference frequency for PLL.- Press the “Frequency” button to open the “Frequency Alignment” window.
- Click the “PTT” button to transmit the radio on the center frequency channel.
- Set the value to get the desired frequency according to the following ways:
- Dragging the slide bar
- Clicking the arrow buttons
- Pressing the left/right arrow key of the computer’s key-board
- Entering the value (“0” – “255”) in the “Data” box from the computer’s keyboard
- After getting the desired frequency, click the “PTT” button to stop transmitting.
- Click the “OK” button to fi nish the frequency alignment and save the data.

- RX Sensitivity (RX Tune)
This parameter align the RX BPF (Band Pass Filter) for Receive (RX) sensitivity.
The PLL Reference Frequency (Frequency) alignment must be done before this alignment is performed.- Press the “RX Tune” button to open the “RX Sensitivity Alignment” window will appear.
- Click the slide bar of the desired channel. The radio switches to the selected channel.
- Set the RF Signal Generator according to the indication at the top of the screen (Setting Your SG as followings).
- Set the value to get the best RX sensitivity (Highest RSSI value) according to the following ways:
- Dragging the slide bar
- Clicking the arrow buttons
- Pressing the left/right arrow key of the computer’s key-board
- Entering the value (“0” – “255”) in the “Data” box from the computer’s keyboard
- Click the “OK” button to finish the RX Sensitivity alignment and save the data.
You may select the alignment type from the “Radio” button located at the button of the screen (ADJ Type), as needed.
Basic: “Low Edge / Band Center/ High Edge” and select the channel for alignment (Default).
Single: Alignment value changes only on the selected channel.
All Freq: Alignment value changes on all channels.
- Squelch (SQL)
This parameter align the SQL (Squelch) Sensitivity. There are several alignments as follows in the Squelch Sensitivity.
Tight SQL Level (TI NSQ W/N)
The Alignment for the Noise SQL Tight level at Wide (5k/4k) or Narrow (2.5k).
Threshold SQL Level (TH NSQ W/N)
The Alignment for the Noise SQL Threshold level at Wide (5k/4k) or Narrow (2.5k).
Tight SQL RSSI Level (TI RSSI W/N)
The Alignment for the “level 15” of the RSSI SQL level at Wide (5k/4k) or Narrow (2.5k).
TX Save RSSI Level (TX SAVE W/N)
The Alignment for the TX Save RSSI level at Wide (5k/4k) or Narrow (2.5k).
The procedure for all the alignments is as follows.- Click the “SQL” button to open the “SQL Alignment” menu.
- Click the “Start” button on the desired alignment item to open other window.
- Set the RF Signal Generator according to the indication of the window, then click the “OK” button.
- The automatic alignment will start to get the optimum level.
- The alignment result will appear in the “New” box.
On the following alignment items, click the “OK” button and then repeat step 2-5 several times according to the indication of the window.
Threshold SQL Level (Wide/Narrow) Normal RSSI Level (Wide/Narrow) Tight RSSI Level (Wide/Narrow)
Other alignment items has not extra step; only one step procedure. - Click the “OK” button, then the data will be saved and the alignment is finished.

- TX Power
This parameter align the Transmit Output “High” or “Low” Power for the selected channel.- Press the “TX Power (H / L)” button to open the “TX Power Alignment” window.
- Click the “PTT” button on the desired channel. The radio starts to transmit on the selected channel.
- Set the value to get desired output power (Normally: High: 5 W, Low: 1 W) on the Power Meter according to the following ways:
- Dragging the slide bar
- Clicking the arrow buttons
- Pressing the left/right arrow key of the computer’s key-board
- Entering the value (“0” – “255”) in the “Data” box from the computer’s keyboard
- After getting the desired output power, click the “PTT” button to stop transmitting.
- Click the “OK” button to finish the TX Power alignment and save the data.
You may select the alignment type from the “Radio” button lo-cated at the button of the screen (ADJ Type), as needed.
Basic: “Low Edge / Band Center/ High Edge” and select the channel for alignment (Default).
Single: Alignment value changes only on the selected channel.
All Freq: Alignment value changes on all channels.
- Maximum Deviation <Wide> / <Narrow>
This parameter align the Maximum Deviation (Wide/Narrow).- Press the “Max Dev (W /N)” button to open the “Max Deviation Alignment” window.
- Set the Audio Signal Generator to 100 mV with a 1 kHz tone, Sine Wave.
- Click the “PTT” button on the desired channel. The radio starts to transmit on the selected channel.
- Set the value to get desired deviation (Wide: 4.2 kHz, Nar-row: 2.1 kHz) on the deviation meter according to the follow-ing ways:
- Dragging the slide bar
- Clicking the arrow buttons
- Pressing the left/right arrow key of the computer’s key-board
- Entering the value (“0” – “255”) in the “Data” box from the computer’s keyboard
- After getting the desired deviation, click the “PTT” button to stop transmitting.
- Click the “OK” button to finish the Max Deviation alignment and save the data.
You may select the alignment type from the “Radio” button lo-cated at the button of the screen (ADJ Type), as needed.
Basic: “Low Edge / Band Center/ High Edge” and select the channel for alignment (Default).
Single: Alignment value changes only on the selected channel.
All Freq: Alignment value changes on all channels.
Adjust the following items if needed.
CTCSS Deviation <Wide> / <Narrow>
- Press the “CTC Dev (W/N)” button to open the “CTCSS De-viation Alignment” window will appear.
- Click the “PTT” button on the desired channel. The radio starts to transmit with the CTCSS tone on the selected chan-nel.
- Set the value to get desired deviation (Nominal: Wide: 0.55 kHz, Narrow: 0.35 kHz) on the deviation meter according to the following ways:
- Dragging the slide bar
- Clicking the arrow buttons
- Pressing the left/right arrow key of the computer’s key-board
- Entering the value (“0” – “31”) in the “Data” box from the computer’s keyboard
- After getting the desired deviation, click the “PTT” button to stop transmitting.
- Click the “OK” button to fi nish the CTCSS Deviation align-ment and save the data.
You may select the alignment type from the “Radio” button lo-cated at the button of the screen (ADJ Type), as needed.
Basic: “Low Edge / Band Center/ High Edge” and select the channel for alignment (Default).
Single: Alignment value changes only on the selected channel.
All Freq: Alignment value changes on all channels.
DCS Deviation <Wide> / <Narrow>
This parameter is to align the DCS Deviation of the selected channel.
- Press the “DCS Dev (W/N)” button to open the “DCS Deviation Alignment” window.
- Click the “PTT” button on the desired channel. The radio starts to transmit with the DCS code on the selected channel.
- Set the value to get desired deviation (Nominal: Wide: 0.55 kHz, Narrow: 0.35 kHz) on the deviation meter according to the following ways:
- Dragging the slide bar
- Clicking the arrow buttons
- Pressing the left/right arrow key of the computer’s key-board
- Entering the value (“0” – “31”) in the “Data” box from the computer’s keyboard
- After getting the desired deviation, click “PTT” button to stop transmitting.
- Click the “OK” button to finish the DCS Deviation alignment and save the data.
You may select the alignment type from the “Radio” button lo-cated at the button of the screen (ADJ Type), as needed.
Basic: “Low Edge / Band Center/ High Edge” and select the channel for alignment (Default).
Single: Alignment value changes only on the selected channel.
All Freq: Alignment value changes on all channels.
DTMF Deviation
This parameter align the DTMF Deviation.
- Press the “DTMF” button to open the “DTMF Alignment” window.
- Click the “PTT” button to transmit the radio on the center frequency channel.
- Set the value to get desired deviation (Nominal: 3.0 kHz) on the deviation meter according to the following ways:
- Dragging the slide bar
- Clicking the arrow buttons
- Pressing the left/right arrow key of the computer’s key-board
- Entering the value (“0” – “15”) in the “Data” box from the computer’s keyboard
- After getting the desired deviation, click the “PTT” button to stop transmitting.
- Click the “OK” button to finish the DTMF Deviation alignment and save the data.

Sequential Tone Deviation
This parameter align the Sequential Tone Deviation for the 2-Tone and 5-Tone Encoder.
- Press the “Seq Tone” button to open the “Sequential Tone Deviation Alignment” window will appear.
- Click the “PTT” button to transmit the radio on the center frequency channel.
- Set the value to get desired deviation (Nominal: 3.0 kHz) on the deviation meter according to the following ways:
- Dragging the slide bar
- Clicking the arrow buttons
- Pressing the left/right arrow key of the computer’s key-board
- Entering the value (“0” – “15”) in the “Data” box from the computer’s keyboard
- After getting the desired deviation, click the “PTT” button to stop transmitting.
- Click the “OK” button to finish the Sequential Tone Deviation alignment and save the data.

Cloning
The VX-264 transceiver includes a convenient “Cloning” feature, which allows the programming data from one transceiver to be transferred to another VX-264. Here is the procedure for Cloning one transceiver’s data to another.
- Turn both transceivers “off”.
- Remove the plastic cap and its two mounting screws from the MIC/SP jack on the right side of the transceiver. Do this for both transceivers.
- Connect the optional CT-27 cloning cable between the MIC/SP jacks of the two transceivers.
- Press and hold in the PTT and SIDE-1 switches (just below the PTT switch) while turning the transceiver “on”. Do this for both transceivers (the order of the switch-on operation does not matter). When Clone mode is successfully activated in this step. “CLONE” will appear on the display of both transceivers.
- On the Destination transceiver, press the SIDE-1 switch. “LOADING” will appear on the display.
- Press the PTT switch on the Source transceiver. “SENDING” will appear on the display, and the data will be transferred.
- If there is a problem during the cloning process, “ER-ROR” will appear on the display; check your cable connections and battery voltage, and try again.
- If the data transfer is successful, the display will return to “CLONE”. Turn both transceivers “off” and dis-connect the CT-27 cable. You can then turn the transceivers back on, and begin normal operation.
- Replace the plastic cap and its two mounting screws.

Main Unit
Circuit Diagram: Type “G6”

Circuit Diagram: Type “G7”
No portion of this manual may be reproduced without the per-mission of Vertex Standard LMR, Inc.
Vertex Standard is a trademark of Vertex Standard LMR, Inc. All other trademarks are the property of their respective owners.


You may select the alignment type from the “Radio” button located at the button of the screen (ADJ Type), as needed.
























