
LIEBHERE Countertop Freezer User Guide

The manufacturer works constantly on the further development of all the types and models. Therefore please understand that we have to reserve the right to make design, equipment and technical modifications.
To get to know all the benefits of your new appliance, please read the information contained in these instructions carefully.
The instructions apply to several models. Differences may occur. Text relating only to specific appliances is marked with an asterisk (*).
Instructions for action are marked with a
, the results of action are marked with a
.
1 Appliance at a glance
1.1 Description of appliance and equip- ment
Note
Shelves, drawers and baskets are arranged for optimum energy efficiency on delivery.

Fig. 1
- Operating controls
- VarioSpace
- Drawer
- Type plate
- Adjustable feet
1.2 Appliance range of use
Intended use
The appliance is only suitable for cooling food products in a domestic or household-like envi-ronment. This includes, for example, use:
- in staff kitchens, bed and breakfast establish-ments,
- by guests in country houses, hotels, motels and other accommodation,
- for catering and similar services in the whole- sale trade.
All other types of use are not permitted.
Foreseeable misuse
The following applications are expressly forbidden:
- Storing and refrigerating medicines, blood plasma, laboratory preparations or similar substances and products based on the Medical Device Directive 2007/47/EC
- Use in areas at risk of explosions
Misusing the appliance may lead to damage to the goods stored or they may spoil.
Climate classifications
Depending on the climate classification the appliance is designed to operate in restricted ambient temperatures. The climate classification applying to your appliance is printed on the rating plate.
Note
Keep to the specified ambient temperatures in order to guarantee that the appliance works properly

The appliance will work properly down to a lower ambient temperature of -15 °C.
1.3 Conformity
The refrigerant circuit has been tested for leaks. This appliance complies with the applicable safety stipulations and with directives 2014/35/EU, 2014/30/EU, 2009/125/EG, 2011/65/EU and 2010/30/EU.
1.4 EPREL database
Details about energy labelling and ecodesign requirements will be available on the European product database (EPREL) from 1st March 2021. You can access the product database at the following link: https://eprel.ec.europa. eu/ You will be asked to enter the model ID. You can find the model ID on the nameplate.
1.5 External dimensions of the appliance

Fig. 2

* For appliances supplied with wall spacers, the measurement increases by 35 mm (see 4.2 Installing the appliance) .
1.6 Saving energy
- Pay attention to good ventilation. Do not cover ventilation
holes or grids. - Do not install the appliance in direct sunlight, next to an oven, radiator or similar.
- Energy consumption depends on the installation conditions, e.g. the ambient temperature (see 1.2 Appliance range of use) . A warmer ambient temperature can increase the energy consumption.
- Open the appliance for as short a time as possible.
- The lower the temperature is set the higher the energy consumption.
- Keep all food properly packed and covered. This prevents frost from forming.
- Inserting warm food: allow to cool down to room temperature first.
- If there is a thick layer of frost in the appliance: defrost the appliance.
Dust deposits increase energy consumption
- For refrigerators with heat exchangers dust the metal grid on the back of the appliance once a year.

2 General safety information
Danger for the user:
- This device can be used by children and people with impaired physical, sensory or mental abilities or with a lack of experience and knowledge provided that they are supervised or have received instruction in the safe use of this device, and about the resulting hazards. Children must not play with this appliance. Cleaning and user maintenance work must not be carried out by children without adult supervision. Children aged between 3 and 8 are allowed to load and unload the appliance. Children below the age of 3 must be kept away from the appliance unless they are under continuous adult supervision.
- When disconnecting the appliance from the supply, always take hold of the plug. Do not pull the cable.
- In the event of a fault pull out the mains plug or deactivate the fuse.
- Do not damage the mains power cable. Do not operate the appliance with a defective mains power cable.
- Repairs, interventions on the appliance and the replacement of mains connection line may only be carried out by After-Sales Service or other suitably trained specialist personnel.
- Only assemble, connect and dispose of the appliance according to the instructions.
- Please keep these instructions in a safe place and pass them on to any subsequent owners.
Fire hazard:
- The coolant used (information on the model plate) is eco-friendly but also flammable. Any
leaking coolant may ignite. - Do not damage the refrigerant circuit pipes.
- Do not handle ignition sources inside the appliance.
- Do not use electrical appliances inside the appliance (e.g. steam cleaners, heaters, ice
cream makers, etc.). - If the refrigerant leaks: remove any naked flames or ignition sources from the vicinity
of the leakage point. Properly air the room. Inform customer services.
- Do not store explosives or sprays using combustible propellants such as butane, propane, pentane, etc. in the appliance. To identify these spray cans, look for the list of contents printed on the can, or a flame symbol. Gases possibly escaping may ignite due to electrical components.
- Keep burning candles, lamps and other items with naked flames away from the appliance so that they do not set the appliance on fire.
- Please be sure to store alcoholic drinks or other packaging containing alcohol in tightly closed containers. Any alcohol that leaks out may be ignited by electrical components.
Danger of tipping and falling:
– Do not misuse the plinth, drawers, doors etc. as a step or for support. This applies particularly to children.
Danger of food poisoning:
– Do not consume food which has been stored too long.
Danger of frostbite, numbness and pain:
– Avoid prolonged skin contact with cold surfaces or refrigerated/frozen goods or take protective measures, e.g wear use gloves.
Danger of injury and damage:
– Hot steam can lead to injury. Do not use electrical heating or steam cleaning equipment, open flames or defrosting sprays to defrost.
– Do not use sharp implements to remove the ice.
Danger of crushing:
– Do not hold the hinge when opening and closing the door. Fingers may get caught.
Symbols on the appliance:
The symbol can be located on the compressor. It refers to the oil in the compressor and indicates the following danger: Swallowing or inhaling can be fatal. This is only relevant for recycling. There is no danger in normal operation.
This symbol is found on the compressor and indicates the danger of flammable materials. Do not remove the sticker.
A sticker to this effect may be applied to the rear of the appliance. It refers to the foam-padded panels in the door and/or the housing. This is only relevant for recycling. Do not remove the sticker.
Please observe the specific information in the other sections:

3 Controls and displays
3.1 Operating and control elements

Fig. 3
- On/Off button
- Setting button
- Temperature display
- SuperFrost button
- SuperFrost symbol
- Menu symbol
- Alarm symbol
- Brightness symbol
- Child lock symbol
3.2 Temperature display
During normal operation, the display shows:
– the freezer temperature setting
The temperature display flashes if/when:
- You change the temperature setting
- The appliance is not cold enough after switching on
- The temperature rises by several degrees
The following displays indicate a fault. Possible causes and solutions: (see 7 Malfunctions) .
- The SuperFrost symbol Fig. 3 (5) flashes together with the temperature display.
4 Putting into operation
4.1 Transporting the appliance
- Transport the appliance only in suitable packaging.
- Transport the appliance upright.
- Do not transport the appliance on your own.
4.2 Installing the appliance
WARNING
Fire hazard due to dampness!
If live parts or the mains lead become damp this may cause short circuits.
- The appliance is designed for use in enclosed areas. Do not operate the appliance outdoors or in areas where it is exposed to splash water or damp conditions.
WARNING
Risk of fire due to short circuit!
If the mains cable/connector of the appliance or of another appliance touch the rear of the appliance, the mains cable/ connector may be damaged by the appliance vibrations, leading to a short circuit.
- Stand the appliance so that it is not touched by connectors or main cables.
- Do not plug the appliance or any others into sockets located near the rear of the appliance.
WARNING
Fire hazard due to refrigerant!
The coolant used is eco-friendly but also flammable. Any leaking coolant may ignite.
- Do not damage the piping of the refrigeration circuit.
WARNING
Fire hazard and danger of damage!
- Do not place appliances emitting heat e.g. microwaves, toasters etc. on the appliance!
WARNING
Blocked ventilation openings pose a risk of fire and damage!
- Always keep the ventilation openings clear. Always ensure that the appliance is properly ventilated!
NOTICE
Risk of damage due to condensate!
- Do not install the appliance directly alongside a further refrigerator/freezer.
Before you connect the appliance, report any damage immediately
to the delivery company.
- The floor of the installation site must be horizontal and even.
- Do not install the appliance in direct sunlight, next to an oven, radiator or similar.
- The best place for installation is a dry and well ventilated room.
- Install the appliance with the rear panel up against the wall and always use the supplied wall spacers (see below).
- Only ever move the appliance when it is empty.
- The surface supporting the appliance must be at the same level as the surrounding floor.
- Do not install the appliance on your own.
- The more coolant there is in the appliance, the larger the room in which the appliance is installed must be. If the room is too small, any leak may create a flammable mixture of gas and air. For each 8 g of coolant the installation space must be at least 1 m3. Information on the coolant is on the model plate inside the appliance.
► Detach the connecting cable from the rear of the appliance, removing the cable holder at the same time because otherwise there will be vibratory noise!
► Remove all transit supports.
The spacers supplied with some appliances must be used to achieve the stated energy consumption. These will extend the depth of the appliance by approx. 35 mm. The appliance is fully functional if the spacers are not used, but does have a slightly higher energy consumption.
► In the case of an appliance with enclosed wall spacers, mount the wall spacers on the back of the appliance at the top left and right.

► Dispose of packaging material (see 4.5 Disposing of packaging)
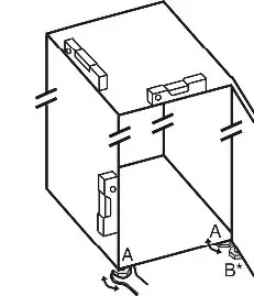
►Align the appliance so that it stands firmly and on a level by applying the accompanying spanner to the adjustable- height feet (A) and using a spirit level.

Note
- Clean the appliance (see 6.2 Cleaning the appliance) .
If the appliance is installed in a very damp environment, condensate may form on the outside of the appliance.
- Always see to good ventilation at the installation site.
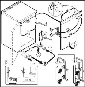
4.3 Changing over the door hinges
You can change over the door hinges if necessary. Make sure that the following tools are at hand:
- Torx® 25
- Torx® 15
- Supplied open-ended wrench
- If necessary, a second person to assist with installation
CAUTION
Risk of injury if the door tips!
- Take good hold of the door.
- Set down the door carefully.
Putting into operation

Fig. 4 On appliances with a door handle

Fig. 5 On appliances without a door handle*
- Follow the sequence of the item numbers in the diagram.
WARNING
Risk of injury due to the door dropping out!
If the bearing parts are not screwed into place firmly enough, the door may drop out. This may lead to severe injuries. What is more, the door may not close and therefore the appliance may fail to cool properly.
- Screw on the bearing brackets/bearing pins tightly (4 Nm).
- Check all of the screws and retighten if necessary.
4.4 Insertion into a row of kitchen units

- Stack cabinet*
- Appliance*
- Kitchen cabinet*
- Wall*
For appliances supplied with wall spacers, the measurement increases by 35 mm (see 4.2 Installing the appliance) .
The appliance can be built into kitchen units. A top cupboard Fig. 6 (2) can be added above the appliance in order to bring the appliance Fig. 6 (1) up to the height of the fitted kitchen units.
When installing with kitchen units (max. depth 580 mm), the appliance can be positioned directly next to the kitchen cabinet Fig. 6 (3) . The appliance will project by 34 mm * at the sides and 50 mm * in the centre of the appliance in relation to the kitchen cabinet front.
NOTICE
Danger of overheating due to insufficient air ventilation!
The compressor may be damaged if there is insufficient air ventilation.
- Take care to ensure adequate air ventilation.
- Observe the ventilation requirements.
Ventilation requirements:
- At the back of the stack cabinet there has to be a ventilation duct of at least 50 mm depth throughout the width of the stack cabinet.
- The cross section of the ventilation gap below the ceiling must be at least 300 cm2 .
- the larger the ventilation space, the more energy-saving the appliance is in operation.
If the appliance is installed with the hinges next to a wall Fig. 6 (4) , the distance between appliance and wall has to be at least 40 mm. This corresponds to the projection of the handle when the door is open.*
4.5 Disposing of packaging
WARNING
Danger of suffocation due to packing material and plastic film!
► Do not allow children to play with packing material
The packaging is made of recyclable materials:
- corrugated board/cardboard
- expanded polystyrene parts
- polythene bags and sheets
- polypropylene straps
- nailed wooden frame with polyethylene panel*
► Take the packaging material to an official collecting point.
4.6 Connecting the appliance
NOTICE
Failure to connect properly
Damage to the electronics.
- Do not use a standalone inverter.
- Do not use an energy saving plug.
WARNING
Failure to connect properly
Fire hazard.
- Do not use an extension cable.
- Do not use distributor blocks.
The type of current (alternating current) and voltage at the installation site have to conform with the data on the type plate (see 1 Appliance at a glance) .
The socket must be properly earthed and fused. The tripping current for the fuse must be between 10 A and 16 A.
The socket must be easily accessible so that the appliance can be quickly disconnected from the supply in an emergency. It must be outside the area of the rear of the appliance.
- Check the electrical connection.
- Plug in the power plug.
![]()
4.7 Switching on the appliance
- Press the On/Off button Fig. 3 (1) .
- The appliance is switched on. The temperature display and Alarm symbol Fig. 3 (7) flash until the temperature is cold enough.
- If “DEMO” is displayed, demo mode is activated. Please contact the after sales service.
5 Control
5.1 Brightness of the temperature display
You can adjust the brightness of the temperature display to the light conditions of the room in which the appliance is installed.
5.1.1 Adjusting the brightness
The background lighting can either be turned off or set to one of 5 levels. The factory setting is that the background lighting is turned off.
- To activate the setting mode: Press the SuperFrost button Fig. 3 (4) for about 5 seconds.
- The menu symbol Fig. 3 (6) shines and the child lock symbol Fig. 3 (9) flashes.
- Press the setting button Fig. 3 (2) to select the brightness function.
- The child lock symbol Fig. 3 (9) turns off and the brightness symbol Fig. 3 (8) flashes.
- To confirm: Briefly press the SuperFrost button Fig. 3 (4) .
- The brightness symbol Fig. 3 (8) shines.

- Using the setting button Fig. 3 (2) , select either “off” or the brightness wanted. The more display fields of the temperature display that light up, the brighter it is. If no field is lit up, it means “off”.
- To confirm: Press the SuperFrost button Fig. 3 (4) .
- The brightness symbol Fig. 3 (8) flashes.
- The brightness is adjusted to the new value.
- To deactivate the setting mode: Press the On/Off button Fig. 3 (1) .
-or
- Wait for 5 minutes.
- The brightness symbol Fig. 3 (8) and the menu symbol Fig. 3 (6) go out.
- The temperature is indicated again in the temperature display.
5.2 Child proofing
![]()
The child-proofing function enables you to make sure that the appliance is not inadvertently switched off by playing children.
5.2.1 To activate child lock
- To activate the setting mode: Press the SuperFrost button Fig. 3 (4) for about 5 seconds.
- The menu symbol Fig. 3 (6) shines and the child lock symbol Fig. 3 (9) flashes.
- Briefly press the SuperFrost button Fig. 3 (4) to select the child lock function.
- The child lock symbol Fig. 3 (9) shines. The -15 °C and -21 °C LEDs shine in the temperature display.

- Briefly press the SuperFrost button Fig. 3 (4) to activate the child lock.
- The child lock symbol Fig. 3 (9) flashes. The -15 °C and -21 °C LEDs go out.
- To deactivate the setting mode: Press the On/Off button Fig. 3 (1) .
-or
- Wait for 5 minutes.
- The menu symbol Fig. 3 (6) goes out and the temperature is displayed again in the temperature display. The child lock symbol Fig. 3 (9) shines.
5.2.2 To deactivate child lock
- To activate the setting mode: Press the SuperFrost button Fig. 3 (4) for about 5 seconds.
- The menu symbol Fig. 3 (6) shines and the child lock symbol Fig. 3 (9) flashes.
- Briefly press the SuperFrost button Fig. 3 (4) to select the child lock function.
- The child lock symbol Fig. 3 (9) shines. The -18 °C LED shines in the temperature display.

- Briefly press the SuperFrost button Fig. 3 (4) to deactivate the child lock.
- The child lock symbol Fig. 3 (9) flashes.
- To deactivate the setting mode: Press the On/Off button Fig. 3 (1) .
-or
- Wait for 5 minutes.
- The menu symbol Fig. 3 (6) goes out and the temperature is displayed again in the temperature display. The child lock symbol Fig. 3 (9) no longer shines.
5.3 Temperature alarm

The temperature display and the alarm symbol Fig. 3 (7) flash at the same time.
The cause of the temperature being too high may be:
- warm fresh food was placed inside
- too much warm ambient air flowed in when rearranging and removing food
- Prolonged power outage
- the appliance is faulty
The Alarm symbol Fig. 3 (7) goes out and the temperature display stops flashing, once the temperature has reached the appropriate level of coldness again.
If the alarm status persists: (see 7 Malfunctions) .
Note
Food may be spoilt if the temperature is not cold enough.
- Check the quality of the food. Do not consume spoiled food.
5.4 Freezing food
The rating plate indicates the maximum quantity of fresh food you can freeze within 24 hours (see 1 Appliance at a glance) under “Freezing capacity … kg/24h”.
Each drawer can hold a max. of 25 kg of frozen food.
The shelves can each be loaded with 35 kg of frozen food.
CAUTION
Risk of injury due to broken glass!
Bottles and cans containing drinks may burst when being frozen. This applies particularly to sparkling drinks.
- Do not freeze bottles and cans containing drinks!
So that the food is rapidly frozen through to the core, do not exceed the following quantities per pack
– Fruit, vegetables up to 1 kg
– Meat up to 2.5 kg
- Pack the food in portions in freezer bags, reusable plastic, metal or aluminium containers
5.5 Storage life

The values indicated for storage life are standard ones.
5.6 Thawing food
- in the refrigerator compartment
- in a microwave oven
- in a conventional or fan oven
- at room temperature
► Remove only as much food as is required. Use thawed food as quickly as possible.
►Food once thawed should be re-frozen only in exceptional cases.
5.7 Setting the temperature
Temperature setting to be recommended: -18 °C
The temperature can be changed continuously. Once the -32 °C setting is reached, it starts again with -15 °C.
► To access temperature adjustment: press setting button Fig. 3 (2) once.
► The LED of the current temperature flashes in the temperature display.
► Press the setting button Fig. 3 (2) the number of times needed until the required temperature shines in the LED display.
Note
► Long pressing of the setting button sets a slightly colder value within a small temperature range (e.g.: between -15 °C and -18 °C). The LED of the next lower temperature range then shines in the temperature display.
5.8 SuperFrost
With this function you can freeze fresh food quickly
through to the core. The appliance operates with maximum refrigeration. The noise of the refrigeration
unit may be temporarily louder as a result.
In addition, frozen food already in storage is given a “cold reserve”. The food stays frozen longer as a result when you defrost the appliance.
You can freeze as many kilograms of fresh food within 24 hrs as is indicated on the type plate under “Freezing capacity … kg/24hrs”. This maximum freezing quantity can vary depending
on model and climate class.
You have to activate SuperFrost in good time, depending on how much fresh food is to be frozen: about 6 hours before placing the food inside in case of small amounts and about 24
hours in advance in case of the maximum amount of food to be frozen.
Wrap produce and spread it out as far as possible. Do not allow produce to be frozen to touch produce that is already frozen to prevent the latter thawing.
You do not have to activate SuperFrost in the following cases:
- when placing frozen food in the freezer
- when freezing up to approx. 1 kg fresh food daily
5.8.1 Freezing
5.8.1 Freezing with SuperFrost
- Briefly press the SuperFrost button Fig. 3 (4) .
- The SuperFrost symbol Fig. 3 (5) shines.
- The freezer temperature drops, the appliance operates with the maximum refrigerating capacity.
Note
►Pressing the SuperFrost button can cause the compressor to switch on up to 8 minutes later, thanks to the integrated switch-on delay. This delay increases the service life of the compressor.
In case of a small amount of food to be frozen:
- wait approx. 6 h.
- Place wrapped produce in the bottom drawers.
In case of the maximum amount of food to be frozen (see type plate): - wait about 24 h.
- Remove bottom drawer and place produce directly in the appliance so that it touches the base or sides.
- SuperFrost is automatically deactivated after about 65 h.
- TheSuperFrost button Fig. 3 (5) extinguishes once freezing is completed.
- The temperature range set for the normal mode shines in the temperature display.
- Place produce in the drawer and then push the drawer back in again.
- The appliance continues to operate in the energy-saving, normal mode.
To save energy SuperFrost can switch switched off, even before the full 65 hours of freezing time has elapsed, by pressing the SuperFrost button Fig. 3 (4) again. Only switch off SuperFrost once the temperature is -18 °C or colder.
5.9 Drawers

► To store frozen food directly on the shelves pull the drawer forward and lift it out.
5.10 Shelves
5.10.1 Moving shelves
► To remove the shelf: lift up at the front
and pull out.
► To put the shelf back: simply push in as far as it will go.
5.11 VarioSpace
You can remove the shelves and
drawers. This leaves more room for larger food items such as poultry, meat, large game and tall baked goods, which can be frozen whole
before further preparation.
► Each drawer can hold max. 25 kg of frozen food.
► The shelves can each be loaded with 35 kg of frozen food.
6 Maintenance
6.1 Manual defrosting
After a long period of operation, a layer of frost or ice can build up inside the appliance.
The layer of frost or ice builds up faster if the appliance is opened often or if the food is warm when placed inside. However, a thick layer of ice will increase the appliance‘s energy consumption. You should therefore defrost the appliance regularly.
Remove ice from inside surface at top of appliance:
A layer of ice forms inside at the centre of the top of the device. This ice forms as a result of physical properties.
► Regularly remove the ice with a scraper tool. The appliance does not need to be be thawed for that reason.
Thawing process:
WARNING
Improper defrosting of the appliance!
Injuries and damage.
- Never use mechanical aids or other means that have not been recommended by the manufacturer, to speed up the defrosting process.
- Do not use electrical heating or steam-cleaning appliances, naked flames or defroster sprays to defrost.
- Do not use sharp objects to remove ice.
- Do not damage the pipework in the cooling circuit.
- Switch on SuperFrost one day before defrosting.
- The frozen goods are provided with a “cold reserve”.
- Switch off the appliance.
- The temperature display goes out.
- If the temperature display does not go out, the child lock function (see 5.2 Child proofing) is active.
- Pull out the power plug or switch off the fuse.
- If possible, put the frozen goods in the freezer drawer, wrapped in newspaper or a blanket, and store in a cool place.
- Place a pan with hot, not boiling water on a middle shelf.

- Defrosting is speeded up.
- Leave the door of the appliance open while defrosting.
- Remove detached pieces of ice.
- If necessary, pick up defrost water several times, using a sponge or cloth.
- Clean the appliance (see 6.2 Cleaning the appliance) .
6.2 Cleaning the appliance
Clean the appliance regularly.
WARNING
Risk of injury and damage as a result of hot steam!
Hot steam can lead to burns and can damage the surfaces.
- Do not use any steam cleaners!
NOTICE
Incorrect cleaning damages the appliance!
- Do not use cleaning agents in concentrated form.
- Do not use any scouring or abrasive sponges or steel wool.
- Do not use any sharp or abrasive cleaning agents, nor any that contain sand, chloride or acid.
- Do not use chemical solvents.
- Do not damage or remove the type plate on the inside of the appliance. It is important for the customer service.
- Do not pull off, bend or damage cables or other components.
- Do not allow any cleaning water to enter the drain channel, ventilation grille or electrical parts.
- Please use soft cleaning cloths and a universal pH-neutral cleaning agent.
- Please use cleaning and care products suitable for contact with foodstuffs in the appliance interior.
- Empty appliance.
- Pull out the power plug.
![]()
- Clean the vent grille regularly.
- Dust deposits increase energy consumption.
- Clean plastic outer and inner surfaces with lukewarm water and a little washing-up liquid.
- Only use a soft clean cloth to wipe side walls with a paint finish. In the case of heavy soiling, use lukewarm water with neutral cleaning agent.
- Use only a soft clean cloth to wipe door surfaces with a paint finish. In the case of heavy soiling, use a little water or neutral cleaning agent. A micro-fibre cloth can be used optionally.
- Clean drawers by hand with lukewarm water and a little washing up liquid.
- Clean other items of equipment by hand with lukewarm water and a little washing-up liquid.
After cleaning:
- Wipe dry the appliance and items of equipment.
- Connect the appliance and switch it on again.
- Switch on SuperFrost (see 5.8 SuperFrost) .
When the temperature is sufficiently cold: - Put the food back inside.
6.3 Customer service
First check whether you can correct the fault yourself by reference to the list (see 7 Malfunctions) . If this is not the case, please contact the customer service whose address is given in the enclosed customer service list.
WARNING
Risk of injury if repair work is not carried out professionally!
- Have any repairs and action – not expressly specified – on the appliance and mains cable carried out by service personnel only. (see 6 Maintenance)
- Read the appliance designation Fig. 7 (1) , service No. Fig. 7 (2) and serial No. Fig. 7 (3) off the type plate located inside the appliance on the left-hand side.

Fig. 7
- Notify the customer service, specifying the fault, appliance designation Fig. 7 (1) , service No. Fig. 7 (2) and serial No. Fig. 7 (3) .
- This will help us to provide you with a faster and more accurate service.
- Keep the appliance closed until the customer service arrives.
- The food will stay cool longer.
- Pull out the mains plug (not by pulling the connecting cable) or switch off the fuse.
7 Malfunctions
Your appliance is designed and manufactured for a long life span and reliable operation. If a malfunction nonetheless occurs during operation, check whether it is due to a handling error. In this case you will have to be charged for the costs incurred, even during the warranty period. You may be able to rectify the following faults yourself:
Appliance does not work.
- The appliance is not switched on.
► Switching on the appliance. - The power plug is not properly inserted in the wall socket.
► Check power plug. - The fuse of the wall socket is not in order.
► Check fuse.
The compressor runs for a long time.
- The compressor switches to a low speed when little cold is needed. Although the running time is increased as a result, energy is saved.
► This is normal in energy-saving models. - SuperFrost is activated.
► The compressor runs for longer in order to rapidly cool the food. This is normal.
A LED on the bottom rear of the appliance (at the compressor) flashes regularly every 15 seconds*.
- The inverter is equipped with a diagnostic LED.
► The flashing is normal.
Excessive noise.
- Due to the various speed steps, speed-regulated* compressors
can generate different running noises.
► The sound is normal.
A ubbling and gurgling noise.
- This noise comes from the refrigerant flowing in the refrigeration circuit.
► The sound is normal.
A quiet clicking noise.
- The noise is produced whenever the refrigeration unit (motor) automatically switches on or off.
► The sound is normal.
A hum. It is briefly a little louder when the refrigeration unit (the motor) switches on.
- The refrigeration increases automatically when the SuperFrost, function is activated, fresh food has just been placed in the appliance or the door has been left open for a while.
► The sound is normal. - The ambient temperature is too high.
► Solution: (see 1.2 Appliance range of use)
Vibration noises
- The appliance is not standing firmly on the floor. As a result objects and adjacent units start to vibrate when the refrigerator is running.
► Align the appliance using the adjustable feet.
The SuperFrost symbol Fig. 3 (5) flashes together with the temperature display.
- There is a fault.
► Please contact the after-sales service (see 6 Maintenance)
.
DEMO shines in the temperature display.
- The demo mode is activated.
► Please contact the after-sales service (see 6 Maintenance)
The outer surfaces of the appliance are warm*.
- The heat of the refrigeration circuit is used to prevent condensate from forming.
► This is normal.
The temperature is not cold enough.
- The door of the appliance is not properly closed.
► Close the door of the appliance. - Insufficient ventilation.
► Keep ventilation grille clear, and clean it. - The ambient temperature is too high.
► Solution: (see 1.2 Appliance range of use) . - The appliance was opened too frequently or for too long.
► Wait to see whether the appliance reaches the required temperature by itself. If not, please contact the after sales service (see 6 Maintenance) . - Too much fresh food was placed inside without SuperFrost.
► Solution: (see 5.8 SuperFrost) - The temperature is incorrectly set. ► Set the temperature to a colder setting and check after 24 hours.
- The appliance is too close to a source of heat (stove, heater etc).
► Change the position of the appliance or the source of heat.
Concentrated collection of ice on inside face at centre of appliance cover.
- This build-up of ice is normal. Due to physical properties, ice concentrates inside the top of the appliance.
► Remove the ice with a scraper tool.
8 Decommissioning
8.1 Switching off the appliance
- Press the On/Off button Fig. 3 (1) until the display goes dark. Release button.
- If the appliance cannot be switched off, the child lock function is active (see 5.2 Child proofing) .
8.2 Taking the appliance out of service
- Empty the appliance.
- Switch off the appliance (see 8 Decommissioning) .
- Remove mains connector.

- Clean the appliance (see 6.2 Cleaning the appliance)
- Leave the door open to prevent odour.
9 Disposing of the appliance
The appliance contains some reusable materials and should be disposed of properly – not simply with unsorted household refuse. Appliances which are no longer needed must be disposed of in a professional and appropriate way, in accordance with the current local regulations and laws.
Do not damage the disused appliance while removing it from the cooling circuit, in case the coolant (information on the model plate) ) or oil inside leaks out.
For Germany:
The appliance can be disposed of free of charge in Class 1 collection containers at your local recycling centre. When purchasing a new fridge/freezer and if your sales area is > 400 m2, the retailer with also take back the old appliance free of charge.
Decommission the appliance:
- Pull out the plug.
- Cut through the connecting cable.
Liebherr-Hausgeräte Marica EOOD
4202 Radinovo
Bezirk Plovdiv
Bulgarien
home.liebherr.com


















