
Application Note #627
Revision E
April 2021
Customer Assistance — 1.844.LUTRON1
Overview
Lutron Electronics and LG, a leading supplier of Variable Refrigerant Flow (VRF) technology, have integrated the sleek, intuitive design of the Palladiom Thermostat for control of LG Systems. This integration is achieved by using a Palladiom Thermostat, a Lutron Fan Coil Unit (FCU) Controller (my room) or Palladiom HVAC controller (HomeWorks QS), and an LG
Dry interface. This integration is available for Lutron projects in the United States.*
- LG PDRYCB300 with a Lutron FCU controller or Palladiom HVAC controller and a Palladiom thermostat
- LG PDRYCB500 with a HomeWorks QS or my room Palladiom thermostat
Notes:
- This integration is only available if the indoor unit supports the PDRYCB500 controller. Contact LG technical support to confirm the LG PDRYCB500 interface is compatible with the LG VRF indoor unit.
- When the Palladiom thermostat is connected to a PDRYCB500 controller to control LG VRF equipment, other thermostats may not be connected to the indoor unit. Any setting changes made using another thermostat (e.g., fan mode or temperature setpoint) will be overwritten by the Palladiom thermostat.
- The Palladiom thermostat cannot display any HVAC errors or alerts from the LG unit.
- The Palladium thermostat requires the zone air temperature to be reported by the LG equipment. The Palladium thermostat’s internal temperature sensor is disabled when connected to the PDRYCB500.
LG PDRYCB300
2.1 System Topology
The system includes a Palladiom thermostat with the FCU controller (SMC55-HOSP) or Palladiom HVAC controller (SMC55-HWQS) connected to the LG Dry Contact interface.

- LG offers multiple other dry contact closure interfaces in International regions. The Lutron Palladiom thermostat has not been tested to work with these interfaces. Please contact LG for further information regarding compatibility.
2.2Wiring Diagrams
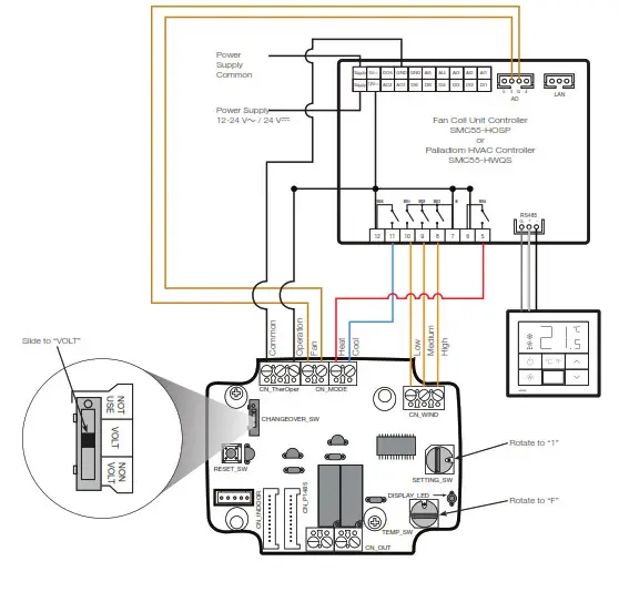
3-Speed Fan Heat and Cool

Note: Do not input voltage signal in “NON-VOLT” setting mode, otherwise it will cause serious damage.
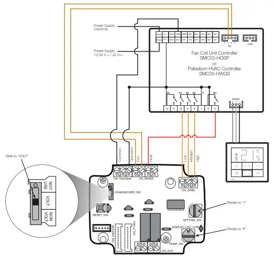
3-Speed Fan Heat Only

Note: Do not input voltage signal in “NON-VOLT” setting mode, otherwise it will cause serious damage.
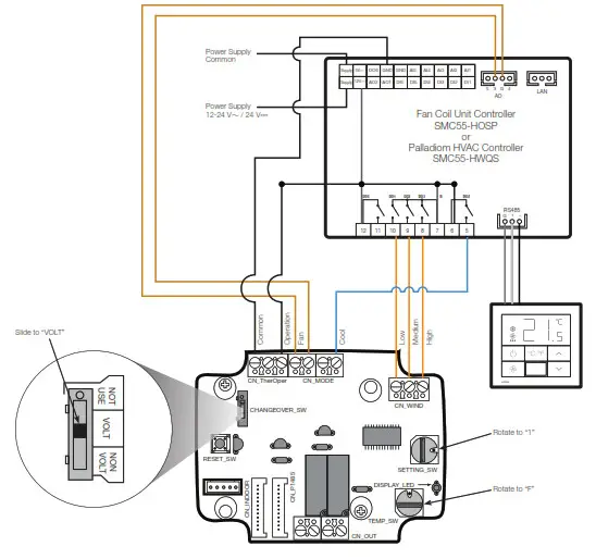
3-Speed Fan Cool Only

Note: Do not input voltage signal in “NON-VOLT” setting mode, otherwise it will cause serious damage.
2.3 Design Considerations
- In heat only or cool only applications, the FCU controller and Palladiom HVAC controller must be configured for heating only
or cooling only. - The Palladiom HVAC controller must be configured to control FCUs.
- The PDRYCB300 interface should be supplied by your local LG distributor.
- The FCU controller must be model SMC55-HOSP from Lutron.
- The Palladiom HVAC controller must be model SMC55-HWQS from Lutron.
- Use one PDRYCB300 interface per LG VRF system controlled by the Palladium thermostat.
- The power supply is required and field supplied by others.
- Use 18 AWG (1.0 mm2) wire between PDRYCB300 and Lutron controller, maximum 500 ft (152 m).
- Lutron myRoom systems and Palladium thermostat must be programmed by a trained Lutron service engineer or an authorized distributor.
- Lutron HomeWorks QS systems and Palladiom thermostat must be programmed by a qualified system programmer.
- A trained LG HVAC professional may change the PDRYCB300 configurations based on user preference.
LG PDRYCB500
3.1 System Topology
The system includes a Palladiom thermostat connected to the LG Dry Contact interface.

3.2 Wiring Diagram (my room or HomeWorks QS Palladiom Thermostat with LG PDRYCB500 Controller)

Terminal Connection Mapping
| Palladiom Thermostat | LG-PDRYCB500 Interface |
| MO( | BUS-B |
| MUX | BUS-A |
| CAM | (Not Connected) |
3.3 DIP Switch Configuration for LG PDRYCB500 to Set the Communication Address
The image below shows the DIP switch settings that must be set on the PDRYCB500 controller. If the wrong DIP switch settings are made, communication with the indoor unit will fail.

* Always leave DIP switch 1 to ON.
Note: After changing the DIP switch on LG-PDRYCB500, it must be power cycled for the address to take effect.
3.4 Configuring the Thermostat to Communicate with the PDRYCB500
Follow the directions on the thermostat install guide to enter the controller selection menu on the Palladiom thermostat and set the correct controller and controller address for the LG PDRYCB500. See “my room Palladiom Thermostat Install ”, P/N 041670, on www.lutron.com
3.5 Configuring the room Palladiom Thermostat in a room Database
While the LG PDRYCB500 is not specifically identified in the design tab in the room GUI commissioning software, it can still be integrated with the thermostat. To ensure the thermostat can communicate with the LG PDRYCB500 controller, select the Control Type and Fan Coil Unit Controller as shown below.

3.6 Implementing LG PDRYCB500 into a HomeWorks QS System
3.6.1 Adding PDRYCB500 to a HomeWorks QS Database
To add LG equipment to the database (HomeWorks QS software version 12.0 or newer required), go to the design tab of the software and use the drop-down menu to select equipment. Next, find the 3rd Party HVAC device in the toolbox and click “+” to add the device using HomeWorks QS software version 12.0 or newer.
Note: The default toolbox does not contain this device by default, so it is necessary to edit or create a toolbox to include the 3rd Party HVAC device.

Once the 3rd Party HVAC control has been added to the Equipment Locations area, provide a name for the HVAC control and select LG as the Manufacturer.

When adding the 3rd Party HVAC device, a zone is automatically added by default to the area where the LG interface is located. To move that HVAC zone to the area where the PDRYCB500 is located, cut/paste the HVAC zone to the desired area.
3.6.2 Editing the HVAC Zone
To edit a 3rd Party HVAC Zone in the database, go to the design tab of the HomeWorks QS software and use the dropdown menu to select loads. Next, find the HVAC Zones tab on the right-hand side of the screen.

For each HVAC zone added, provide a Zone Name, select Operating Modes, and select the Fan Speeds that are applicable. Unchecked modes will be hidden when using the Lutron Connect app. It is important to only check the modes that are necessary so that the app is simpler for the user. Choosing a user-friendly zone name is important for the sake of simplicity.

UID reflects the indoor unit address. All indoor units must be provided with addresses depending on specific AC system types. This can be done manually by the integrator. Addresses should be set by an HVAC contractor and the integrator should acquire the addresses from the contractor.

The Palladiom thermostat is a QS wired link device that can act as a remote thermostat control. It uses one address of the 99 available addresses on a QS link. There can be up to 32 Palladiom thermostats per QS link. When using a Palladiom thermostat with LG equipment, the sensor within the Palladiom thermostat is not used by the system.
The Palladiom thermostat can be added to the project by navigating to design > controls and selecting the desired item from the toolbox. If the items do not show in the default Temperature tab, they can be added by clicking Edit Toolbox.

Select the correct device location from the Area Tree. Hover over the control and click “+” to add the control to the area. Click Assign… under the HVAC Controller field.

Click Assign to assign the controller to the Palladiom thermostat

3.6.3 Assigning a Palladiom Thermostat to Control the HVAC Zone (continued)
Navigate to design > equipment and select the LG controller to assign to the Palladiom thermostat. Click Assign... under the Assigned Devices field.

Click Assign to assign the Palladiom thermostat to the LG controller.

The name of the remote temperature control will now be visible in the Assigned Devices field.

Lutron, HomeWorks, my room, Lutron Connect, and Palladiom are trademarks or registered trademarks of Lutron Electronics Co., Inc. in the US and/or other countries.
All other product names, logos, and brands are the property of their respective owners.
Lutron Contact Numbers
WORLD HEADQUARTERS THE USA
Lutron Electronics Co., Inc.
7200 Suter Road Coopersburg, PA 18036-1299
TEL: +1.610.282.3800
FAX: +1.610.282.1243
[email protected]
www.lutron.com/support
North & South America
Customer Assistance USA, Canada, Caribbean:
1.844.LUTRON1 (1.844.588.7661)
Mexico:
+1.888.235.2910
Central/South America:
+1.610.282.6701
UK AND EUROPE:
Lutron EA Limited
125 Finsbury Pavement 4th floor, London EC2A 1NQ United Kingdom
TEL: +44.(0)20.7702.0657
FAX: +44.(0)20.7480.6899
FREEPHONE (UK): 0800.282.107
Technical Support: +44.(0)20.7680.4481
[email protected]
ASIA:
Lutron GL Ltd.
390 Havelock Road #07-04 King’s Centre Singapore 169662
TEL: +65.6220.4666
FAX: +65.6220.4333
Technical Support: 800.120.4491
[email protected]
Asia Technical Hotlines
Northern China: 10.800.712.1536
Southern China: 10.800.120.1536
Hong Kong: 800.901.849
Indonesia: 001.803.011.3994
Japan: +81.3.5575.8411
Macau: 0800.401
Taiwan: 00.801.137.737
Thailand: 001.800.120.665853
Other Countries: +65.6220.4666

Lutron Electronics Co., Inc.
7200 Suter Road
Coopersburg, PA 18036-1299 U.S.A.
P/N 048627 Rev. E 04/2021
www.lutron.com/support



















