Cabela s Portable Generator User Manual

www.championpowerequipment.com
AN IMPORTANT MESSAGE ABOUT TEMPERATURE:
Your Champion Power Equipment product is designed and rated for continuous operation at ambient temperatures up to 40°C (104°F). When your product is needed your product may be operated at temperatures ranging from -15°C (5°F) to 50°C (122°F) for short periods. If the product is exposed to temperatures outside this range during storage, it should be brought back within this range before operation. In any event, the product must always be operated outdoors, in a well-ventilated area and away from doors, windows and other vents.
Have questions or need assistance?
Do not return this product to the store!
WE ARE HERE TO HELP!
Visit our website: www.championpowerequipment.com
for more info:
- Product Info & Updates
- Tech Bulletins
- Frequently Asked Questions
- Product Registration
or
Call our Customer Care Team Toll-Free at:
1-877-338-0999
*We are always working to improve our products. Therefore, the enclosed product may differ slightly from the image on the cover.

11250 Starting Watts/9000 Running Watts Wireless Remote, Electric Start
PORTABLE GENERATOR
INTRODUCTION
Introduction
Congratulations on your purchase of a Champion Power Equipment product. Champion Power Equipment and Champion Engine Technology designs, builds, and supports all of our products to strict specifications and guidelines. With proper product knowledge, safe use, and regular maintenance, this product should bring years of satisfying service.
Every effort has been made to ensure the accuracy and completeness of the information in this manual, and we reserve the right to change, alter and/or improve the product and this document at any time without prior notice.
Since CPE/CET highly value how our products are designed, manufactured, operated and are serviced, and also highly value your safety and the safety of others, we would like you to take the time to review this product manual and other product materials thoroughly and be fully aware and knowledgeable of the assembly, operation, dangers and maintenance of the product before use. Fully familiarize yourself, and make sure others who plan on operating the product fully familiarize themselves too, with the proper safety and operation procedures before each use. Please always exercise common sense and always error on the side of caution when operating the product to ensure no accidents, property damage, or injury occurs. We want you to continue to use and be satisfied with your CPE/CET product for years to come.
Record the model and serial numbers as well as date and place of purchase for future reference. Have this information available when ordering parts and when making technical or warranty inquiries.
Champion Power Equipment Support
1-877-338-0999
Model Number
100163
Serial Number
Date of Purchase
Purchase Location
For Oil Type see `Add Engine Oil` section. For Fuel Type see `Add Fuel` section.
MANUAL CONVENTIONS
This manual uses the following symbols to help differentiate between different kinds of information. The safety symbol is used with a key word to alert you to potential hazards in operating and owning power equipment. Follow all safety messages to avoid or reduce the risk of serious injury or death.
DANGER
DANGER indicates an imminently hazardous situation which, if not avoided, will result in death or serious injury.
WARNING
WARNING indicates a potentially hazardous situation which, if not avoided, could result in death or serious injury.
CAUTION
CAUTION indicates a potentially hazardous situation which, if not avoided, may result in minor or moderate injury.
CAUTION
CAUTION used without the safety alert symbol indicates a potentially hazardous situation which, if not avoided, may result in property damage.
NOTE
If you have questions regarding your generator, we can help. Please call our help line at 1-877-338-0999
SAFETY RULES
WARNING
Read this manual thoroughly before operating your generator. Failure to follow instructions could result in serious injury or death.
WARNING
Cancer and Reproductive Harm www.P65Warnings.ca.gov
DANGER
Generator exhaust contains carbon monoxide, a colorless, odorless, poison gas. Breathing carbon monoxide will cause nausea, dizziness, fainting or death. If you start to feel dizzy or weak, get to fresh air immediately.
Operate generator outdoors only in a well ventilated area. DO NOT operate the generator inside any building, including garages, basements, crawlspaces and sheds, enclosure or compartment, including the generator compartment of a recreational vehicle. DO NOT allow exhaust fumes to enter a confined area through windows, doors, vents or other openings.
DANGER CARBON MONOXIDE: using a generator indoors CAN KILL YOU IN MINUTES.
DANGER
Rotating parts can entangle hands, feet, hair, clothing and/or accessories. Traumatic amputation or severe laceration can result.
Keep hands and feet away from rotating parts. Tie up long hair and remove jewelry. Operate equipment with guards in place. DO NOT wear loose-fitting clothing, dangling drawstrings or items that could become caught.
WARNING
This product contains a button battery. If swallowed, it could cause severe injury or death in just 2 hours. Seek medical attention immediately.
DANGER
Generator produces powerful voltage.
DO NOT touch bare wires or receptacles.
DO NOT use electrical cords that are worn, damaged or frayed.
DO NOT operate generator in wet weather.
DO NOT allow children or unqualified persons to operate or service the generator Use a ground fault circuit interrupter (GFCI) in damp areas and areas containing conductive material such as metal decking. Use approved transfer equipment to isolate generator from your electric utility and Notify your utility company before connecting your generator to your power system.
WARNING
Sparks can result in fire or electrical shock.
When servicing the generator:
Disconnect the spark plug wire and place it where it cannot contact the plug. DO NOT check for spark with the plug removed. Use only approved spark plug testers.
WARNING
Running engines produce heat. Severe burns can occur on contact. Combustible material can catch fire on contact.
DO NOT touch hot surfaces. Avoid contact with hot exhaust gases. Allow equipment to cool before touching. Maintain at least 3 ft. (91.4 cm) of clearance on all sides to ensure adequate cooling. Maintain at least 5 ft. (1.5 m) of clearance from combustible materials.
WARNING
Medical and Life Support Uses.
In case of emergency, call 911 immediately. NEVER use this product to power life support devices or life support appliances. NEVER use this product to power medical devices or medical appliances. Inform your electricity provider immediately if you or anyone in your household depends on electrical equipment to live. Inform your electrical provider immediately if a loss of power would cause you or anyone in your household to experience a medical emergency.
DANGER
Fuel and fuel vapors are highly flammable and extremely explosive. Fire or explosion can cause severe burns or death. Unintentional startup can result in entanglement, traumatic amputation or laceration.
When adding or removing fuel:
Turn the generator off and let it cool for at least two minutes before removing the fuel cap. Loosen the cap slowly to relieve pressure in the tank. Only fill or drain fuel outdoors in a well-ventilated area.
DO NOT pump gas directly into the generator at the gas station. Use an approved container to transfer the fuel to the generator.
DO NOT overfill the fuel tank. Always keep fuel away from sparks, open flames, pilot lights, heat and other sources of ignition.
DO NOT light or smoke cigarettes.
When starting the generator:
DO NOT attempt to start a damaged generator. Make certain that the gas cap, air filter, spark plug, fuel lines and exhaust system are properly in place. Allow spilled fuel to evaporate fully before attempting to start the engine. Make certain that the generator is resting firmly on level ground.
When operating the generator:
DO NOT move or tip the generator during operation.
DO NOT tip the generator or allow fuel or oil to spill.
When transporting or servicing the generator:
Make certain that the fuel shutoff valve is in the off position and the fuel tank is empty. Disconnect the spark plug wire.
When storing the generator:
Store away from sparks, open flames, pilot lights, heat and other sources of ignition.
WARNING
Operation of this equipment may create sparks that can start fires around dry vegetation. A spark arrestor may be required. The operator should contact local fire agencies for laws or regulations relating to fire prevention requirements.
WARNING
Rapid retraction of the starter cord will pull hand and arm towards the engine faster than you can let go. Unintentional startup can result in entanglement, traumatic amputation or laceration. Broken bones, fractures, bruises or sprains could result.
When starting engine, pull the starter cord slowly until resistance is felt and then pull rapidly to avoid kickback.
DO NOT start or stop the engine with electrical devices plugged in.
CAUTION
Exceeding the generator’s running capacity can damage the generator and/or electrical devices connected to it.
DO NOT overload the generator. Start the generator and allow the engine to stabilize before connecting electrical loads. Connect electrical equipment in the off position, and then turn them on for operation. Turn electrical equipment off before stopping the generator.
DO NOT tamper with the governed speed.
DO NOT modify the generator in any way.
CAUTION
Improper treatment or use of the generator can damage it, shorten its life and void your warranty.
Use the generator only for intended uses. Operate only on level surfaces.
DO NOT expose generator to excessive moisture, dust, or dirt.
DO NOT allow any material to block the cooling slots. If connected devices overheat, turn them off and disconnect them from the generator.
DO NOT use the generator if:
— Electrical output is lost
— Equipment sparks, smokes or emits flames
— Equipment vibrates excessively
CONTROLS AND FEATURES
Read this owner’s manual before operating your generator. Familiarize yourself with the location and function of the controls and features. Save this manual for future reference.
Generator

- (1) Fuel Tank — 5.8 gal. (22 L) capacity fuel tank.
- (2) Auto-Choke — Automatically chokes the engine in wireless or electric start modes. No manual adjustment required.
- (3) Fuel Valve — Used to turn fuel supply on and off to engine.
- (4) Air Cleaner — Protects the engine by filtering dust and debris from the intake air.
- (5) Recoil Starter — Used to manually start the engine.
- (6) Quick Drain Tube — Used to easily and quickly drain oil from the engine.
- (7) Oil Filler Cap — Check and fill engine oil level.
- (8) Battery — Used to start the engine. Provides 12V DC to the electric starter and receiver control module.
- (9) Power Panel — See “Power Panel” section.
- (10) Key Fob Hook
Power Panel

- (1) Ignition Switch — Used to start or stop the generator.
- (2) Battery Switch — Enables/disables starting electrically via remotely or by ignition switch.
- (3) Circuit Breakers — Protects the generator against electrical overloads.
- (4) Intelligauge — Three mode digital meter for displaying running hours, voltage and hertz.
- (5) 120/240 Volt AC, 50 Amp Receptacle (NEMA 14-50R) — May be used to supply electrical power for the operation of 120 and/or 240 Volt AC, 50 Amp, single phase 60 Hz electrical loads.
- (6) 120 Volt AC, 30 Amp Receptacle— (NEMA TT-30R) May be used to supply electrical power for the operation of 120 Volt AC, 30 Amp, single phase 60 Hz electrical loads.
- (7) 120/240 Volt AC, 30 Amp Twist-Lock Receptacle— (NEMA L14-30R) May be used to supply electrical power for the operation of 120 and/or 240 Volt AC, 30 Amp, single phase 60 Hz electrical loads.
- (8) 120 Volt AC, 20 Amp Duplex—
- (GFCI 5-20R) May be used to supply electrical power for the operation of 120 Volt AC, 20 Amp, single phase 60 Hz electrical loads.
- (9) Ground Terminal — Consult an electrician for local grounding regulations.
Wireless Remote Control
This generator is equipped with a wireless remote control system for starting and stopping. The system consists of (4) main components:
- Receiver Control Module (RCM)
- Wireless Remote
- Battery Switch
- Ignition Switch
The Remote Control functions are enabled when:
1. The Ignition Switch is in the “ON” position, AND
2. The Battery Switch is in the “ON” position. The Remote Control functions are disabled if either of the above conditions is not met. To start the generator by Remote Control, press the “START” button on the Remote one time. The engine will attempt to start (6) times. The RCM controls the Auto Choke during each attempt to start. If the generator does not start, call Champion Customer Care team for assistance at 1-877-338-0999. To stop the generator by Remote Control, press the “STOP” button on the Remote one time.
Remote Control Power Consumption
While the Ignition Switch is in the “ON: position, the RCM is active and waiting for a remote signal. This function requires electrical current from the battery. If the Ignition Switch is left in the “ON” position for extended periods (several weeks), the battery can be completely drained. Moving the Ignition Switch to the “OFF” position disables the Remote functions, but the RCM still consumes approximately 2 mA from the battery. To prevent battery drain, press the Battery Switch to the “OFF” position. This disconnects power to the RCM so there is no current draw on the battery.
Power Panel Load Management
When the generator initially starts by the Remote, no voltage is supplied to the Power Panel for approximately 15 seconds. This allows the engine to reach full speed before electrical loads are applied to the generator.
The voltage delay at startup only happens when the Remote Control is used. There is no voltage delay when the pushbutton electric start or recoil start method is used.
When the pushbutton electric start or recoil start method is used, the operator must be sure all electrical loads (appliances) are turned OFF during startup and shutdown. Damage to the generator or the attached appliances can be caused by starting or stopping the generator while appliances are plugged in and turned ON.
Parts Included
Your 100163 gasoline powered generator ships with the following parts:
Wheel Kit
10 in. Wheel . . . . . . . . . . . . . . . . . . . . . . . . . . 2
Bushing . . . . . . . . . . . . . . . . . . . . . . . . . . . . . . 2
Flange Bolt (M10x120 for Wheel) . . . . . . . . . . . . 2
Lock Nut (M10) . . . . . . . . . . . . . . . . . . . . . . . . 2
Flat Washer Ø10 . . . . . . . . . . . . . . . . . . . . . . . . 2
Support Leg (w/vibration mounts) . . . . . . . . . . . . 1
Flange Bolt (M8x16 for Support Leg) . . . . . . . . . . 2
Flange Lock Nut (M8) . . . . . . . . . . . . . . . . . . . . 2
Other
Oil Funnel . . . . . . . . . . . . . . . . . . . . . . . . . . . . 1
Oil . . . . . . . . . . . . . . . . . . . . . . . . . . . . . 1.2 qt.
Wireless Remote . . . . . . . . . . . . . . . . . . . . . . . . 1
Flange Bolt (M5x10 for Battery) . . . . . . . . . . . . . 2
Flange Nut (M5) . . . . . . . . . . . . . . . . . . . . . . . . 2

ASSEMBLY
Your generator requires some assembly. This unit ships from our factory without oil. It must be properly serviced with fuel and oil before operation. If you have any questions regarding the assembly of your generator, call our help line at 1-877-338-0999. Please have your serial number and model number available.
Remove the Generator from the Shipping Carton
- Set the shipping carton on a solid, flat surface.
- Remove everything from the carton except the generator.
- Carefully cut each corner of the box from top to bottom. Fold each side flat on the ground to provide a surface area to install the wheel kit and support leg.
Install the Wheel Kit
CAUTION
The wheel kit is not intended for over-the-road use.
You will need the following tools to install the wheels:
- 17 mm wrench OR adjustable wrench (not included)
- Socket wrench with a 16 mm socket (not included)
- Pliers (not included)
- Before adding fuel and oil, tip the generator on it’s side.
- Slide the M10x120 wheel bolt through the washer, sleeve and wheel.
- Slide the bolt through the mount point on the frame.
- Fasten securely with the M10 lock nut.
- Repeat steps 2-4 to attach the second wheel.

Install the Support Leg
- Attach the support leg to the generator frame with flange bolt (M8x16) and flange lock nuts (M8).
- Tip the generator slowly so that it rests on the wheels and support leg.

Connect the Battery
- Remove the protective cover from the red (+) lead on the battery.
- Attach the red (+) lead to the red (+) terminal on the battery with the cap screw (M5x10) and secure with the nut (M5).
- Repeat steps 1-2 for the black () battery lead.
Add Engine Oil
CAUTION
DO NOT attempt to crank or start the engine before it has been properly filled with the recommended type and amount of oil. Damage to the generator as a result of failure to follow these instructions will void your warranty.
NOTE
The generator rotor has a sealed, pre-lubricated ball bearing that requires no additional lubrication for the life of the bearing.
NOTE
The recommended oil type is 10W-30 automotive oil.
- Place the generator on a flat, level surface.

- Remove oil fill cap/dipstick to add oil.
- Add up to 1.2 qt. (1.1 L) of oil (included) and replace oil fill cap/dipstick. DO NOT OVERFILL.
- Check engine oil level daily and add as needed.
NOTE
Once oil has been added, a visual check should show oil about 1-2 threads from running out of the fill hole. If using the dipstick to check oil level, DO NOT screw in the dipstick while checking.

NOTE
Check oil often during the break-in period. Refer to the Maintenance section for recommended service intervals.
CAUTION
The engine is equipped with a low oil shut-off and will stop when the oil level in the crankcase falls below the threshold level.
NOTE
We consider the first 5 hours of run time to be the break-in period for the unit. During the break in period stay at or below 50% of the running watt rating and vary the load occasionally to allow stator windings to heat and cool. Adjusting the load will also cause engine speed to vary and help seat piston rings. After the 5 hour break-in period, change the oil.

NOTE
Weather will affect engine oil and engine performance. Change the type of engine oil used based on weather conditions to suit the engine needs.
NOTE
Synthetic oil may be used after the 5 hour initial break-in period. Using synthetic oil does not increase the recommended oil change interval.
Add Fuel
- Use clean, fresh, regular unleaded fuel with a minimum octane rating of 87 and an ethanol content of less than 10% by volume.
- DO NOT mix oil with fuel.
- Clean the area around the fuel cap.
- Remove the fuel cap.
- Slowly add fuel to the tank. DO NOT OVERFILL. Fuel
can expand after filling. A minimum of ¼ in. (6.4 mm) of space left in the tank is required for fuel expansion, more than ¼ in. (6.4 mm) is recommended. Fuel can be forced out of the tank as a result of expansion if it is overfilled, and can affect the stable running condition of the product. When filling the tank, it is recommended to leave enough space for the fuel to expand.
- Screw on the fuel cap and wipe away any spilled fuel.
CAUTION
Use regular unleaded gasoline with a minimum octane rating of 87.
Do not mix oil and gasoline. Fill tank to approximately ¼ in. (6.4 mm) below the top of the tank to allow for fuel expansion.
DO NOT pump gas directly into the generator at the gas station. Use an approved container to transfer the fuel to the generator.
DO NOT fill fuel tank indoors.
DO NOT fill fuel tank when the engine is running or hot.
DO NOT overfill the fuel tank.
DO NOT light cigarettes or smoke when filling the fuel tank.
WARNING
Pouring fuel too fast through the fuel screen may result in blow back of fuel at the operator while filling.
NOTE
Our engines work well with 10% or less ethanol blend fuels. When using blended fuels there are some issues worth noting:
— Ethanol-gasoline blends can absorb more water than gasoline alone.
— These blends can eventually separate, leaving water or a watery goo in the tank, fuel valve and carburetor.
— With gravity-fed fuel supplies, this compromised fuel can be drawn into the carburetor and cause damage to the engine and/or potential hazards.
— There are only a few suppliers of fuel stabilizer that are formulated to work with ethanol blend fuels.
— Any damages or hazards caused by using improper fuel, improperly stored fuel, and/ or improperly formulated stabilizers, are not covered by manufacture’s warranty. It is advisable to always shut off the fuel supply, run the engine to fuel starvation and drain the tank when the equipment is not in use for more than 30 days.
Grounding
Your generator must be properly connected to an appropriate ground to help prevent electric shock.
WARNING
Failure to properly ground the generator can result in electric shock.
A ground terminal connected to the frame of the generator has been provided on the power panel. For remote grounding, connect of a length of heavy gauge (12 AWG minimum) copper wire between the generator ground terminal and a copper rod driven into the ground. We strongly recommend that you consult with a qualified electrician to ensure compliance with local electrical codes.
OPERATION
Generator Location
NEVER operate the generator inside any building, including garages, basements, crawlspaces and sheds, enclosure or compartment, including the generator compartment of a recreational vehicle. Please consult your local authority. In some areas, generators must be registered with the local utility. Generators used at construction sites may be subject to additional rules and regulations. Generators should be on a flat, level surface at all times. (Even while not in operation) Generators must have at least 5 ft. (1.5 m) of clearance from all combustible material. In addition to clearance from all combustible material, generators must also have at least 3 ft. (91.4 cm) of clearance on all sides to allow for adequate cooling, maintenance and servicing. Generators should never be started or operated in the back of a SUV, camper, trailer, in the bed of a truck (regular, flat or otherwise), under staircases/stairwells, next to walls or buildings, or in any other location that will not allow for adequate cooling of the generator and/or the muffler. DO NOT contain generators during operation. Allow generators to properly cool before transport or storage. Place the generator in a well-ventilated area. DO NOT place the generator near vents or intakes where exhaust fumes could be drawn into occupied or confined spaces. Carefully consider wind and air currents when positioning generator. Failure to follow proper safety precautions may void manufacturer’s warranty.
WARNING
Do not operate or store the generator in rain, snow, or wet weather.
Using a generator or electrical appliance in wet conditions, such as rain or snow, or near a pool or sprinkler system, or when your hands are wet, could result in electrocution.
WARNING
During operation the muffler and exhaust fumes produced will become hot. If adequate cooling and breathing space are not supplied, or if the generator is blocked or contained, temperatures can become extremely heated and may lead to fire.
Grounding
The generator system ground connects the frame to the ground terminals on the power panel. The system ground is connected to the AC neutral wire.
Surge Protection
CAUTION
Voltage fluctuation may impair the proper functioning of sensitive electronic equipment.
Electronic devices, including computers and many programmable appliances use components that are designed to operate within a narrow voltage range and may be affected by momentary voltage fluctuations. While there is no way to prevent voltage fluctuations, you can take steps to protect sensitive electronic equipment.
1. Install UL1449, CSA-listed, plug-in surge suppressors on the outlets feeding your sensitive equipment. Surge suppressors come in single- or multi-outlet styles. They’re designed to protect against virtually all short-duration voltage fluctuations.
Wireless Remote and Electric Start
Wireless remote starting is only possible within 80 feet of the generator. Do not attempt to adjust the carburetor choke. The wireless remote and electric starting systems will automatically close and open the choke.
- Make certain the generator is on a flat, level surface.
- Turn off all electrical loads connected to the generator. Never start or stop the generator with electrical devices plugged in and turned on.
- Turn the fuel valve to the “ON” position.
- Press the battery switch to “ON”.
- Press the ignition switch to “ON”.
- WIRELESS REMOTE START: press and release the “START” button on the handheld Remote Control device. DO NOT hold the button down, only press the button once. The engine will attempt to start six times.
- A safety feature is provided which delays the electrical power availability during starting mode. The delay lasts for approximately 15 seconds. The delay is provided to prevent damage to the generator if electrical loads are inadvertently turned on during engine startup.
- ELECTRIC START: Press and hold the ignition switch to the “START” position. Release as the engine begins to roll over. If the engine fails to start within five seconds, release the switch and wait at least ten seconds before attempting to start the engine again.
- If the generator fails to start, check the battery condition and cable connections.
NOTE
When the battery switch is in the “ON” position, the switch will light up if the battery is sending out a charge. If the switch does not light up while in the “ON” position, check that the battery connection is still good.
NOTE
The supplied 12V 15AH battery does re-charge while the engine is running, but it is also recommended that the battery be fully charged at least once per month.
Recoil Start
- Make certain the generator is on a flat, level surface.
- Turn off all electrical loads connected to the generator. Never start or stop the generator with electrical devices plugged in and turned on.
- Turn the fuel valve to the “ON” position.
- Press the ignition switch to “ON”.
- Move the choke lever to the “CHOKE” position.
- Pull the starter cord slowly until resistance is felt and then pull rapidly.
- Do not over-choke. As soon as engine starts, move the choke lever to the “RUN” position.
NOTE
Keep choke lever in “Choke” position for only 1 pull of the recoil starter. After first pull, move choke lever to the “Run” position for up to the next 3 pulls of the recoil starter. Too much choke leads to spark plug fouling/engine flooding due to the lack of incoming air. This will cause the engine not to start.
NOTE
If the engine starts but does not continue to run make certain that the generator is on a flat, level surface. The engine is equipped with a low oil sensor that will prevent the engine from running when the oil level falls below a critical threshold.
Connecting Electrical Loads
- Let the engine stabilize and warm up for a few minutes after starting
- Plug in and turn on the desired 120/240 Volt AC single phase, 60 Hz electrical loads.
—DO NOT connect 3-phase loads to the generator.
—DO NOT connect 50 Hz loads to the generator.
—DO NOT overload the generator.
NOTE
Connecting a generator to your electric utility company’s power lines or to another power source may be against the law. In addition this action, if done incorrectly, could damage your generator and appliances and could cause serious injury or even death to you or a utility worker who may be working on nearby power lines. If you plan to run a portable electric generator during an outage, please notify your electric utility company immediately and remember to plug your appliances directly into the generator. Do not plug the generator into any electric outlet in your home. Doing so could create a connection to the utility company power lines. You are responsible for ensuring that your generator’s electricity does not feed back into the electric utility power lines. If the generator will be connected to a building electrical system, consult your local utility company or a qualified electrician. Connections must isolate generator power from utility power and must comply with all applicable laws and codes.
Stopping the Engine
Electric or Recoil
- Turn off and unplug all electrical loads. Never start or stop the generator with electrical devices plugged in or turned on.
- Let the generator run at no-load for several minutes to stabilize internal temperatures of the engine and generator.
- Turn the fuel valve to the “OFF” position.
- Let the engine run until fuel starvation has stopped the engine. This usually takes a few minutes.
- Press the ignition switch to the “OFF” position.
- Press the battery switch to the “OFF” position. (if in the on position)
Important: Always ensure that the fuel valve and the ignition switch are in the “OFF” position when the engine is not in use.
WARNING
When the pushbutton electric start or recoil start methods are used, the operator must be sure all electrical loads (appliances) are turned OFF during startup and shutdown. Damage to the generator or the attached appliances can be caused by starting or stopping the generator while appliances are plugged in and turned ON.
Wireless Remote
- Press and release the STOP button on the wireless remote control. (Do not hold it down)
- The voltage to the power panel is immediately turned off when the STOP button is pressed and released.
- The engine stops approximately 5 seconds after the STOP button on the remote is pressed and released.
- If the generator will not be used, via remotely, for a period longer than 24 hours please follow these steps:
a. Turn the fuel valve to the “OFF” position.
b. Press the ignition switch to the “OFF” position.
c. Press the battery switch to the “OFF” position.
NOTE
The on/off voltage delay at startup and shut down only happens when the wireless remote control is used. There is no voltage delay when the pushbutton electric or recoil startup or shut down methods are used.
NOTE
If the engine will not be used for a period of two (2) weeks or longer, please see the Storage section for proper engine and fuel storage.
GFCI
Your generator is equipped with one (1) Ground Fault Circuit Interrupter (GFCI) duplex. In the event of a ground fault, a GFCI trips automatically to stop the flow of electricity and prevent serious injury. The green indicating light on the receptacle will also turn off. Press the reset button located on the front of the receptacle to restore flow of electricity. (A) The green indicating light will also turn back on. GFCI does not protect against circuit overloads.

To ensure proper operation of the GFCI duplex, perform this test monthly:
- With the generator running, plug a lamp into the GFCI receptacle. Turn the lamp on.
- Press the “Test” button located on the front of the receptacle to trip the device. (A) This should immediately stop the flow of electricity and shut off the lamp. If the electricity is not stopped, do not use this receptacle until is has been serviced or replaced.
- Press the “Reset” button located on the front of the receptacle to restore the flow of electricity. If the indicator light does not go out and come back on or if the GFCI cannot be reset then it must be replaced.
WARNING
For the GFCI receptacles to work properly the neutral wire must be bonded to ground or to the generator frame. Your Champion generator comes with the neutral wire already bonded to the frame. If the bonding wire is removed then the GFCI receptacles will no longer function as designed. If the neutral bonding wire is removed to accommodate a transfer switch installation for connection to a house or building, then the transfer switch must not switch off the neutral connection to ground within the building. Champion Power Equipment recommends that you consult with a licensed, local electrician. Due to the variety of local codes, we cannot specifically advise you regarding modifications to the wiring of your portable generator.
Do Not Overload Generator
Capacity
Follow these simple steps to calculate the running and starting watts necessary for your purposes.
- Select the electrical devices you plan on running at the same time.
- Total the running watts of these items. This is
the amount of power you need to keep your items running. - Identify the highest starting wattage of all devices identified in step 1. Add this number to the number calculated in step 2. Surge wattage is the extra burst of power needed to start some electric driven equipment. Following the steps listed under “Power Management” will guarantee that only one device will be starting at a time.
Power Management
Use the following formula to convert voltage and amperage to watts:
Volts x Amps = Watts
To prolong the life of your generator and attached devices, follow these steps to add electrical load:
- Start the generator with no electrical load attached
- Allow the engine to run for several minutes to stabilize.
- Plug in and turn on the first item. It is best to attach the item with the largest load first.
- Allow the engine to stabilize.
- Plug in and turn on the next item.
- Allow the engine to stabilize.
- Repeat steps 5-6 for each additional item.
NOTE
Never exceed the specified capacity when adding loads to the generator.
Operation at High Altitude
The density of air at high altitude is lower than at sea level. Engine power is reduced as the air mass and airfoil ratio decrease. Engine power and generator output will be reduced approximately 3½% for every 1000 feet of elevation above sea level. This is a natural trend and cannot be changed by adjusting the engine. At high altitudes increased exhaust emissions can also result due to the increased enrichment of the air fuel ratio. Other high altitude issues can include hard starting, increased fuel consumption and spark plug fouling. To alleviate high altitude issues other than the natural power loss, Champion Power Equipment can provide a high altitude carburetor main jet. The alternative main jet and installation instructions can be obtained by contacting Customer Support. Installation instructions are also available in the Technical Bulletin area of the Champion Power Equipment internet site. The part number and recommended minimum altitude for the application of the high altitude carburetor main jet is listed in the table below. In order to select the correct high altitude main jet it is necessary to identify the carburetor model. For this purpose, a code is stamped on the side of the carburetor. Select the correct main jet part number corresponding to the carburetor code found on your particular carburetor.

WARNING
Operation using the alternative main jet at elevations lower than the recommended minimum altitude can damage the engine. For operation at lower elevations, the standard main jet must be used. Operating the engine with the wrong engine configuration at a given altitude may increase its emissions and decrease fuel efficiency and performance.
MAINTENANCE AND STORAGE
The owner/operator is responsible for all periodic maintenance.
WARNING
Never operate a damaged or defective generator.
WARNING
Tampering with the factory set governor will void your warranty.
WARNING
Improper maintenance will void your warranty.
NOTE
Maintenance, replacement, or repair of emission control devices and systems may be performed by any non-road engine repair establishment or individual.
Complete all scheduled maintenance in a timely manner. Correct any issue before operating the generator.
NOTE
For service or parts assistance, contact our help line at 1-877-338-0999
Engine Maintenance
To prevent accidental starting, remove and ground spark plug wire before performing any service.
Oil
Change oil when the engine is warm. Refer to the oil specification to select the proper grade of oil for your operating environment.
- Remove oil fill cap/dipstick.
- Use pliers to slide the spring clamp down the oil drain hose and pull the hose off the plug bracket.
- Point the hose into a drain pan and allow the oil to drain completely.
Note: The hose end must be lower than the engine base to allow the oil to drain. - Replace oil drain hose onto plug bracket and slide spring clamp back into position.
- Add up to 1.2 qt. (1.1 L) of oil and replace oil fill cap/dipstick. DO NOT OVERFILL.
- Dispose of used oil at an approved waste management facility.
NOTE
Once oil has been added, a visual check should show oil about 1-2 threads from running out of the fill hole. If using the dipstick to check oil level, DO NOT screw in the dipstick while checking.

Spark Plugs
- Remove the spark plug cable from the spark plug.
- Use a 13/16 in. or 21 mm socket (not included) to remove the plug.
- Inspect the electrode on the plug. It must be clean and not worn to produce the spark required for ignition.
- Make certain the spark plug gap is 0.7 – 0.8 mm or (0.028 – 0.031 in.).

- Refer to the spark plug recommendation in the specifications section, of this manual, when replacing the plug.
- Carefully thread the plug into the engine.
- Use a 13/16 in. or 21 mm socket (not included) to firmly install the plug.
- Attach the spark plug wire to the plug.
Air Filter
- Remove the Snap-On cover holding the air filter to the assembly.
- Remove the foam element.
- Wash in liquid detergent and water. Squeeze thoroughly dry in a clean cloth.
- Saturate in clean engine oil.
- Squeeze in a clean, absorbent cloth to remove all excess oil.
- Place the filter in the assembly.
- Reattach the air filter cover and snap in place.
Spark Arrester
- Allow the engine to cool completely before servicing the spark arrester.
- Remove the three screws holding the cover plate which retains the end of the spark arrester to the muffler.
- Remove the spark arrester screen.
- Carefully remove the carbon deposits from the spark arrester screen with a wire brush.
- Replace the spark arrester if it is damaged.
- Position the spark arrester in the muffler and attach with the three screws.

CAUTION
Failure to clean the spark arrester will result in degraded engine performance.
NOTE
Federal and local laws and administrative requirements indicate when and where spark arresters are required. When ordered, spark arresters are required for operation of this generator in National Forest lands. In California, this generator must not be used on any forest- covered land, brush-covered land, or grass- covered land unless the engine is equipped with a spark arrester.
Cleaning
CAUTION
DO NOT spray engine with water.
Water can contaminate the fuel system.
Use a damp cloth to clean exterior surfaces of the engine. Use a soft bristle brush to remove dirt and oil. Use an air compressor (25 PSI) to clear dirt and debris from the engine.
Adjustments
The air-fuel mixture is not adjustable. Tampering with the governor can damage your generator and your electrical devices and will void your warranty. CPE recommends that you contact our service line at 1-877-338-0999 for all other service and/or adjustment needs.
Maintenance Schedule
Follow the service intervals indicated in the following maintenance schedule. Service your generator more frequently when operating in adverse conditions. Contact our helpline at 1-877-338-0999 to locate the nearest Champion Power Equipment certified service dealer for your generator or engine maintenance needs.

*To be performed by knowledgeable, experienced owners or Champion Power Equipment certified dealers.
Generator Maintenance
Make certain that the generator is kept clean and stored properly. Only operate the unit on a flat, level surface in a clean, dry operating environment. DO NOT expose the unit to extreme conditions, excessive dust, dirt, moisture or corrosive vapors.
CAUTION
DO NOT use a garden hose to clean the generator. Water can enter the generator through the cooling slots and damage the generator windings. Use a damp cloth to clean exterior surfaces of the generator. Use a soft bristle brush to remove dirt and oil. Use an air compressor (25 PSI) to clear dirt and debris from the generator. Inspect all air vents and cooling slots to ensure that they are clean and unobstructed.
Storage
The generator should be started at least once every 14 days and allowed to run for at least 20 minutes. For longer term storage, please follow these guidelines.
Generator Storage
- Add a properly formulated fuel stabilizer to the tank.
- Be sure all appliances are disconnected from the generator.
- Run the generator for a few minutes so the treated fuel cycles through the fuel system and carburetor.
- Turn the fuel valve to the “Off” position.
- Let the generator run until fuel starvation has stopped the engine. This usually takes a few minutes.
- The generator needs to cool completely before cleaning and storage.
- Clean the generator according to the maintenance section.
- Change the oil.
- Remove the spark plug and pour about 1/2 ounce (14.8 mL) of oil into the cylinder. Using the recoil rope, crank the engine slowly to distribute the oil and lubricate the cylinder.
- Reattach the spark plug.
- Store the unit in a clean, dry place out of direct sunlight and the elements.
DANGER
Generator exhaust contains odorless and colorless carbon monoxide gas.
To avoid accidental or unintended ignition of your remote start generator during periods of storage, the following precautions should be followed:
— When storing the generator for short periods of time make sure that the Ignition Switch, the Fuel Valve and the Battery Switch are set in the OFF position.
— When storing the generator for extended periods of time make sure that the Ignition Switch, the Fuel Valve and the Battery Switch are set in the the the OFF position and the battery leads have been disconnected from the battery.
Remote Control Battery
—Always purchase the correct size and grade of battery most suitable for the intended use.
— Clean the battery contacts and also those of the device prior to battery installation.
—Remove batteries from equipment which is not to be used for an extended period of time.
— Remove batteries if consumed.
Generator Battery
This product is equipped with an automatic battery charging circuit. The battery will receive charging voltage when the engine is running. The battery will maintain a proper charge if the unit is used on a regular basis (about once every two weeks). If it is used less frequently, the battery should be connected to a trickle charger (not included) or battery maintainer (not included) to keep the battery properly charged. If the battery is not able to start the engine, the engine can be started by manually pulling the recoil cord. If the battery voltage is extremely low, the charging circuit may not be able to re-charge the battery. In this case, the battery must be connected to a standard automotive style battery charger (not included) for re-charging before it can be used.
Charge the Battery
For a generator equipped with batteries for electric starting, proper battery maintenance and storage should be followed. An automatic battery charger (not included) with automatic trickle charging capability should be used to charge the battery. Maximum charging rate should not exceed 1.5 amps. Follow the instructions included with the battery charger. The battery should be fully charged at least once per month.
NOTE
A Float Charger (not included) will maintain the battery condition over long storage periods.
Disconnect the Battery
- Remove the protective cover from the black/negative battery lead.
- Disconnect the black/negative lead from the black/ negative terminal on the battery and store the cap screw and nut in the battery terminal.
- Repeat steps 1-2 for the red/positive battery lead.
- Store the battery in a cool, dry place.
SPECIFICATIONS
Engine Specifications
Model . . . . . . . . . . . . . . . . . . . . . . YF192FD-211
Displacement . . . . . . . . . . . . . . . . . . . . . . .459cc
Type . . . . . . . . . . . . . . . . . . . . . . . .4-Stroke OHV
Start Type . . . . . . . . . . . . . . Wireless Remote Start
Generator Specifications
Model . . . . . . . . . . . . . . . . . . . . . . . . . . .100163
Running Wattage. . . . . . . . . . . . . . . . . 9000 Watts
Starting Wattage . . . . . . . . . . . . . . . . 11250 Watts
AC Load . . . . . . . . . . . . . . . . . . . . . . 120/240 V
Phase . . . . . . . . . . . . . . . . . . . . . . . . . . . . Single
Frequency . . . . . . . . . . . . . . . . . . . . . . . . . 60 Hz
Fuel Capacity . . . . . . . . . . . . . . . . . 5.8 gal. (22 L)
Gross Weight . . . . . . . . . . . . . 228.4 lb. (103.6 kg)
Net Weight. . . . . . . . . . . . . . . . 215.8 lb. (97.9 kg)
Height . . . . . . . . . . . . . . . . . . . 26.0 in. (66.1 cm)
Width . . . . . . . . . . . . . . . . . . . 27.3 in. (69.3 cm)
Length. . . . . . . . . . . . . . . . . . . 27.8 in. (70.5 cm)
Fuel
Fuel capacity is 5.8 gal. (22 L). Use regular unleaded gasoline with a minimum octane rating of 87 and an ethanol content of less than 10% by volume.
Oil
Use 10W-30 automotive oil. Oil capacity is up to 1.2 qt. (1.1 L). DO NOT OVERFILL. Please reference the following chart for recommended oil types for use in the generator.

NOTE
Weather will affect engine oil and engine performance. Change the type of engine oil used based on weather conditions to suit the engine needs.
Spark Plugs
OEM spark plug: NHSP F6RTC
Replacement spark plug: NGK BPR6ES or equivalent Make certain the spark plug gap is 0.7 – 0.8 mm or (0.028 – 0.031 in.).
Maintenance Valve Clearance
— Intake: 0.13 — 0.17 mm (0.005— 0.007 in.)
— Exhaust: 0.18 — 0.22 mm (0.007 — 0.009 in.)
Note: Tech bulletin regarding the valve adjustment procedure is on www.championpowerequipment.com.
FCC Statement for Remote Control Device
- This device complies with Part 15 of the FCC Rules. Operation is subject to the following two conditions:
(1) This device may not cause harmful interference.
(2) This device must accept any interference received, including interference that may cause undesired operation. - Changes or modifications not expressly approved by the party responsible for compliance could void the user’s authority to operate the equipment.
NOTE: This equipment has been tested and found to comply with the limits for a Class B digital device, pursuant to Part 15 of the FCC Rules. These limits are designed to provide reasonable protection against harmful interference in a residential installation. This equipment generates uses and can radiate radio frequency energy and, if not installed and used in accordance with the instructions, may cause harmful interference to radio communications. However, there is no guarantee that interference will not occur in a particular installation. If this equipment does cause harmful interference to radio or television reception, which can be determined by turning the equipment off and on, the user is encouraged to try to correct the interference by one or more of the following measures:
— Reorient or relocate the receiving antenna.
— Increase the separation between the equipment and receiver.
— Connect the equipment into an outlet on a
circuit different from that to which the receiver is connected. Consult the dealer or an experienced radio/TV technician for help.
Wiring Diagram

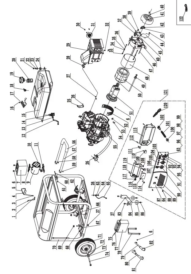
Parts Diagram

Parts List


Engine Parts Diagram

Engine Parts List



TROUBLESHOOTING

For further technical support:
Technical Service
Mon Fri 8:30 AM 5:00 PM (PST/PDT)
Toll Free: 1-877-338-0999
[email protected]
WARRANTY*
CHAMPION POWER EQUIPMENT 3 YEAR LIMITED WARRANTY
Warranty Qualifications
To register your product for warranty and FREE lifetime call center technical support please visit: https://www.championpowerequipment.com/register To complete registration you will need to include a copy of the purchase receipt as proof of original purchase. Proof of purchase is required for warranty service. Please register within ten (10) days from date of purchase.
Repair/Replacement Warranty
CPE warrants to the original purchaser that the mechanical and electrical components will be free of defects in material and workmanship for a period of three years (parts and labor) from the original date of purchase and 270 days (parts and labor) for commercial and industrial use. Transportation charges on product submitted for repair or replacement under this warranty are the sole responsibility of the purchaser. This warranty only applies to the original purchaser and is not transferable.
Do Not Return The Unit To The Place Of Purchase
Contact CPE’s Technical Service and CPE will troubleshoot any issue via phone or e-mail. If the problem is not corrected by this method, CPE will, at its option, authorize evaluation, repair or replacement of the defective part or component at a CPE Service Center. CPE will provide you with a case number for warranty service. Please keep it for future reference. Repairs or replacements without prior authorization, or at an unauthorized repair facility, will not be covered by this warranty.
Warranty Exclusions
This warranty does not cover the following repairs and equipment:
Normal Wear
Products with mechanical and electrical components need periodic parts and service to perform well. This warranty does not cover repair when normal use has exhausted the life of a part or the equipment as a whole.
Installation, Use and Maintenance
This warranty will not apply to parts and/or labor if the product is deemed to have been misused, neglected, involved in an accident, abused, loaded beyond the product’s limits, modified, installed improperly or connected incorrectly to any electrical component. Normal maintenance is not covered by this warranty and is not required to be performed at a facility or by a person authorized by CPE.
Other Exclusions
This warranty excludes:
— Cosmetic defects such as paint, decals, etc.
— Wear items such as filter elements, O-rings, etc.
— Accessory parts such as starting batteries, and storage covers.
— Failures due to acts of God and other force majeure events beyond the manufacturer’s control.
— Problems caused by parts that are not original Champion Power Equipment parts.
When applicable, this warranty does not apply to products used for prime power in place of a utility.
Limits of Implied Warranty and Consequential Damage
Champion Power Equipment disclaims any obligation to cover any loss of time, use of this product, freight, or any incidental or consequential claim by anyone from using this product. THIS WARRANTY AND THE ATTACHED U.S. EPA and/or CARB EMISSION CONTROL SYSTEM WARRANTIES (WHEN APPLICABLE) ARE IN LIEU OF ALL OTHER WARRANTIES, EXPRESS OR IMPLIED, INCLUDING WARRANTIES OF MERCHANTABILITY OR FITNESS FOR A PARTICULAR PURPOSE. A unit provided as an exchange will be subject to the warranty of the original unit. The length of the warranty governing the exchanged unit will remain calculated by reference to the purchase date of the original unit. This warranty gives you certain legal rights which may change from state to state or province to province. Your state or province may also have other rights you may be entitled to that are not listed within this warranty.
Contact Information
Address
Champion Power Equipment, Inc.
12039 Smith Ave.
Santa Fe Springs, CA 90670 USA
www.championpowerequipment.com
Customer Service
Toll Free: 1-877-338-0999
[email protected]
Fax no.: 1-562-236-9429
Technical Service
Toll Free: 1-877-338-0999
[email protected]
EMERGENCY 24 HOUR SUPPORT: 1-562-204-1188
*Except as otherwise stipulated in any of the following enclosed Emission Control System Warranties (when applicable) for the Emission Control System: U.S. Environment Protection Agency (EPA) and/or California Air Resources Board (CARB).
CHAMPION POWER EQUIPMENT, INC. (CPE), THE UNITED STATES ENVIRONMENT PROTECTION AGENCY (U.S. EPA) AND THE CALIFORNIA AIR RESOURCES BOARD (CARB) EMISSION CONTROL SYSTEM WARRANTY
Your Champion Power Equipment (CPE) engine complies with both the U.S. EPA and state of California Air Resources Board (CARB) Exhaust and Evaporative emissions regulations.
YOUR WARRANTY RIGHTS AND OBLIGATIONS:
The US EPA, California Air Resources Board, and CPE are pleased to explain the Federal and California Exhaust and Evaporative Emission Control Systems Warranty on your 2020 small off-road engine (SORE) and engine powered equipment. In California, new equipment that use small off-road engines (SORE) must be designed, built and equipped to meet the State’s stringent anti smog standards. In the other states, new engines and equipment must be designed, built and equipped, at the time of sale, to meet U.S. EPA regulations for small off-road engines (SORE). CPE must warrant the exhaust and evaporative emission control system on your small off-road engine (SORE) for the period listed below, provided there has been no abuse, neglect, unapproved modification, or improper maintenance of your equipment leading to the failure of the exhaust and evaporative emission control systems. Your evaporative emission control system may include parts such as: carburetors, fuel tanks, fuel lines, (for liquid fuel and fuel vapors), fuel caps, valves, canisters, filters, clamps, connectors, and other associated components. Also included for your exhaust emission control system may be fuel-injection system, the ignition system, catalytic converter and other exhaust emission related assemblies. Where a warrantable condition exits, CPE will repair your small off-road engine (SORE) at no cost to you including diagnosis, parts and labor.
MANUFACTURER’S WARRANTY COVERAGE:
This exhaust and evaporative emission control system is warranted for two years. If any exhaust and evaporative, emission related part on your engine or equipment is defective in, the part will be repaired or replaced by CPE.
OWNER WARRANTY RESPONSIBILITIES:
As the small off-road engine (SORE) owner, you are responsible for the performance of the required maintenance listed in your Owner’s Manual. CPE recommends that you retain all your receipts covering maintenance on your small off-road engine (SORE), but CPE cannot deny warranty coverage solely for the lack of receipts. As the small off-road engine (SORE) owner, you should be aware that CPE may deny you warranty coverage if your small, off-road engine (SORE) or a part has failed due to abuse, neglect, improper maintenance or unapproved modifications. You are responsible for presenting your small off-road engine to an Authorized CPE distribution center, service center or alternative service outlet as described in (3)(f.) below or CPE dealer or CPE, Santa Fe Springs, Ca. as soon as the problem exists. The warranty repairs shall be completed in a reasonable amount of time, not to exceed 30 days. If you have any questions regarding your warranty coverage, you should contact:
Champion Power Equipment, Inc.
Customer Service
12039 Smith Ave.
Santa Fe Springs, CA 90670
1-877-338-0999
[email protected]
EXHAUST AND EVAPORATIVE EMISSION CONTROL SYSTEM WARRANTY
The following are specific provisions relative to your Exhaust and Evaporative Emission Control System (ECS) Warranty Coverage.
- APPLICABILITY: This warranty shall apply to 1995 and later model year California small off-road engines (SORE) (for other states, 1997 and later model year engines). The ECS Warranty Period shall begin on the date the new engine or equipment is delivered to its original, end-use purchaser, and shall continue for 24 consecutive months thereafter.
- GENERAL EMISSIONS WARRANTY COVERAGE CPE
warrants to the original, end-use purchaser of the new engine or equipment and to each subsequent purchaser that each of its small off-road engines (SORE) is:
2a. Designed, built and equipped to conform to U.S. EPA emissions standards for spark-ignited engines at or below 19 kilowatts and all applicable regulations adopted by the California Air Resources Board, and
2b. Free from defects in materials and workmanship that cause the failure of a warranted part to be identical in all material respects to the part as described in the engine manufacturer’s application for certification for a period of two years. - THE WARRANTY ON EXHAUST AND EVAPORATIVE EMISSION-RELATED PARTS WILL BE INTERPRETED AS FOLLOWS:
3a. Any warranted part that is not scheduled for replacement as required maintenance in the Owners Manual shall be warranted for the ECS Warranty Period. If any such part fails during the ECS Warranty Period, it shall be repaired or replaced by CPE according to Subsection “d” below. Any such part repaired or replaced under the ECS Warranty shall be warranted for any remainder of the ECS Warranty Period.
3b. Any warranted, exhaust and evaporative emissions-related part which is scheduled only for regular inspection as specified in the Owners Manual shall be warranted for the ECS Warranty Period. A statement in such written instructions to the effect of “repair or replace as necessary”, shall not reduce the ECS Warranty Period. Any such part repaired or replaced under the ECS Warranty shall be warranted for the remainder of the ECS Warranty Period.
3c. Any warranted, exhaust and evaporative emissions-related part which is scheduled for replacement as required maintenance in the Owner’s Manual shall be warranted for the period of time prior to the first scheduled replacement point for that part. If the part fails prior to the first scheduled replacement, the part shall be repaired or replaced by CPE according to Subsection “d” below. Any such exhaust and evaporative emissions-related part repaired or replaced under the ECS Warranty, shall be warranted for the remainder of the ECS Warranty Period prior to the first scheduled replacement point for such emissions-related part.
3d. Repair or replacement of any warranted, exhaust and evaporative emissions-related part under this ECS Warranty shall be performed at no charge to the owner at a CPE Authorized Service Outlet.
3e. The owner shall not be charged for diagnostic labor which leads to the determination that a part covered by the ECS Warranty is in fact defective, provided that such diagnostic work is performed at a CPE Authorized Service Outlet.
3f. CPE shall pay for covered exhaust and evaporative emissions warranty repairs at non-authorized service outlets under the following circumstances:
i. The service is required in a population center with a population over 100,000 according to U.S. Census 2000 without a CPE Authorized Service Outlet AND
ii. The service is required more than 100 miles from a CPE Authorized Service Outlet. The 100 mile limitation does not apply in the following states: Alaska, Arizona, Colorado, Hawaii, Idaho, Montana, Nebraska, Nevada, New Mexico, Oregon, Texas, Utah and Wyoming.
3g. CPE shall be liable for damages to other original engine components or approved modifications proximately caused by a failure under warranty of an emission-related part covered by the ECS Warranty.
3h. Throughout the ECS Warranty Period, CPE shall maintain a supply of warranted exhaust and evaporative emission-related parts sufficient to meet the expected demand for such exhaust and evaporative emission-related parts.
3i. Any CPE Authorized and approved exhaust and evaporative emission-related replacement part may be used in the performance of any ECS Warranty maintenance or repair and will be provided without charge to the owner. Such use shall not reduce CPE’s warranty obligation.
3j. Unapproved add-on or modified parts may not be used to modify or repair a CPE engine. Such use voids this ECS Warranty and shall be sufficient grounds for disallowing an ECS Warranty claim. CPE shall not be liable hereunder for failures of any warranted parts of a CPE engine caused by the use of such an unapproved add-on or modified part.
EMISSION-RELATED PARTS INCLUDE THE FOLLOWING: (using those portions of the list applicable to the engine)

TO OBTAIN WARRANTY SERVICE:
You must take your CPE engine or the product on which it is installed, along with your warranty registration card or other proof of original purchase date, at your expense, to any Champion Power Equipment dealer who is authorized by Champion Power Equipment, Inc. to sell and service that CPE product during his normal business hours. Alternate service locations defined in Section (3)(f.) above must be approved by CPE prior to service. Claims for repair or adjustment found to be caused solely by defects in material or workmanship will not be denied because the engine was not properly maintained and used.
If you have any questions regarding your warranty rights and responsibilities, or to obtain warranty service, please write or call Customer Service at Champion Power Equipment, Inc.
Champion Power Equipment, Inc.
12039 Smith Ave.
Santa Fe Springs, CA 90670
1-877-338-0999
Attn.: Customer Service
[email protected]





















