enbrighten ZWA4013 In Wall Smart Fan Control Instruction Manual
ADDING YOUR DEVICE TO A Z-WAVE NETWORK
- Follow the instructions for your Z-Wave certified controller to add a device to the Z-Wave network.
- Once the controller is ready to add your device, press the top or bottom of the rocker
You have complete control to turn your fixture ON/OFF according to groups, scenes, schedules and interactive automations programmed by your controller.
If your Z-Wave certified controller features remote access, you can control your fixture from your mobile devices.
If prompted by the controller to enter the S2 security code, refer to the QR code/security number on the side of the box or the QR code label on the product (see Figure 1). Enter the 5-digit code.

Figure 1:
TO REMOVE AND RESET THE DEVICE
- Follow the instructions for your Z-Wave certified controller to remove a device from the Z-Wave network.
- Once the controller is ready to remove your device, press the top or bottom of the rocker.
TO RETURN YOUR SWITCH TO FACTORY DEFAULTS
- Pull up the air gap switch.
- While pressing the OFF (bottom) button, push in the air gap and continue pressing the OFF button. The LED flashes through the eight colors once.
NOTE: This should only be used if your network’s primary controller is missing or otherwise inoperable.
NOTE: SmartStart enabled products can be added into a Z-Wave network by scanning the QR code on the product with a controller providing SmartStart inclusion. No further action is required and the SmartStart product will be added automatically within 10 minutes of being switched on in the network vicinity
SPECIFICATIONS — IMPORTANT!
ZWA4013
Voltage: 120Vac, 1/10HP (75W), motor
Construction of control: Independently Mounted for Flush Mounting
Type of Action: Type 1.B Action (for air gap)
Pollution Degree: 2
Rated Impulse Voltage: 2500 V
Signal (frequency): 908.4/916MHz
Maximum loads: 1/10HP (75W), motor no more than two identical fans to the switch. Not to exceed 1/10HP (75W), motor resistive load.
CONTROLS FAN MOTOR ONLY. For use only with split-capacitor or shaded-pole ceiling fan motors.
Operating temperature range: 0-40° C
For indoor use only
Specifications subject to change without notice due to continuing product improvement
FEATURES
IMPORTANT! The fixture controlled by the Z-Wave in-wall smart fan control must not exceed ratings. The fan control is designed only for use with permanently installed fixtures.
Get to you know your Z-Wave smart fan control
- Turn ON/OFF and adjust fan speed levels manually or remotely via the Z-Wave controller • Can be included in multiple groups and scenes
- May be used in single-pole installation or with up to two Enbrighten, UltraPro or JascoPro Series add-on switches in 3-way or 4-way wiring configurations • Interchangeable paddle switch — white & light almond paddle in package
- Uses a standard, rocker-style wallplate for single-gang installations (wallplate not included)
- Blue LED indicates switch location in a dark room
- Screw terminal installation – requires wiring connections for line (hot), load, neutral and ground. Traveler wire required for 3-way installation
- This Z-Wave device has advanced features that allow you to customize your experience. These features can only be adjusted by a Z-Wave enabled controller that supports the Z-Wave configuration command class. For a complete list of adjustable configurations, visit www.ezzwave.com/config
NOTE: This smart device only controls the fan motor and does not control any lighting connected to the fan. If your fan has an integrated light, a second switch must be installed to control the lighting directly. No more than two identical fans should be connected to the fan control. The total load of the fan(s) should not exceed 1/10HP (75W), motor.
A. Ground (Green/bare)
B. Line or load (Black)
C. Line or load (Black)
D. Traveler (Red/other)
E. Neutral (White)
F. Top rocker — press & release to turn fan on, press & hold to increase fan speed
G. Bottom rocker — press & release to turn fan decrease fan speed
H. Menu button
I. Air gap switch — pull the air gap switch out to disconnect the power. Push it all the way back in for normal operation.
WARNING — SHOCK HAZARD
Turn OFF the power to the branch circuit for the device fixture at the service panel. All wiring connections must be made with the power OFF to avoid personal injury and damage to the device. This device is intended for installation in accordance with the National Electric Code and local regulations in the United States or the Canadian Electrical Code and local regulations in Canada. If you are unsure or uncomfortable about performing this installation, consult a qualified electrician.
CHANGE PADDLE
This step is optional. Before installation, you may want to change the paddle to match your wallplate or décor.
- Lift the air gap tab at the base of the paddle.
- Push the side tabs in on one side followed by the other to release paddle and lift it from the device.
- Insert the air gap and side tabs and snap the new paddle into place
REMOVE SINGLE-POLE SWITCH
- Shut off power to the circuit at the circuit breaker or fuse box.
IMPORTANT! Verify power to switch box is OFF before continuing. - Remove wallplate.
- Remove the switch mounting screws.
- Carefully remove the switch from the switch box – DO NOT disconnect the wires.
- Identify the following wires in the switch box:
A. Ground – Green/bare
B. Line (hot) – Black (connected to power)
C. Load – Black (connected to lighting)
D. Neutral – White - Disconnect the wires from the existing switch – label wires according to the previous terminal connections.

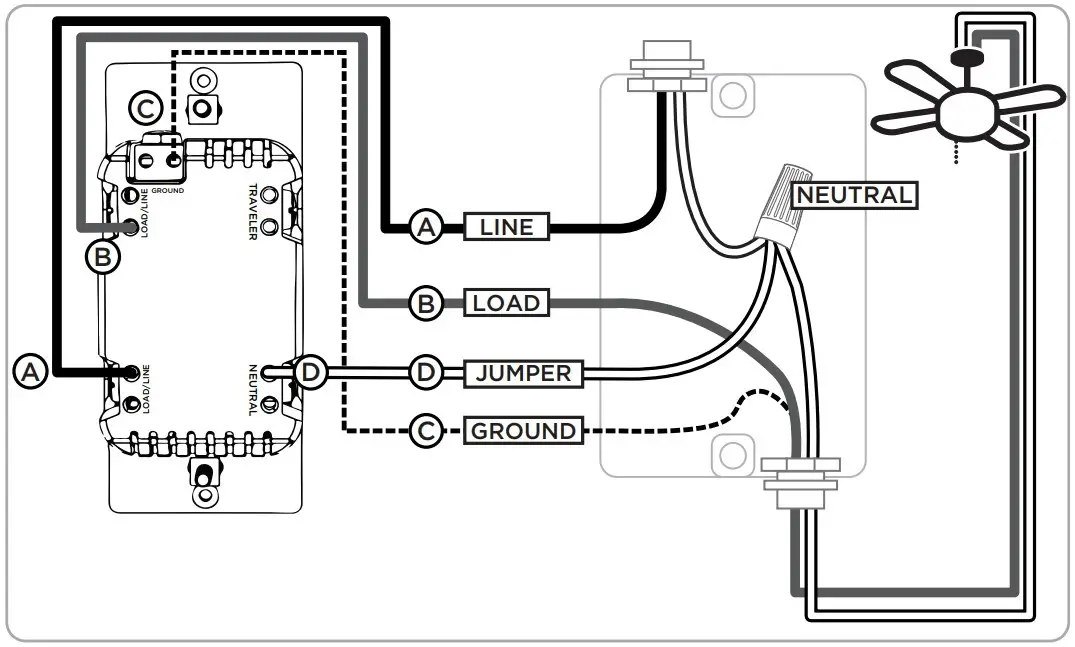
SINGLE-SWITCH WIRING
WIRING REQUIREMENTS
Attach using the enclosure’s holes, strip insulation 5/8in. (16mm). UL specifies the tightening torque for the screws is 12lbf-in (14Kgf-cm)
A. LINE – Black wire/black screw (input)
B. LOAD – Black wire/black screw (output)
C. GROUND – Green or bare wire/green screw
D. JUMPER – White wire/silver screw
- Connect green/bare wire to the GROUND terminal.
- Connect the black wire from the light to either LINE/LOAD terminal.
- Connect the black wire from the power source (hot) to the other LINE/LOAD terminal.
- Connect the white wire to the NEUTRAL terminal – use jumper if necessary.
NOTE: The traveler terminal is only used for multi-switch wiring and is not used in a two-way system (one switch and one load). - Secure the device into the switch box with the provided mounting screws – ensure wires are not pinched or crushed.
- Install the wallplate
CYCLE LED
The LED below the fan control acts as a guide light or status indicator.
How to cycle through options:
- Press menu button for five seconds
- Press up three times and down one time quickly – indicator flashes blue
- Push the top paddle:
A. Once for LED ON when the load is OFF – illuminates orange to confirm
B. Twice for LED ON when the load is ON – illuminates yellow to confirm
C. Three times for always OFF – illuminates pink to confirm
D. Four times for always ON – illuminates purple to confirm - Press menu button once to save – indicator flashes green twice.
CHANGE LED INDICATOR COLOR
The LED indicator color can be changed from the device.
- Press menu button for five seconds
- Press top paddle once and bottom paddle once LED illuminates in selected color
- Press top or bottom paddle to cycle through color options:
- Red
- Orange
- Yellow
- Green
- Blue (default)
- Pink
- Purple
- White
- Press menu button once to save – indicator flashes green twice
Insert wires into holes, DO NOT wrap wires around screws
DO NOT remove screw
STANDARD 3-WAY SWITCH WIRING
IMPORTANT! The Z-Wave device operates with add-on switches by default. To install it with a standard 3-way switch, follow the steps under 3-way configuration. The instructions below are for wiring a standard 3-way switch. See the add-on switch manual to install add-on switche
Typical wiring schematic for 3-way installation
LINE SIDE (Z-WAVE DEVICE)
- Shut off power the Circuit at the Circuit breaker or fuse box
- Remove line side wallplate
- Remove switch from line side switch box – DO NOT disconnect wires
- Label wire from the power source LINE
- Label one remaining wire traveler 1 – note the color of this wire for installation of the 3-way switch
- Label the other remaining wire traveler 2
- Disconnect all wires from the switch
- Connect green/bare wire to the GROUND terminal
- Connect the line wire to either LINE/LOAD terminal
- Connect the traveler 1 wire to the other LINE/LOAD terminal
- Connect the traveler 2 wire to the TRAVELER terminal
- Connect one end of a jumper to the bundle of neutral wires using a wire nut
- Connect the other end of the jumper to the NEUTRAL terminal
- Secure the device into the switch box with the provided mounting screws – ensure wires are not pinched or crushed
- Install the wallplate
Z-Wave device on line side with standard 3-way switch
A. LINE – Black wire/black screw
B. TRAVELER 1 – Black wire/black screw (output)
C. TRAVELER 2 – Red wire/brass screw (traveler)
D. GROUND – Green or bare wire/green screw
E. JUMPER – White wire/silver screw
Scan QR code below if there isn’t a line bundle in the switch box
Scan code for alternate 3-way wiring process
LOAD SIDE (3-WAY SWITCH)
- Remove load side wallplate
- Remove switch from load side switch box – DO NOT disconnect wires
- Label wire from the light LOAD
- Label traveler 1 wire – recall the wire color from the Z-Wave device installation
- Label traveler 2 wire
- Disconnect all wires from the switch
- Connect green/bare wire to the GROUND terminal
- Connect the load wire to the traveler 1 wire using a wire nut
- Connect traveler 2 to the LINE (hot) terminal
- Connect one end of a jumper to the bundle of neutral wires using a wire nut
- Connect the other end of the jumper to the COMMON terminal
- Secure the 3-way switch into the switch box – ensure wires are not pinched or crushed
- Install the wallplate
- Apply power to the fuse box or circuit breaker.
3-WAY CONFIGURATION
The smart device is set to work with add-on switches by default. To use with a standard 3-way switch, follow the steps below.
- Pull out the air gap switch
- While pressing the top paddle, push in the air gap switch
- Continue pressing the top paddle until the LED flashes yellow three times to indicate standard 3-way switch configuration
- Repeat these steps to return to the add-on switch setting – LED flashes blue three times
ADD-ON SWITCH COMPATIBLE
Enbrighten, UltraPro and JascoPro Series add-on switches support the same features as the Z-Wave device, such as single-, double- and triple-tap functions, from all locations. It also allows operation from up to five locations and provides a uniform appearance.
Visit Byjasco.com to purchase add-on switches.
ADJUST FAN SPEED
The LED indicator confirms fan speed settings by flashing patterns LOW – LED will blink every two seconds for 10 seconds MEDIUM – LED will blink every second for 10 seconds HIGH – LED will blink every half second for 10 seconds
- To decrease fan speed, press and hold lower rocker.
- To increase fan speed, press and hold upper rocker.
NOTE: This switch only controls the fan motor and does not control any lighting that may be part of the fan control. If your fan has an integrated light, a second light switch will need to be installed separately to control the lighting load directly. No more than two identical fans should be controlled by one switch. The total load of the fan(s) should not exceed 1/10HP (75W), motor maximum
Z-WAVE INTEROPERABILITY
This product can be included and operated in any Z-Wave network with other Z-Wave certified devices from other manufacturers and/or other applications. All non-battery operated nodes within the network will act as repeaters regardless of vendor to increase reliability of the network.
This device supports association command class (3 Groups)
- Association Group 1 supports Lifeline, Binary Switch Report
- Association Group 2 supports Basic Set and is controlled by pressing the ON or OFF button with the local load
- Association Group 3 supports Basic Set and is controlled by double pressing the ON or OFF button
- Each Association Group supports 5 total nodes
All brand names shown are trademarks of their respective owners
Thank you for your purchase!
Instructions made easy
Read instructions or watch easy to follow video.
Scan code or visit byjasco.com/60226i
Register your product
Receive exclusive deals and register your product.
Scan code or visit byjasco.com/deals.
For additional Enbrighten products, visit our website www.Jasco.com
Like our product?
Leave a review on your favorite retailer website or amazon.com.
Having problems?
Let us know how we can help.
Call 1-800-654-8483 between 7AM-8PM, M-F, Central Time.
MADE IN CHINA
Distributed by Jasco Products Company LLC, 10 E. Memorial Rd., Oklahoma City, OK 73114.
This Jasco product comes with a 5-year limited warranty. Visit Scan code or visit jasco.com for warranty details. Questions? Contact our U.S.-based Consumer Care at 1-800-654-8483 7AM-8PM, M-F, Central Time. ©Jasco 2022 | ZWA4013 | 58446 | 05/06/22 v1




















