COX A19121L Stockman Ztr Zero Turning Radius Ride-On Mower

Product Information:
The Stockman ZTR Zero Turning Radius Ride-On Mower is a powerful and efficient machine designed for easy maneuverability and precision cutting. With its zero turning radius capability, this mower allows you to navigate tight spaces and obstacles with ease. The mower is equipped with a Briggs & Stratton engine, known for its reliability and performance. It comes with a comprehensive owner/operators manual that provides important information on operating and maintaining the machine.
Product Usage Instructions
- Before operating the mower, read and thoroughly understand the Owner/Operators manual.
- Ensure you are wearing suitable eye protection while operating the mower.
- Familiarize yourself with the controls and know how to quickly stop the engine in case of an emergency.
- Always inspect the mower visually before each use to ensure that the cutter blades are not loose, worn, or damaged. Replace any worn or damaged blades.
- Regularly check all nuts, bolts, and screws to ensure they are secure. Make sure the mower is in safe operating condition.
- Clear the mowing area of loose objects such as sticks, stones, bones, wire, toys, debris, etc., that could be picked up and thrown by the blades.
- Do not operate the mower if people, especially children or pets, are in the mowing area.
- Avoid mowing on slopes beyond 15 degrees (1 in 3.75). Exercise extreme caution on slopes and reduce speed to prevent overturning or loss of control.
- Mow up and down slopes rather than across them.
- Ensure that all safety devices, such as guards and switches provided by the manufacturer, are in place and working properly.
- Use replacement parts that comply with the original manufacturer’s recommendations and specifications.
- Regularly replace worn or faulty silencers.
- Keep the mower free of grass, leaves, debris, excessive oil, grease, or spilled fuel, as these can be fire hazards.
- Refuel the mower outdoors only. Do not smoke while refueling. Remove the fuel cap slowly to relieve any tank pressure. If fuel is spilled, do not attempt to start the engine but move the machine away from the spill area.
- Stop the blades from rotating before crossing surfaces other than grass.
- When using attachments, never direct them towards people, animals, or property.
Following these usage instructions will help ensure safe and efficient operation of the Stockman ZTR Zero Turning Radius Ride-On Mower. coxmowers.com.au
SAFETY INSTRUCTIONS
- Read, understand, & follow all instructions in the Owner/Operators manual.
- Know the controls and how to stop the engine quickly in an emergency.
- Allow only responsible adults, who are familiar with the instructions in this manual, to operate the machine.
- Clear the area to be mowed of loose objects such as sticks, stones, bones, wire, toys, debris, etc., which could be picked up and thrown by the blades.
- DO NOT mow whilst people, especially children, or pets are in the mowing area.
- DO NOT mow either direction on slopes beyond 15 degrees (1 in 3.75)
- Exercise extreme caution on slopes.
- 0Reduce speed on slopes and in sharp turns to prevent overturning or loss of control.
- Start or stop slowly when on slopes.
- Mow up and down slopes, not across the slope.
- Stay alert for holes or bumps in the terrain and other hidden hazards.
- Watch out for traffic when crossing or operating the mower near roadways.
- Stop the blades rotating before crossing surfaces other than grass.
- When using attachments, never direct discharge of material toward bystanders nor allow anyone near the machine while it is in operation.
- Before leaving the operators position
- Disengage all clutches and secure cutting units;
- Return drive levers to neutral position and set the parking brake;
- Stop the engine and remove the key.
- Disengage drive to attachments and stopengine-
- Before refueling.
- Before checking, cleaning or working on the mower;
- After striking a foreign object (check the mower for damage and make repairs before restarting and operating the equipment); d] If machine starts to vibrate abnormally (check immediately).
- Disengage drive to attachments when transporting or not in use.
- A mower operator should be in good physical and mental health and not under the influence of alcohol or any drug which might impair vision, co-ordination or judgment.
- Never mow while barefoot or wearing open sandals or thongs. Wear long trousers and heavy shoes.
- It is advisable to wear suitable eye protection when operating a mower.
- Mow only in daylight or good artificial light.
- Before using, always visually inspect to see that cutter blades are not loose, worn or damaged. Replace worn or damaged blades.
- Check all nuts, bolts, and screws often; always be sure the mower is in safe operating condition.
- Keep safety devices (guards and switches) in place and in working order.
- Never use the mower unless the guards provided by the manufacturer, are in position.
- Ensure any replacement parts used comply with the original manufacture’s recommendations and specifications.
- Replace worn or faulty silencers.
- Keep machine free of grass, leaves or other debris, excessive oil, grease, or spilt fuel. These can be a fire hazard.
- Refuel outdoors only. Do not smoke while re-fueling engine. Never remove the cap of the fuel tank or add petrol while the engine is running or the engine is hot. Remove fuel cap slowly to relieve any tank pressure. If fuel is spilled, do not attempt to start the engine but move machine away from the area of the spill and avoid creating any source of ignition until fuel vapors have dissipated.
- Check for fuel leaks while refueling, before and while using the mower. If a fuel leak is found, do not start or run the engine until the fuel leak is fixed and spilled fuel is wiped away.
- Do not operate engine in a confined space where exhaust fumes (carbon monoxide) can collect.
- Always mount the mower from the front or non discharge side.
- Start the engine carefully with the cutting means disengaged.
- Do not over-speed the engine or alter governor settings. Excessive speed is dangerous and shortens mower life.
- Stop the engine whenever you leave the mower, even for a moment.
- Store the mower in a well-ventilated room away from naked flames such as may be found in hot water heaters.
- Do not lend or sell the mower, without the owners/operators Manual.
PRE-DELIVERY INSTRUCTIONS
THANK YOU, for purchasing a COX Lawn BOSS ZTR Ride-on Mower.
RESPONSIBILITY
It is the responsibility of the dealer/distributors to ensure that before a machine is delivered to a customer, it is in perfect operational condition.
PROCEDURE
Unpacking Instructions – Inspect the shipping crate and contents for damage. Position the shipping crate on a firm flat level surface with at least 3 meters distance from any obstruction to the end of the crate adjacent to the front of the Ride-on Mower.
- Caution you can be seriously injured by the metal strapping which has sharp edges and can spring out when cut. Wear gloves when handling metal strapping.
- Caution you can be seriously injured by sharp nails protruding from the shipping crate.
Cut and remove the straps restraining the Ride-on Mower to the ends of the shipping crate. Remove the end of the shipping crate adjacent to front of the Ride- on Mower. Remove the plastic sheet covering the Ride- on Mower.
Unlock the park brake by moving the park brake lever down fully. Unlock the Transaxle Disengage Link from the engaged position by lifting up then pulling fully towards the back of the Ride-on Mower then pushing down to lock in the disengaged position. Pull the Ride- on Mower from the shipping crate. Once stopped the Park Brake Lever should be locked on by pulling lever up fully. Remove the Drive Control Levers. Seat Sub- assembly, & other loose components from the packaging.
Dispose of all packaging material responsibly. Do not leave the plastic sheet unrestrained, it can blow away to become a safety hazard.
CHECK PARTS SUPPLIED IN SEAT PROTECTION BAG
- Seat Sub-assembly (A191246)
- Pre-delivery Instruction Sheet
- Operators Guide Booklet
- Engine owner’s manual
- Ignition keys (AM015)
- Seat Spring x 3 (A163060)
- Hex Screw (M8X20) x 3 (SH0820M)
- Flat Washer (M8) x 3 (W05M202)
- Nyloc Nut (M8) x 3 (NM8NT)
- Seat Spring Cap x 3 (A168231)
- Cup Head Bolt (M8x40) x 4 (BCHSNM8X40)
- Spring Lock Washer (M8) x 4 (WS05021.6)
- Dome Nut (M8 ) x 4 (ND08M)
- Spring Pull Hook x 1 (13127)
CHECK ITEMS SUPPLIED LOOSE
- Left Drive Control Lever (A191117)
- Right Drive Control Lever (A191118)
ASSEMBLY
TOOLS & EQUIPMENT REQUIRED
- Socket set containing 13mm a/f socket & extension 75mm (3”) or longer. Spanner 13mm a/f.
- Refer pictorial procedure provided.
INITIALISE HOURMETER (if fitted)
Turn the Hourmeter on by pushing the Button located below the cover adjacent to the last S of the word PowerBOSS printed on the Hourmeter until the display of the Hourmeter shows the three digits 0.00. The Hourmeter is of a vibration type and will record (once on) the number of hours the engine vibrations excites the Hourmeter. Once on the Hourmeter will continuously display the operating hours.
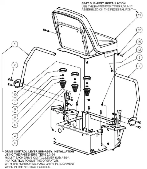
INSTALL SEAT SPRINGS & MOUNT SEAT
Install the three seat springs using the screws, washers, nuts, to the Rear of the Centre Console, and tighten the screws, washers, and nuts. Install the Seat & Mounting to the Front of the Centre Console using the Screws Washers and Nuts. Attach seat switch wiring to seat switch.
INSTALL DRIVE CONTROL LEVERS –
- Install the Left & Right Drive Control Levers using the Bolts, Washers, & Dome Nuts, to the sides of the Neutral Links
- at a height position to suit the operator.
Align the Grips on the Drive Control Levers and tighten at a backwards/forwards position to suit the operator.
ADJUST SEAT POSITION & FLOOR/FOOTREST POSITION
Adjust the Seat position to suit the operator if required. Adjust the Floor/Footrest position to suit the operator if required.
CHECK TYRE PRESSURE
Before operation ensure that all tyre pressures are equal from side to side. The recommended pressures are:-
- Front Wheel:-140 Kpa (20psi) approximately.
- Rear Wheel:- 105 Kpa (15psi) 18×6.50-8 & 18×8.50-8
BATTERY
This machine is fitted with a maintenance free battery. Recharge only if required.
ENGINE OIL
Before operation ensure that engine oil level is to the full mark on the dipstick. (Read engine owners manual for correct procedure to check & adjust oil level).
FUEL TAP
Ensure the fuel taps at the bottom inside of the Right Side Fuel Tank is turned to the on position before attempting to start engine. (Use unleaded fuel only).
Turn Fuel Tap off after use.
CHECK OPERATION OF SAFETY START SWITCHES
Drive Lever Switches –
With Cutter PTO switch in DISENGAGED position and Park Brake Lever set in the ON position and the Drive Control Levers in the DRIVE position. Attempt to start the engine.
Engine should not start.
Cutter PTO Switch
With Drive Control Levers in the locked out NEUTRAL position and Park Brake Lever set in the ON position, and Cutter PTO Switch in the ENGAGED position. Attempt to start engine.
Engine should not start.
Park Brake Lever Switch
With Cutter PTO Switch in DISENGAGED position and the Drive Control Levers set in the locked out NEURAL position, and the Park Brake Lever in the OFF position. Attempt to start the engine.
Engine should not start.
With Cutter PTO Switch in DISENGAGED position and the Drive Control Levers in the locked out NEUTRAL position and the Park Brake Lever set in the ON position. Attempt to start the Engine.
Engine should start.
CHECK OPERATION OF SAFETY STOP SWITCHES Seat Switch
While sitting on stationary machine with Engine running ENGAGE Cutter PTO Switch. Lift weight from Seat.
Engine should stop.
While sitting on stationary machine with Engine running and Cutter PTO Switch in DISENGAGED position, set the Park Brake Lever in the OFF position and then the Drive Control Levers in the DRIVE position. Lift weight from Seat.
Engine should stop.
Drive Control Lever Switches While sitting on stationary machine with Enginerunning and Cutter PTO Switch in DISENGAGED position and Park Brake Lever set in the ON position attempt to move the Drive Control Levers to the DRIVE position.
Engine should stop.Park Brake Lever Switches
While sitting on stationary machine with Engine running and Cutter PTO Switch in DISENGAGED position, and Drive Control Levers in DRIVE position, attempt to set the Park Brake Lever in the ON position.
Engine should stop.

OPERATING INSTRUCTIONS
IMPORTANT
The careless or improper use of a machine of this type can be dangerous. The manufacturer or selling agent does not accept responsibility for accident either to the operator, to the owner or to any person directly or indirectly or to property if such accident is caused by circumstances arising other than by the negligence or default of COX INDUSTRIES.
RECOMMENDED FUEL
Unleaded fuel is recommended by all manufacturers of engines fitted to Cox products (up to 10% ethanol blended unleaded fuel is acceptable).
SAFETY SWITCHES
Before operating machine, ensure that all safety switches are operating correctly as per Pre-delivery Instructions. Do not operate machine with faulty, missing or damaged safety switches.
BLADE WARNING
Do not use mowing attachment with broken, bent, or damaged blades, or damaged or worn bolts and nuts otherwise damage and premature wear will result from vibration. Recommended Cutter Blade Bolt and Nut torque is 36-40Nm. Do not over tighten.
Keep feet and hands clear of the mowing attachment at all times while operating or attempting to start the machine.
WARNING
- DO NOT OPERATE THE MOWING ATTACHMENT WITHOUT DISCHARGE DEFLECTOR FITTED & DOWN.
- Reference to left or right hand side of machine is determined by sitting in the operating position on the machine.
- Safety footwear is recommended when operating machine. Mount and dismount only from the centre front or non discharge side of machine.
- Ensure machine has Park Brake Lever set in the ON position and Drive Levers are in the locked out NEUTRAL position and Cutter PTO Switch is in the DISENGAGED position while attempting to start engine.
- Never allow engine revs to exceed 3600 RPM.
TO OPERATE
BEFORE STARTING/SWITCHING OFF
Read & Follow Engine Owners Manual Instructions.
Before stopping the engine
- Stop the mowing attachment
- Return the engine speed control to slow position .
- Then turn the Key Switch to the OFF position.
STARTING ENGINE
When starting machine, place Drive Levers in the locked out NEUTRAL position. Ensure that Cutter PTO Switch is in the DISENGAGED position and the Park Brake Lever is set in the ON position otherwise electric start will not be activated. If engine is cold, pull choke control (if equipped) up to choke position and engine speed control knob to fast position, or move engine speed control knob to choke position. Turn key switch to start position and release to the on position once engine has started. Once engine is running gradually return the choke control (if equipped) to depressed position, or move engine speed control to the fast position. Do not continue to operate the engine in the choke position.
If engine is hot move engine speed control to the fast position. Turn key switch to start position and release to the on position once engine has started.
TO OPERATE THE MOWING ATTACHMENT
- Bring the engine up to the normal operating speed.
- The Mowing Attachment is engaged by puling up the large yellow knob (P.T.O. Switch) on the left hand control panel.
- Before starting ensure knob is in the disengaged position (down). For safety it is advisable that the mowing attachment be not operating (Cutter PTO Switch be in the disengaged position) other than when mowing grass.
TO DRIVE FORWARD/REVERSE:
- Engine speed and ultimate drive speed is regulated by setting the engine speed control to desired engine speed. To drive forward push both the drive control levers forward from the neutral position.
- To drive in reverse pull both the drive control levers back from the neutral position.
- The further the drive control levers are moved from neutral the faster the drive speed.
- To slow down when driving forward pull both drive control levers back.
- To slow down when driving in reverse push both drive control levers forward.
- The position of the drive control levers can be used to control the ground speed, especially in heavier conditions. Owing to the inline action of the drive levers, it is possible to take the machine straight from forward to reverse and vice versa.
MANOEUVRING/TURNING
- The independent forward and reverse operation of 2 separate drives makes the machine very manoeuvrable and the sharpest turns can be negotiated easily and quickly.
- Move the left hand drive control lever forward to turn the machine in a right hand turn direction.
- Move the right hand drive control lever forward to turn the machine in a left hand turn direction
- Move the left hand drive control lever backwards to turn the machine in a left hand turn direction.
- Move the right hand drive control lever backwards to turn the machine in a right hand turn direction.
- Adjustment of the speed of each rear wheel to suit the turning manoeuvre required will minimise the possible damage to the turf caused by having one wheel rotating too slow for the manoeuvre required.
- NOTE: When mowing on slopes, keep drive levers in forward or reverse, depending on direction of travel. The low gearing will prevent it from picking up excessive speed. If very steep it may be necessary to reduce engine speed slightly.
TO BRAKE (WITH ENGINE RUNNING)
- The drive levers should be used to stop the machine travel. Do not use the park brake lever to stop the machine travel except in an emergency as the park brake mechanism will be permanently damaged.
- If travelling forward pull both drive control levers backwards evenly until the machine travel stops, then return both the drive control levers to the neutral position.
- If travelling in reverse push both control levers forward evenly until the machine travel stops, then return both the drive control levers to the neutral position.
PARK AND TRANSPORTATION BRAKE
- The park brake lever is located on the front left hand side of the control housing. Pull the lever up fully to engage park brake. Push the lever down fully to disengage park brake.
- Do not attempt to bring the machine to a stop using the Park Brake Lever as permanent damage will be done to the Park/Brake mechanism.
CUTTING HEIGHT ADJUSTMENT
- The cutter height adjustment lever is located on the front right hand side of the control housing, and may be raised to suit various conditions.
- To raise or lower the mowing attachment, lift the height adjustment lever slightly and depress button, once button is depressed raise or lower the mowing attachment to the desired position and release button.
MAINTENANCE INSTRUCTIONS
It is the owner’s responsibility to ensure that all periodical checks, necessary adjustments and services are carried out.
STOP ENGINE – Never attempt any maintenance with the engine running, remove spark plug lead and ensure the blades have stopped rotating.
Before servicing, disconnect spark plug wire and ground it, disconnect battery at negative terminal, to prevent accidental starting.
OIL CHANGING & FILTER REPLACEMENT (ENGINE): See Engine OWNERS MANUAL and carry out
as per Engine Manufacturers Recommendations.
SERVICING ENGINE AIR CLEANER & FOAM PRE-
CLEANER— See engine owners manual for correct method to check and service engine air cleaner & foam pre-cleaner.
LUBRICATION OF MACHINE
Lubrication of machine must be carried out every 25 hours of operation or once a month, whichever occurs first. More frequently when operated under adverse conditions.
A few drops of oil should be placed at the following points: Height adjustment mechanism, pivot bolt and linkages on drive levers.
Grease should be applied using a grease gun at the grease nipple on the top end of each of the front caster fork shafts ensuring old grease is expelled at both the top and bottom of the shaft.
ENGINE TO TRANSAXLES V BELT ADJUSTMENT:
Is automatically adjusted by the belt tensioning spring.
ENGINE TO CUTTER V BELT ADJUSTMENT:
Is automatically adjusted by the belt tensioning springs.
TO CHECK BLADES
Stop engine. Remove spark plug lead. lift deflector and height adjustment control to highest position and inspect blades for wear. If sharpening or replacement of mower blades is necessary, remove the plugs near the drive spindle pulleys and use a 9/16” socket & suitable length extension to remove the blades, or remove the mowing attachment for ease of blade access and general under mowing attachment inspection (see to remove mowing attachment section).
TO REMOVE MOWING ATTACHMENT
- Remove tension spring from the V belt tensioner bracket. Remove cutter belt from rear PTO pulley. Remove 4 x bolts and nyloc nuts either side on rear deck hangers.
- Remove rear pivot bolt from rear push link. Remove the bolt & nut on tensioner arm link and remove the tensioner arm link.
CLEANING MOWING ATTACHMENT
Ensure the mowing attachment is clear of obstructions. Attach standard garden hose to hose adaptor on either side of mowing attachment and turn on hose. Whilst sitting in the operators seat engage and run mowing attachment for two minutes, water from the hose will then circulate under the cutter and clean it. After cleaning disengage mowing attachment and remove hose from the adaptor.
TYRE PRESSURE
- Front Wheel:-140 Kpa (20psi) approximately.
- Rear Wheel:- 105 Kpa (15psi) approximately. Uneven pressure can give an uneven finish when mowing and may cause damage to tyres and/or tubes.
BATTERY MAINTENANCE
Sealed battery. When not in use, a battery discharges by as much as 1% a day, more when the climate is warm. To make up for this loss, a boosting charge should be given once a month. Disconnect battery terminals to charge, then allow to stand minimum 1/2hr before re-connecting. If a battery is not used for a period of more than three (3) months, the terminals should be disconnected and trickle charged at two (2) amps for two (2) hours once every three (3) months or before use.
GENUINE SPARE PARTS
Always use Genuine Cox Factory Made Spare Parts. Use of non-genuine COX spares will void your warranty.
SAFETY FIRST
The use of any mechanical appliance can cause injury if incorrect procedures are used. Please ensure that all family members of intended operators read this manual thoroughly.
TORQUE SETTINGS
- 1/4” UNC BOLT/NUT:10Nm (84lbf in)
- 5/16” UNC BOLT/NUT:20Nm (180lbf in)
- 3/8” UNC BOLT/NUT:36Nm (27lbf ft)
- 7/16” UNF BOLT:68Nm (50lbf ft)
- 6mm BOLT/NUT:9Nm (80lbf in)
We are proud that you have purchased a Cox product and urge you to follow these instructions to obtain the maximum life for your machine. If in doubt check with your supplier.
MAINTENANCE SCHEDULE
BEFORE EACH USE
- Check engine oil level, adjust if required
- Check engine air cleaner foam pre-cleaner, service if required Check engine rotating screen/finger guard, clean if required Check operation of safety switches, service if required
- Check tyre pressures, adjust if required
- Check for loose fasteners, tighten if required
- Check cutting attachment cutter blades, bolts, nuts, housing and guards for wear or damage, replace if required
BEFORE STORAGE
- Change engine oil
- Clean machine
- Lubricate as per required
EVERY 5 HOURS
- Check engine oil level, adjust if required
- Check engine air cleaner foam pre-cleaner, service if req. Check engine rotating screen/finger guard, clean if required Check operation of safety switches, service if required Check tyre pressures, adjust if required
- Check for loose fasteners, tighten if required
- Check cutting attachment cutter blades, bolts, nuts, housing and guards for wear or damage, replace if required
1 MONTH OR 5 HOURS which ever occurs first
- Change engine oil
- Check engine air cleaner foam pre-cleaner , service if required Check engine rotating screen/finger guard, clean if required Check operation of safety switches, service if required Check tyre pressures, adjust if required
- Check mowing attachment cutter blades, bolts, nuts, housing , and guards for damage, replace if required
- Check drive levers, adjust if required
- Check for loose fasteners, tighten if required
3 MONTH OR 25 HOURS which ever occurs first
- Change engine oil if operating under heavy load or high ambient t emperature
- Check engine air cleaner foam pre-cleaner, service if required * Check engine rotating screen/finger guard, clean if required * Check operation of safety switches and replace if required
- Check tyre pressures, adjust if required
- Check mowing attachment cutter blades, bolts, nuts, housing and guards for wear or damage, replace if required Check for loose fasteners, tighten if required
- Service more often under dusty conditions, or where air borne debris is present
6 MONTH OR 50 HOURS which ever occurs first
- Change engine oil if operating under heavy load or high ambient t emperature
- Check engine air cleaner foam pre-cleaner, service if required * Check engine rotating screen/finger guard, clean if required * Check operation of safety switches and replace if required
- Check tyre pressures, adjust if required
- Check mowing attachment cutter blades, bolts, nuts, disc/s, housing ,and guards for wear or damage, replace if required Check for loose fasteners, tighten if required
9 MONTHS OR 75 HOURS which ever occurs first
- Change engine oil if operating under heavy load or high ambient temperature
- Check engine air cleaner foam pre-cleaner, service if required * Check engine rotating screen/finger guard, clean if required * Check operation of safety switches and replace if required Check tyre pressures, adjust if required
- Check mowing attachment cutter blades, bolts, nuts, housing and guards for wear or damage, replace if required Check for loose fasteners, tighten if required
- Check drive lever for smooth action, adjust if required
12 MONTHS OR 100 HOURS which ever occurs first
- Change engine oil filter
- Change engine oil
- Check engine spark plug, clean, adjust, or replace if required If fitted clean engine exhaust spark arrester
- Check engine air cleaner foam pre-cleaner , service if required * Check engine air cleaner cartridge, service if required*
- Clean engine cooling system*
- Replace in-line fuel filter
- Check for loose fasteners, tighten if required
- Check operation of safety switches, service if required
- Check tyre pressures, adjust if required
- Check mowing attachment cutter blades, bolts, nuts, housing and guards for wear or damage, replace if required
- Check drive lever for smooth action, adjust if required
- Re-tension rear wheel retaining nut/s
- Check belts for wear or damage, replace if required
- Service more often under dusty conditions, or where air borne debris is present
15 MONTHS OR 125 HOURS which ever occurs first
- Change engine oil if operating under heavy load or high ambient temperature
- Check engine air cleaner foam pre-cleaner, service if required * Check engine rotating screen/finger guard, clean if required * Check operation of safety switches and replace if required Check tyre pressures, adjust if required
- Check mowing attachment cutter blades, bolts, nuts, housing and guards for wear or damage, replace if required
- Check for loose fasteners, tighten if required
- Check belts for wear or damage, replace if required
- Service more often under dusty conditions, or where air borne debris is present
18 MONTHS OR 150 HOURS which ever occurs first
- Change engine oil
- If fitted clean engine exhaust spark arrestor
- Check engine air cleaner foam pre-cleaner , service if required * Check engine rotating screen/finger guard , clean if required * Check operation of safety switches, service if required
- Check tyre pressures, adjust if required
- Check mowing attachment cutter blades, bolts, nuts, housing and guards for wear or damage, replace if required
- Check belts for wear or damage, replace if required
- Check drive lever for smooth action, adjust if required
- Check for loose fasteners, tighten if required
- Service more often under dusty conditions, or where air borne debris is present
21 MONTHS OR 175 HOURS which ever occurs first
- Change engine oil if operating under heavy load or high ambient temperature
- Check engine air cleaner foam pre-cleaner, service if required * Check engine rotating screen/finger guard, clean if required * Check operation of safety switches and replace if required
- Check tyre pressures, adjust if required
- Check mowing attachment cutter blades, bolts, nuts, housing and guards for wear or damage, replace if required
- Check for loose fasteners, tighten if required
24 MONTHS OR 200 HOURS which ever occurs first
- Replace engine oil filter
- Change engine oil
- Check engine spark plug, clean, adjust, or replace if required If fitted clean engine exhaust spark arrestor
- Check engine air cleaner foam pre-cleaner , service if required * Check engine air cleaner cartridge, service if required
- Clean engine cooling system*
- Check operation of safety switches, service if required
- Check tyre pressures, adjust if required
- Check mowing attachment cutter blades, bolts, nuts, housing and guards for wear or damage, replace if required
- Check belts for wear or damage, replace if required
- Check drive lever for smooth action, adjust if required
- Check for loose fasteners, tighten if required
27 MONTHS OR 225 HOURS which ever occurs first
- Change engine oil if operating under heavy load or high ambient temperature
- Check engine air cleaner foam pre-cleaner, service if required * Check engine rotating screen/finger guard, clean if required * Check operation of safety switches and replace if required
- Check tyre pressures, adjust if required
- Check mowing attachment cutter blades, bolts, nuts, housing and guards for wear or damage, replace if required
- Check for loose fasteners, tighten if required
- Service more often under dusty conditions, or where air borne debris is present
30 MONTHS OR 250 HOURS which ever occurs first
- Change engine oil
- If fitted clean engine exhaust spark arrestor
- Check engine air cleaner foam pre-cleaner , service if required * Check engine rotating screen/finger guard , clean if required * Check operation of safety switches, service if required
- Check tyre pressures, adjust if required
- Check mowing attachment cutter blades, bolts, nuts, housing and guards for wear or damage, replace if required
- Check belts for wear or damage, replace if required
- Check drive lever for smooth action, adjust if required
- Check for loose fasteners, tighten if required
- Service more often under dusty conditions, or where air borne debris is present
33 MONTHS OR 275 HOURS which ever occurs first
- Change engine oil if operating under heavy load or high ambient temperature
- Check engine air cleaner foam pre-cleaner, service if required * Check engine rotating screen/finger guard, clean if required * Check operation of safety switches and replace if required
- Check tyre pressures, adjust if required
- Check mowing attachment cutter blades, bolts, nuts, housing and guards for wear or damage, replace if required
- Check for loose fasteners, tighten if required
36 MONTHS OR 300 HOURS which ever occurs first
- Replace engine oil filter
- Change engine oil
- Check engine spark plug, clean, adjust, or replace if required I f fitted clean engine exhaust spark arrestor
- Check engine air cleaner foam pre-cleaner , service if required * Check engine air cleaner cartridge, service if required
- Clean engine cooling system*
- Replace engine oil filter
- Change engine oil
- Check engine spark plug, clean, adjust, or replace if required I f fitted clean engine exhaust spark arrestor
- Check engine air cleaner foam pre-cleaner , service if required * Check engine air cleaner cartridge, service if required
- Clean engine cooling system*
- Service more often under dusty conditions, or where air borne debris is present
COX INDUSTRIES MOWER WARRANTY POLICY
DEFINITIONS
- “Commercial Use” means all uses cther than Domestic use, including any use that is income producing, rental, or is in relation to use in schools, by government departments or charity operators.
- “COX INDUSTRIES” means Cox Industries (Australia) Ply Ltd ACN 050 991 038.
- “Dealer” means an authorised COX INDUSTRIES dealer a list of which can be found on our website: www.coxmowers.com.au or freecall us on 1800 330 444.
- “Domestic Use” means use for a personal, residential or household (property) purpose.
- “Mower” means any ride-on mower manufactured by COX INDUSTRIES.
- “Parts” means all parts that can be found in a Mower.
‘Warranty Period” means:
1) for Domestic Use, a period of five (5) years (*conditions apply) or standard (2) years; or
2) for Commercial Use, a period of one (1) year (*conditions apply) or standard (6) months, rrom the original date of purchase.
NEW MOWER
Our goods come with guarantees that cannct be excluded under the Australian Consumer Law. You are entitled to a replacement or refund for a major failure and compensation for any other reasonably foreseeable loss or damage. You are also entitled to have the goods repaired or replaced if the goods fail to be of acceptable quality and the failure does nct amount to a major failure.
Ncthing in this Warranty purports to modify or exclude the conditions, warranties and undertakings, and cther legal rights, under the Australian Consumer Law. This Warranty gives you additional protection for your Mower, and identifies a preferred approach to resolving warranty claims which will be quickest and simplest for all parties, subject to the exclusions, terms and conditions below.
WARRANTY PERIOD
COX INDUSTRIES warrants in respect of each new Mower sdd that, subject to the exclusions below, for the Warranty Period COX INDUSTRIES or a Dealer will repair or replace free of charge any Parts found to be defective in materials or workmanship under normal use and operating conditions. Other than for major failure, tt is at COX INDUSTRIES sde discretion as to whether the Mower or Part is repaired or replaced.
The engine, battery and transaxle are warranted by their manufacturers and are not covered by the Cox Domestic Use five (5) year and Cox Commercial Use one (1) year warranty.
*For our COX Domestic Use five (5) year and Cox Commercial Use one (1) year warranty to remain valid, we require the following:-
- The COX online warranty registration form is completed within fourteen days from date of purchase.
- The mower receives an initial service by an authorised COX dealer at around 5 hours, or 1 month from date of purchase. At every 100 hours or annually, which ever is sooner, the mower is to be serviced by an authorised COX dealer and the service times /dates are recorded by the COX servicing Dealer in the service log included within the COX website. (Periodically additional maintenance is required to be carried out by a COX servicing dealer or the Owner/Operators as per Owner/Operators Manual Maintenance Schedule).
- For clarity, general wear and tear and user neglect are not covered under our warranty provisions.
MOWER PARTS INSTALLED DURING NEW MOWER WARRANTY PERIOD
Warranty coverage for Parts installed during the new Mower Warranty Period shall consist of the remainder of the new mower Warranty Period or ninety (90) days, which ever is greater, prwided the installation is performed by an authorised Dealer.
TO CLAIM THE WARRANTY
To make a claim under this Warranty, please bring or send the Mower to an authorised Dealer with a copy of your proof of purchase of the Mower. A claim under this Warranty is not formally made unless and until that proof of purchase is provided. This does not detract rrom your statutory rights.
WARRANTY REGISTRATION
The online warranty registration form must be completed within 14 days of purchase. II is the purchasers responsibility to ensure this is carried out.
This Warranty is transferable to a subsequent owner of a Mower, in the event of the sale of that product, provided that COX INDUSTRIES is informed in writing within a reasonable time of the sale of the subsequent ooner’s name and contact details, such notice to be provided to COX INDUSTRIES. The nctice should identify the name of the previous owner of the Mooer, place and date of purchase, model, make and serial number of the Mower. The effective transfer of this Warranty does not ctherwise alter the terms of this Warranty in any way.
WARRANTY EXCLUSIONS: This Warranty does not ewer
- the costs of rental of ancther machine or related equipment while repairs are in progress;
- telephone, facsimile or other related communication expenses.
- transportation and insurance charges during transportation of failed Mower or any part thereof;
- the labour, parts, mechanical adjustments or lubricant costs which, in the judgement of COX INDUSTRIES or their Dealer, should have been made as standard maintenance according to the COX INDUSTRIES maintenance schedule;
- the replacement of or service costs relating to replacing and maintaining consumable parts which have ceased working through normal wear and tear such as, but not limited to, normal maintenance parts such as mower discs, blades, bolts and nuts, vee belts, bearings, chains and clutch cones;
- any damage or defect caused by alteration, modification, fitment of a non-genuine part or attachment not approved by COX INDUSTRIES or repair, modification or work carried out on the Mower cther than by a Dealer;
- any defect caused by misuse, negligence, accidents or failure to carry out proper maintenance procedures;
- damage caused by continued operation of the machine after it is known to be defective;
- any other expenses incurred by the consumer in making the warranty claim;
- damage caused by incorrect or improper operation (including racing or similar activities), maintenance or not following the instructions or maintenance requirements of the Mower in accordance wtth the instructions provided with the Mower;
- damage caused by failure to clean or improper cleaning of the product;
- damage caused by adverse external conditions such as thunderstorm activity, acts of God, acts of terrorism, damage caused by vermin, or any other act or circumstance beyond COX INDUSTRIES’ contrd; or
- Damage caused by exposure to excessive heat, moisture or dampness, or exposure to abnormally corrosive concitions.
For the avoidance of any doubt, any and all warranties or conditions which are nct guaranteed under the Australian Consumer Law or the Australian Competition and Consumer Regulations 201 O and which are not expressly included in this Warranty as additional warranties or conditions are excluded.
To the extent applicable by law, COX INDUSTRIES will not accept liability for costs of labour, postage, cartage or delivery to replace faulty materials or parts, or for any loss, damage or accident cireclly, indirectly, or consequently suffered by the purchaser, operator or any cther person or property as a result of such faults whether due to defective materials or workmanship or otherwise.
Due to COX INDUSTRIES on-going commitment to product improvement, we reserve the right to change at any time, product specifications, configurations and company policies.
- PH 07 3323 2222
- Web Site Address: www.coxmowers.com.au
- Email: [email protected]
















