Simplicity 2691519 Courier Zero Turn Mower User Manual
General Information
For additional information, refer to the Customer Contact Guide included with the unit.
The illustrations in this document are representative.
Your unit might look different from the images shown. LEFT and RIGHT are referenced from the operator’s position.
The use of Important and Note in the text shows clarifications, exceptions, or alternatives to the procedures.
All language translations of this document derive from the initial English source file.

Recycle all packaging, used oil, and batteries according to applicable government regulations.
California Spark Arrester Warning
WARNING ![]()
It is a violation of California Public Resource Code, Section 4442, to use or operate the engine on any forest-covered, brush-covered, or grass-covered land unless the exhaust system is equipped with a spark arrester, as defined in Section 4442, maintained in effective working order. Other states or federal jurisdictions may have similar laws. Contact the original equipment manufacturer, retailer, or dealer to obtain a spark arrester designed for the exhaust system installed on this engine.
WARNING ![]()
Battery posts, terminals, and related accessories contain lead and lead compounds, chemicals known to the State of California to cause cancer and birth defects or other reproductive harm. Wash hands after handling.
California Proposition 65
![]()
This product can expose you to chemicals including gasoline engine exhaust, which is known to the State of California to cause cancer, and carbon monoxide, which is known to the State of California to cause birth defects or other reproductive harm. For more information go to www.P65Warnings.ca.gov.
Operator Safety
Save these instructions for future reference. This manual contains safety information to make you aware of the hazards and risks associated with the product and how to avoid them. It also contains important instructions that must be obeyed during the initial set-up, operation, and maintenance of the product.
This product is designed and intended for cutting well maintained grass and is not intended for other purposes.
It is important that you read and understand these instructions before you attempt to start or operate this equipment.
Make sure that you are fully familiar with the controls and the correct use of the product.
Know how to stop the unit and disengage controls quickly.
Slope Identification Guide

How to measure the slope of a lawn surface with a smartphone or an angle finder tool:
WARNING
Do not operate on slopes greater than 10 degrees.
- Use a straight edge at least two (2) feet long (A, Figure 1). A 2×4 or a straight piece of metal works well.
- Angle finder tools.
a. Use your smartphone: Many smartphones (B,
Figure 1) have an inclinometer (angle finder) located under the compass application (app). Or, search an app store for an Inclinometer app.
b. Use angle finder tools: Angle finder tools (C and
D, Figure 1) are available at local hardware stores or online (also called inclinometer, protractor, angle meter, or angle gauge). Dial type (C) or digital type (D) work, others may not. Read and obey the user instructions supplied with the angle finder tool. - Put the two (2) feet long straight edge along the steepest part of the lawn slope. Put the board up and down the slope.
- Lay the smartphone or angle finder tool on the straight edge and read the angle in degrees. This is the slope of your lawn.
Note: A paper gauge slope identification guide is included in your product literature packet and is also available to download from the manufacturer’s website.
Safety Symbols and Meanings
| Symbol | Meaning |
![]() | Safety information about hazards that can result in personal injury. |
![]() | Read and understand the Operator’s Manual before you operate or service the unit. |
![]() | Remove the key and read the Operator’s Manual before you service the unit. |
| Stop |
![]() | Fire hazard |
| Symbol | Meaning |
![]() | Explosion hazard |
![]() | Shock hazard |
![]() | Toxic fume hazard |
![]() | Moving parts |
![]() | Wear eye protection. |
![]() | Hazardous chemical |
![]() | Hot surface hazard |
![]() | Amputation hazard |
![]() | Thrown objects hazard |
![]() | Keep a safe distance |
![]() | Keep children away |
| Symbol | Meaning |
Roll-over hazard | |
![]() | Amputation hazard |
Safety Alert Symbol and Signal Words
The safety alert symbol
identifies safety information about hazards that can result in personal injury. A signal word (DANGER, WARNING, or CAUTION) is used with the alert symbol to indicate the likelihood and the potential severity of injury. In addition, a hazard symbol may be used to represent the type of hazard.
DANGER indicates a hazard which, if not avoided, will result in death or serious injury.
WARNING indicates a hazard which, if not avoided, could result in death or serious injury.
CAUTION indicates a hazard which, if not avoided, could result in minor or moderate injury.
NOTICE indicates information considered important but not hazard-related.
Safety Decals
Before operating your machine, read and understand the safety decals. Compare Figure 2 with the table following.
The cautions and warnings are for your safety. To avoid a personal injury or damage to the machine, understand and follow all the safety decals.
Important: If any safety decals become worn or damaged, and cannot be read, order replacement decals from your local dealer.


Battery Safety Decal

![]() | Warning: Fire Hazard – Keep children, open flames and sparks away from the battery, which could ignite explosive gases. |
![]() | Warning: Sulfuric acid can cause blindness or severe burns – Always wear safety goggles or a face shield when working on or near a battery. |
![]() | Warning: Batteries produce explosive gases – Read and understand the Operator’s Manual before using this machine. |
![]() | Important: Do not discard a battery in the trash – Contact local authorities for disposal and/or recycling of batteries. |
![]() | Flush eyes immediately with water. Get medical help fast. |
Safety Messages
WARNING ![]()
Read, understand, and obey all the instructions and warnings in the Operator’s Manual and on the machine, engine, and attachments before you operate this machine. Failure to obey the safety instructions in this manual and on the equipment could result in death or serious injury.
- Only let operators who are responsible, trained and familiar with the instructions and physically capable to operate the machine.
- Do not operate the machine while under the influence of alcohol or drugs.
- Wear safety glasses and closed toe footwear.
- Do not put hands or feet near rotating parts or under the machine. Keep clear of the discharge opening at all times.
- Keep the machine in good working order. Replace worn or damaged parts.
- Be careful when you service the blades. Wrap the blades or wear gloves. Replace damaged blades. Do not repair or alter the blades.
- Use full width ramps when you load and unload a machine for transport.
- See attachment or accessory for proper wheel weights or counterweights.
- To help prevent fires, keep machine free of grass, leaves, or other unwanted material. Clean remaining oil or fuel spillage. Remove fuel soaked debris and let the machine to cool before storage.
WARNING 
Running engine gives off carbon monoxide, an odorless, colorless, poison gas. Breathing carbon monoxide can cause headaches, fatigue, dizziness, vomiting, confusion, seizures, nausea, fainting or death.
- Operate equipment ONLY outdoors.
- Keep exhaust gas from entering a confined area through windows, doors, ventilation intakes, or other openings.
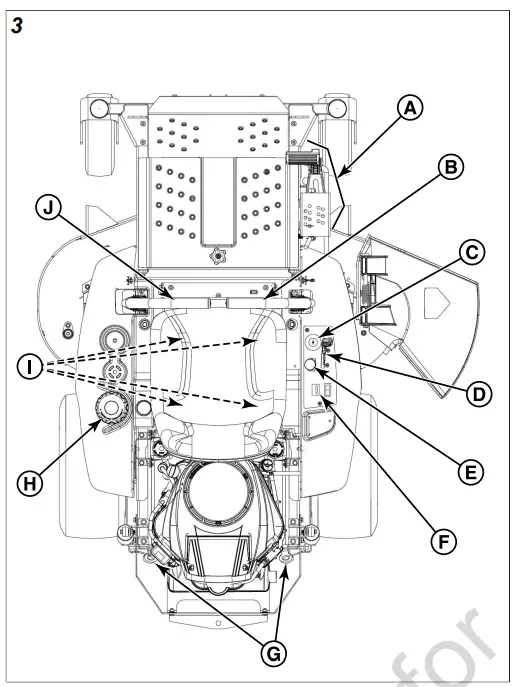
Features and Controls
Compare the features and controls in Figure 3 with the table following.

| Ref. | Description / Function | Icon(s) | Definition / Operation |
| A | Deck Lift Pedal, Cutting Height Adjustment Pin and Deck Lift Lock Lever – adjusts cutting height | ![]() | See Cutting Height Adjustment |
![]() | |||
![]() | |||
| B | Right Ground Speed Lever – controls speed and direction of right drive wheel; also engages parking brake | ![]() | Forward ground speed increase – push lever forward Neutral – release lever Engine start – move lever out Reverse ground speed increase – pull lever back |
![]() | Parking brake engage – move lever out | ||
| C | Ignition Switch – starts engine | ![]() | Engine off |
![]() | Engine on (run) | ||
![]() | Engine start | ||
| D | Engine Speed Control – controls engine speed | ![]() | Choke on (closed) – Briggs engines only |
![]() | Engine speed fast | ||
![]() | Engine speed slow | ||
| E | PTO Switch – engages and disengages mower blade clutch | ![]() | PTO engage – pull up on switch |
| F | Hour Meter | ![]() | Indicates total hours of engine operation |
| G | Transmission Release Levers – release transmissions so unit can roll freely | ![]() | See Pushing the Unit by Hand |
| H | Fuel Tank Cap | ![]() | Turn cap counterclockwise to remove |
| I | Operator’s Seat Adjust | ![]() | See Seat Adjustments |
| J | Left Ground Speed Lever – controls speed and direction of left drive wheel | ![]() | Forward ground speed increase – push lever forward Neutral – release lever Engine start – move lever out Reverse ground speed increase – pull lever back |
Operation
Operating Area
- Know the area where you plan to operate the mower.
- Make sure that the area is free of unwanted material that could be picked up by the blades and thrown.
DANGER 
This machine can throw objects that could cause injury to bystanders or damage to buildings.- Do not operate the machine without the entire grass catcher, discharge chute, or other safety devices in place and operating correctly. Check frequently for signs of wear or deterioration and replace as needed.
- Clear the operating area of any objects which could be thrown by or cause interference to the operation of the machine.
- Move the rider mower outside, before you start the engine.
WARNING 
Engines give off carbon monoxide, an odorless, colorless, poison gas. Breathing carbon monoxide can cause nausea, fainting, or death. - Note all slopes and drop-offs.
DANGER 
Operating on slopes, or near water, or drop-offs can result in loss of control and roll-over.
Avoid turning down slopes; if possible turn up slopes.- Decrease speed and be careful on slopes.
- Do not operate on slopes over 10 degrees, which is a 3.5 foot rise over a 20 foot length.
- Do not operate down slopes toward or near water, retaining walls, or drop-offs.
- Give yourself a minimum of two mower widths of clearance around water, retaining walls, or drop-offs.
- Do not mow wet grass.
- Do not operate machine under any condition where traction, steering, or stability is in question. Tires could slide even if the wheels are stopped.
- Do not start and stop on slopes.
- Do not make sudden changes in speed or direction.
- Make turns slowly and gradually.
Be careful while operating the machine with a grass catcher or other attachment(s). They can affect the stability of the machine. - Obey the manufacturer’s instructions for weight limits for towed equipment and towing on slopes. See Towed Equipment
- Make sure that the operating area is clear of bystanders, especially children.
DANGER 
This rider mower is capable of amputating hands and feet.
Stop the mower when children or others are near.- Keep children out of the operating area and under adult supervision.
- Do not carry passengers, especially children, even with the blade(s) shut off. Children can fall off and be seriously injured or interfere with the safe machine operation. Children who have been given rides in the past can suddenly appear in the mowing area for another ride and be run over or backed over by the machine.
- Use care when approaching blind corners, shrubs, trees, or other objects that block vision.
Safety Interlock Systems Checks
DANGER
DO NOT operate machine if any safety interlock or safety device is not in place and functioning properly. Contact your dealer immediately for assistance. DO NOT attempt to defeat, modify or remove any safety device.
TEST 1 – Engine must not crank if:
- PTO switch is engaged, OR,
- Ground speed levers are not locked in their START / PARK positions.
TEST 2 – Engine should crank if:
- PTO switch is NOT engaged, AND,
- Ground speed levers are locked in their START / PARK positions.
TEST 3 – Engine must shut off if:
- Operator rises off seat with PTO engaged, OR
- Operator rises off seat with ground speed levers not locked in their START / PARK positions.
TEST 4 – Check mower blade stopping time
The mower blades and mower drive belt should come to a complete stop within five seconds after the electric PTO switch is turned off. If mower drive belt does not stop within five seconds, see your dealer.
Note: Once the engine has stopped, the PTO switch must be turned off and the ground speed levers must be locked in their START/PARK positions in order to start the engine.
Oil Recommendations
Oil Capacity: See the Specifications section.
We recommend the use of Briggs & Stratton® Warranty Certified oils for best performance. Other high-quality detergent oils are acceptable if classified for service SF, SG, SH, SJ or higher. Do not use special additives.
Outdoor temperatures determine the proper oil viscosity for the engine. Use the chart to select the best viscosity for the outdoor temperature range expected.

| A | SAE 30 – Below 40 °F (4 °C) the use of SAE 30 will result in hard starting. |
| B | 10W-30 – Above 80 °F (27 °C) the use of 10W-30 may cause increased oil consumption. Check oil level more frequently. |
| C | Synthetic 5W-30 |
| D | 5W-30 |
Check Oil Level
See Figure: 4
Before adding or checking the oil
Make sure the engine is level.
Clean the oil fill area of any debris.
- Remove the dipstick (A, Figure 4) and wipe with a clean cloth.

- Install and tighten the dipstick (A, Figure 4).
- Remove the dipstick and check the oil level. Correct oil level is at the top of the full indicator (B, Figure 4) on the dipstick.
- If oil level is low, slowly add oil into the engine oil fill (C, Figure 4). Do not overfill. After adding oil, wait one minute and then recheck the oil level.
Note: Do not add oil at the quick oil drain , if equipped. For location, see Features and Controls. - Reinstall and tighten the dipstick (A, Figure 4).
Oil Pressure
If the oil pressure is too low, a pressure switch (if equipped) will either stop the engine or activate a warning device on the equipment. If this occurs, stop the engine and check the oil level with the dipstick.
If the oil level is below the ADD mark, add oil until it touches the FULL mark. Start the engine and check for the correct oil pressure before you continue to operate the machine.
If the oil level is between the ADD and FULL marks, DO NOT start the engine. Contact an authorized service dealer to correct the oil pressure problem.
Fuel Recommendations
Fuel must meet these requirements:
- Clean, fresh, unleaded gasoline.
- A minimum of 87 octane / 87 AKI (91 RON). For high altitude use, see below.
- Gasoline with up to 10% ethanol (gasohol) is acceptable.
NOTICE Do not use unapproved gasolines, such as E15 and E85. Do not mix oil in gasoline or modify the engine to run on alternate fuels. Use of unapproved fuels will cause damage to engine components, which will not be covered under warranty.
To protect the fuel system from gum formation, mix a fuel stabilizer into the fuel. See the appropriate Operator’s Manual for recommendations. All fuel is not the same.
If starting or performance problems occur, change fuel providers or change brands. This engine is certified to operate on gasoline. The emissions control system for this engine is EM (Engine Modifications).
High Altitude
At altitudes over 5,000 feet (1524 meters), a minimum 85 octane/85 AKI (89 RON) gasoline is acceptable.
For carbureted engines, high altitude adjustment is required to maintain performance. Operation without this adjustment will cause decreased performance, increased fuel consumption, and increased emissions. Contact a Briggs & Stratton Authorized Service Dealer for high altitude adjustment information. Operation of the engine at altitudes below 2,500 feet (762 meters) with the high altitude adjustment is not recommended.
For Electronic Fuel Injection (EFI) engines, no high altitude adjustment is necessary.
Adding Fuel
WARNING ![]()
Fuel and its vapors are extremely flammable and explosive.
Fire or explosion can cause severe burns or death.
When Adding Fuel
- Turn engine off and let engine cool at least 3 minutes before removing the fuel cap.
- Extinguish all cigarettes, cigars, pipes, and other sources of ignition.
- Fill fuel tank outdoors or in a well-ventilated area.
- Do not overfill fuel tank. To allow for expansion of the fuel, do not fill above the bottom of the fuel tank neck.
- Keep fuel away from sparks, open flames, pilot lights, heat, and other ignition sources.
- Check fuel lines, tank, cap, and fittings frequently for cracks or leaks. Replace if necessary.
- If fuel spills, wait until it evaporates before starting engine.
- Clean the fuel cap area of dirt and debris. Remove the fuel cap (A, Figure 5).
- Fill the fuel tank with fuel. To allow for expansion of the fuel, do not fill above the bottom of the fuel tank neck (B).
- Reinstall the fuel cap.

Starting the Engine
WARNING
- If you do not understand how a specific control functions, or have not yet thoroughly read the Features & Controls section, do so now.
- Do NOT attempt to operate the tractor without first becoming familiar with the location and function of all Control.
- While sitting in the operator’s seat, make sure the PTO switch is disengaged and the ground speed control levers are locked in the START/PARK position.
Note: The parking brake is automatically engaged when the ground speed levers are locked in the START/PARK position. - Set the engine speed control past the FAST position to the CHOKE position.
Note: A warm engine does not require choking.
Note: Some engines are equipped with a separate choke control.
Note: Some engines are equipped with a ReadyStart® feature, and do not feature a choke. - Insert the key into the ignition switch and turn it to START.
- After the engine starts, turn off the choke (if equipped), and warm up the engine by running it for at least a minute before engaging the PTO switch or driving the rider.
- After warming the engine, always operate the unit at full engine speed when mowing.
In the event of an emergency the engine can be stopped by simply turning the ignition switch to STOP. Use this method only in emergency situations. For normal engine shut down follow the procedure given in Stopping The Rider And Engine .
Stopping the Rider
- Return the ground speed levers to the middle (or neutral ‘N’) position to stop rider movement. Pivot the levers outward to lock them in the START/PARK position.
Note: Moving the ground speed levers to the START/ PARK position automatically engages the parking brake. - Disengage the PTO by pushing down on the PTO switch.
- Move the engine speed control to the SLOW position and turn the ignition switch to OFF. Remove the key.
Driving
Zero Turn Driving Practice
Before attempting to drive the zero-turn riding mower make sure you have read the Features and Controls section and understand the location and function of all of the unit’s controls.
The ground speed control levers of this zero-turn riding mower are responsive, and learning to gain a smooth and efficient control of the unit’s forward, reverse, and turning movements will take some practice.
Spending some time going through the maneuvers shown and becoming familiar with how the unit accelerates, travels, and steers, before you begin mowing, is absolutely essential to getting the most out of the zero-turn riding mower.
Locate a smooth, flat area of your lawn, one with plenty of room to maneuver. Clear the area of objects, people, and animals before you begin. Operate the unit at mid-throttle during this practice session (ALWAYS operate at full throttle when mowing), and turn slowly to prevent tire slippage and damage to your lawn.
We suggest you begin with the Smooth Travel procedure, and then advance through the forward, reverse, and turning maneuvers.
Smooth Travel
The lever controls of the Zero Turn rider are responsive.
The BEST method of handling the ground speed control levers is in three steps — as shown in Figure 6.

FIRST place your hands onto the levers as shown.
SECOND, to go forward gradually push the levers forward with your palms.
THIRD, to speed up move the levers farther forward. To slow down smoothly, slowly move the levers toward neutral.
Basic Driving
Forward Travel Practice

Gradually move both ground speed control levers — evenly FORWARD from neutral. Slow down and repeat.
NOTE: Straight forward travel takes practice. If necessary, top speed can be balance-adjusted — see the Speed Balancing Adjustment in the Adjustments section near the back of this manual.
Reverse Travel Practice

LOOK DOWN & BEHIND, then gradually move both ground speed control levers evenly BACK from neutral. Slow down and repeat.
NOTE: Practice backing up for several minutes before attempting to do so near objects. The rider turns sharply in reverse as well as forward, and backing up straight takes practice.
Practice Turning Around A Corner

While traveling forward allow one handle to gradually return back toward neutral. Repeat several times.
NOTE: To prevent pivoting directly on the tire tread, it is best to keep both wheels going at least slightly forward.
Practice Turning in Place

To turn in place, “Zero Turn,” gradually move one ground speed control lever forward from neutral and one lever back from neutral simultaneously. Repeat several times.
NOTE: Changing the amount each lever is pulled—forward or back, changes the “pivot point” you turn on.
Advanced Driving
Executing an End-Of-Row Zero Turn

you to turn around at the end of a cutting row rather than having to stop and Y-turn before starting a new row.
For example, to execute a left end-of row zero turn:
- Slow down at the end of the row.
- Move the RIGHT ground speed control lever forward slightly while moving the LEFT ground speed control lever back to center and then slightly back from center.
- Begin mowing forward again.
This technique turns the rider LEFT and slightly overlaps the row just cut —eliminating the need to back up and re-cut missed grass.
As you become more familiar and experienced with operating the Zero Turn rider, you will learn more maneuvers that will make your mowing time easier and more enjoyable.
Remember, the more you practice, the better your control of the Zero Turn will be!
Mowing
- Make sure the PTO switch is disengaged, the ground speed control levers are locked in their START/PARK positions, and the operator is in the seat.
- Start the engine. See Starting the Engine .
- Set the mower cutting height. See Cutting Height Adjustment .
- Set the engine speed control to FAST.
- Engage the PTO by pulling up on the PTO switch.
- Pivot the ground speed levers in from the START/PARK position to the neutral ‘N’ position.
- Begin mowing. See Operator Safety for tips on safe mowing practices.
- When finished, shut off the PTO.
- Stop the engine. See Stopping The Rider And Engine .
Towed Equipment
Secure the trailer with an appropriately sized clevis pin (A, Figure 12) and clip (B). See Operator Safety for additional safety information regarding trailers and towing.
WARNING
Towing Hazard
Towed loads can be hazardous and cause loss of control on slopes.
- The maximum gross (trailer & load) weight of the trailer should not exceed 200 lbs (91 kg).
- The maximum tongue weight should not exceed 20 lbs (9,1 kg).
- Do not operate on slope exceeding 5 degrees.
- Reduce speed and use extreme caution on slopes.
- Do not tow with a grass bagger attached.

Cutting Height Adjustment (Pin Type)
height. See Specifications for cutting height adjustment range.
To adjust cutting height:
- Fully depress the cutting height adjust pedal (A, Figure 13) until the transport release rod (B) locks the deck into the highest position (transport position).
- Remove the pin (C, Figure 13) from the adjustment bracket, and insert it in the desired hole.
Note: Make sure the pin is inserted into the holes in both upper and lower plates of the adjustment bracket. - Depress the cutting height adjust pedal, move the transport release rod outward, and slowly release the pedal until it rests against the pin.

Cutting Height Adjustment (Slot Type)
The cutting height adjust pedal adjusts the mower cutting height. See Specifications for cutting height adjustment range.
To adjust cutting height:
- Fully depress the cutting height adjust pedal (A, Figure 14).
- Move the cutting height adjust lever (B, Figure 14) into the desired cutting height slot (C).
- Slowly release the cutting height adjust pedal.

Cargo Bed (select models)
The cargo bed is designed to carry up to 50 lbs (22,7 kg).
Slots in the rear of the bed will accommodate a 2 x 4 or 2 x 6 to help secure loads during transport.
WARNING ![]()
Amputation Hazard
Rotating blades cut off arms and legs. Do not carry riders (especially children) even with the blades off. They may fall off or return for another ride when you are not expecting it.
WARNING 
Loss of Control and Roll-Over Hazard
Operating with loads in the cargo bed greater than 50 lbs can be hazardous and cause loss of control and roll-overs.
The cargo bed can be raised to access the engine compartment without removing it.
To raise the cargo bed
- Raise the seat (A, Figure 15).
- Pull up firmly on the rear of the bed (B, Figure 15).
- When lowering the bed, press down firmly to secure the rear of the bed in place with the locking clips (D).
To remove the cargo bed
- Remove the pins (C, Figure 15) securing the front of the bed to the rider frame.
- Pull up firmly on the rear of the bed to release the locking clips (D, Figure 15).
- Lift and remove the cargo bed from the rider.
CAUTION
To avoid injury, assistance is required when removing or installing the cargo bed.
To install the cargo bed
- Position the bed over the engine compartment, aligning the holes in the front of the bed with the holes in the frame brackets.
- Install the pins (C, Figure 15) into the holes.
- Lower the rear of the bed, pressing down firmly to secure with the locking clips (D, Figure 15).
CAUTION
To avoid injury, assistance is required when removing or installing the cargo bed.

Suspension Adjustment (if equipped)
The shock assemblies (A, Figure 16 – front shown, rear similar) can be adjusted to vary the amount of pre-load applied to the springs. This allows the operator to customize the ride according to operator’s weight and operating conditions.
Less Pre-Load:
- Light operator weight
- Softer, more cushioned ride
- Best for relatively flat terrain
More Pre-Load:
- Heavy operator weight
- Stiffer, more rigid ride
- Better handling and greater stability on hilly terrain
To Adjust the Spring Pre-Load:
- Park machine on a flat, level surface. Disengage the PTO, pivot the ground speed levers out to the START/ PARK position, and stop the engine.
- Turn the pre-load adjustment collar (B, Figure 16) to a higher notch (-) to decrease the pre-load, or to a lower notch (+) to increase the pre-load. Make sure all shocks are set to the same amount of pre-load.

Maintenance
Maintenance Schedule
WARNING ![]()
Unintentional sparking can result in fire or electric shock.
Unintentional start-up can result in entanglement, traumatic amputation, or laceration.
Before performing adjustments or repairs:
- Disconnect the spark plug wire and keep it away from the spark plug.
- Disconnect battery at negative terminal (only engines with electric start).
- Use only correct tools.
- Do not tamper with governor spring, links, or other parts to increase engine speed.
- Replacement parts must be of the same design and installed in the same position as the original parts. Other parts may not perform as well, may damage the unit, and may result in injury.
- Do not strike the flywheel with a hammer or hard object because the flywheel may shatter during operation.
| RIDER AND MOWER |
| Every 8 Hours or Daily |
| Check safety interlock system |
| Clean debris off rider and mower deck |
| Clean debris from engine compartment |
| Every 25 Hours or Annually * |
| Check mower blade stopping time |
| Check rider and mower for loose hardware |
| Check tire pressure |
| Every 50 Hours or Annually * |
| Check rider brakes |
| Clean battery and cables |
| See Dealer Annually to |
| Lubricate rider and mower |
RIDER AND MOWER
Check mower blades
* Whichever comes first
** Check blades more often in regions with sandy soils or high
dust conditions.
| ENGINE |
| First 5 Hours |
| Change engine oil |
| Every 8 Hours or Daily |
| Check engine oil level |
| Every 25 Hours or Annually * |
| Clean engine air filter and pre-cleaner ** |
| Every 50 Hours or Annually * |
| Change engine oil |
| Replace oil filter |
| Annually |
| Replace air filter |
| Replace pre-cleaner |
| See Dealer Annually to |
| Inspect muffler and spark arrester |
| Replace spark plug |
| Replace fuel filter |
| Clean engine air cooling system |
* Whichever comes first
** Clean more often in dusty conditions or when airborne debris is present.
Emissions Control Service
Maintenance, replacement, or repair of the emissions control devices and systems may be performed by any off-road engine repair establishment or individual.
However, to obtain “no charge” emissions control service, the work must be performed by a factory authorized dealer. See the Emissions Control Statements.
Checking Tire Pressures
Tire pressure should be checked periodically (see Figure 17), and maintained at the levels shown in the Specifications chart. Note that these pressures may differ slightly from the “Max Inflation” stamped on the sidewall of the tires. The pressures shown provide proper traction and extend tire life.

Check Mower Blade Stopping Time
Mower blades and mower drive belt should come to a complete stop within five seconds after the electric PTO switch is turned off.
WARNING
Unsafe Operation Hazard
If the mower blade does not come to a complete stop within 5 seconds, the blade must be adjusted. Do not operate the machine until the proper adjustment has been performed by an authorized dealer.
Check the mower blade for proper function. See Safety Interlock System Tests. The blade should stop rotating in 5 seconds or less after moving the blade control to the OFF position.
Battery Maintenance
WARNING ![]()
Explosion and Fire Hazard
When removing or installing battery cables, disconnect the negative cable FIRST and reconnect it LAST. If not done in this order, the positive terminal can be shorted to the frame by a tool.
Cleaning the Battery and Cables
- Disconnect the cables from the battery, negative cable first (B, Figure 18).
- Clean the battery terminals and cable ends with a wire brush until shiny.
- Reinstall the battery and reattach the battery cables, positive cable first (A, Figure 18).
- Coat the cable ends and battery terminals with petroleum jelly or non-conducting grease.
- Be sure to replace the terminal cover over the positive battery terminal (A, Figure 18).

Charging The Battery
WARNING ![]()
Explosion and Fire Hazard
Keep open flames and sparks away from the battery; the gasses coming from it are highly explosive. Ventilate the battery well during charging.
A dead battery or one too weak to start the engine may be the result of a defect in the charging system or other electrical component. If there is any doubt about the cause of the problem, see your dealer.
To charge the battery, follow the instructions provided by the battery charger manufacturer as well as all warnings included in the Operator Safety section of this manual. Charge the battery until fully charged. Do not charge at a rate higher than 10 amps.
Seat And Ground Speed Lever Adjustments
The seat and ground speed levers should be adjusted so that the ground speed levers can be moved through their full range of motion without contacting the operator’s legs.
Seat Adjustment
- Raise the seat.
- Loosen the adjustment hardware (A or B, Figure 19, depending on seat type) under the seat base.
- Slide the seat forward or backward to the desired position.
- Tighten the hardware to 80 lb-in (9 Nm)

Ground Speed Lever Adjustment
- Loosen the ground speed lever mounting hardware (A, Figure 20) to adjust the levers forward and backward.
- Remove the hardware to raise or lower the levers.
- Always be sure to adjust both levers so that they are aligned (B, Figure 20).
- After adjustment is complete, tighten the hardware to 13 lb-ft (18 Nm)

Speed Balancing (Tracking) Adjustment
If the rider drifts to the right or left when the ground speed levers are in the maximum forward position, the top speed of each of these levers can be balanced. Only adjust the speed of the wheel that is traveling faster.
Tighten the knob (A, Figure 21) of the faster wheel by 1/2- turn (clockwise) increments until the rider travels (tracks) straight.
WARNING
Unsafe Operation Hazard
DO NOT adjust the rider for a faster overall speed forward or reverse than it was designed.

Mower Removal And Installation
Refer to the Mower Deck Manual for instructions on removing and installing the mower deck.
Mower Deck Leveling
Refer to the Mower Deck Manual for instructions on leveling the mower deck.
Changing The Oil
Used oil is a hazardous waste product and must be disposed of properly. Do not discard with household waste. Check with your local authorities, service center, or dealer for safe disposal/recycling facilities.
Draining The Oil
- With engine off but still warm, disconnect the spark plug wire (A, Figure 22) and keep it away from the spark plug.
- Remove the dipstick (B, Figure 22).
Standard Oil Drain Plug
- Remove the oil drain plug (C, Figure 22). Drain the oil into an approved container.
- After the oil has drained, install and tighten the oil drain plug.

Optional Quick Oil Drain
- Disconnect the oil drain hose (H, Figure 23) from the side of the engine.
- Turn and remove the oil drain cap (I, Figure 23). Carefully lower the quick oil drain (H) into an approved container (J).
- After the oil has drained, install the oil drain cap. Attach the oil drain hose to the side of the engine.

Changing The Oil Filter
For replacement intervals, see Maintenance Schedule.
- Drain the oil from the engine. See Draining The Oil .
- Remove the oil filter (K, Figure 24) and dispose of properly.

- Before installing the new oil filter, lightly lubricate the oil filter gasket with fresh, clean oil.
- Install the oil filter by hand until the gasket contacts the oil filter adapter, then tighten the oil filter 1/2 to 3/4 turns.
- Add oil. See Operation – Check Oil Level .
- Start and run the engine. As the engine warms up, check for oil leaks.
- Stop the engine and check the oil level.
Servicing The Air Filter
WARNING ![]()
Fire and Explosion Hazard
Fuel and its vapors are extremely flammable and explosive.
Fire or explosion can cause severe burns or death.
Never start or run the engine with the air cleaner assembly or air filter removed.
NOTICE
Do not use pressurized air or solvents to clean the filter.
Pressurized air can damage the filter and solvents will dissolve the filter.
- Loosen the fasteners (A, Figure 25) and remove the cover (B).
- To remove the filter (C, Figure 25), lift the end of the filter.
- Remove the pre-cleaner (D, Figure 25), if equipped, from the filter.
- To loosen debris, gently tap the filter on a hard surface. If the filter is excessively dirty, replace with a new filter.
- Wash the pre-cleaner in liquid detergent and water. Then allow it to thoroughly air dry. Do not oil the precleaner.
- Assemble the dry pre-cleaner to the filter.
- Install the filter into the engine base (E, Figure 25) and push down until the filter snaps in place.
- Install the cover.

Service Air Filter
See Figure: 26
WARNING ![]()
Fuel and its vapors are extremely flammable and explosive.
Fire or explosion can cause severe burns or death.
Never start and run the engine with the air cleaner assembly (if equipped) or the air filter (if equipped) removed.
NOTICE Do not use pressurized air or solvents to clean the filter. Pressurized air can damage the filter and solvents will dissolve the filter.
See the Maintenance Schedule for service requirements.
Various models use either a foam or a paper filter. Some models may also have an optional pre-cleaner that can be washed and reused. Compare the illustrations in this manual with the type installed on your engine and service as follows.
- Loosen the fastener(s) (A, Figure 26).

- Remove the cover (B, Figure 26).
- To remove the filter (C, Figure 26), lift the end of the filter and then pull the filter off the intake (E).
- To loosen debris, gently tap the filter (C, Filter 26) on a hard surface. If the filter is excessively dirty, replace with a new filter.
- Remove the pre-cleaner (D, Figure 26), if equipped, from the filter (C).
- Wash the pre-cleaner (D, Figure 26) in liquid detergent and water. Allow the pre-cleaner to air dry. Do not oil the pre-cleaner.
- Assemble the dry pre-cleaner (D, Figure 26), if equipped, to the filter (C).
- Install the filter (C, Figure 26) on the intake (E). Push the end of the filter into the base. Make sure the filter fits securely in the base.
- Install the cover (B, Figure 26) and secure with the fastener(s) (A). Make sure the fastener(s) is tight.
Check the Spark Plugs
WARNING ![]()
Unintentional sparking can result in fire or electric shock.
Unintentional start-up can result in entanglement, traumatic amputation, or laceration.
When testing for spark:
- Use approved spark plug tester.
- Do not check for spark with spark plug removed.
NOTICE
Spark plugs have different heat ranges. It is important that the correct spark plug is used, otherwise, engine damage can occur. Replace the spark plug with the same type or equivalent one.
Clean Spark Plug
Clean the spark plug with a wire brush and sturdy knife. Do NOT use abrasives.
Check Spark Plug Gap
Use a spark plug feeler gauge (A, Figure 27) to check the gap between the two electrodes. When the gap is correct, the gauge will drag slightly as you pull it through the gap.
To adjust the spark plug gap, use a spark plug gauge and gently bend the curved electrode. Make sure that you do not touch the center electrode or the porcelain.

Install Spark Plug
Tighten the spark plug with your fingers, and then, tighten it with a wrench as shown in Figure 28.
- 180 in-lbs (20 Nm), OR
- 1/2 turn when you install the original spark plug. 1/4 turn when you install a new spark plug.

Pushing the Rider By Hand
WARNING
Unsafe Operation Hazard.
DO NOT disengage the transmissions and coast down slopes. DO NOT use Roll Release to disengage the transmissions unless machine motion can be controlled and engine is off.
NOTICE
Do not tow rider. Towing the unit will cause transmission damage. Do not use another vehicle to push or pull this unit.
- Disengage the PTO, lock the ground speed levers into their START/PARK positions, turn the ignition OFF, remove the key, and wait for all moving parts to stop.
- To disengage the transmissions, move the roll release levers (A or B, Figure 29, depending on model), into the PUSH position as shown.
- Pivot the ground speed levers in from the START/ PARK position to the neutral ‘N’ position to disengage the parking brake. The rider can now be pushed by hand.
- After moving the rider, re-engage the transmissions by moving the roll release levers back to the DRIVE position.

Cleaning
- Clean dirt and debris from the rider and mower deck.
Note: Some mower decks feature a washout port. See Washing The Mower Deck . - Clean any debris buildup in the engine compartment and from on or around the engine.
WARNING ![]()
Fire Hazard
Yard debris is combustible.
- Clean dirt and debris from the rider and mower deck.
- Clean build-up from around the engine.
Washing The Mower Deck
The washout port allows you to connect a typical garden hose to the left-hand side of the mower deck to remove grass and debris from the underside
WARNING ![]()
Amputation and Thrown Object Hazard
Contact with the mower blades, or with objects thrown by the mower blades, could result in death or serious injury.
- Before running the mower, make sure the hose is properly connected and does not come into contact with the blades.
- When the mower is running and the blades are engaged, the person cleaning the mower deck must be in the operator position, with no bystanders in the area.
- Place the unit on a smooth level surface.
- Attach the quick disconnect (C, Figure 30) to garden hose (B) and connect to the washout port (A) on the mower deck.
- Run water to remove grass and debris from the underside of the mower deck.
- Turn the mower on and place in the highest cutting position.
- Turn the mower off.
- Remove the garden hose and quick disconnect from the washout port when completed

Storage
WARNING ![]()
Fire and Explosion Hazard
Never store the unit (with fuel) in a closed structure without sufficient airflow. Fuel vapors can travel to an ignition source (such as a furnace, water heater, etc.) and cause an explosion. Fuel vapor is also toxic to humans and animals.
When Storing Fuel Or Equipment With Fuel in Tank
Store away from furnaces, stoves, water heaters, or other appliances that have pilot lights or other ignition sources because they can ignite fuel vapors.
Equipment
Disengage the PTO, lock the ground speed levers in the START/PARK position, and remove the key.
Battery life will be increased if it is removed. Put in a cool, dry place and keep fully charged during storage. If the battery is left in the unit, disconnect the negative cable.
Engine Oil
While the engine is still warm, change the engine oil.
Before starting the unit after it has been stored:
- Check all fluid levels. Check all maintenance items.
- Do all recommended checks and procedures found in this manual.
- Let the engine warm up for several minutes before use.
Storage – Fuel System
Fuel can become stale when kept in a storage container for more than 30 days. Each time you fill the container with fuel, add fuel stabilizer to the fuel as specified by the manufacturer’s instructions. This keeps fuel fresh and decreases fuel-related problems or contamination in the fuel system.
It is not necessary to drain fuel from the engine when fuel stabilizer is added as instructed. Before storage, turn the engine ON for 2 minutes to move the fuel and stabilizer through the fuel system.
Troubleshooting
Troubleshooting The Rider
| PROBLEM | LOOK FOR | REMEDY |
| Engine will not turnover or start. | Ground speed levers not in START/PARK positions. | Lock ground speed levers in START/ PARK positions. |
| PTO (electric clutch) switch in ON position. | Place in OFF position. | |
| Out of fuel. | If engine is hot, allow it to cool, then refill the fuel tank. | |
| Engine flooded. | Open the choke (if equipped). | |
| Battery terminals require cleaning. | Clean the battery terminals. |
| PROBLEM | LOOK FOR | REMEDY |
| Battery discharged or dead. | Recharge or replace. | |
| Spark plug(s) faulty, fouled or incorrectly gapped. | Clean and gap or replace. | |
| Engine starts hard or runs poorly. | Fuel mixture too rich. | Clean air filter. Check the choke (if equipped). |
| Spark plug faulty, fouled, or incorrectly gapped. | Clean and gap or replace. | |
| Engine knocks. | Low oil level. | Check/add oil as required. |
| Using wrong grade oil. | See Oil Recommendations. | |
| Excessive oil consumption. | Engine running too hot. | Check engine fins, blower screen, and air cleaner. |
| Using wrong grade oil. | See Oil Recommendations. | |
| Too much oil in crankcase. | Drain excess oil. | |
| Engine exhaust is black. | Dirty air filter. | Replace air filter. |
| Engine choke control is in closed position. | Open choke control (if equipped). | |
| Engine runs, but rider will not drive. | Transmission(s) disengaged. | Unlock roll release lever(s). |
| Rider drive belt slips. | Pulleys or belt greasy or oily. | Clean as required. |
| Rider steers or handles poorly. | Steering linkage is loose. | Check and tighten any loose connections. |
For all other issues, see authorized dealer.
Troubleshooting The Mower
| PROBLEM | LOOK FOR | REMEDY |
| Mower will not raise. | Mower deck not properly installed. | See Mower Removal And Installation . |
| Mower cut is uneven. | Mower not leveled properly. | See Mower Deck Leveling . |
| Rider tires not inflated equally or properly. | See Maintenance sectio | |
| Mower cut is rough looking. | Engine speed too slow. | Set engine speed control to FAST. |
| Ground speed too fast. | Decrease ground speed. | |
| Engine stalls easily with mower engaged. | Engine speed too slow. | Set engine speed control to FAST. |
| Ground speed too fast. | Decrease ground speed. | |
| Cutting height set too low. | Cut tall grass at maximum cutting height during first pass. |
| PROBLEM | LOOK FOR | REMEDY |
| Discharge chute jamming with cut grass. | Cut grass with discharge pointing toward previously cut area. | |
| Excessive mower vibration. | Blade mounting hardware is loose. | Tighten to 50-60 ft-lbs (68-81 Nm). |
For all other issues, see authorized dealer.
Specifications
ENGINE
Briggs & Stratton
| Intek™ Series | |
| Displacement | 44.18 cu in. (724 cc) |
| Professional Series™ | |
| Displacement | 30.51 cu in. (500 cc) |
| Displacement | 44.18 cu in. (724 cc) |
| EXi Series™ | |
| Displacement | 40.03 cu in. (656 cc) |
| PXi Series™ | |
| Displacement | 44.18 cu in. (724 cc) |
| All Engines | |
| Oil Capacity (500 cc) | 48 oz (1,4 L) |
| Oil Capacity (656cc / 724 cc) | 64 oz (1,9 L) |
| Spark Plug Gap | 0.030 in. (0,76 mm) |
| Spark Plug Torque | 180 in-lbs (20 Nm) |
CHASSIS
| Fuel Tank Capacity | 3 gal (11,4 L) |
| Inflation Pressure | |
| – Front Wheels | 22 psi (1,52 bar) |
| – Rear Wheels | 12 psi (0,83 bar) |
TRANSMISSION
| Type | Hydro-Gear® EZT® |
| Hydro-Gear® ZT-2800® |
MOWER
| Width of Cut | 36″ (91 cm) |
| 42” (107 cm) | |
| 44” (112 cm) | |
| 46” (117 cm) | |
| 48” (122 cm) | |
| 52” (132 cm) | |
| Cutting Height | 1.5” – 3.75” (3,8 – 9,5 cm) |
| 1.5” – 4.3” (3,8 – 11,0 cm) | |
| 1.5” – 4.5” (3,8 – 11,7 cm) |
Power Ratings
The gross power rating for individual gasoline engine models is labeled in accordance with SAE (Society of Automotive Engineers) code J1940 Small Engine Power & Torque Rating Procedure, and is rated in accordance with SAE J1995. Torque values are derived at 2600 RPM for those engines with “rpm” called out on the label and 3060 RPM for all others; horsepower values are derived at 3600 RPM. The gross power curves can be viewed at www.BRIGGSandSTRATTON.COM. Net power values are taken with exhaust and air cleaner installed whereas gross power values are collected without these attachments.
Actual gross engine power will be higher than net engine power and is affected by, among other things, ambient operating conditions and engine-to-engine variability. Given the wide array of products on which engines are placed, the gasoline engine may not develop the rated gross power when used in a given piece of power equipment. This difference is due to a variety
of factors including, but not limited to, the variety of engine components (air cleaner, exhaust, charging, cooling, carburetor, fuel pump, etc.), application limitations, ambient operating conditions (temperature, humidity, altitude), and engine-to-engine variability. Due to manufacturing and capacity limitations, Briggs & Stratton may substitute an engine of higher rated power for this engine.
Note:The engine information contained in this manual applies to Briggs & Stratton engines only. For information regarding non-Briggs engines, refer to the engine manual supplied with your unit.
Parts And Accessories
See an Authorized Service Dealer.














Roll-over hazard










































