VELP SCIENTIFICA F202A0176 ZX3 Advanced Vortex Mixer

General Information
- Before using the unit, please read the following instruction manual carefully.
- Do not dispose of this equipment as urban waste, in accordance with EEC directive 2002/96/CE.
This unit must be used for laboratory applications only
The manufacturer declines all responsibility for any use of the unit that does not comply with these instructions. If the product is used in a not-specified way by the manufacturer or with non-specified accessories, the product’s safety may be compromised.
This unit has been designed and manufactured in compliance with the following standards:
Safety requirements for electrical equipment for measurement, control, and for laboratory use
- Safety requirements for electrical equipment for measurement, control, and for laboratory use UL 61010-1
- General requirement – Canadian electrical code CAN/CSA-C22.2 No.61010-1
VELP reserves the right to modify the characteristics of its products with the aim of constantly improving their quality.
Safety Regulations
Connect the instrument using only the supplied external power supply The plug disconnects the instrument. Therefore, place the instrument where it can be quickly disconnected.
Position the instrument on a flat surface, with a distance from the wall of 30 cm (at least). Before placing the tube on the stirring cup, make sure that its cap is tightly closed to prevent sample leakage. The solution may release toxic, dangerous, or poisonous gases. Adequate safety measures must be taken, in accordance with the safety regulations in force, including the presence of a hood and personal protective equipment (masks, gloves, goggles, etc.).
Do not use with explosive and dangerous materials for which the equipment is not designed. The stirrer must not be used in explosive atmospheres.
Keep hand/arm vibration to a minimum (Directive 2002/44/EC) when operated manually:
- Keep the sample container as vertical as possible.
- Only exert the minimum pressure necessary for the mixing process.
- Use attachments for multiple samples when there is a large number of samples.
Introduction
Mixing by spinning can be carried out quickly and safely by placing the tube containing the sample on the mixing cup head. The Vortex Mixer can be used in automatic (TOUCH) or continuous mode (CONT.): in both cases, the mixing speed can be adjusted using the speed selector knob (1).
When the instrument is switched on, it is always set in TOUCH mode. Mixing starts when the test-tube tube is placed on the mixing cup head (4). For continuous mode press, the mode select button (2), and mixing starts automatically at the selected speed, no pressure is required on the cup head. The led (5) indicates that the instrument is running in TOUCH mode. The press-on fitting means that the mixing cup head can easily be replaced by any of the various accessories available for test tubes of different sizes.
Assembly and installation
Check the integrity of the unit after unpacking. The box includes:
- ZX3 Advanced Vortex Mixer with mixing cup head
- EU adapter plug
- Power supply 100-240V/12V no plug
- Instruction manual
Electrical connections
After having unpacked the instrument, place the unit on the laboratory bench. Before connecting the instrument to the power supply, make sure that the values on the rating plate correspond to those of the power supply. Connect the unit to the power supply using the transformer supplied.
Ensure that the socket and the relative cut-off device conform to current safety norms and are easy to reach.
Start-up
Check that the mixing cup head is correctly positioned. Also, check that the speed regulation knob is turned to “0 rpm”. Use the on-off switch on the front of the unit to turn the unit on (position “ON”). The start-up and the control of the speed are affected by the knob. When switched on the unit starts up in “TOUCH” mode with the indicator lights on.
Information about construction materials
- Housing
- Paint
- Frontal control panel
- Cup head
- Zinc alloy/Polymer
- PET
- PET
- SEBS
- Feet
- Platform
- Foamed part for platforms
- PVC
- PP
- PE
Operating controls
Connect the unit to the mains and turn it on using the on-off switch. Select the operating mode using the mode select button on the front of the unit.
When the Touch mode is selected, mixing starts automatically when the tube is lightly pressed down on the mixing cup head as highlighted in Figure 2.
In Continuous mode, the mixing cup head runs continuously at the set speed without pressure on the mixing cup head. However, it is important to grip the tube firmly during mixing.
NOTE:
In case of a blackout, the device will not automatically restart after the break and reconnect the power supply.
- CONTINUOUS-TOUCH
Pushing the mode select button, the respective modes are activated:- Touch (indicator light on) allows automatic operation mode even with different accessories.
- Continuous (indicator light off). The instrument runs in continuous mode with various accessories.

- SPEED REGULATION KNOB
The knob on the front of the unit can be used for quick precision regulation of mixing speed from 0 to 3000 rpm. - ON-OFF SWITCH
The on-off switch turns the unit on and off. If the switch is in the “OFF” position the unit is off; if the switch is in the “ON” position the unit is on. Always turn the unit off after use.
Maintenance
No routine or extraordinary maintenance is necessary apart from periodically cleaning the unit as described in this manual. In compliance with the product guarantee law, repairs to our units must be carried out in our factory, unless previously agreed otherwise with local distributors. To replace the cup head, pull it upwards and off. The other push-fit accessories can then be inserted. The instrument must be transported in its original packaging and any indications present on the original packaging must be followed (e.g. palletized). It is the responsibility of the user, to properly decontaminate the unit in case of hazardous substances remain on the surface or interior of the device. If in doubt about the compatibility of a cleaning or decontamination product, contact the manufacturer or distributor.
Cleaning
Disconnect the unit from the power supply and use a cloth dampened with a non-inflammable non-aggressive detergent.
Technical data
| Voltage | AC 100-240V (±10%); 50-60 Hz |
| Power input | 12 VDC ; 10.3W |
| Current consumption | 0.86A |
| Dimensions (WxHxD) | 150x130x165 mm (5.9×5.1×6.5 in) |
| Weight | 2.7 Kg (6.2 lb) |
| Speed range | 0-3000 rpm |
| Spin diameter | 4.5 mm (0.177 in) |
| Max. weight on the mixing cup head/ Accessories | 0.5 kg (1.1 lb) |
| Permitted operation | Continuous |
| Operation mode | Continuous or Touch |
| Level of electrical protection IEC/EN60529+A1 | IP 42 |
| Noise level | << 80 dBa |
| Admitted temperature | Storage: -10…+60 °C (+14…+140 F°) Working: 5°…+40 °C (+41…+104 °F) |
| Admitted humidity | Max. 80% |
| Overvoltage category | II |
| Pollution degree IEC/EN61010-1 | 2 |
| Max altitude | 2000 m |
Accessories/Spare parts
- A00000012 Foam stand for 19 microvials 1.5 ml – Eppendorf
- A00000013 Customizable soft foam top
- A00000014 Foam stand 5 test tubes Ø16mm
- A00000015 Foam stands for microtiter
- A00000016 Small rubber supporting plate Ø 50mm
- A00000017 Big foam supporting plate Ø 94 mm
- A00000019 Foam stand 4 test tubes Ø29mm
Do not exceed 800 rpm when using one of the above accessories. High speeds may cause the sample to spill.
- 10005195 Mixing cup head TX, ZX, RX
- 10005213 Knob 24D blue
- 10005880 Foot 28Dx5H antivibration
- 40001099 Switching VELP 100-240V/12V without plug

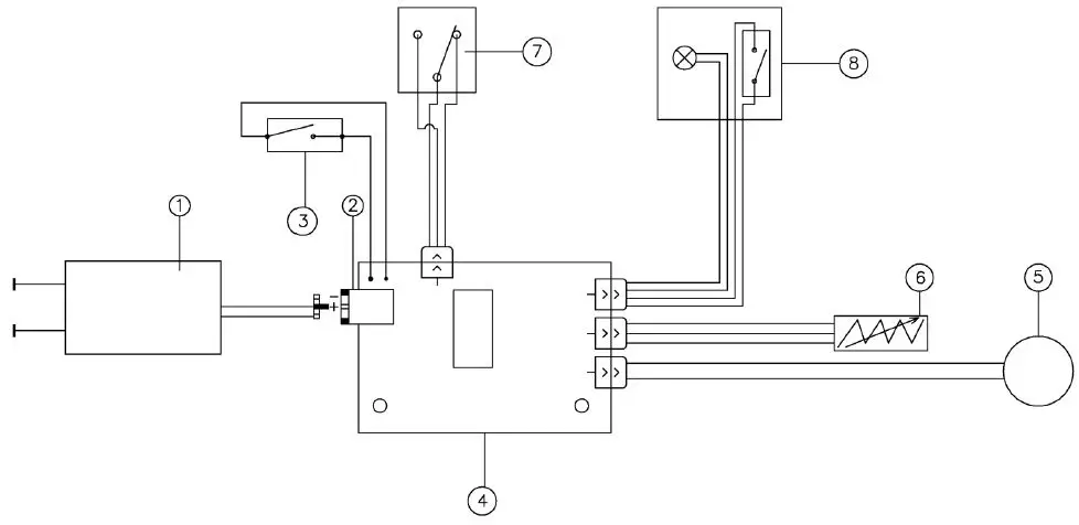
Wiring diagram

- External power supply
- Socket of the instrument
- ON-OFF switch
- Electronic boa
- Electric motor
- Potentiometer for speed regulation
- Micro-switch
- Front control panel with button and indicator light
Declaration of conformity
We, the manufacturer VELP Scientifica, under our responsibility declare that the product is manufactured in conformity with the following standards:
- EN 61010-1
- EN61010-2-051
- EN 61326-1
and satisfies the essential requirements of the following directives:
- 2006/42/EC
- 2014/30/EU
- 2015/863/EU (RoHS III)
- 2012/19/EU (WEEE)
plus modifications
UK Declaration of conformity
We, the manufacturer VELP Scientifica, under our responsibility declare that the product is manufactured in conformity with the following regulations:
- S.I. 2016/1101
Electrical Equipment (Safety) Regulations 2016 - S.I. 2016/1091
Electromagnetic Compatibility Regulations 2016
according to the relevant designated standards:
EN 61010-1
Safety requirements for electrical equipment for measurement, control, and laboratory use Part 1: General requirements
EN 61010-2-051
Particular requirements for laboratory equipment for mixing and stirring
EN 61326-1
Electrical equipment for measurement, control, and laboratory use – EMC requirements – Part 1: General requirements and satisfies the essential requirements of regulations:
- S.I. 2008/1597
Supply of Machinery (Safety) Regulations 2008 - S.I. 2012/3032
Restriction of the Use of Certain Hazardous Substances in Electrical and Electronic Equipment Regulations 2012 - S.I. 2013/3113
Waste Electrical and Electronic Equipment Regulations 2013 plus modifications.
Thank you for having chosen VELP!
Established in 1983, VELP is today one of the world’s leading manufacturers of analytical instruments and laboratory equipment that has made an impact on the worldwide market with Italian products renowned for innovation, design, and premium connectivity. VELP works according to ISO 9001, ISO 14001, and OHSAS 18001 Quality System Certification.
Our instruments are manufactured in Italy according to the IEC 1010-1 and CE regulations.
Our product lines:
Analytical instruments
- Elemental Analyzers
- Digestion Units
- Distillation Units
- Solvent Extractors
- Fiber Analyzers
- Dietary Fiber Analyzers
- Oxidation Stability Reactor
- Consumables
Laboratory Equipment
- Magnetic Stirrers
- Heating Magnetic Stirrers
- Heating Plates
- Overhead stirrers
- Vortex mixers
- Homogenizers
- COD Thermoreactors
- BOD and Respirometers
- Cooled Incubators
- Flocculators
- Overhead Shakers
- Turbidimeter
- Radiation Detector
- Open Circulating Baths
- Pumps
VELP Scientifica Srl
20865 Usmate (MB) ITALY
Via Stazione, 16
Tel. +39 039 62 88 11
Fax. +39 039 62 88 120
Website: www.velp.com.
We respect the environment by printing our manuals on recycled paper.





















