MOTAK 842-CSD1DREC Upright Economy Reach-in Refrigerator
Service, Installation, and Care Manual
Please read this manual completely before attempting to install or operate this equipment. Notify carrier of damage! Inspect all components immediately.
COMMERCIAL REFRIGERATOR SAFETY
We have provided many important safety messages in this manual and on your appliance. Always read and obey all safety messages.
This is the Safety Alert Symbol. This symbol alerts you to potential hazards that can kill or injure you and others. All safety messages will follow the Safety Alert Symbol and either the words” DANGER”,
“WARNING” or “CAUTION”.
- Caution means that failure to heed this safety statement may result in minor or moderate personal injury, or property or equipment damage.
- Danger means that failure to heed this safety statement may result in severe personal injury or death.
- The warning means that failure to heed this safety statement may result in extensive product damage, serious personal injury, or death.
- All safety messages will alert you to what the potential hazard is, tell you how to reduce the chance of injury, and let you know what can happen if the instructions are not followed.
- If the supply cord is damaged, it must be replaced by the manufacturer, its service agent or similarly qualified persons in order to avoid a hazard.
- This appliance is not intended for use by persons (including children) with reduced physical, sensory or mental capabilities, or lack of experience and knowledge unless they have been given supervision or instruction concerning use of the appliance by a person responsible for their safety. Children should be supervised to ensure that they do not play with the appliance.
- This appliance can be used by children aged from 8 years and above and persons with reduced physical sensory or mental capabilities or lack of experience and knowledge if they have been given supervision or instruction concerning use of the appliance in a safe way and understand the hazards involved. Children shall not play with the appliance. Cleaning and user maintenance shall not be made by children without supervision.
- Keep the appliance and its cord out of reach of children less than 8 years of age.
- Do not store explosive substances such as aerosol cans with a flammable propellant in this appliance.
- The appliance uses flammable insulation blowing gas C5H10, disposal of the appliance shall in accordance with the regulations of local authorities.
CAUTION FOR SAFETY.
- Leave enough space from the wall to the cabinet and the ceiling; DO NOT install back of unit flush to wall. It needs more than six inches (6”/20 cm) from the cabinet to the wall.
- Please keep away all packing material from the lower front area from heat radiation to avoid fire.
- It’s prohibited to store flammable, volatile chemicals, or explosives.
- A dedicated circuit with protection to a single-phase socket that is grounded must be used as per local codes.
- Do not connect the grounding wire to a water or gas pipe.
- Do not collide or fiercely vibrated when in transportation; DO NOT tilt more than 45’’ for the inclination of the cabinet.
- Please refer to the Trouble Shooting references when the unit is facing some problems. Do not attempt to solve the problem on your own. Please refer to certified technicians only.
- Risk of fire or explosion. The flammable refrigerant was used. Consult the repair manual/owner’s guide before attempting to service this product. All safety precautions must be followed.
- Risk of fire or explosion. Dispose of properly in accordance with federal or local regulations. The flammable refrigerant used.
- Risk of fire or explosion due to puncture of refrigerant tubing; follow handling instructions carefully. The flammable refrigerant used.
- Keep clear of obstructions all ventilation openings in the appliance enclosure or in the structure for building-in.
- Servicing shall be done by the authorized service personnel, so as to minimize the risk of possible ignition due to incorrect parts or improper service.
Risk of fire or explosion. The flammable refrigerant was used. Do not use mechanical devices to defrost the refrigerator. Do not puncture refrigerant tubing.
Component parts shall be replaced with like components and servicing shall be done by factory authorized service personnel, so as to minimize the risk of possible ignition due to incorrect parts or improper service.
Les pièces de rechange doivent être remplacées par les components relatifs et les opérations doivent être faites par les professionnels afin de minimaliser le risque d’allumage à cause des parts incorrects ou des opérations impropres.
CAUTION – Risk Of Fire Or Explosion Due To Puncture Of Refrigerant Tubing; Follow Handling Instructions Carefully. Flammable Refrigerant Used
DANGER: Risk of child entrapment. Before you throw away your old refrigerator or freezer:
Take off the doors
Leave the shelves in place so that children may not easily climb inside.
This equipment is not suitable for installation in non-commercial or residential applications.
SERIAL NUMBER INFORMATION
The serial number of all self-contained refrigerators and freezers is located inside the unit on the left-hand side near the top on the wall.
Always have the serial number of your unit available when calling for parts or service.
This manual covers standard units only. If you have a custom unit, consult the customer service department at the number listed in the back cover.
RECEIVING AND INSPECTING THE EQUIPMENT
Even though most equipment is shipped crated, care should be taken during unloading so the equipment is not damaged while being moved into the building.
- Visually inspect the exterior of the package and skid or container. Any damage should be noted and reported to the delivering carrier immediately.
- If damaged, open and inspect the contents with the carrier.
- In the event that the exterior is not damaged, yet upon opening, there is concealed damage to the equipment notify the carrier. Notification should be made verbally as well as in written form.
- Request an inspection by the shipping company of the damaged equipment. This should be done within 10 days from receipt of the equipment.
- Be certain to check the compressor compartment housing and visually inspect the refrigeration package. Be sure lines are secure and base is still intact.
- Freight carriers can supply the necessary damage forms upon request.
- Retain all crating material until an inspection has been made or waived.
SPECIFICATION
|
MODEL# |
V/Hz/Ph |
AMPS |
HP | Shelves/ Shelf Size | Max Weight Load per Shelf | Max Weight Load per Model | Cord Lgth (ft) | CHARGE OZ | SHIP WEIGHT LBS | NEMA PLUG | STORAGE CAPACITY Cu-ft |
| MSD-1DR- EC-HC | 115/60/1 | 3 | 1/3 | 3/ 25.7 x 20.9 | 53 lbs | 553 lbs | 8.2 | 3.88 | 249 | 5-15P | 25 |
| MSD-1DF- EC-HC | 115/60/1 | 7 | 2/3 | 3/ 25.7 x 20.9 | 53 lbs | 542 lbs | 8.2 | 3.88 | 269 | 5-15P | 25 |

INSTALLATION
Location
Units represented in this manual are intended for indoor use in a permanent structure only. Be sure the location chosen has a floor strong enough to support the total weight of the cabinet and contents. A fully loaded unit can weigh as much as 1500 pounds. Reinforce the floor as necessary to provide for maximum loading. For the most efficient refrigeration, be sure to provide good air circulation inside and out.
Inside cabinet:
Do not pack the units so full that air cannot circulate. The refrigerated air is discharged at the top rear of the unit. It is important to allow for proper air flow from the top rear to the bottom of the unit. Obstructions to this airflow can cause evaporator coil freeze-ups and loss of temperature or overflow of water from the evaporator drain pan. The shelves have a rear turn up on them to prevent this. However, bags and other items can still be located to the far rear of the cabinet. Air is brought into the evaporator coil with fans mounted to the front of the coil.
Outside cabinet:
Be sure that the unit has access to ample air. Avoid hot corners and locations near stoves and ovens.
It is recommended that the unit be installed no closer than 2″ from any wall with at least 12″ of clear space above the unit.
Equipment shipped with casters must be installed to promote proper airflow for the operation of the cabinet and to maintain the Health Code for clean ability. Without the installation of the caster will cause a void of warranty and Health Code violations. Be sure that the unit has access to ample air. Avoid hot corners and locations near ranges and oven. This equipment works be in a controlled environment, with ambient temperature below 90°F (32°C). It is recommended that the unit be installed no closer than 2” from any wall. This equipment is also supplied with “bumper” that must be installed on the back of the unit. Failure to do so may cause the compressor and another vital component failure, and will void the equipment’s warranty.
Leveling
A level cabinet looks better and will perform better because the doors will line up with the frames properly. Use a level to make sure the unit is level from front to back and side to side. Units supplied with legs will have adjustable bullet feet to make the necessary adjustments. If the unit is supplied with casters, no adjustments are available. Ensure the floor where the unit is to be located is level.
Stabilizing
All models are supplied with casters for your convenience, ease of cleaning underneath and for mobility. It is very important, however, that the cabinet be installed in a stable condition with the front wheels locked while in use.
Should it become necessary to lay the unit on its side or back for any reason, allow at least 24 hours before start-up to allow compressor oil to flow back into place. Failure to meet this requirement can cause compressor failure and unit damage.
Unit repairs will not be subject to standard unit warranties if due to improper installation procedures.
Electrical connection
Refer to the amperage data on page 5, the serial tag, your local code or the National Electrical Code to be sure the unit is connected to the proper power source.
The unit must be turned OFF and disconnected from the power source whenever performing service, maintenance functions or cleaning the refrigerated area.
Do not throw items into the storage area. Failure to heed these recommendations could result in damage to the interior of the cabinet.
Refrigerators: During the refrigeration cycle, the evaporator fans wilt run continuously except when one or more doors are open. The door switch will deactivate the fans when opened. (There is no interior light.)
- Every 6 hours, the unit will turn off and to allow the evaporator coil to defrost. The controller now displays the defrost symbol. When the coil temperature reaches 41°F or after 20 minutes of defrost, the unit will turn on again.
- The factory setting for the temperature range is 34°F to 38°F.
Freezers: During the refrigeration cycle the controller supplies power to the condensing unit and evaporator fan motors. The evaporator fans will run at any time when the evaporator coil temperature is below 54° F, they will run continuously except when the door is opened but cycle off during a defrost period.
Every 6 hours, the unit will turn off and electric heater will turn on to start the defrost cycle. The controller now displays the defrost symbol. When the evaporator coil temperature reaches 45°F or after 30 minutes of defrost, the unit will turn on again.
- The factory setting for temperature range is -7°Fto -1°F.
SOLID-STATE THERMOSTAT DESCRIPTIONS
*Any alteration of the original programming of this control may cause temperature and operation issues that are not covered by warranty.
FRONT PANEL COMMANDS
- SET
To display the target setpoint; in programming mode it selects a parameter or confirms an operation. - (DEF)
To start a manual defrost - (UP)
To view the latest alarm occurrence; in programming mode, it browses the parameter codes or increases the display value - (DOWN)
To view the latest alarm occurrence; in programming mode, it browses the parameter codes or decreases the display value
KEY COMBINATION
To lock & unlock the keyboard
SET + To return to the room temperature display
Function of LEDs
MAIN FUNCTIONS
HOW TO SEE THE SETPOINT
- Push and immediately release the SET key: the display will show the set point value.
- Push and immediately release the SET key or wait for 5 seconds to display the sensor value again.
HOW TO CHANGE THE SETPOINT
- Hold the SET key for more than 2 seconds to change the setpoint value.
- The value of the setpoint will be displayed and the LED starts blinking.
- To change the set value push the or key within 10s.
- To set a new point value, push the SET key again or wait10s.
HOW TO START A MANUALDEFFROST
Push the key for more than 2 seconds and a manual defrost will start
HOW TO LOCK THE KEYBOARD
- Hold the keys for more than 3s.
- The “POF” message will be displayed and the keyboard will be locked. At this point, it will be possible onlyto see the set point or the MAX or Min temperature stored.
- If a key is pressed more than 3s, the ”POF” message will be displayed.
HOW TO UNLOCK THE KEYBOARD
Hold the keys together for more than 3s till the “POF” message is displayed, then press or key to select the item to check or program.
ALARM SIGNALS
HOW TO SEE THE ALARM AND
RESET THE RECORDED ALARM 1. Push the or key to display alarm signals.
When the signal is displayed, hold the SET key until the “rst” message is displayed, and push the SET key again. The “rst” message will start blinking and the normal temperature will be displayed again.
MAINTENANCE
The power must be turned OFF and the unit disconnected from the power source whenever performing service, maintenance functions or cleaning the refrigerated area.
Refrigerators and Freezers
The interior and exterior can be cleaned using soap and warm water. If this isn’t sufficient, try ammonia and water or a nonabrasive liquid cleaner. When cleaning the exterior, always rub with the “grain” of the stainless steel to avoid marring the finish.
Do not use an abrasive cleaner because it will scratch the stainless steel and plastic and can damage the breaker strips and gaskets.
Cleaning the Condenser Coil
The condenser coil requires regular cleaning. Recommended cleaning is every 90 days. In some instances, you may find that there is a large amount of debris and dust or grease accumulated prior to the 90 day time frame. In these cases the condenser coil should be cleaned every 30 days.
If the build-up on the coil consists of only light dust and debris, the condenser coil can be cleaned with a simple brush. Heavier dust build-up may require a vacuum or even compressed air to blow through the condenser coil.
If heavy grease is present, there are de-greasing agents available for refrigeration use and specifically for the condenser coils. The condenser coil may require a spray with the degreasing agent and then blown through with compressed air.
Failure to maintain a clean condenser coil can initially cause high temperatures and excessive run times. Continuous operation with dirty or clogged condenser coils can result in compressor failures. Neglecting the condenser coil cleaning procedures will void any warranties associated with the compressor or cost to replace the compressor.
Never use a high-pressure water wash for this cleaning procedure as water can damage the electrical components located near or at the condenser coil.
In order to maintain proper refrigeration performance, the condenser fins must be cleaned of dust, dirt and grease regularly. It is recommended that this be done at least every three months. If conditions are such that the condenser is totally blocked in three months, the frequency of cleaning should be increased. Clean the condenser with a vacuum cleaner or stiff brush. If extremely dirty, a commercial-grade condenser cleaner may be required.
Stainless Steel Care and Cleaning
To prevent discoloration of rust on stainless steel several important steps need to be taken. First, we need to understand the properties of stainless steel. Stainless steel contains 70-80% iron which will rust. It also contains 12-30% chromium which forms an invisible passive film over the surface of the steel which acts as a shield against corrosion. As long as the protective layer is intact, the metal is still stainless. If the film is broken or contaminated, outside elements can begin to break down the steel and begin to form rust of discoloration. Proper cleaning of stainless steel requires soft cloths or plastic scouring pads, Cleaning solutions need to be alkaline based or non-chloride based. Any cleaner containing chlorides will damage the protective film of the stainless steel. Chlorides are commonly found in hard water, salts, and household and industrial cleaners. If cleaners containing chlorides are used, be sure to rinse repeatedly and dry thoroughly.
Routine cleaning of stainless steel can be done with soap and water. Extreme stains or grease should be cleaned with a non-abrasive cleaner and plastic scrub pad. It is always good to rub with the grain of the steel. There are also stainless steel cleaners available that can restore and preserve the finish of the steels protective layer.
Early signs of stainless steel breakdown can consist of small pits and cracks. If this has begun, clean thoroughly and start to apply stainless steel cleaners in attempt to restore the passivity of the steel.
Gasket Maintenance
Gaskets require regular cleaning to prevent mold and mildew build up and also to keep the elasticity of
the gasket. Gasket cleaning can be done with the use of warm soapy water. Avoid full strength
cleaning products on gaskets as this can cause them to become brittle and prevent proper seals.
Never use sharp tools or knives to scrape or clean the gasket which could possibly tear the gasket and rip the bellows.
Gaskets can easily be replaced and don’t require the use of tools or authorized service technicians. The gaskets are “Dart” style and can be pulled out of the groove in the door and replaced by pressing the new one back into place.
Doors/Hinges
Over time and with heavy usage, door hinges may become loose. If the door begins to sag, tighten the screws that mount the hinge brackets to the frame of the unit. If the doors are loose or sagging, this can cause the hinge to pull out of the frame which may damage to both the doors and the door hinges. In some cases, a qualified service agent or maintenance personnel is required to do this.
Drain Maintenance
Each unit has a drain located inside the unit which removes the condensation from the evaporator coil and drains the excess water into an evaporator pan. Each drain can become loose or disconnected from moving or bumping the drain. If you notice excessive water accumulation on the inside of the unit, be sure the drain tube is connected from the evaporator housing to the condensate evaporator drain pan. If water is collected underneath the unit you may want to check the condensate evaporator drain tube to be sure it is still located inside the drain pan. The leveling of the unit is important as the units are designed to drain properly when on a level surface, if your floor is not level this can also cause drain problems. Be sure all drain lines are free of obstructions because obstructions may cause water to back up and overflow the drain pans.
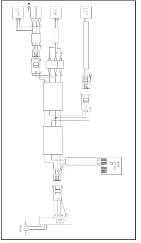
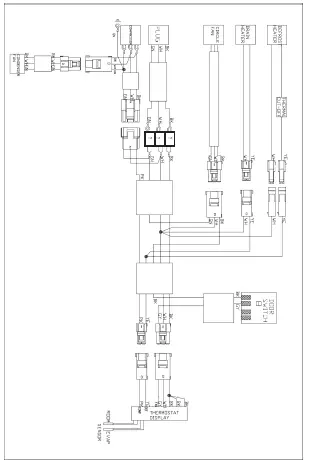
WIRING DIAGRAM
MODEL: MSD-1DR-EC-HC
MODEL: MSD-1DF-EC-HC

MODEL: MSD-1DR-EC-HC
MODEL: MSD-1DF-EC-HC
Distributed by: KaTom Restaurant Supply, Inc 305 Katom Drive
Kodak TN 37764
Website: www.katom.com
For Warranty Service Call: 833-474-0637




















