TOPENS RK700 T Automatic Sliding Gate Opener


TOPENS Website
www.topens.com
Email: [email protected]
- Please read and follow all warnings, precautions and instructions before installation and use.
- Periodic checks of the opener are required to ensure safe operation.
- Save this manual.
CONTACT US:
Visit: www.topens.com

| Please record the product model, your email address etc. in the spaces provided below. Refer to this list when contacting TOPENS for technical service or assistance with your automatic gate opener. | ||
| Where did you purchase? (Amazon.com; Amazon.ca: Amazon.co.uk, Amazon.de; Other, Please Specify) | ||
| Order# | Product Model | Purchase Date |
| Full Name | Phone# | Email Address (VERY IMPORTANT) |
| Street Address, Apartment /Unit, City, State /Province, Zip Code | Country/Region | |
| Approximate Gate Weight (pounds; kg: Other. Please Specify ) | Approximate Gate Length (feet; meter; Other. Please Specify) | Did you purchase any accessories? (Please list below) |
| Issue Details | ||
Email Us: [email protected]
Call: +1 (888) 750 9899 (Toll Free USA & Canada)

Thank you for purchasing our sliding gate opener. We are sure that the products will be greatly satisfying as soon as you start to use it.
The product is supplied with a user’s manual which encloses installation and safety precautions. These should be read carefully before installation and operation as they provide important information about safety, installation, operation and maintenance. This product complies with the recognized technical standards and safety regulations.
Check Your Gate before Installation

General Safety
WARNING! An incorrect installation or improper use of the product can cause damage to persons, animals or properties.
- Scrap packing materials (plastic, cardboard, polystyrene etc.) according to the provisions set out by current standards. Keep nylon or polystyrene bags out of children’s reach.
- This product was exclusively designed and manufactured for the use specified in the present documentation. Any other use not specified in this documentation could damage the product and be dangerous.
- The factory declines all responsibility for any consequences resulting from improper use of the product, or use which is different from that expected and specified in the present documentation.
- Do not install the product in explosive atmosphere.
- The factory declines all responsibility for any consequences resulting from failure to observe Good Technical Practice when constructing closing structures (door, gates etc.), as well as from any deformation which might occur during use.
- Disconnect the electrical power supply before carrying out any work on the installation. Also disconnect any buffer batteries, if fitted.
- Fit an omnipolar or magnetothermal switch on the mains power supply, having a contact opening distance equal to or greater than 3,5 mm.
- Make sure a residual current circuit breaker with a 30mA threshold is fitted before the power supply mains.
- Check that earthing is carried out correctly: connect all metal parts for closure (doors, gates etc.) and all system components provided with an earth terminal.
- Fit all the safety devices (photocells, electric edges etc.) which are needed to protect the area from any danger caused by squashing, conveying and shearing.
- Position at least one visible indication device, and fix a Warning sign to the structure.

- The factory declines all responsibility with respect to the automation safety and correct operation when other supplier’s components are used.
- Only use original parts for any maintenance or repair operation.
- Do not modify the automation components, unless explicitly authorized by the factory.
- Instruct the product user about the control systems provided and the manual opening operation in case of emergency.
- Do not allow persons or children to remain in the automation operation area.
- Keep radio control or other control devices out of children’s reach, in order to avoid unintentional automation activation.
- The user must avoid any attempt to carry out work or repair on the automation system, and always request the assistance of qualified personnel.
- Anything which is not expressly provided for in the present instructions is not allowed.
- Before installing the gate opener, check that all moving part as well as the sliding gate is in good mechanical condition, correctly balanced and opens and closes properly.
- Save these instructions for future use.
Preparation for Installation
Before proceeding to your opener installation, check if your gate structure is in accordance with the current standards, especially as follows:
The gate sliding track is linear and horizontal, and the wheels are suitable, the gate should be mounted and moving freely. Check that the structure is sufficiently strong and rigid, Make sure that the gate is plumb and level. The fence posts must be mounted in concrete. The gate does not bind or drag on the ground.
- The opening and closing gate stops are positioned.
WARNING: Remember that control devices are intended to facilitate gate operation, but can not solve problems due to any defects or deficiency resulting from failure to carry out correct installation or maintenance. Take the product out of its packing and inspect it for damage. Should it be damaged, contact your dealer. Remember to dispose of its components (cardboard, polystyrene, nylon, etc.) according to the current prescriptions.
Refer to the following Figures for gate installation.

In sake of safety, a positive stop must be mounted on the two end of ground track.

Parts List

Extra Parts for RK700T
Accessories Parts (Included in some models, refers to the actual package)

Optional Accessories Parts List (Available at TOPENS Store)

Replacement Parts.
WARNING: Changes or modifications not expressly specified by this user manual, TOPENS could void the warranty of this equipment.
Technical Specifications & Features
| Specifications | |
| RK700(T) | |
| Power input: | 110V~120V/60Hz or 220~240V/50Hz |
| Motor voltage: | 120VAC or 230VAC |
| Rated power: | 300W |
| Gate moving speed: | 15 cm/s (6 in/s) |
| Max gate weight: | 700kg (1600lbs) |
| Max torque: | 16Nm |
| Environmental conditions: | -20℃~ +50℃ (-4°F to 122°F) |
| Protection class: | IP44 |
Features:
- Midway mode.
- Quick selection for the gate open/close direction
- Reliable rolling code technology for remote control
- Emergency release key in case of power failure
- Stop in case of obstruction during gate opening
- Reverse in case of obstruction during gate closing
- Built in adjustable auto-close (1-99 seconds)
- Built in max. Motor Running Time (MRT) for multiple safety protection (90 seconds)
- Reliable electromagnetism limit for easy adjustment
- Can be equipped with a wide range accessories
- Easy to install, and minimum maintenance requirement
Installation Overview

Installation of the Opener
Caution:
* Be sure that the opener is installed in a level and paralleled position. Improper installation could result in property damage, severe injury, and/or death.
* Before starting installation, ensure that there is no point of friction during the entire movement of the gate and there is no danger of derailment.
* Ensure that the safety side rollers are present
Necessary Tools: The following tools may be necessary to install the Gate opener. You will need screwdrivers, an electric drill, wire cutters and a wire stripper, a socket set, and possibly access to a welder. When install the opener, you should build a concrete pad to support the base plate of opener in order to maintain proper stability.
The installation proceeds are as follows:
- Dig a hole for a concrete pad which should be approximately 46 x 42 x 35cm (18〞x 16.5〞x 14〞). It may protrude 10 cm (4”) above ground and 25 cm (10”) in depth underground. Increase the pad height if necessary to protect the system from flooding, heavy snow etc.
- Prepare one or more conduits for the electrical cables before pour concrete. Remember that cable conduits have to pass through the hole in opener base.
- Pour concrete and before it starts to harden, check that it is parallel to the gate leaf and perfectly level.
- The four anchor bolts must be set into the concrete when it is poured, make sure the position of anchor bolts was placed according to the position of mounting holes on the opener base before concrete become harden.

- Mount the opener to the concrete Pad. It’s only temporary installation. Further adjustment will be required when install the rack.
Manual Operation
You can open the gate by manual when power failure. And the opener should be put in the manual (emergency release) position before fitting the rack, installing the opener and limit switch. The process is as follows:
- Take off the rubber stopple.
- Insert the Release Key (provided) and turn it in counter-clockwise 180° to disengage the clutch between the gear shaft and power output. Now the opener is in the manual operation.

Fit the Plastic Rack Reinforced with Steel
- Start with gate in closed position
- Prepare the plastic rack (you can order extra rack from dealer if necessary).
- Put one end of rack section on the gear of opener as a temporary support.
Make rack level and mark the rack’s mounting holes (four holes for light duty or six holes for heavy duty) on the gate. - Fit the rack by self-threading screws. This kind of plastic rack is quieter and allows height adjustments to be made even after it has been fixed. Please keep 1.0mm space between the rack and the gear to avoid the weight of the gate effect on the opener.
Installation of the Magnets
Before install limit switch, make sure the gate opener is put in manual operation. (the clutch connected with gear shaft is disengaged) and the mains power supply is disconnected.
Position the two Magnet Components approximately on the gate and move the gate by hand to fix them in place.
Fit magnets bracket
Push the gate fully closed by hand. Locate and install the magnet bracket so that the opener will stop at the desired close position when the close limit switch approaches it.
Push the gate fully open by hand. Locate and install the magnet bracket so that the opener will stop at the desired open position when the open limit switch approaches it.
The lower magnet bracket must be installed at left side and higher magnet bracket must be installed at right side from the view inside of property. Finally adjust the magnet to the proper position by moving the gate with the motor. The magnet should be 20-30mm (0.8-1.2”) away from the magnetic limit switch. If it is too far away, the switch will fail to work. The distance between the magnet and the opener should be 10-15mm with the opener cover on. Adjust the position of the magnet until the positions of the opening and closing meet the requirement.
Warning: Improper magnets installation may cause the gate crash into end barrier, which is very dangerous !
Important:
* Check that the rack teeth must engage the gear teeth throughout their full thickness. If not, adjust the position of the opener or/and place a few shims between the rack and gate.
* Manually slide the gate leaf to ensure the rack is proper on the gear of opener.
* Repeat same steps of first rack section to install the rest rack sections until proper length is reached.
* Cut away any excess of the rack (Note: rack length must be longer than actual travel of the gate)
* Thoroughly fasten the four nuts as well as spring washers onto expansion bolts tightly, enabling the opener is firmly secured on the concrete pad during the whole gate travel.
Connecting of Power Supply

WARNING: NEVER connect the gate opener to the power outlet before all the installations have been done.
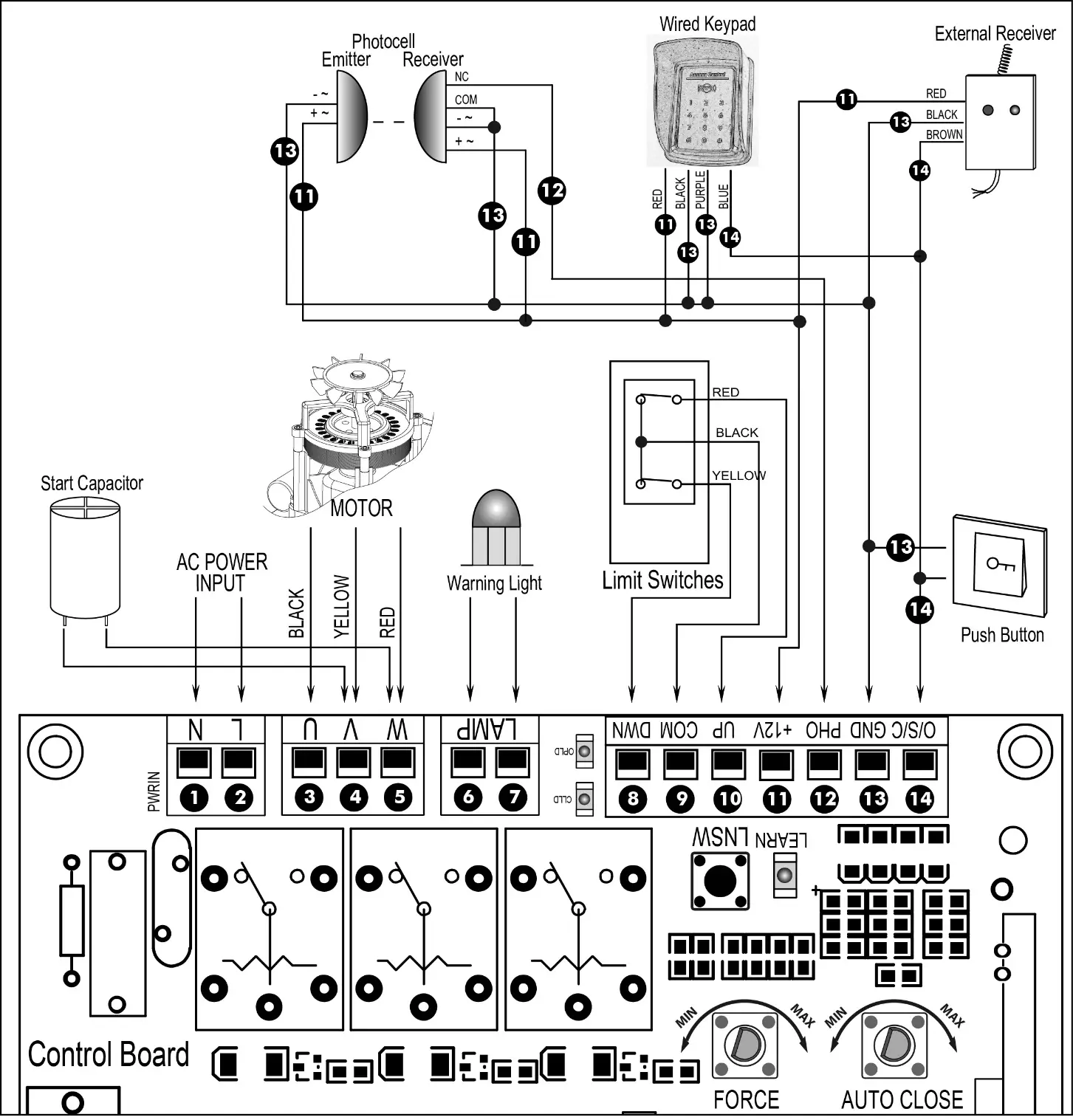
The power supply cord should be at least 3×0.75mm2 (3C×18AWG). Connect the live wire and neutral wire to the “L” (2) and “N” (1) terminal respectively; and connect the earth wire to “PE”.
Connecting of the Control Board
- Motor
The BLACK wire of the motor should be connected into the “3” terminal. The YELLOW wire of the motor should be connected into the “4” terminal. The RED wire of the motor should be connected into the “5” terminal. - Limit Switches
The YELLOW wire of the limit switches should be connected into the “8” terminal.
The BLACK wire of the limit switches should be connected into the “9” terminal.
The RED wire of the limit switches should be connected into the “10” terminal. - Warning Light (Included in some models, refers to the actual package)
One wire of the warning light should be connected into the “6” terminal, another should be connected into the “7” terminal. - Start Capacitor
The two wires of the start capacitor should be connected into the “4”terminal and “5” terminal. - Photocell Beam System (PBS) (Included in some models, refers to the actual package)
Use a 2-core cable to connect the “+ ~” terminal of the photocell’s emitter to the “11” terminal, the “- ~” terminal to the “13” terminal. Also the “+ ~” and “- ~” terminals of the photocell’s receiver should be connected to the “11” and “13” terminals in parallel.
Use another 2-core cable to connect the “COM” terminal of the receiver to the “13” terminal, the “NC” terminal to the “12” terminal.
- Wired Keypad (12VDC) (Optional)
The RED wire of the wired keypad should be connected into the “11” terminal.
The BLACK wire of the wired keypad should be connected into the “13” terminal.
The PURPLE wire of the wired keypad should be connected into the “13” terminal.
The BLUE wire of the wired keypad should be connected into the “14” terminal. - Push Button (Optional)
The push button should be wired to the “13” and “14” terminals. The gate operator works alternately by pushing the button (open-stop-close-stop-open). - External receiver (optional)
The RED wire of the external receiver should be connected into the “#11” terminal.
The BLACK wire of the external receiver should be connected into the “#13” terminal.
The BROWN wire of the external receiver should be connected into the “#14” terminal.
Setting of the Control Board
WARNING: Ensure the gate opener is Power Off when you make any adjustment of the gate opener. Keep away from the gate during you set the gate opener system in case of the unexpected gate moving. Carefully adjust the DIP switches to avoid the risk of machine damage and injury or death. Always ask the help of professional technician /electrician if you have any question.
- DIP Switches
The DIP switches are used to set the running time of the motor in midway mode, auto close time of the gate opener and fast change the open/close direction which is determined by the position of the gate opener installed.
DIP Switch #1–#2: Running time of the motor in Midway Mode
This mode enables user to drive the vehicle through the gate quickly when the gate opens to certain width.
DIP Switch #1: ON – 4 Seconds OFF – 0
DIP Switch #2: ON – 2 Seconds OFF – 0
NOTE: The midway mode function would be disabled if both DIP switches are turned off. Factory default setting is disabled. The midway mode could be activated by pressing button B of the remote control when the gate is in the full closed position.
E.g.
→Running time of the operator in midway mode is 4+2=6 seconds.
DIP Switch #3: Auto close function enabled/disabled
DIP Switch #3: ON – auto close function enabled
OFF –auto close function disabled
E.g.
→ Auto close function of the opener has been enabled. Factory default setting is disabled.
Important Note: When the auto close function is enabled, the photocell sensor is highly recommended to be installed with the gate opener for safety.
DIP Switch #5: Left/Right open

- Potentiometers
The potentiometer A is to adjust the OPEN stall force of the gate opener. The Potentiometer B is used to adjust the CLOSE stall force of the gate opener.
Turn the potentiometer clockwise to increase the stall force.
Turn the potentiometer counter-clockwise to decrease the stall force.
WARNING: Photocell is highly recommended to be installed with the gate opener as entrapment protection for safety when you set stall force to maximum.

Test the Reversing Sensitivity
For the sake of safety, it is very important to test the reversing sensitivity as soon as the control board set is finished.
The reversing sensitivity adjustment is inverse correlation with stall force adjustment in potentiometer A. In other word, the stall force level is higher; the reversing sensitivity level is lower.
Put an immobile object along the gate path, and then operate the gate to strike it during the close cycles. The gate must reverse as soon as object is struck with it. If the gate doesn’t reverse, please increase the reversing sensitivity by turning the potentiometer A in counter-clockwise direction. (Turning the stall force potentiometer toward to MIN position to increase the reversing sensitivity)
Note 1: If the sensitivity setting is too higher, the gate will stop or reverses very easy by itself while there is little obstruction or resistance such as strong wind or heavy snow sometimes.
Note 2: Always check the gate reversing function every each time of control board set or restart after power off.
How to Program or Erase the Remote
- The remote MUST be programed to the opener BEFORE OPERATING. Please follow the steps to program the remote.
- Activate the opener only when gate is in full view, free of obstruction and properly adjusted. No one should enter or leave gate area while gate is in motion. DO NOT ALLOW CHILDREN to operate push button or remote. DO NOT ALLOW CHILDREN TO PLAY NEAR THE GATE.
- If you purchase additional remote controls, the gate opener must be programmed to accept the new remote code.
- If you lose one of any remote control, please erase and reprogram all other remote controls to have a new code for safety.
Program the remote
Press and release the learn button, the REM LED light will be on, then press the key on the remote two times in 2 seconds, between the two times HOLD ON FOR A MOMENT, the REM LED light will flash for 4 seconds. Now the remote has been programmed successfully.
Erase all the remote codes
Press and hold the learn button until the REM LED light is off. Now all remote codes have been erased.
- NOTE: Max. 8 remotes can be programmed for the opener. An External Receiver (optional) allows up to 250pcs remotes to be programmed for the opener. TOPENS ERM12 Universal External Receiver is available at TOPENS Store.
- TOPENS ERM12 Universal External Receiver is also compatible with other brand swing gate opener, sliding gate opener and garage door opener.
How to Use the Remote to Operate Your Gate Opener
Each remote has four buttons, from top to bottom are separately A, B, C and D. You may use this remote to operate as many as 4 sets TOPENS swing gate openers or 1 set TOPENS sliding gate opener and 2 sets TOPENS swing gate openers.
- Use this remote to only operate TOPENS swing gate opener A, B, C and D four buttons share same function once they are programmed with
TOPENS swing gate opener. You may choose any button to program it with our swing gate opener. Every press of the button is able to active the gate opener to work alternately (open-stop-close-stop-open). - Use one remote to operate TOPENS swing gate opener & sliding gate opener at the same time All of TOPENS sliding gate opener have midway mode. Button B is designed to realize midway function (refer to more details in our TOPENS sliding gate opener manual). So it is must program button A with sliding gate opener, while you may program either C button or D button with TOPENS swing gate opener.
Wireless Keypad Programming
You can follow the below steps to program wireless keypad to the opener. Press the LNSW button until the REM LED is ON, and then releases the button. Then press “OK” button on keypad and REM LED will flash for 3 seconds and then be OFF which indicates the keypad has been programmed successfully. You can use the default password “888888” to operate the opener after programming. You can press “PIN” “8 8 8 8 8 8” and then press “OK” to confirm to operate the opener.
Also you can change the password of the keypad follow the below steps. Press “PIN” and then input the six digits old password and then press ”PIN” again, the REM LED will be ON. Input the six digits new password and then press the “PIN” to confirm the new setting, REM LED will flash for 3 seconds and then be OFF which indicates the password has been changed successfully. You can press “PIN” “6 digits new password” and then press “OK” to confirm to operate the opener.

NOTE: Every step for pressing button during program must be finished within 1 second to ensure successful programming.
Troubleshooting

Have a multimeter to check voltage and continuity. Use caution when checking high voltage terminals.
| Symptom | Possible Solution(s) |
| The opener does not run. Power LED is OFF. |
|
| The opener does not run. Power LED is ON. |
|
| Remote control does not work. |
|
| The gate starts but it is immediately stop or reverse |
|
| The gate opens, but stops and will not return. |
|
| The gate can open, but fails to close. |
|
| The motor runs but the gate doesn’t move. | Ensure the clutch for emergency release is adjusted properly and is not slipping. |
Maintenance
Every six months check the following items for proper operation of the unit.
* Lubricate shafts and sprockets.
* Keep opener clean at all times.
* Check and tighten anchors bolts.
* Check for loose or corroded wire
* Ensure the opener is well earthed, and correctly terminated.
* Always check the Stop/Reverse in case of obstruction function when performing any maintenance. If this function can’t be made operable, remove this opener from service until the cause of the malfunction is identified and corrected.


Feedback & Review
Your comments and suggestions are important to us as they help us provide the best possible service.
Should you have any need to contact us, the info below will help you get in touch:
TOPENS Website
www.topens.com
Any question, please do not hesitate to contact us:
E-mail: [email protected]
Kindly include your Product Model, Purchasing Date & Site, Order #, and your contact information. All your concerns will be replied within 24 hours.
Tel: +1 (888) 750 9899 (Toll Free USA & Canada)





















