
Sliding Gate Opener
User’s Manual
Model: RK1200(T)

RK1200(T) Sliding Gate Opener
Email: [email protected]
★ Please read and follow all warnings, precautions and instructions before installation and use.
★ Periodic checks of the opener are required to ensure safe operation.
★ Save this manual.
CONTACT US:
Visit: www.topens.com

Please record the product model, your email address, etc.
in the spaces provided below. Refer to this list when contacting OPENS for technical service or assistance with your automatic gate opener.
Where did you purchase it? (Amazon.com; Amazon.ca: Amazon.co.uk, Amazon.de; Other, Please Specify)
| Order# | Product Model | Purchase Date |
| Full Name | Phone# | Email Address (VERY IMPORTANT) |
| Street Address, Apartment /Unit, City, State /Province, Zip Code | Country/Region | |
| Approximate Gate Weight (pounds; kg: Other. Please Specify) | Approximate Gate Length (feet; meter; Other. Please Specify) | Did you purchase any accessories? (Please list below) |
| Issue Details | ||
Email Us: [email protected]
Call: +1 (888) 750 9899 (Toll Free USA & Canada)

Ask for OPENS help by E-mail or phone anytime.
Thank you for purchasing our sliding gate opener. We are sure that the products will be greatly satisfying as soon as you start to use it.
The product is supplied with a user’s manual which encloses installation and safety precautions. These should be read carefully before installation and operation as they provide important information about safety, installation, operation, and maintenance. This product complies with the recognized technical standards and safety regulations.
Check Your Gate before Installation
CHECK YOUR GATE
Before installation, please make sure that the gate itself can be opened and closed smoothly & freely BY HAND WITHOUT THE GATE OPENER. 
General Safety
WARNING! An incorrect installation or improper use of the product can cause damage to persons, animals or properties.
- Scrap packing materials (plastic, cardboard, polystyrene etc.) according to the provisions set out by current standards. Keep nylon or polystyrene bags out of children’s reach.
- This product was exclusively designed and manufactured for the use specified in the present document. Any other use not specified in this documentation could damage the product and be dangerous.
- The factory declines all responsibility for any consequences resulting from improper use of the product, or use which is different from that expected and specified in the present document.
- Do not install the product in an explosive atmosphere.
- The factory declines all responsibility for any consequences resulting from failure to observe Good Technical Practice when constructing closing structures (door, gates etc.), as well as from any deformation which might occur during use.
- Disconnect the electrical power supply before carrying out any work on the installation. Also disconnect any buffer batteries, if fitted.
- Fit an omnipolar or magnetothermal switch on the mains power supply, having a contact opening distance equal to or greater than 3,5 mm.
- Make sure a residual current circuit breaker with a 30mA threshold is fitted before the power supply mains.
- Check that earthing is carried out correctly: connect all metal parts for closure (doors, gates etc.) and all system components provided with an earth terminal.
- Fit all the safety devices (photocells, electric edges etc.) which are needed to protect the area from any danger caused by squashing, conveying and shearing.
- Position at least one visible indication device, and fix a Warning sign to the structure.

- The factory declines all responsibility with respect to automation safety and correct operation when other suppliers’ components are used.
- Only use original parts for any maintenance or repair operation.
- Do not modify the automation components, unless explicitly authorized by the factory.
- Instruct the product user about the control systems provided and the manual opening operation in case of emergency.
- Do not allow persons or children to remain in the automation operation area.
- Keep radio control or other control devices out of children’s reach, in order to avoid unintentional automation activation.
- The user must avoid any attempt to carry out work or repair on the automation system, and always request the assistance of qualified personnel.
- Anything which is not expressly provided for in the present instructions is not allowed.
- Before installing the gate opener, check that all moving part as well as the sliding gate is in good mechanical condition, correctly balanced, and opens and closes properly.
- Save these instructions for future use.
Preparation for Installation
Before proceeding to your opener installation, check if your gate structure is in accordance with the current standards, especially as follows:
The gate sliding track is linear and horizontal. The wheels are suitable for use. The gate should be mounted and moved freely. Check that the structure is sufficiently strong and rigid and that its dimensions and weights conform to those listed in the specifications table of this document. Make sure that the gate is plumb and level. The fence posts must be mounted in concrete. The gate does not bind or drag on the ground.
- The gate manual operation can be carried out smoothly along its entire run, and there is no excessive side slipping.
- The opening and closing gate stops are positioned.
WARNING: Remember that control devices are intended to facilitate gate operation, but can not solve problems due to any defects or deficiencies resulting from failure to carry out correct installation or maintenance. Take the product out of its packing and inspect it for damage. Should it be damaged, contact your dealer. Remember to dispose of its components (cardboard, polystyrene, nylon, etc.) according to the current prescriptions. Refer to the following Figures for gate installation.
Using the post or wall as a stop, either directly or indirectly, is not recommended so as to protect the post or wall against damaging shock from the sliding gate. 
In sake of safety, a positive stop must be mounted on the two end of the ground track.

Parts List

Extra Parts for RK1200T
Accessories Parts (Included in some models, refers to the actual package) 
Optional Accessories Parts List (Available at OPENS Store) 

Replacement Parts
WARNING: Changes or modifications not expressly specified by this user manual, OPENS could void the warranty of this equipment.
Technical Specifications & Features
| Specifications | |
| RK1200(T) | |
| Power supply: | 110V~120V/60Hz or 220~240V/50Hz |
| Motor voltage: | 120VAC or 230VAC |
| Absorbed power: | 550W |
| Gate moving speed: | 20 cm/s (8 in/s) |
| Max gate weight: | 1500kg (3400lbs) |
| Max torque: | 35Nm |
| Environmental conditions: | -20℃~ + 50℃ (-4°F to 122°F) |
| Protection class: | IP44 |
Features:
- Easy to install, and minimum maintenance requirement
- Midway mode
- Quick selection for gate open/close direction
- Reliable rolling code technology for remote control
- Emergency release key in case of power failure
- Stop in case of obstruction during gate opening
- Reverse in case of obstruction during gate closing
- Built-in adjustable auto-closing (0, 30, 60, 90 seconds)
- Built-in max. Motor Running Time (MRT) for multiple safety protection (90 seconds)
- Reliable electromagnetism limit for easy adjustment
- Can be equipped with wide range of accessories
Installation Overview

Installation of the Opener
Caution:
*Be sure that the opener is installed in a level and paralleled position and is properly secured.
Improper installation could result in property damage, severe injury, and/or death.
* Before starting the installation, ensure that there is no point of friction during the entire movement of the gate and there is no danger of derailment.
* Ensure that the safety side panels are present.
Necessary Tools: The following tools may be necessary to install the Gate opener. You will need screwdrivers, an electric drill, wire cutters, and a wire stripper, a socket set, and possibly access to a welder. When installing the opener, you should build a concrete pad to support the base plate of the opener in order to maintain proper stability.
The installation proceeds are as follows:
- Dig a hole for a concrete pad which should be approximately 50 x 30 x 35cm (20〞x 12〞x 14〞). It may protrude 10 cm (4”) above ground and 25 cm (10”) in depth underground. Increase the pad height if necessary to protect the system from flooding, heavy snow etc.
- Prepare one or more conduits for the electrical cables before pouring concrete. Remember that cable conduits have to pass through the hole in the base plate.
- Pour the concrete and before it starts to harden, check that it is parallel to the gate leaf and perfectly level.
- Mark the position of four expansion anchors according to the position of the mounting hole on the base plate as soon as the concrete becomes hardened. Double-check your marking, move the base plate and drill the 4 holes using a 10mm (3/8”) masonry bit. Put the 4 expansion anchors (provided) into the holes and firmly tighten.
- Place the opener onto the base plate. Check that it is perfectly parallel to the gate leaf, and then screw the four nuts and washers supplied. It’s only a temporary installation. Further adjustment will be required when installing the rack or chain.

Manual Operation
The opener should be put in the manual (emergency release) position before fitting the rack, and installing the opener and limit switch. The process is as follows:
- Insert and turn the key clockwise 45° to slide the lock cover. Now the key slot appears.
- Insert the T-handle Key(provided )to the key slot and turn it in counter-clockwise 135° to disengage the clutch between the gear shaft and power output. Now the opener is in manual operation.

Fit the Rack
There are two kinds of rack available as per buyer’s option, which is steel reinforced plastic rack and galvanized steel rack. The galvanized steel rack is usually used for the heavy-duty gate.
A. Fit the plastic rack reinforced with steel
- Start with a gate in the closed position
- Prepare the plastic rack (you can order an extra rack from a dealer if necessary).
- Put one end of the rack section on the gear of the opener as a temporary support.
Make rack level and mark the rack’s mounting holes (four holes) on the gate. - Fit the rack by self-threading screws. This kind of plastic rack is quieter and allows height adjustments to be made even after it has been fixed. Please keep 1.0mm space between the rack and the gear to avoid the weight of the gate leaf effect on the opener.

B. Fit the galvanized steel rack
- Start with a gate in the closed position
- There are four sections of steel rack which is one-meter length, each section for a standard package. (you can order an extra rack from the dealer if necessary)
- Put one end of the rack section on the gear of the opener as a temporary support. Make rack level and mark the rack’s mounting holes (three holes) on the gate.
- Weld the rack nut on the gate as marked and connect the rack to the gate using the bolt provided. Before weld, please keep 1.0mm space between the rack and the gear to avoid the weight of the gate leaf effect on the opener.

Important:
- Check that the rack teeth must engage the gear teeth throughout their full thickness. If not, adjust the position of the opener or/and place a few shims between the rack and gate.
- Manually slide the gate leaf to ensure the rack is proper on the gear of the opener, and weld the second nut.
- Repeat the same steps of first rack section to install the rest rack sections until the proper length is reached.
- Cut away any excess of the rack (Note: rack length must be longer than the actual travel of the gate to accommodate limit switch brackets on each gate side.)
- Thoroughly fasten the four nuts as well as spring washers onto the expansion bolt tightly, enabling the opener is firmly secured on the concrete pad during the whole gate travel.
NOTE: Leveling pad & bolts may be used for uneven ground or areas that require higher positions to fix the racks.
Install the magnets for Limit Switches
Before installing the limit switch, make sure the gate opener is put in manual operation. (the clutch connected with gear shaft is disengaged) and the mains power supply is disconnected. Position the two limits stop brackets approximately on the rack and move the gate by hand to fix them in place.
Fit magnets bracket
Push the gate fully closed by hand. Locate and install the magnet bracket so that the opener will stop at the desired close position when the close limit switch approaches it. Push the gate fully open by hand. Locate and install the magnet bracket so that the opener will stop at the desired open position when the open limit switch approaches it. The higher magnet bracket must be installed at left side and the lower magnet bracket must be installed at the right side from the view inside of the property. Finally, adjust the magnet to the proper position by moving the gate with the motor. The magnet should be 20-30mm (0.8-1.2”) away from the magnetic limit switch. If it is too far away, the switch will fail to work. The distance between the magnet and the opener should be 10-15mm with the opener cover on. Adjust the position of the magnet until the positions of the opening and closing meet the requirement.
Important Note: Please note the two magnet brackets (fixed plate) are different: one is higher and the other is lower.
Warning: Improper magnets installation may cause the gate to crash into the end barrier, which is very dangerous!
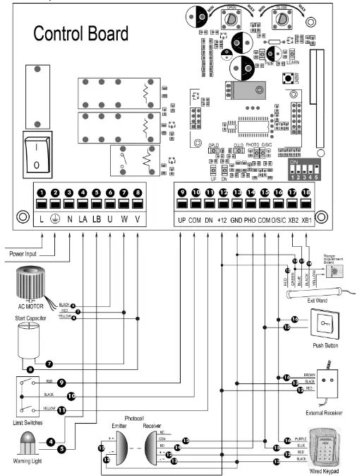
Connecting of Power Supply
WARNING: NEVER connect the gate opener to the power outlet before all the installations have been done.
The power supply cord should be at least 3×0.75mm2 (3C×18AWG). Connect the live wire and neutral wire to the “L” (1#) and “N” (3#) terminal of the control board
respectively, and connect the earth wire to “the”
(2#) terminal of the control board.
NOTE: The power supply cord is not included in the package. Connecting of the Control Board
WARNING: Before making any electrical wire connection or/and setting the control board, make sure that the power switch is OFF. 
- Motor
The BLACK wire of the motor should be connected to the “6” terminal.
The RED wire of the motor should be connected to the “7” terminal.
The YELLOW wire of the motor should be connected into the “8” terminal. - Start Capacitor
One pin of the start capacitor should be wired to the “7” terminal, another to the “8” terminal. - Limit Switches
The RED wire of the limit switches should be connected to the “9” terminal.
The BLACK wire of the limit switches should be connected to the “10” terminal.
The YELLOW wire of the limit switches should be connected to the “11” terminal. - Warning Light (Included in some models, refers to the actual package)
One wire of the warning light should be connected to the “4” terminal, another should be connected to the “5” terminal. - Photocell Beam System (PBS) (NO) (Included in some models, refers to the actual package)
Use a 2-core cable to connect the “+ ~” terminal of the photocell’s emitter to the “12” terminal, and the “- ~” terminal to the “13” terminal. Also the “+ ~” and “- ~” terminals of the photocell’s receiver should be connected to the “12” and “13” terminals in parallel.
Use another 2-core cable to connect the “NO” terminal of the receiver to the “14” terminal, and the “COM” terminal to the “15” terminal. - Push Button (Optional)
The push button should be wired to the “15” and “16” terminals. The gate opener works alternately by pushing the button (open-stop-close-stop-open). - Exit Wand (Optional)
First, insert the Adapter BOARD into the CONTROL BOARD, and then connect the wand to the control board refers to the following instructions.
The BLACK wire of the exit wand should be connected to the “#18” terminal.
The BLUE wire of the exit wand should be connected to the “#17” terminal.
The RED wire of the exit wand should be connected to the “#12” terminal.
The GREEN wire of the exit wand should be connected to the “#13” terminal.
The sensitivity adjustment board should be wired to the GREEN wire and the YELLOW wire of the wand. No matter the polarity. - External Receiver (Optional)
The BROWN wire of the external receiver should be connected to the “16” terminal.
The BLACK wire of the external receiver should be connected to the “13” terminal.
The RED wire of the external receiver should be connected to the “12” terminal. - Wired Keypad (12VDC) (Optional)
The RED wire of the wired keypad should be connected to the “12” terminal.
The BLACK wire of the wired keypad should be connected to the “13” terminal.
The PURPLE wire of the wired keypad should be connected to the “16” terminal.
The BLUE wire of the wired keypad should be connected to the “15” terminal.
The setting of the Control Board
WARNING: Ensure the gate opener is Power Off when you make any adjustment of the gate opener. Keep away from the gate during you set the gate opener system in case of unexpected gate moving. Carefully adjust the DIP switches to avoid the risk of machine damage and injury or death. Always ask the help of a professional technician electrician if you have any questions.
- DIP Switches
The DIP switches are used to set the running time of the motor in midway mode, auto close time of the gate opener and fast change the open/close direction which is determined by the position of the gate opener installed.
DIP Switch #1–#2: Running time of the motor in
Midway Mode
This mode enables user to drive the vehicle through the gate quickly when the gate opens to a certain width.
DIP Switch #1: ON – 4 Seconds OFF – 0
DIP Switch #2: ON – 2 Seconds OFF – 0
NOTE: The midway mode function would be disabled if both DIP switches are turned off. The factory default setting is disabled. The midway mode could be activated by pressing button B of the remote control when the gate is in the full closed position.
DIP Switch #3–#4: Auto close time of the gate opener
DIP Switch #3: ON – 30 Seconds OFF – 0
DIP Switch #4: ON – 60 Seconds OFF – 0
NOTE: The auto close function would be disabled if both dip switches are turned to off (factory default setting).
Important Note: When the auto close function is enabled, the photocell sensor is highly recommended to be installed with the gate opener for safety.
DIP Switch #5: Left/Right open
ON – Left open (factory default setting).
OFF – Right open. Turn switch OFF to change the opening direction easy if necessary.
2. Potentiometers
The potentiometer A is to adjust the OPEN stall force of the gate opener. The Potentiometer B is used to adjust the CLOSE stall force of the gate opener.
Turn the potentiometer clockwise to increase the stall force.
Turn the potentiometer counterclockwise to decrease the stall force.
WARNING: Photocell is highly recommended to be installed with the gate opener as entrapment protection for safety when you set stall force to the maximum.
How to Program or Erase the Remote
- The remote MUST be programmed to the opener BEFORE OPERATING. Please follow the steps to program the remote.
- Activate the opener only when the gate is in full view, free of obstruction, and properly adjusted. No one should enter or leave the gate area while the gate is in motion. DO NOT ALLOW CHILDREN to operate the push button or remote. DO NOT ALLOW CHILDREN TO PLAY NEAR THE GATE.
- If you purchase additional remote controls, the gate opener must be programmed to accept the new remote code.
- If you lose one of any remote control, please erase and reprogram all other remote controls to have a new code for safety.
Program the remote
Press and release the learn button, the REM LED light will be on, then press the key on the remote two times in 2 seconds, between the two times HOLD ON FOR A MOMENT, the REM LED light will flash for 4 seconds. Now the remote has been programmed successfully.
Erase all the remote codes
Press and hold the learn button until the REM LED light is off. Now all remote codes have been erased.
- NOTE: Max. 8 remotes can be programmed for the opener. An External Receiver (optional) allows up to 250pcs remotes to be programmed for the opener. OPENS ERM12 Universal External Receiver is available at OPENS Store.
- OPENS ERM12 Universal External Receiver is also compatible with other brand swing gate openers, sliding gate openers,s and garage door openers.
How to Use the Remote to Operate Your Gate Opener
Each remote has four buttons, from top to bottom separately A, B, C, and D. You may use this remote to operate as many as 4 sets of open swing gate openers or 1 set of OPENS sliding gate openers and 2 sets of open swing gate openers.
- Use this remote to only operate OPENS swing gate openers A, B, C, and D four buttons share the same function once they are programmed with OPENS swing gate opener. You may choose any button to program it with our swing gate opener. Every press of the button is able to activate the gate opener to work alternately (open-stop-close-stop-open).
- Use one remote to operate OPENS swing gate opener & sliding gate opener at the same time All the OPENS sliding gate opener have midway mode. Button B is designed to realize the midway function (refer to more details in our OPENS sliding gate opener manual). So it is a must program button A with the sliding gate opener, while you may program either the C button or the D button with OPENS swing gate opener.
Wireless Keypad Programming
You can follow the below steps to program the wireless keypad to the opener. Press the LNSW button until the REM LED is ON, and then release the button. Then press the “OK” button on the keypad and the REM LED will flash for 3 seconds and then be OFF which indicates the keypad has been programmed successfully. You can use the default password “888888” to operate the opener after programming. You can press “PIN” “8 8 8 8 8 8” and then press “OK” to confirm to operate the opener.
Also, you can change the password of the keypad follow the below steps. Press “PIN” and then input the six digits’ old password and then press ”PIN” again, the REM LED will be ON. Input the six digits’ new password and then press the “PIN” to confirm the new setting, REM LED will flash for 3 seconds and then be OFF which indicates the password has been changed successfully. You can press “PIN” “6 digits new password” and then press “OK” to confirm to operate the opener.
NOTE: Every step for pressing the button during the program must be finished within 1 second to ensure successfully programming.
Troubleshooting
| STOP | Need help or have questions? DO NOT RETURN to the store. Visit www.topens.com to CONTACT US. |
Have a multimeter to check voltage and continuity. Use caution when checking high-voltage terminals.
| Symptom | Possible Solution(s) |
| I the opener does not run. The power LED is OFF. | 1. Check the input voltage of the control board. It should be local AC electricity. 2. The power switch is OFF. Make sure the power switch is ON. 3. Check the fuse in the control board. Replace the fuse if it was burnt out. 4. Check the control board. Replace the control board as necessary. |
| The opener does not run. The power LED is ON. | 1. Ensure the remote control has been programmed to the control board before operating. 2. The thermal protector is working because the high temperature after long working time. Please wait for 20 minutes to let the motor become cold. 3. Check the installing position of the magnets. The opener would not run if both of the limit switches are activated by one magnet. 4. Check the limit switch. Remove the wire connection of the limit switch which is connected to the 9#,10#, and 11# terminals of the control board and then try it again. Replace the limit switch if the motor could run in both directions. 5. Check the control board. Replace the control board as necessary. |
| The remote control does not work. | 1. The indicator light of the remote control is not on. Check the battery in your remote control. Replace the battery as necessary. 2. The distance you use the remote is too far away from the opener. Try it again closer. 3. Remote control is not suitable for the receiver. After making sure the codes are correct, erase remote controls and then re-program the codes in the device. 4. Check the control board. Replace the control board as necessary. |
| The gate starts but it is immediately stopped or reverse | 1. The opening force or closing force is adjusted too small. Turn the Potentiometer A&B to increase the force. 2. Disconnect the gate from the gate opener and check that the gate slides freely without any binding. 3. Check the control board. Replace the control board as necessary. |
| The gate opens, but stops and will not return. | 1. Check the installing position of the magnets. The opener would not run if both of the limit switches are activated by one magnet. 2. Check the limit switch. Remove the wire connection of the limit switch which is connected to the 9#, 10#, and 11# terminals of the control board and then try it again. Replace the limit switch if the motor could run in both directions |
| 3. Check the control board. Replace the control board as necessary. | |
| The gate can open, but fails to close. | 1. Photocell is obstructed. Remove obstruction. 2. Check the limit switch. Remove the wire connection of the limit switch which is connected to the 9#, 10#, and 11# terminals of the control board and then try it again. Replace the limit switch if the motor could run in both directions. 3. Check the control board. Replace the control board if necessary. |
| The motor runs but the gate doesn’t move. | Ensure the clutch for emergency release is adjusted properly and is not slipping. |
Maintenance
Every six months check the following items for proper operation of the unit.
- Lubricate shafts and sprockets.
- Keep the opener clean at all times.
- Check and tighten anchors bolts.
- Check for loose or corroded wire
- Ensure the opener is well earthed, and correctly terminated.
- Always check the Stop/Reverse in case of obstruction function when performing any maintenance. If this function can’t be made operable, remove this opener from service until the cause of the malfunction is identified and corrected.
![]()
DIRECTIVE COMPATIBILITY
CTS (NINGBO)TESTING SERVICE TECHNOLOGY
OPERATE ACCORDING TO ISO)IEC 17025
EC DECLARATION OF CONFORMITY
EU ELECTROMAGNETIC
The declares trot tne following debgneed product
Sliding Gate Opener Model No.: SFG•18H, SFG•21H, SFG-SOH, (RK1200) Brand Name: LOCKMASTER (Product Idenuficatom
Canclen with Me essential protection requirements of the European Parliament and of ow CouncA Directive 201440-EU on the appecuanaten of me laves of the Member Stales relating to electromagnetic compattallay The dectrabOn apples to as specimens manufactured in accordance with Me attached manuE3Ctunng dravnngs who form part of this dodarabon Assessment or compliance of the product with The requirements relating to electromagnetic carmattAny was based on the followed standards:
EN 61000-6-3: 2007+A1:2011+AC:2012 EN 61000-3•2: 2014, EN 61000-3-3: 2013 EN 61000-6-1: 2007 (klenoticauce d regLlattes standards) Ilus declaration a we responstwty at the Applicant / impeder
HANGZHOU SANFORD TOOLS CO., LTD. 8 SHENG DI ROAD, YUAN TOWN, HANGZHOU 311121, CHINA Name AcIrlressi
THIS DOC IS ONLY VALID IN CONNECTION WITH TEST REPORT NUMBER. CNB316051340441-E•R1
TEST LABORATORY
This the fetus 0! test. that was carried out from the submitted type samples of a product in conformity with the specification of the respect.* standards. The aeration holder has the right to Ex the CE-mark for EMC on the product computing with the inspection same Male)
MANUFACTURER/IMPORTER
Date……………..
(Surname. forename)…………………
(Company stamp)………………….
CTS (Ningbo) Testing Service Technology Co., Ltd. NB test sae.2T., South Tower, Huoju Burling. No.181, Cangria Road. liangdong Science and Technology Pant.
Ningbo. Zheyang,China GZ lest sat A101, No.65. /buy Road. Tianhe District. Guangzhou. Guangdong. China
CENTRE OF TESTING SERVICE
OPERATES ACCORDING TO ISO/IEC 17025
EC DECLARATION OF CONFORMITY
EU – LOW VOLTAGE DIRECTIVE –
Ibis declares that the following designated product: SLIDING GATE OPENER Model No.: SFG-21H, SFG-18H, SFG-50H, RIC1200
( Product identification ) Complies with the requirements of the European Community Directive 2014/35/FA1. This declaration is awarded following tests caned out on samples of the product referred to above. Assumption of compliance of the product with the requirements relating to the Low Voltage Directive (INI)) was based on the following standards: EN 60335-1: 2012+A11:2014+A13:2017 EN 60335-2-103:2015
( Identification of regulations 0′ standards) This declaration is the responsibility of the manufacturer importer HANGZHOU SANFORD TOOLS CO., LTD. 8 SHENG Di ROAD, YUAN TOWN, HANGZHOU 311121, CHINA (Name f Address)
THIS DOC IS ONLY VALID IN CONNECTION WITH TEST REPORT NUMBER: C.3191111140113-L
MANUFACTURER/IMPORTER
(Date)
(Surname. formal (Company stamp,
TEST LABORATORY
I his is the result at tat that was earned out from the subsumed rime-stacks of • product a cordon: ruts with the split-axial at the respect standards_ It declaration bolder has the night to fix the as-mark for I_ VD on the product comfits-el with she Crispo.iton sample
CIS (Ningbo) Testing Sturtcs Technology Co, Ltd.
F1.1 & S West, Bldg. 8, No. 60, Ong, Rd_lb- Tech Zone, Ningbo, ntfono. China
According to the Waste of Electrical and Electronic Equipment (WEEE) directive, WEEE should be separately collected and treated. If at any time in the future you need to dispose of this product please do NOT dispose of this product with household waste. Please send this product to WEEE collecting points where available.
Feedback & Review
Your comments and suggestions are important to us as they help us provide the best possible service.
Should you have any need to contact us, the info below will help you get in touch:

TOPENS Website
www.topens.com
Contact Us:
E-mail: [email protected]
Kindly include your Product Model, Purchasing Date & Site, Order #,
and your contact information. All your concerns will be replied to within 24 hours.
Tel: +1 (888) 750 9899 (Toll Free USA & Canada)






















