TOPENS DKC1100 Sliding Gate Opener

Thank you for purchasing our sliding gate opener. We are sure that the products will be greatly satisfying as soon as you start to use it.
The product is supplied with a user’s manual which encloses installation and safety precautions. These should be read carefully before installation and operation as they provide important information about safety, installation, operation and maintenance. This product complies with the recognized technical standards and safety regulations
General Safety
WARNING! An incorrect installation or improper use of the product can cause damage to persons, animals or properties.
- Scrap packing materials (plastic, cardboard, polystyrene etc.) according to the provisions set out by current standards. Keep nylon or polystyrene bags out of children’s reach.
- This product was exclusively designed and manufactured for the use specified in the present document. Any other use not specified in this documentation could damage the product and be dangerous.
- The factory declines all responsibility for any consequences resulting from improper use of the product, or use which is different from that expected and specified in the present document.
- Do not install the product in an explosive atmosphere.
- The factory declines all responsibility for any consequences resulting from failure to observe Good Technical Practice when constructing closing structures (door, gates etc.), as well as from any deformation which might occur during use.
- Disconnect the electrical power supply before carrying out any work on the installation. Also disconnect any buffer batteries, if fitted.
- Fit an omnipolar or magnetothermal switch on the mains power supply, having a contact opening distance equal to or greater than 3,5 mm.
- Make sure a residual current circuit breaker with a 30mA threshold is fitted before the power supply mains.
- Check that earthing is carried out correctly: connect all metal parts for closure (doors, gates etc.) and all system components provided with an earth terminal.
- Fit all the safety devices (photocells, electric edges etc.) which are needed to protect the area from any danger caused by squashing, conveying and shearing.
- Position at least one visible indication device, and fix a Warning sign to the structure.

- The factory declines all responsibility with respect to the automation safety and correct operation when other supplier’s components are used.
- Only use original parts for any maintenance or repair operation.
- Do not modify the automation components, unless explicitly authorized by the factory.
- Instruct the product user about the control systems provided and the manual opening operation in case of emergency.
- Do not allow persons or children to remain in the automation operation area.
- Keep radio control or other control devices out of children’s reach, in order to avoid unintentional automation activation.
- The user must avoid any attempt to carry out work or repair on the automation system, and always request the assistance of qualified personnel.
- Anything which is not expressly provided for in the present instructions is not allowed.
- Before installing the gate opener, check that all moving part as well as the sliding gate is in good mechanical condition, correctly balanced and opens and closes properly.
- Save these instructions for future use.
Preparation for Installation
Before proceeding to your opener installation, check if your gate structure is in accordance with the current standards, especially as follows:
The gate sliding track is linear and horizontal, and the wheels are suitable, the gate should be mounted and move freely. Check that the structure is sufficiently strong and rigid, Make sure that the gate is plumb and level. The fence posts must be mounted in concrete. The gate does not bind or drag on the ground.
- The opening and closing gate stops are positioned.
WARNING: Remember that control devices are intended to facilitate gate operation, but can not solve problems due to any defects or deficiencies resulting from failure to carry out correct installation or maintenance. Take the product out of its packing and inspect it for damage. Should it be damaged, contact your dealer. Remember to dispose of its components (cardboard, polystyrene, nylon, etc.) according to the current prescriptions.
Refer to the following Figures for gate installation.
Using the post or wall as a stop, either directly or indirectly, is not recommended
so as to protect the post or wall against damaging shock from the sliding gate.
In sake of safety, a positive stop must be mounted on the two end of ground track.
Keep the 3″ distance at least between the operator and chain bracket if the roller hit a Positive stop in an accident. 
Keep the 3″ distance at least between the operator and chain bracket if the roller hit a Positive stop in an accident.
Parts List

Extra Parts 
Accessories Parts (Included in some models, refers to the actual package)
Optional Accessories Parts List (Available at TOPENS Store)

Replacement Parts

WARNING: Changes or modifications not expressly specified by this user manual, OPENS could void the warranty of this equipment.
Technical Specifications & Features

Features:
- Soft start and soft stop
- Midway mode
- Quick selection for the gate open/close direction
- Reliable rolling code technology for remote control
- Emergency release key in case of power failure
- Stop in case of obstruction during gate opening
- Reverse in case of obstruction during gate closing
- Built-in adjustable auto-close (none, 30, 60, 90 seconds)
- Built-in max. Motor Running Time (MRT) for multiple safety protection (90 seconds)
- Reliable electromagnetism limit for easy adjustment
- Can be equipped with a wide range of accessories
- Easy to install, and minimum maintenance requirement
- Get the desired chain tension by adjusting the chain bolts
Installation Overview

Installation of the Opener
Caution:
- Be sure that the opener is installed in a level and paralleled position. Improper installation could result in property damage, severe injury, and/or death.
- Before starting the installation, ensure that there is no point of friction during the entire movement of the gate and there is no danger of derailment.
- Ensure that the safety side rollers are present.

- Hex Bolt M1 Qx3Q, 4pcs
- Plain Washer <t 10, 26pcs
- Hex Bolt M1Qx20, 6pcs
- Self-Locking Nut M10, 12pcs
- Hex Bolt M10x65, 2pcs
- Idler Wheel, 2pcs
- Thin nut M10, 2pcs

Necessary Tools: The following tools may be necessary to install the Gate opener. You will need screwdrivers, an electric drill, wire cutters and a wire stripper, a socket set, and possibly access to a welder.
When install the opener, you should build a concrete pad to support the base plate of the opener in order to maintain proper stability.
The installation proceeds are as follows:
- Assemble the Base Plate and fix the Opener to the Base Plate.
- Dig a hole for a concrete pad which should be approximately 60 x 32 x 35cm (24〞x 13〞x 14〞).
It may protrude 10 cm (4”) above ground and 25 cm (10”) in-depth underground. Increase the pad height if necessary to protect the system from flooding, heavy snow etc. - Prepare one or more conduits for the electrical cables before pouring concrete. Remember that cable conduits have to pass through the hole on the base.
- Pour the concrete and before it starts to harden, check that it is parallel to the gate leaf and perfectly level.
- Mark the position of four expansion anchors according to the position of the mounting hole on the base plate. Double-check your marking, move the base plate and drill the 4 holes using a 14mm (0.55”) masonry bit. Put the 4 expansion anchors (provided) into the holes and firmly tighten.
- Mount the base plate to the concrete Pad and firmly tighten it, enabling the opener is firmly secured on the concrete pad during the whole gate travel.
Manual Operation
You can open the gate by manual when power fails. And the opener should be put in the manual (emergency release) position before fitting the rack, and installing the opener and limit switch. The process is as follows:
Insert the Release Key and turn it in clockwise 90°, then pull the release handle in clockwise 90° to disengage the clutch between the gear shaft and motor. Now the opener is in manual operation. 
Installation of chain and chain brackets
- Chain Brackets
- Please refer to the below chain brackets figure, which shows the “U” bolt, “L” bracket and chain bolt.
Use the “U” bolts (square or round) to attach the chain brackets to the gate frame. - If Both the square bolts and round bolts are not fit for the gate frame, use the appropriate bolts to attach the chain brackets to gate frame.
- Please refer to the below chain brackets figure, which shows the “U” bolt, “L” bracket and chain bolt.
- How to install the chain
- Place the chain around the top of the idler wheels and under the drive sprocket in the chain box.
- Connect a chain bolt to one end of the chain from the chain box by using the master link. Then insert the chain bolt to the L bracket and fix them each other
by washers and nuts temporarily. (Nuts will be further adjusted for a proper chain tension later) - Connect the second chain bolt with another end of the chain from the chain box, then attach the bolt to the L bracket on the opposite end of gate using the washers and nuts.
- Make sure that the chain is line up exactly with the position where the chain on the chain idler wheel.
- Remove the unwanted length of the chain. Set appropriated chain tension by adjusting two chain bolts of both ends.

- The chain brackets must be mounted to the same height as the chain on the idler wheels.

- Make sure there is 1” distance at least between the wheel cover and the gate after you position the base plate.

Installation of the Magnets
Before installing limit switch, make sure the gate opener is put in manual operation. (the clutch connected with gear shaft is disengaged) and the mains power supply is disconnected. Position the two Magnet Components approximately on the gate and move the gate by hand to fix them in place.
Fit magnets bracket
Push the gate fully closed by hand. Locate and install the magnet bracket so that the opener will stop at the desired close position when the close limit switch approaches it. Push the gate fully open by hand. Locate and install the magnet bracket so that the opener will stop at the desired open position when the open limit switch approaches it.
The magnet component with N pole must be installed at left side and the magnet component with S pole must be installed at the right side from the view inside of the property.
Ensure the magnet center aligns with the marked line above!
The magnets should be 25~30mm (1-1.2”) away from the Limit Switch Box. If it is too near or too far, the switches will fail to work. Adjust the position of the magnets until the positions of the opening and closing meet the requirement.
Warning: Improper magnets installation may cause the gate to crash into the end barrier, which is very dangerous!
Connection of the Power Supply
WARNING: NEVER connect the gate opener to the power outlet before all the installations have been done.
NOTE:
- If batteries, as are chosen as the power source, Marine or Automotive Type Battery, is required. The batteries should be waterproof type, or be placed in waterproof circumstances.
- 2 PCS 12VDC batteries can be connected in series to function as 24VDC. The following diagram shows on how to connect 2 PCS batteries in series.
- Please note that the wire connection of the power supply system is very
important. An incorrect wire connection will damage the control board.
Power Mode 1. Only use the AC electricity as the power source
The power supply cord should be at least 3×0.75mm2 (3C×18AWG). Connect the live wire, neutral wire and earth wire to the “L”, “N” and “PE” terminals respectively.
NOTE: The power supply cord is not included in the package.
Power Mode 2. By AC electricity and backup batteries, only use the AC electricity to charge the batteries
If AC electricity failure happens rarely (less than 8 hours per day), then you can use a minimum 5Ah 2*12VDC battery as a back-up power source in case of AC power failure. In this situation, you can connect the AC electricity following the “Power Mode 1” and the batteries to the BAT terminal of the control board directly as the below wiring diagram.
Power Mode 3. Only use the batteries as the power source, only use the solar panel to charge the batteries
If AC electricity is not available, then you can choose the batteries as the power source and use the solar panel to charge the batteries. The capacity of the batteries should be at least 12Ah and the power of the solar panel should be at least 30W in this situation. The gate opener can run for 10 cycles per day without connecting any other accessories except the pushbutton & warning light if the local average sunshine time is more than 6 hours per day. The power of the solar panel and the capacity of the batteries should be enlarged if the local average sunshine time is less than 6 hours per day or using one of the accessories (photocell, external receiver, exit wand and keypad). Please provide us with more details of the local sunshine condition and accessories needs so that we can calculate the configuration of the solar panel and the batteries. Please connect the batteries & the solar panels & solar controller refer to the following wiring diagram. 
Power Mode 4. By AC electricity and backup batteries, use the AC electricity and the solar panel to charge the batteries at the same time
If the AC electricity failure happens frequently and lasts for a long time (maybe 4-5 days one time), then you can charge the batteries with the AC electricity and the solar panel at the same time. The capacity of the batteries should be at least 7Ah and the power of the solar panel should be at least 20W in this situation. You can connect the AC electricity following the “Power Mode 1” and the batteries & the solar panels & solar controller refer to the following wiring diagram.
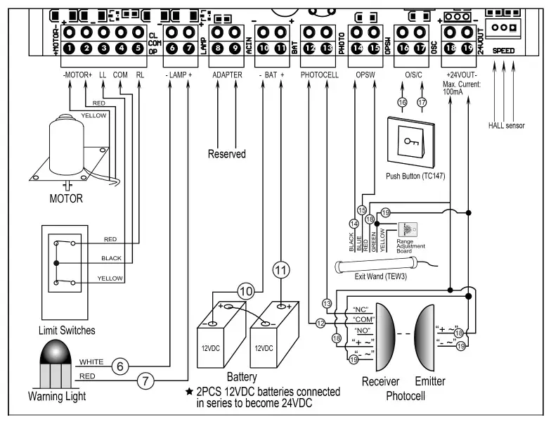
Connecting of the Control Board 

- Motor
The YELLOW wire of the motor should be connected into the “1” terminal.
The RED wire of the motor should be connected into the “2” terminal. - Limit Switches
The YELLOW wire of the limit switches should be connected into the “3” terminal.
The BLACK wire of the limit switches should be connected into the “4” terminal.
The RED wire of the limit switches should be connected to the “5” terminal. - Warning Light (Included in some models, refers to the actual package)
The WHITE wire of the warning light should be connected into the “6” terminal.
The RED wire of the warning light should be connected into the “7” terminal. - Photocell Beam System (PBS) (Included in some models, refers to the actual package)
Use a 2-core cable to connect the “- ~” terminal of the photocell’s emitter to the “19” terminal, and the “+ ~” terminal to the “18” terminal. Also the “- ~” and “+ ~” terminals of the photocell’s receiver should be connected to the “19” and “18” terminals in parallel.
Use another 2-core cable to connect the “NC” terminal of the receiver to the “13” terminal, the “COM” terminal to the “12” terminal.- Please note that the photocell terminal must be shorted if the photocell beam system is not used. A wire jumper has been used for short the terminal in the factory.
- Please check if this wire jumper is missing or keep the photocell in alignment when the gate can open but fans to close.

- Push Button (optional)
The push button should be wired to the “16 and “17” terminals. No matter the polarity. The gate operator works alternately by pressing the button (open-stop-close-stop-open). - Exit Wand (optional)
The BLACK wire of the exit wand should be connected to the “14” terminal.
The BLUE wire of the exit wand should be connected to the “15” terminal.
The RED wire of the exit wand should be connected to the “18” terminal.
The GREEN wire of the exit wand should be connected into the “19” terminal.
The sensitivity adjustment board should be wired to the GREEN wire and the YELLOW wire of the wand. No matter the polarity. - Battery (ONLY included in Y Series)
The “24V+” of the battery should be wired to the BAT+ (11) terminal, “24V-” should be wired to “-BAT” (10) terminal. If the battery has been used with solar panel, please connect the batteries and the solar panel &solar controller following the chapter of “Connection of the Power Supply”. - External Receiver (optional)
The BROWN wire of the external receiver should be connected into the “16” terminal.
The BLACK wire of the external receiver should be connected into the “17” terminal.
The RED wire of the external receiver should be connected into the “18” terminal. - Wired Keypad (24VDC) (optional)
The RED wire of the wired keypad should be connected into the “18” terminal.
The BLACK wire of the wired keypad should be connected into the “17” terminal.
The BLUE wire of the wired keypad should be connected into the “16” terminal.
The PURPLE wire of the wired keypad should be connected into the “17” terminal.
NOTE: Using of the photocell, exit wand, keypad and external receiver would cause the battery to exhaust quickly. Big capacity of batteries and big power of solar panel is required if you want to use any one of them (If the batteries and solar panel is used as the main power supply).
The setting of the Control Board
WARNING: Ensure the gate opener is Power Off when you make any adjustment of the gate opener. Keep away from the path of the gate during you set the gate opener system in case of the unexpected gate moving. Carefully adjust the DIP switches to avoid the risk of machine damage and injury or death. Always ask the help of a professional technician /electrician if you have any questions.
DIP Switches
The DIP switches are used to set the running time of the motor in midway mode, fine adjust the soft stop period of the motor, auto close time of the gate opener and fast change the open/close direction which is determined by the position of the gate opener installed. 
DIP Switch #1–#2: Running time of the motor in Midway Mode
DIP Switch #1: ON – 2 Seconds OFF – 0
DIP Switch #2: ON – 4 Seconds OFF – 0
NOTE: The midway mode function would be disabled if both DIP switches are turned off. Factory default setting is disabled. The midway mode could be activated by pressing button B of the remote control when the gate is in the full closed position. 
DIP Switch #3–#5: Fine adjust the soft stop period of the motor
DIP Switch #3: ON – 1 Second OFF – 0
DIP Switch #4: ON – 2 Seconds OFF – 0
DIP Switch #5: ON – 3 Seconds OFF – 0
NOTE: Every time you restart the gate opener after power off, you should use the access control device (such as remote, push button and etc.) to operate the gate opener to run for a complete opening cycle and a complete closing cycle to get the full opening time and the full closing time. You would achieve the soft stop in your next opening/closing cycle. Factory default soft stop time is 3 Second. You can turn the DIP switches on/off to fine-adjust the soft stop time to meet your actual needs.
DIP Switch #6–#7: Auto close time of the gate opener
DIP Switch #6: ON – 30 Seconds OFF – 0
DIP Switch #7: ON – 60 Seconds OFF – 0
NOTE: The auto close function would be disabled if both DIP switches are turned to off (factory default setting).
Important Note: When the auto close function is enabled, the photocell sensor is highly recommended to be installed with the gate opener for safety. 
DIP Switch #8: Left/Right open
Potentiometers
Potentiometer A is used to adjust the close stall force the gate operator. Turn it clockwise to increase the stall force, and turn it counter-clockwise to decrease the stall force.
Potentiometer B is used to adjust the open stall force the gate operator. Turn it clockwise to increase the stall force, and turn it counter-clockwise to decrease the stall force.
WARNING: Photocell is highly recommended to be installed with the gate opener as entrapment protection for safety when you set stall force to the maximum. 
Test the Reversing Sensitivity
For the sake of safety, it is very important to test the reversing sensitivity as soon as the control board set is finished.
The reversing sensitivity adjustment is an inverse correlation with stall force adjustment in potentiometers A and B. In another word, the stall force level is higher; the reversing sensitivity level is lower.
Put an immobile object along the gate path, and then operate the gate to strike it during the close cycles. The gate must reverse as soon as the object is struck with it. If the gate doesn’t reverse, please increase the reversing sensitivity by turning the potentiometer in a counter-clockwise direction. (Turning the stall force potentiometer toward to MIN position to increase the reversing sensitivity)
- Note 1: If the sensitivity setting is too higher, the gate will stop or reverses very easy by itself while there is little obstruction or resistance such as strong wind or heavy snow sometimes.
- Note 2: Always check the gate reversing function every each time of control board set or restarted after powering off.
How to Program or Erase the Remote
- The remote MUST be programmed to the opener BEFORE OPERATING. Please follow the steps to program the remote.
- Activate the opener only when gate is in full view, free of obstruction and properly adjusted. No one should enter or leave the gate area while gate is in motion. DO NOT ALLOW CHILDREN to operate push button or remote. DO NOT ALLOW CHILDREN TO PLAY NEAR THE GATE.
- If you purchase additional remote controls, the gate opener must be programmed to accept the new remote code.
- If you lose one of any remote control, please erase and reprogram all other remote controls to have a new code for safety.
Program the remote
Press and release the learn button, the REM LED light will be on, then press the key in the remote two times in 2 seconds, between the two times HOLD ON FOR A MOMENT, the REM LED light will flash for 4 seconds. Now the remote has been programmed successfully.
Erase all the remote codes
Press and hold the learn button until the REM LED light is off. Now all remote codes have been erased.
- NOTE: Max. 8 remotes can be programmed for the opener. An External Receiver (optional) allows up to 250pcs remotes to be programmed for the opener. OPENS ERM12 Universal External Receiver is available at OPENS Store.
- OPENS ERM12 Universal External Receiver is also compatible with other brands of swing gate openers, sliding gate openers and garage door openers.
How to Use the Remote to Operate Your Gate Opener
Each remote has four buttons, from top to bottom are separately A, B, C and D. You may use this remote to operate as many as 4 sets OPENS swing gate openers or 1 set of OPENS sliding gate openers and 2 sets of open swing gate openers. 
- Use this remote to only operate OPENS swing gate openers A, B, C, and D four buttons share the same function once they are programmed with
OPENS swing gate opener. You may choose any button to program it with our swing gate opener. Every press of the button is able to activate the gate opener to work alternately (open-stop-close-stop-open). - Use one remote to operate OPENS swing gate opener & sliding gate opener at
the same time
All of OPENS sliding gate openers have midway mode. Button B is designed to realize the midway function (refer to more details in our OPENS sliding gate opener manual). So it is a must program button A with sliding gate opener, while you may program either C button or D button with OPENS swing gate opener.
Wireless Keypad Programming
You can follow the below steps to program the wireless keypad to the opener. Press the Learn button until the REM LED is ON, and then release the button. Then press “OK” button on the keypad and the REM LED will flash for 3 seconds and then be OFF which indicates the keypad has been programmed successfully. You can use the default password “888888” to operate the opener after programming. You can press “PIN” “8 8 8 8 8 8” and then press “OK” to confirm to operate the opener.
Also you can change the password of the keypad follow the below steps. Press “PIN” and then input the six digits old password and then press ”PIN” again, the REM LED will be ON. Input the six digits new password and then press the “PIN” to confirm the new setting, REM LED will flash for 3 seconds and then be OFF which indicates the password has been changed successfully. You can press “PIN” “6 digits new password” and then press “OK” to confirm to operate the opener.
NOTE: Every step for pressing the button during the program must be finished within 1 second to ensure successful programming.
Troubleshooting
| Symptom | Possible Solution(s) |
|
The opener does not run. The power LED is OFF. | 1. Make sure that the power cord is properly plugged into the main outlet. 2. Check if the output voltage of the transformer is 24VAC. If the voltage measures 0, the transformer may be overheated or damaged. Turn the power off and allow the board to cool for several minutes then reset. Replace the transformer if the symptom still exists. 3. Check the fuse in the control board. Replace the fuse if it was burnt out. 4. Check the status of the over-discharged LED on the solar controller, the voltage of the batteries is too low to power the gate opener if the LED is ON. Please wait the batteries are charged to full. 5. The solar controller could be faulty if the over-discharged LED is ON when the voltage of the batteries is normal (>24VDC). 6. Check the control board. Replace the control board if necessary. |
|
The opener does not run. The power LED is ON. | 1. Check to be sure the beam is not blocked if a photocell is used as a secondary entrapment prevention device. If a photocell is not used, the photocell terminal of the control board should be shorted by a jumper wire. 2. Check the motor. Release the clutch then disconnect the wires of the motor from terminals 1 and 2. Connect the wires to 24V battery directly, the motor should run and then exchange the wires, the motor should run in the opposite direction. If the motor runs in both directions, please check the other parts listed below. 3. Check the limit switch. Use a jumper wire to short terminal 4# with terminals 3# and 5#, and then use a keying device to operate the opener, replace the limit switch if the motor could run in both directions. 4. Check the control board. Replace the control board if necessary. |
|
The remote control does not work. | 1. The indicator light of the remote control is not on. Check the battery in your remote control. Replace the battery if necessary. 2. The distance you use the remote is too far away from the opener. Try it again closer. 3. Remote control is not suitable for the receiver. After making sure the codes are correct, erase the remote controls and then re-program the codes in the device. 4. Check the control board. Replace the control board if necessary. |
| The gate starts but it is immediately stopped or | 1. Check the HALL sensor board in the side of the gearbox has been connected to the control board tightly. |
| reverse | 2. Check that the clutch is adjusted properly and is not slipping. 3. The opening force or closing force is adjusted too small. Turn the Potentiometer A&B to increase the force. 4. Disconnect the gate from the gate opener and check that the gate slides freely without any binding. 5. Check the control board. Replace the control board if necessary. |
|
The gate opens, but stops and will not return. | 1. Please note the two limit magnets are different: one is N pole and another is S pole. Please try to exchange the two magnets. 2. Please try to exchange the limit switch wires CL (close) and OP (open). 3. Maybe the magnet was installed in the wrong position so it inducts both switches. Adjust the magnets to the correct position refer to the manual. 4. Check the control board. Replace the control board if necessary. |
|
The gate can open, but fails to close. | 1. Photocell is obstructed. Remove obstruction. 2. The limit switch is failed. Use a jumper wire to short terminal 4# with terminal 3# and 5#, and then use a keying device to operate the opener, replace the limit switch if the motor could run in both directions. 3. Check the control board. Replace the control board if necessary. |
Maintenance
Every six months check the following items for proper operation of the unit.
- Lubricate shafts and gears.
- Keep the opener clean at all times.
- Check and tighten anchors bolts.
- Check for loose or corroded wire
- Ensure the opener is well-earthed, and correctly terminated.
- Always check the Stop/Reverse in case of obstruction function when performing any maintenance. If this function can’t be made operable, remove this opener from service until the cause of the malfunction is identified and corrected.
Feedback & Review
Your comments and suggestions are important to us as they help us provide the best possible service.
Should you have any need to contact us, the info below will help you get in touch:
Contact Us:
E-mail: [email protected]
Kindly include your Product Model, Purchasing Date & Site, Order #,
and your contact information. All your concerns will be replied to within 24 hours. Tel: +1 (888) 750 9899 (Toll Free USA & Canada)




























