
CZONE 80-911-0013-00 Signal Interface with Seals and Connector

GENERAL INFORMATION
USE OF THIS MANUAL
Copyright © 2019 BEP Marine. All rights reserved. Reproduction, transfer, distribution, or storage of part or all of the contents in this document in any form without the prior written permission of BEP Marine is prohibited. This manual serves as a guideline for the safe and effective operation, maintenance and possible correction of minor malfunctions of the Signal Interface Module (SI).
This manual is valid for the following:
| Description | Part number |
| CZONE SIGNAL INTERFACE c/w SEALS & CONN | 80-911-0013-00 |
| CZONE SIGNAL INTERFACE NO SEALS & CONN | 80-911-0014-00 |
It is obligatory that every person who works on or with the Signal Interface is completely familiar with the contents of this manual, and that he/she carefully follows the instructions contained herein.
Installation of, and work on the Signal Interface, may be carried out only by qualified, authorized, and trained personnel, consistent with the locally applicable standards and taking into consideration the safety guidelines and measures. Please keep this manual in a secure place!
GUARANTEE SPECIFICATIONS
BEP Marine guarantees that this unit has been built according to the legally applicable standards and specifications. Should work take place which is not in accordance with the guidelines, instructions and specifications contained in this Installation manual, then damage may occur and/or the unit may not fulfil its specifications. All these matters may mean that the guarantee becomes invalid.
QUALITY
During their production and prior to their delivery, all our units are extensively tested and inspected. The standard guarantee period is two years.
VALIDITY OF THIS MANUAL
All the specifications, provisions and instructions contained in this manual apply solely to standard versions of the Signal Interface (SI) delivered by BEP Marine.
LIABILITY
BEP can accept no liability for:
- Consequential damage due to use of the Signal Interface. Possible errors in the manuals and the results thereof
CAREFUL! Never remove the identification label
Important technical information required for service and maintenance can be derived from the type number plate.
CHANGES TO THE SIGNAL INTERFACE (SI)
Changes to the Signal Interface may be carried out only after obtaining the written permission of BEP.
SAFETY AND INSTALLATION PRECAUTIONS
WARNINGS AND SYMBOLS
Safety instructions and warnings are marked in this manual by the following pictograms:
CAUTION
Special data, restrictions and rules with regard to preventing damage.
WARNING
A WARNING refers to possible injury to the user or significant material damage to the Signal Interface if the user does not (carefully) follow the procedures. A procedure, circumstance, etc, which deserves extra attention.
USE FOR INTENDED PURPOSE
- The Signal Interface is constructed as per the applicable safety-technical guidelines.
- Use the Signal Interface only:
- In technically correct conditions
- In a closed space, protected against rain, moisture, dust and condensation
- Observing the instructions in the installation manual
WARNING Never use the Signal Interface in locations where there is danger of gas or dust explosion or potentially flammable products!
- Use of the Signal Interface other than mentioned in point 2 is not considered to be consistent with the intended purpose. BEP Marine is not liable for any damage resulting from the above.
ORGANIZATIONAL MEASURES
The user must always:- Have access to the user’s manual and be familiar with the contents of this manual
MAINTENANCE AND REPAIR
- Switch off supply to the system
- Be sure that third parties cannot reverse the measures taken
- If maintenance and repairs are required, only use original spare parts
GENERAL SAFETY AND INSTALLATION PRECAUTIONS
- Connection and protection must be done in accordance with local standards
- Do not work on the Signal Interface or system if it is still connected to a power source. Only allow changes in your electrical system to be carried out by qualified electricians
- Check the wiring at least once a year. Defects such as loose connections, burned cables, etc. must be corrected immediately
OVERVIEW
DESCRIPTION
The Signal Interface (SI) connects the CZone system to your external sensors, alarms and switching devices. The SI allows intelligent, automated operation of circuits depending on the state of the input.
FEATURES
- Accepts inputs from traditional switch types being used to control outputs.
- Accepts inputs from switches to trigger alarm i.e., high water float switch.
- Accepts inputs from industry-standard tank senders (0-5V, 10-180 Ohm, 240-33 Ohm).
- Accepts inputs from general voltaic or resistive signals can be used for controlling outputs or to display a physical position i.e., show a hatch is partially open.
- LED status indicators for each input.
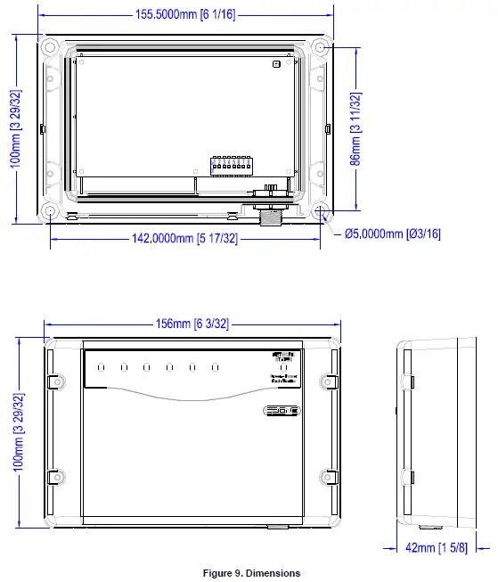
- Dimensions: WxHxD: 6-3/32″x3-29/32″x1-5/8″ 156x100x42 mm Weight: 281g
- IPX5 water ingress protection.
- Resistive input range 0-1000 Ohms.
- Outputs standard NMEA2000 sentences.
COMPONENT OVERVIEW

| Component | |
| 1. | Circuit Status LED’s |
| 2. | Network Status LED |
| 3. | NMEA 2000 Plug |
| 4. | Cable Gland |
| 5. | Cover Retaining Screws |
| 6. | Module Cover |
Installation
GUIDELINES
- Ensure the modules are installed vertically with the cables exiting downwards, this ensures IPX5 rating is retained.
- All seals and cable glands must be fitted including blanking plugs inserted in any unused positions.
- Ensure all labels are fitted and correct

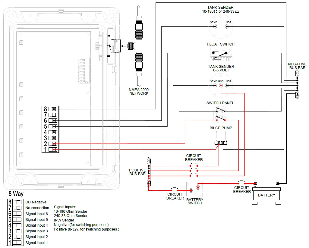
CONNECTIONS
- Connect DC Neg to SI input 8, used as reference to ground.
- Connect each input to SI, inputs 1-6. Input 7 is not connected.
- Connect an NMEA2000 drop cable from the SI to the NMEA2000 backbone.
- Ensure NMEA2000 network is properly terminated and connected to 12V power source.

DIPSWITCH
- Using a small screwdriver, carefully set the dipswitch to required setting.
- The dipswitch number must be unique for all modules on the CZone network and must match the dipswitch setting in the configuration to function correctly.

INITIAL POWER UP
- Check all plugs are securely seated and connections are tight.
- Power up the NMEA2000 network.
- Check that the NMEA2000 Network LED lights up. It may also be flashing if other devices are present and transmitting data.
- Check that the Power indicator LED is green.
- Check the circuit’s status LEDs for each individual circuit. Refer to LED codes to diagnose any faults which need to be rectified.
- Check the software version on the Signal Interface with the CZone Configuration Tool and update if necessary.
- Refer to the CZone Configuration Tool Instructions for details on how to configure and calibrate the Signal Interface inputs.
- Write configuration file to the Signal Interface and the rest of the CZone modules on the system.
- Test all inputs and outputs for configured functionality.
LED Flash Codes

Circuit Status LED’s
| Colour | Description |
| Green Solid ON | Valid Signal Input |
| 1x Red Flash | Channel Not Configured |
| 2x Red Flash | Configuration Conflict |
| 3x Red Flash | Dip Switch Conflict |
| 4x Red Flash | Memory Comms Failure |
| 5x Red Flash | No Modules Detected |
| 6x Red Flash | Fault On Output |
| 7x Red Flash | Output Not Detected |
| 8x Red Flash | Invalid Signal Input |
Network Status LED
| Colour | Description |
| Extinguished | Network Power Disconnected |
| Green | Network Power Connected |
| Red Flash | Network traffic |
Labeling
CONNECTIONS/LED FLASH CODE LABEL
This label is located on the inside of the front lid of the unit, it shows the LED codes and electrical connections to the unit:

MODULE IDENTIFICATION AND DIPSWITCH LABEL
These labels allow easy identification of each module whilst recording the dipswitch setting. These labels are to be fitted to the cover and to the module (this prevents covers being swapped). To record the module type and dipswitch settings use a permanent marker and strike through the applicable boxes (a strike through on a dipswitch box indicates that switch is on).

System Wiring Example

Figure 8. Wiring Diagram
Dimensions

Ordering Information
MODULE
| Description | Part number |
| CZONE SIGNAL INTERFACE c/w SEALS & CONN | 80-911-0013-00 |
| CZONE SIGNAL INTERFACE NO SEALS & CONN | 80-911-0014-00 |
ACESSORIES AND SPARES
| Description | Part number |
| SEAL CABLE GLAND for ZONE SI BK SILICON | 80-911-0036-00 |
| ERM BLOCK MI 8 WAY PLUG 5mm PITCH | 80-911-0043-00 |
EMC ratings
- IEC EN 60945
- IEC EN 61000
- FCC Class B
- ISO 7637 – 1 (12V Passenger cars and light commercial vehicles with nominal 12 V supply voltage – Electrical transient conduction along supply lines only)
- ISO 7637 – 2 (24V Commercial vehicles with nominal 24 V supply voltage – Electrical transient conduction along supply lines only)
- IEC Standards for indirect lighting strikes
Declaration Of Conformity
EU declaration of conformity
Name and address of the manufacturer
BEP Marine Ltd
42 Apollo Drive, Rosedale
Auckland 0632
PO Box 101 739 NSMC
New Zealand
This declaration of confomity is issued under the sole responsibility of the manufacturer.
Object of the declaration:
Czone SI (Signal Interface)
The object of the declaration described above is in conformity with the relevant Union harmonisation legislation:
2011/65/EU (RoHS directive)
2014/30/EU (Electromagnetic Compatibility Directive)

















