80-911-0005-00 Meter Interface
Instruction Manual
GENERAL INFORMATION
2.1 USE OF THIS MANUAL
Copyright © 2019 BEP Marine. All rights reserved. Reproduction, transfer, distribution, or storage of part or all of the contents in this document in any form without the prior written permission of BEP Marine is prohibited. This manual serves as a guideline for the safe and effective operation, maintenance and possible correction of minor malfunctions of the Meter Interface Module (MI).
This manual is valid for the following:
| Description | Part number |
| CZONE METER INTERFACE c/w SEAL & PLUG | 80-911-0005-00 |
| CZONE METER INTERFACE NO SEAL & PLUG | 80-911-0006-00 |
It is obligatory that every person who works on or with the Meter Interface is completely familiar with the contents of this manual, and that he/she carefully follows the instructions contained herein.
Installation of, and work on the Meter Interface, may be carried out only by qualified, authorized, and trained personnel, consistent with the locally applicable standards and taking into consideration the safety guidelines and measures. Please keep this manual in a secure place!
2.2 GUARANTEE SPECIFICATIONS
BEP Marine guarantees that this unit has been built according to the legally applicable standards and specifications. Should work take place which is not in accordance with the guidelines, instructions and specifications contained in this Installation manual, then damage may occur and/or the unit may not fulfil its specifications. All these matters may mean that the guarantee becomes invalid.
2.3 QUALITY
During their production and prior to their delivery, all our units are extensively tested and inspected. The standard
guarantee period is two years.
2.4 VALIDITY OF THIS MANUAL
All the specifications, provisions and instructions contained in this manual apply solely to standard versions of the Meter Interface (MI) delivered by BEP Marine.
2.5 LIABILITY
BEP can accept no liability for:
- Consequential damage due to use of the Meter Interface. Possible errors in the manuals and the results thereof.
CAREFUL! Never remove the identification label
Important technical information required for service and maintenance can be derived from the type number plate.
2.6 CHANGES TO THE METER INTERFACE (MI)
Changes to the Meter Interface may be carried out only after obtaining the written permission of BEP.
SAFETY AND INSTALLATION PRECAUTIONS
3.1 WARNINGS AND SYMBOLS
Safety instructions and warnings are marked in this manual by the following pictograms:
| CAUTION Special data, restrictions and rules with regard to preventing damage. | |
| WARNING A WARNING refers to possible injury to the user or significant material damage to the Meter Interface if the user does not (carefully) follow the procedures. | |
| A procedure, circumstance, etc, which deserves extra attention. |
3.2 USE FOR INTENDED PURPOSE
- The Meter Interface is constructed as per the applicable safety-technical guidelines.
- Use the Meter Interface only:
• In technically correct conditions
• In a closed space, protected against rain, moisture, dust and condensation
• Observing the instructions in the installation manual
WARNING Never use the Meter Interface in locations where there is danger of gas or dust explosion or potentially flammable products! - Use of the Meter Interface other than mentioned in point 2 is not considered to be consistent with the intended purpose. BEP Marine is not liable for any damage resulting from the above.
3.3 ORGANIZATIONAL MEASURES
The user must always:
- Have access to the user’s manual and be familiar with the contents of this manual
3.4 MAINTENANCE AND REPAIR
- Switch off supply to the system
- Be sure that third parties cannot reverse the measures taken
- If maintenance and repairs are required, only use original spare parts
3.5 GENERAL SAFETY AND INSTALLATION PRECAUTIONS
- Connection and protection must be done in accordance with local standards
- Do not work on the Meter Interface or system if it is still connected to a power source. Only allow changes in your electrical system to be carried out by qualified electricians
- Check the wiring at least once a year. Defects such as loose connections, burned cables, etc. must be corrected immediately
OVERVIEW
4.1 DESCRIPTION
The Meter Interface (MI) accepts inputs from external AC and DC power metering sensors such as: AC and DC voltage and amps, AC k Watts, and DC battery capacity in amp hours and percent remaining. All with user definable high and low alarms. The MI processes the information from these inputs and broadcasts it onto the CZone bus.
4.2 FEATURES
AC
- 3 x AC voltage inputs (multi voltage)
- 2 x AC current inputs
- Calculates true RMS power
DC
- 3 x DC voltage inputs (multi voltage)
- 2 x DC current inputs
- Calculates battery capacity as Ampere hours and percentage charge remaining
- Resolution for current metering down to 0.1A
Other
- IPX5 water ingress protection
- Outputs standard NMEA2000 power monitoring sentences
- Dimensions: H 100 mm (3”29/32) x W 156 mm (6”3/32) x D 42 mm (1”5/8) Weight: 281 g
4.3 COMPONENT OVERVIEW

Component
- Circuit Status LED’s
- Network Status LED
- NMEA 2000 Plug
- Cable Gland
- Cover Retaining Screws
- Module Cover
Installation
5.1 GUIDELINES
- Ensure the modules are installed vertically with the cables exiting downwards, this ensures IPX5 rating is retained.
- All seals and cable glands must be fitted including blanking plugs inserted in any unused positions.
- Ensure all labels are fitted and correct

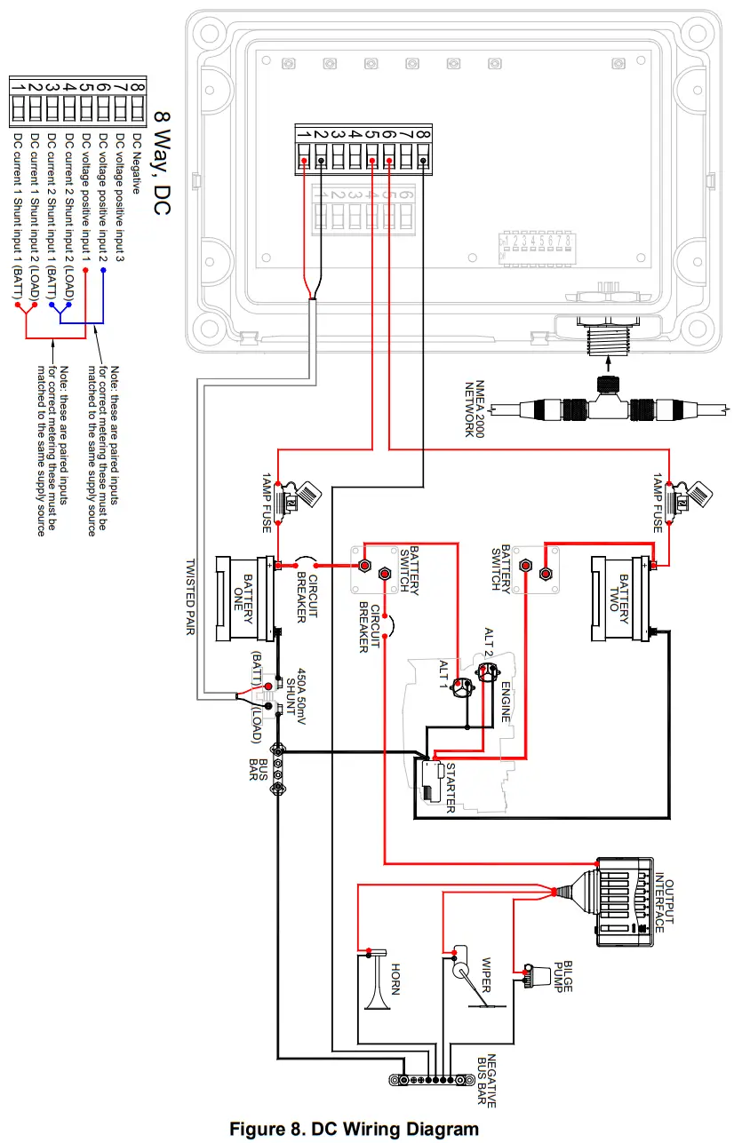
5.2 DC CONNECTIONS
All DC Connections are made on the 8Way connector.
- Connect each of the voltage inputs to the MI from battery banks. Ensure each input is fused at supply with a 1A fuse.
- Voltage Input 3 is a voltage meter only.
- Connect the current input from each shunt. Ensure care is taken when wiring shunt into heavy DC system to make sure no negatives are left on the battery side of shunt.
Note: Current Input 1 is matched to Voltage Input 1, and Current Input 2 is matched to Voltage Input 2. For correct metering these must be matched to same DC supply. - Connect DC negative to MI input 8. Used as a reference to ground.
- Connect an NMEA2000 drop cable from the MI to the NMEA2000 backbone.
- Ensure NMEA2000 network is properly terminated and connected to 12V power source.

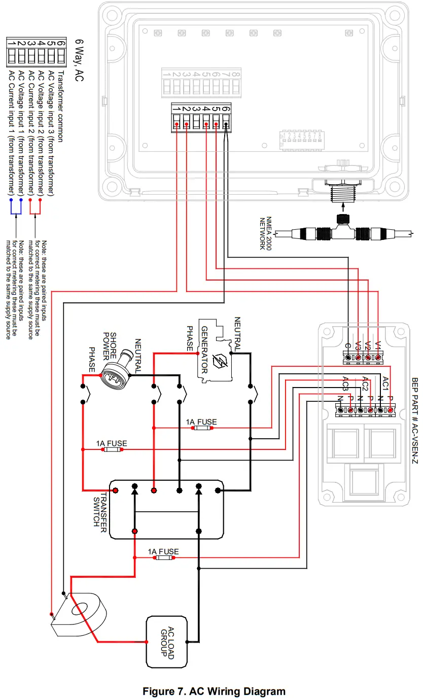
5.3 AC CONNECTIONS
AC connection and protection must be done in accordance with local standards. Do not work on the Meter Interface or system if it is still connected to a power source. Only allow changes in your electrical system to be carried out by qualified electricians. All AC connections are made on the 6 Way connector.
- Connect voltage inputs from AC voltage transformer to MI, inputs 2, 4 and 5.
Ensure voltage inputs are wired from the voltage transformer and not directly from the AC power source. Part # AC-VSEN-4 - Connect current inputs from each current transformer to MI, inputs 1 and 3.
Note: Current Input 1 and Voltage Input 1 are paired inputs, as are Current Input 2 and Voltage Input 2. For correct metering these must be matched to same supply source. - Connect transformer common to input 6 from the Voltage Transformer.
- Ensure the potted end of the current transformer is facing the line direction. Part # CT-10-3

5.4 DIP SWITCH
- Using a small screwdriver, carefully set the dip switch to required setting.
- The dip switch number must be unique for all modules on the CZone network and must match the dip switch setting in the configuration to function correctly.

5.5 INITIAL POWER UP
- Check all plugs are securely seated and connections are tight.
- Power up the NMEA2000 network.
- Check that the NMEA2000 Network LED lights up. It may also be flashing if other devices are present and transmitting data.
- Check that the Power indicator LED is green.
- Check the circuit’s status LEDs for each individual circuit. Refer to LED codes to diagnose any faults which need to be rectified.
- Check the software version on the Meter Interface with the CZone Configuration Tool and update if necessary.
- Refer to the CZone Configuration Tool Instructions for details on how to configure and calibrate the Meter Interface inputs.
- Write configuration file to the Meter Interface and the rest of the CZone modules on the system.
- Test all inputs for configured functionality.
LED Flash Codes

- Circuit Status LED’s
Colour Description Green Solid ON Valid Signal Input 1x Red Flash Channel Not Configured 2x Red Flash Configuration Conflict 3x Red Flash Dip Switch Conflict 4x Red Flash Memory Comms Failure 5x Red Flash No Modules Detected 8x Red Flash Invalid Input Signal - Network Status LED
Colour Description Extinguished Network Power Disconnected Green Network Power Connected Red Flash Network traffic
Labelling
7.1 CONNECTIONS/LED FLASH CODE LABEL
This label is located on the inside of the front lid of the unit, it shows the LED codes and electrical connections to the unit:
7.2 MODULE IDENTIFICATION AND DIP SWITCH LABEL
These labels allow easy identification of each module whilst recording the dip switch setting. These labels are to be fitted to the cover and to the module (this prevents covers being swapped). To record the module type and dip switch settings use a permanent marker and strike through the applicable boxes (a strike through on a dip switch box indicates that switch is on).
AC Wiring Example

DC Wiring Example

Dimensions

Ordering Information
11.1 MODULE
| Description | Part number |
| CZONE METER INTERFACE c/w SEAL & PLUG | 80-911-0005-00 |
| CZONE METER INTERFACE NO SEAL & PLUG | 80-911-0006-00 |
11.2 ACCESSORIES AND SPARES
| Description | Part number |
| SEAL CABLE GLAND for CZONE MI BK SILICON | 80-911-0033-00 |
| TERM BLOCK SI/MI 6 WAY PLUG 5mm PITCH | 80-911-0042-00 |
| TERM BLOCK MI 8 WAY PLUG 5mm PITCH | 80-911-0043-00 |
| DC CURRENT SHUNT 450A | LB-450-50 |
| CURRENT TRANSFORMER AC DIGITAL METER | CT-10-3 |
| AC VOLT TRANSDUCER FOR DIG & CZONE MC12 | AC-VSEN-4 |
EMC ratings
- IEC EN 60945
- IEC EN 61000
- FCC Class B
- ISO 7637 – 1 (12V Passenger cars and light commercial vehicles with nominal 12 V supply voltage -Electrical transient conduction along supply lines only)
- ISO 7637 – 2 (24V Commercial vehicles with nominal 24 V supply voltage – Electrical transient conduction along supply lines only)
- IEC Standards for indirect lighting strikes
Declaration Of Conformity
EU declaration of conformity
Name and address of the manufacturer: BEP Marine Ltd
This declaration of conformity is issued under the sole responsibility of the manufacturer.
Object of the declaration: Czone SI (Signal Interface)
The object of the declaration described above is in conformity with the relevant Union harmonization legislation:
- 2011/65/EU (RoHS directive)
- 2014130/EU (Electromagnetic Compatibility Directive)
References to the relevant harmonized standards used or references to the other technical specifications in relation to which conformity is declared:
- EN 60945:2002 Maritime navigation and radio communication equipment and systems

V2.0






















