5555 Wall Mounted Recessed Electric Fireplace
Owner’s Manual

PARTS LIST
| Part Name | No | Qty. |
| Electric Firebox | N/A | 1 |
| Remote Control | 55550001 | 1 |
| Mounting Bracket (Note: Attached to firebox) | 55550002 | 1 |
| Hardware Kit | 55550004 | 1 |
| Log Set | 55550005 | 1 |
| Crystal | 55550006 | 1 |
| Stone | 55550007 | 1 |
| Wall Bracket | 55550008 | 2 |


IMPORTANT SAFETY INFORMATION
SAVE THIS USER’S GUIDE FOR FUTURE REFERENCE
When using electrical appliances, basic precautions should always be followed to reduce the risk of fire, electric shock, injury, or death.
Read all instructions before installing or using this fireplace.
- Electric fireplace is for indoor use only.
- Do not modify the electric heater in any way. Use it only as described in this manual.
Any other use not recommended by Real Flame® may cause a fire, electric shock, serious injury, or death. - This heater is hot when in use. To avoid burns, do not let bare skin touch hot surfaces.
If provided, use handles when moving this heater. Keep combustible materials, such as furniture, pillows, bedding, papers, clothes, and curtains at least 3 feet (0.9 m) from the front of the heater and keep them away from the sides and rear. - Always use properly grounded, fused, and polarized outlets.
- Always call a certified electrician if new circuits or outlets are required.
- Extreme caution is necessary when any heater is used by, or near, children or people with disabilities. The unit should NEVER be left unattended.
- The electric heater is not intended for use in bathrooms, laundry areas, and similar indoor locations. Never locate a heater where it may fall into a bathtub or in other areas where it may come into contact with water; a dangerous electric shock could occur.
- Do not operate any unit with a damaged cord or plug if the heater has malfunctioned, or if the fireplace has been dropped or damaged in any manner. Contact Real Flame® at 1-800-654-1704.
- The cord may become hot when the fireplace is in operation. Do not run the cord under carpeting, furniture, or appliances. Do not cover the cord with throw rugs, runners, or similar items.
- To prevent people from tripping on the cord, make sure it is placed away from high traffic areas.
- Do not insert or allow foreign objects to enter any ventilation or exhaust opening as this may damage the heater or result in electric shock.
- To prevent a possible fire, do not block air intake or exhaust in any manner. Do not use it on soft surfaces, like a bed, where openings may become blocked.
- All electrical heaters have hot, arcing, or sparking parts inside. Do not use in areas where gasoline, paint, or flammable liquids are used or stored or where the unit will be exposed to flammable vapors. Doing so could result in a fire or cause an explosion.
- Do not burn wood or other materials in the electric heater; the unit or the wall could catch fire if you do.
- To disconnect the unit, turn the firebox off and then remove the plug from the outlet.
- Always unplug the electric heater when not in use for an extended period of time.
Glass Panel Information
- The panel is made of tempered glass.
- Under no circumstances should this product be operated with a broken or chipped glass panel.
- Do not hit or slam the glass.
- Do not use abrasive cleaners to clean the glass.
IMPORTANT SAFETY INFORMATION
SAVE THESE INSTRUCTIONS
![]()
Risk of electric shock- Do not open
- Non-user serviceable parts inside
DESCRIPTIONS OF WARNINGS
NOTE Procedures and techniques that are considered important enough to emphasize.
CAUTION Procedures and techniques which, if not carefully followed, will result in damage to the equipment.
WARNING Procedures and techniques which, if not carefully followed, will expose the user to the risk of fire, serious injury, illness, or death.
NOTE This equipment has been tested and found to comply with the limits for Class B digital devices, pursuant to part 15 of the FCC Rules. These limits are designed to provide reasonable protection against harmful interference in a residential installation.
This equipment generates, uses, and can radiate radio frequency energy and, if not installed and used in accordance with the instructions, may cause harmful interference with radio or television reception. That can be determined by turning the equipment off and on. The user is encouraged to try to correct the interference by one or more of the following measures:
- Reorient or relocate the receiving antenna.
- Increase the separation between the equipment and the receiver.
- Connect the equipment into an outlet on a circuit different from that to which the receiver is connected.
- Consult the dealer or an experienced radio/TV technician for help.
Operation is subject to the following two conditions:
- This device may not cause interference.
- This device may accept any interference, including interference that may cause undesired operation of the device.
NOTE A 15amp, the 120-volt circuit is required. A dedicated circuit is preferred but not essential in all cases. A dedicated circuit will be required if, after installation, the circuit breaker trips or the fuse blows on a regular basis when the heater is operating. Additional appliances on the same circuit may exceed the current rating of the circuit breaker.
If you have any questions about our products, please contact Real Flame® customer service at 1-800-654-1704.
SITE SELECTION AND PREPARATION
![]()
Ensure the power cord is not installed so that it is pinched or against a sharp edge and ensure that the power cord is stored or secured to avoid tripping or snagging to reduce the risk of fire, electric shock, or injury to persons.
Construction and electrical outlet wiring must comply with local building codes and other applicable regulations to reduce the risk of fire, electric shock, or injury to persons.
Do not attempt to wire your own outlets or circuits. To reduce the risk of fire, electric shock, or injury to persons, always use a licensed electrician.
See Figure 1 for grounding instructions.
This heater is for use at 120 volts.
The cord has a plug as shown at A in Figure 1. An adapter as shown at C is available for connecting three-blade grounding-type plugs to two-slot receptacles. The green grounding lug extending from the adapter must be connected to a permanent ground such as a properly grounded outlet box. The adapter should not be used if a three-slot grounded receptacle is available.

NOTE
- The fireplace insert comes completely assembled and wired. Some tools may be required to prepare the site and install the trim.
- The assembled dimensions of the fireplace insert are 48.8″ wide x 21.7″ high x 5.2″ deep.
- This fireplace does not require any venting.
Select a suitable location that is not susceptible to moisture and is away from drapes, furniture, and high traffic. For ease of electrical hook up, you may wish to position the fireplace near an existing outlet.
OPERATION AND FEATURES

Using the Control Panel

OPERATION AND FEATURES
NOTE Although the heater has been turned off, the fan may still run to prevent overheating.
NOTE If the display screen reads 88 or EE, verify that all vents on the firebox are clear of any obstructions, then unplug the firebox and plug it back in to reset the firebox. If this problem persists, please contact Real Flame at 1-800-654-1704.
CARE AND MAINTENANCE
Remote Control Battery Replacement
- Slide the battery cover open by squeezing the release lever while pulling the battery out. Please see the underside of the remote for instructions.
- Replace the dead battery with one CR2025 battery. Replacement batteries are not included with the firebox.
- Do not dispose of the dead battery in the municipal trash. Batteries should be disposed of at a local collection point for recycling batteries.
- Close the battery cover.
Light Emitting Diode
This firebox is fitted with LED (Light Emitting Diode) bulbs in place of conventional bulbs.
These generate the same light levels as conventional bulbs but use a fraction of the energy.
These LED bulbs are maintenance-free and should not require replacing during the life of the product.
Cleaning
WARNING Disconnect power before attempting any maintenance or cleaning to reduce the risk of fire, electric shock, injury, or death.
CAUTION When transporting or storing the unit and cord, keep in a dry place, free from excessive vibration, and store them so as to avoid damage.
- Dust the unit using a clean dry cloth.
- Use warm water and a clean cloth to wipe off all painted surfaces. Do not use abrasive cleaners.
- Use a standard glass cleaner for the glass panel of the unit.
![]()
Installing the Fireplace: Method A
WARNING: Read and understand all instructions included with your fireplace before installing.
Note: A and B installation methods should be completed with the front frame and glass installation step.
Method A: Follow the steps below to hang your fireplace on the wall.
- Carefully lift up and out to remove the glass panel.

- Remove the screws (C) and then remove the frame.

- Fix the mounting bracket (3) to the wall using drywall anchors (B) and wall screws (A).

- With two people, lift the firebox up to the mounting bracket and place the ledge of the mounting bracket into the openings in the back of the firebox.

- Secure the firebox using the screws (C).

- See page 16 to install the front glass, frame, and filler.
Method B: Installing the Fireplace
Note: A and B installation methods should be completed with the front frame and glass installation step.
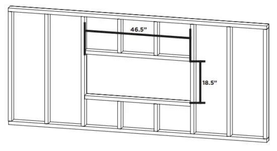
Method B: Follow the steps below to recess-mount your fireplace.
- Frame the opening for the firebox. The opening in the wall should be framed as shown below.
46.5” wide x 18.5” tall.
- With the glass and frame removed (see page 8), insert the firebox into the wall opening to test the fit.
NOTE: Because the mounting brackets are adjustable, the firebox can be mounted directly to the drywall (Figure 1) or directly to the studs by cutting out a strip of drywall (Figure 2).
- Continue test fit by dry fitting the frame to the firebox. Check to make sure the frame is flush with the wall.

- If there is a gap between the frame and the wall, loosen the bracket screws and adjust the brackets to the desired depth based on the wall.

- Once the depth has been confirmed, tighten the side screws to fix the mounting plates in place. Replace the firebox in the opening and secure the firebox in place with the wood screws (E).

- See page 16 to install the front glass, frame, and filler.
Follow the steps below for hardwired installation
Note: Due to wide variances in local building codes; a professional contractor should be consulted before beginning this method of installation to ensure that installation is compliant with local requirements.
If it is necessary to hard-wire this fireplace, a qualified electrician must remove the cord connection and wire the fireplace directly to the household wiring. The dedicated circuit and power supply breaker must be rated for 120V, minimum of 15 amps. The fireplace must be electrically connected and grounded in accordance with local codes.
In the absence of local codes, use the current CSA C22.1 Canadian Electrical Code in Canada or the current ANSI/NFPA 70 National Electrical Code in the United States.
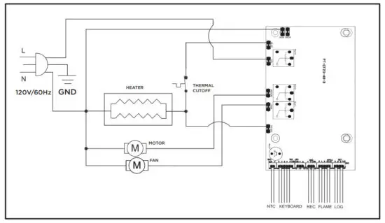
There are 3 wires from the fireplace junction: white (neutral), black (power L1), and yellow/green (ground) that connect to the 120V power supply (breaker panel). See below.
- Remove 5 screws from the junction box cover plate and inspection window, located on the back and left side of the fireplace. Locate the cord bundle.

- Separate the black, white, and green/yellow wires from the cord bundle, removing cable ties if necessary. Disconnect wires by carefully cutting clamps that secure terminal wires to the power cord.

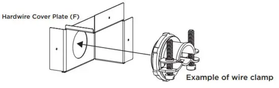
- Secure clamp (not included) to the hardwire cover plate (F). Type of clamp needed may vary based on local codes.
3.1) Feed supply cord wire through the hardwire cover plate (F) and clamp and secure in place with the clamp. Connect the green/yellow ground wire to the green supply ground wire, the white neutral wire to the white supply neutral wire, and the black live wire to the black live supply wire.
Wiring Diagram
3-3.) Secure wires with wire nuts.
- Carefully push the cord bundle back into the fireplace. Check the connection through the inspection window to ensure wire nuts are in place. Replace the inspection window cover with the previously removed screws. Use the three screws previously removed in step one to secure the hardwire cover plate (F).


Follow the steps below to install the electric firebox front frame and glass.
Installing the Fireplace
Follow the steps below to install the electric firebox front frame and glass.
- Select the log set (5), crystal (6) or stones (7) for the firebox bed. Install the front frame using four included screws (C).

- Install the glass by aligning the clips with the openings on the front of the firebox. The filler may be changed out at any time by removing the glass and repeating these steps.

- Secure the glass using the two remaining screws (D) in the top left and right corners of the frame.

WARRANTY
Limited Warranty
Real Flame® warrants that the following components of this Real Flame® fireplace (“the Product”) will be free from manufacturing defects in material and workmanship after correct assembly and under normal use and proper maintenance for the periods indicated below, commencing with the date of purchase of the Product:
- The body – 1-year limited warranty.
- The internal components – 1-year limited warranty.
This non-transferable warranty extends to the original purchaser only, provided that the purchase was made through an authorized Real Flame dealer. The warranty is also subject to the following conditions and limitations:
This warranty does not extend to damages caused by shipping, improper assembly, installation or storage, an installation that does not comply with building codes and ordinances, installation or operation not in accordance with the included manual, abuse, lack of maintenance, hostile environments, accident, natural weather, or unworkmanlike repairs. Modification of the Product, use of fuels other than what is approved by Real Flame, or use of parts installed from other manufacturers will nullify this warranty.
This warranty applies to the functionality of the Product only and does not cover cosmetic issues such as scratches, dents, rust, oxidation, corrosion, areas discolored or cracked due to prolonged exposure to extreme heat, or damage caused by abrasive or chemical cleaners. However, should deterioration of parts occur to the degree of non-performance within the duration of the warranty period, Real Flame will provide a replacement part.
Real Flame requires reasonable proof of your date of purchase. Therefore, you should retain your sales receipt and/or invoice. Defective parts subject to this warranty will not be replaced without proof of purchase.
Real Flame must have the opportunity to verify the alleged defect. In order for any internal components to be covered under warranty, Real Flame requires the user to troubleshoot with a Real Flame Customer Service member to ensure proper operation and diagnosis of the issue.
In the event of covered defects in warrantied items, Real Flame will, at its sole option and discretion, replace the defective component, replace the Product or refund the purchase price. Real Flame is not responsible for the installation, labor or any other costs associated with the reinstallation. The foregoing is the exclusive remedy under the terms of this limited warranty. Real Flame will not be responsible for any incidental or consequential damages caused by defects in the Product. Some states do not allow the exclusion or limitation of incidental or consequential damages, so the above limitation or exclusion may not apply to you.
This limited warranty is the sole express warranty given by Real Flame. The duration of any implied warranty arising under the laws of any state, including the implied warranty of merchantability or fitness for a particular purpose or use, is limited to the duration of the warranty specified above. Some states do not allow limitations on how long an implied warranty lasts, so this limitation may not apply to you.
This warranty gives you specific legal rights, and you may also have other rights which vary from State to State.
For warranty service:
- Call Real Flame Customer Service at 1-800-654-1704 for technical support and troubleshooting.
- If experiencing issues with finish, please fill out the ‘Outdoor Warranty Claim’ form at www.realflame.com.
RETURN POLICY
Return Policy
You may return your purchase within 90 days of receipt. No refunds will be issued for incomplete or unauthorized returns. All returned products must be 100% complete, adequately packaged in original packaging, and in a resalable condition. Products that have been assembled or modified will not be eligible for return. All items must be returned in their entirety, meaning all items included must be returned together. No returns or exchanges on discontinued items. Please begin the return process by contacting the store or company where you bought your Real Flame® item.
Replacement Parts
In the event that an item has been lost or damaged, either by the manufacturer or in shipping, you may request a replacement. Replacement parts are not available for all units and are only given at Real Flame’s discretion. We will assess any damage and find a solution, which could include shipping you a replacement. No replacements are available for discontinued items or repackaged (open box) products. Please call Real Flame Customer Service at 1-800-654-1704 for replacement parts before returning the damaged item. Please have the following information (which can be found in your instruction manual) ready before you call Customer Service:
- The model number of the item
- 4-8 digit part number
- Lot code number
- Shipping address
- A picture of the damaged item may be requested. Pictures should be sent to csrep@realflame.com
Incorrect Order Received
If you received something other than what you ordered, please contact Real Flame Customer Service at 1-800-654-1704 within 48 hours of receiving the item.
Refer to www.realflame.com for our complete return guidelines and policies.
Please register your fireplace for recall notifications, proof of ownership, and quality assurance at https://www.realflame.com/registration.
Real Flame®
7800 Northwestern Ave.
Racine, WI 53406
USA
Customer Service: 1-800-654-1704 in the USA
Service à la clientèle: 1-800-363-6443 in Canada
csrep@realflame.com



















