newair NFT070GA00 6.7 Cu. Ft. Chest Freezer
SPECIFICATIONS
| MODEL NO. | NFT070GA00/ NFT070MB00 |
| RATED VOLTAGE: | 110-120V |
| RATED CURRENT: | 1.4 A |
| RATED FREQUENCY: | 60Hz |
| INTERNAL LED LIGHT: | DC 12V Max 2W |
| POWER CONSUMPTION: | 249 kWh/year |
| STORAGE CAPACITY: | 7 Cu. Ft. |
| LOWER TEMPERATURE RANGE: | -15°F (-26°C) |
| REFRIGERANT: | R600a (2.47 oz) |
| NET WEIGHT | 79 lbs. |
| UNIT DIMENSIONS | 37.4” W x 22.2” D x33.3” H |
REGISTER YOUR PRODUCT ONLINE
Register Your NewAir Product Online Today!
Take advantage of all the benefits product registration has to offer:
- Service and SupportDiagnose troubleshooting and service issues faster and more accurately
- Recall NotificationsStay up to date for safety, system updates and recall notifications
- Special PromotionsOpt-in for NewAir promotions and offers
Registering your product information online is safe & secure and takes less than 2 minutes to complete: newair.com/register
Alternatively, we recommend you attach a copy of your sales receipt below and record the following information, located on the manufacturer’s nameplate on the rear of the unit. You will need this information if it becomes necessary to contact the manufacturer for service inquiries.
- Date of Purchase: ___________________________________________
- Serial Number: ____________________________________________
- Model Number: ____________________________________________
GENERAL SAFETY RULES
Read all of the instructions before using this appliance. Follow basic safety precautions, including the following:
- Use this appliance only for its intended purpose and as described in this manual.
- This chest freezer must be properly installed in accordance with the grounding instructions in the installation section before it is used.
- Never unplug your chest freezer by pulling on the power cord. Always grasp the plug firmly and pull straight out from the outlet.
- Repair or replace immediately, all electric service cords that have become frayed or otherwise damaged. Do not use a cord that shows cracks or abrasion damage along its length, the plug or the connector end.
- Unplug your chest freezer before cleaning or before making any repairs.
- Do not touch the cold surfaces in the chest freezer compartment, particularly when hands are damp or wet. Skin may adhere to these extremely cold surfaces.
- Do not refreeze foods, which have been thawed completely.
- This chest freezer is designed for freestanding installation only.
- Do not operate your chest freezer in the presence of explosive fumes.
- This appliance is not intended for use by persons, including children, with reduced physical sensory or mental capabilities or lack of experience and knowledge unless they have been given supervision or instruction concerning use of the appliance by a person responsible for their safety.
- Children should be supervised to ensure that they do not play with the appliance.
- Do not use extension cords or ungrounded (two prong) adapters.
- If the supply cord is damaged, it must be replaced by the manufacturer, its service agent or similar qualified person in order to avoid hazard.
- Keep ventilation openings in the appliance clear of obstruction.
- Do not use mechanical devices or other means to accelerate the defrosting process other than those recommended by the manufacturer.
- Do not tamper with the refrigerant circuit.
Risk of child entrapment!
To prevent entrapment and suffocation hazard, do not leave children unattended when in the vicinity of the appliance.
Before discarding your chest freezer:
- take off the doors.
- leave the shelves in place so that children may not easily climb inside.
PARTS LIST
- Exterior Water Drain
- Handle with Digital Control Display
- Vinyl-Coated Steel Wire Removable Storage Basket
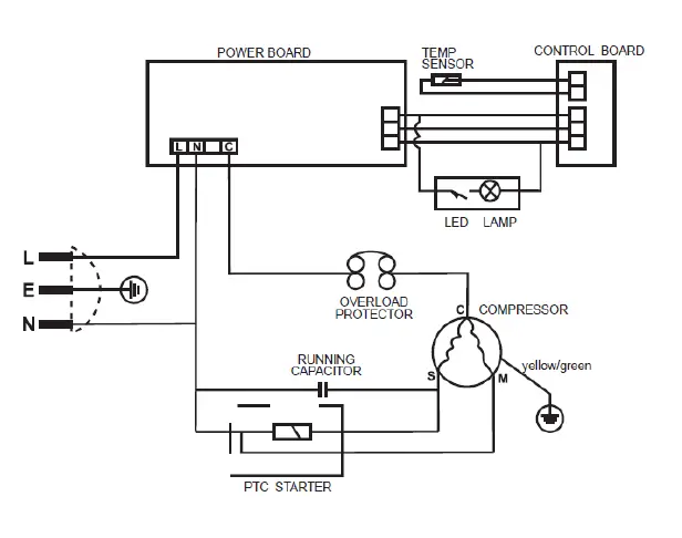
ELECTRICAL CIRCUIT DIAGRAM
ASSEMBLY & INSTALLATION
UNPACKING YOUR FREEZER
- Remove all packaging material. This includes the foam base and all adhesive tape holding the freezer accessories inside and outside.
- Inspect and remove any remains of packing, tape, or printed materials before powering on the freezer.
ADJUSTING YOUR FREEZER
- Your freezer is designed for freestanding installation only. It should not be recessed or built-in.
- Place the freezer on a floor strong enough to support It fully loaded.
- When moving the freezer, never tilt it more than a 45-degree angle. This could damage the compressor and the sealed system.
- If the freezer is tilted let it stand in an upright position for at least 24 hours prior to plugging. This is to allow the refrigerant to settle.
PROPER AIR CIRCULATION
- To assure your freezer works at the maximum efficiency it was designed for, you should Install it in a location where there is proper air circulation, plumbing and electrical connections.
- The following are recommended clearances around the freezer:
- Sides 4″ (102mm)
- Back 4″ (102mm)
- Top Do not block
ELECTRICAL REQUIREMENT – SHOCK HAZARD
Electrical Requirement
- Make sure there is a suitable power Outlet (115 volts. 15 amps outlet) with proper grounding to power the freezer.
- Avoid the use of three plug adapters or cutting off the third grounding in order to accommodate a two-plug outlet to avoid shock hazard.
Install Limitations
- This freezer is designed to operate in temperature settings between 50 ° – and 109 ° Fahrenheit.
- Select a suitable location for the freezer on a hard even surface away from direct sunlight or heat source.
Disposal
- The disposal of this appliance should be in accordance with federal and local regulations.
- This appliance should be taken to the appropriate waste collection point for the recycling of electrical components. For information on local waste collection points, contact your local waste removal agency or government office.
OPERATING INSTRUCTIONS
- Initially set the temperature to 6.8°F (-14°C) Place food inside the chest freezer. After using the chest freezer for 24 hours, set the chest freezer to your desired setting using and buttons.
- The chest freezer has two temperature ranges: -15°F (-26°C) to 6.8°F (-14°C) and 32°F (0°C) to 50°F (10°C). If you increase the temperature past 6.8°F (-14°C), it will automatically jump to 32°F (0°C).
- When the compressor works continuously for 24 hours, it will stop automatically for 20 minutes before restarting again.
- In case you unplug your chest freezer or experience an electrical outage, the unit will start 5 minutes after it is plugged back in or power is recovered. This is to protect the compressor.
FAST FREEZE MODE
- To activate Fast Freeze Mode: Press
and hold for 3 seconds. The compressor will run for 24 hours and will stop after that period of time or when the inside temperature drops to -18.4°F (-28°C). - What is Fast Freeze Mode? Fast Freeze Mode reduces the time it takes to freeze large amounts of fresh, unfrozen food. The faster food is frozen, the better the quality will be when the food is thawed.
- When do you need to activate Fast Freeze Mode? Depending on how much food you plan on freezing at once, you may need to activate Fast Freeze Mode. If you plan on freezing food between 4-ll lbs., we recommend you activate freeze mode as you load it in. For anything over 11lbs. we recommend you activate Fast Freeze Mode at least three hours before placing the food in the freezer. For smaller amounts of food (2 lbs. or under), it’s not necessary to use Fast Freeze Mode, since any other temperature setting will be able to freeze your food fast enough while still maintaining its quality.
REGULAR OPERATING SOUNDS YOU MAY HEAR
- Boiling water, gurgling sounds, or slight vibrations are the result of the refrigerant circulating through the cooling coils.
- The thermostat control will click when it cycles on and off.
FOOD STORAGE BASKET
Your freezer has a removable basket for accessible food storage, remove if not needed.
DEFROSTING AND DRAINING
- For the most efficient operation and minimum energy consumption, defrost whenever the frost becomes 1/4″ thick. It is advisable to let ice and frost melt. Do not use boiling water as it may damage the unit.
- Remove the frozen food from the freezer and place it in a refrigerator to protect the food when defrosting your freezer.
- Unplug the unit. Defrosting usually takes a few hours. To defrost faster keep the freezer door open.
- For draining, place a tray beneath the outer drain plug. Remove drain plug. This will let the water flow out in the tray. When done, cover the drain plug in place.
Note: monitor the container under the drain to avoid overflow. - When draining is complete, wipe the interior of the freezer with a soft cloth. Plug in power cord back into the electrical outlet.
- Reset the temperature control to the desired setting.
- Return the food to the freezer.
FOOD STORAGE INFORMATION
Frozen Food
- Wipe containers before storing them to avoid needless spills.
- Hot food should be allowed to cool before storing in the freezer. This will prevent unnecessary energy use.
- When storing meats, keep them in the original packaging or rewrap as necessary.
- Proper freezer storage requires correct packaging. All foods must be in packages, which do not allow the flow of air or moisture in, or out. Improper storage will result in odor and taste transfer and will result in the drying out of the Improperly packaged food.
- Follow package or container instructions for proper storage.
- Packaging Recommendations:
- Plastic containers with airtight lids
- Heavy-duty aluminum foil
- A plastic wrap made from saran film
- Self-sealing plastic bags
- Do not refreeze defrosted/thawed foods.
- It Is recommended that the freezing date be marked on the packaging.
These are some suggestions for safe storage:
- TV Dinners 3 – 4 Months
- Fresh shrimp, scallops, crawfish 3 – 6 Months
- Hamburger & stew meats 3 – 4 Months
- Ground turkey, veal, pork 3 – 4 Months
- Pork chops 4 – 6 Months
- Steaks 6 – 12 Months
- Chicken or turkey, whole 1 year
CLEANING AND MAINTENANCE
PROPER FREEZER CARE AND CLEANING
Always clean the freezer before reusing.
Warning: To avoid electric shock always unplug your freezer before cleaning. Ignoring this warning may result in serious injury.
General
- Prepare a cleaning solution of 3-4 tablespoons of baking soda mixed with warm water. Use sponge or soft cloth, dampened with the cleaning solution, to wipe down your freezer.
- Rinse with clean warm water and dry with a soft cloth.
- Do not use harsh chemicals, abrasives, ammonia, chlorine bleach, concentrated detergents, solvents or metal scouring pads. Some of these chemicals may dissolve, damage and/or discolor your freezer.
Door Gaskets
- Clean door gaskets every three months according to general instructions. Gaskets must be kept clean and pliable to assure a proper seal.
- Petroleum jelly applied lightly on the hinge side of gaskets will keep the gasket pliable and assure a good seal.
- Remove the power cord from the AC outlet when a power outage occurs. When power has been restored, plug the power cord into the AC outlet and wait 5 minutes for the compressor to restart.
- The memory function will restore the settings in place before the power outage.
WARNING: IF THE OUTAGE IS FOR A PROLONGED PERIOD, INSPECT AND DISCARD SPOILED OR THAWED FOOD IN THE CHEST FREEZER. CLEAN CHEST FREEZER BEFORE REUSING.
VACATION AND MOVING CARE
For long vacations or absences, empty food from the freezer, unplug the unit and clean the door gaskets according to the “General cleaning” section. Prop doors open, so air can circulate inside. When moving always move the freezer vertically. Do not move with the unit lying down. Possible damage to the sealed system could occur.
TROUBLESHOOTING
You can solve many common problems easily, saving you the cost of a possible service call. If further assistance is needed call our customer service team.
| Problem | Possible Causes and Solution |
| Chest freezer does not operate | · Check if chest freezer is plugged in. · Check if there is power at the ac outlet, by checking the circuit breaker. · Wait for 30-40 minutes to see whether chest freezer will start. Compressor cycle must be complete to operate. |
| Food temperature appears too warm | · Frequent door openings. · Allow time for recently added warm food to reach chest freezer temperature. · Check gaskets for proper seal. · Adjust temperature control to colder setting. |
| Too much frost build-up inside unit | · Make sure temperature control is not set to “ON” setting for extended period of time. |
| Food temperature is too cold | · If temperature control setting is too cold, adjust to a warmer setting and allow several hours for temperature to adjust. |
|
Compressor runs too frequently | · This may be normal to maintain constant temperature during high temperature and humid days. · Doors may have been opened frequently or for an extended period of time. · Check gasket for proper seal. · Check to see if doors are completely closed. · Check chest freezer compartment for blockage from frozen food packages, containers, etc. |
| Chest freezer has an odor | · Interior needs cleaning. · Foods improperly wrapped or sealed are giving off odors. |
| Problem | Possible Causes and Solution |
| Code FE appears on the digital display | · The temperature sensor malfunctioned. The compressor will stop for 20 minutes before kicking back on. If the compressor doesn’t restart after 20 minutes, contact a customer service representative for more information. |
| Code HE appears on the digital display | · The internal temperature is higher than 131ᵒF (55ᵒC). Wait 30 minutes for the internal temperature to adjust to the set temperature. If the temperature remains higher than 131ᵒF (55ᵒC), contact a customer service representative for more information. |
| Code LE appears on the digital display | · The internal temperature is lower than -104ᵒF (-40ᵒC). Wait 30 minutes for the internal temperature to adjust to the set temperature. If the temperature remains higher than -104ᵒF (-40ᵒC), contact a customer service representative for more information. |
|
Code FU appears on the digital display | · The internal temperature hasn’t reached lower than 17.6ᵒF (-8ᵒC) after operating for 10 hours. Once the temperature reaches 14ᵒF (-10ᵒC), the error code with deactivating and the display will return to normal. If the temperature doesn’t get below 17.6ᵒF (-8ᵒC) after operating for 10 hours and the error code persists, contact a customer service representative for more information. |
LIMITED MANUFACTURER’S WARRANTY
This appliance is covered by a limited manufacturer’s warranty. For one year from the original date of purchase, the manufacturer will repair or replace any parts of this appliance that prove to be defective in materials and workmanship, provided the appliance has been used under normal operating conditions as intended by the manufacturer.
Warranty Terms
During the first year, any components of this appliance found to be defective due to materials or workmanship will be repaired or replaced, at the manufacturer’s discretion, at no charge to the original purchaser. The purchaser will be responsible for any removal or transportation costs.
Warranty Exclusions
The warranty will not apply if the damage is caused by any of the following:
- Power failure
- Damage in transit or when moving the appliance
- An improper power supply such as low voltage, defective household wiring or inadequate fuses
- Accident, alteration, misuse or abuse of the appliance such as using non-approved accessories, inadequate air circulation in the room or abnormal operating conditions (extreme temperatures)
- Use in commercial or industrial applications
- Fire, water damage, theft, war, riot, hostility or acts of God such as hurricanes, floods, etc.
- Use of force or damage caused by external influences
- Partially or completely dismantled appliances
- Excess wear and tear by the user
Obtaining Service
When making a warranty claim, please have the original bill of purchase with the purchase date available. Once confirmed that your appliance is eligible for warranty service, all repairs will be performed by a NewAir™ authorized repair facility. The purchaser will be responsible for any removal or transportation costs. Replacement parts and/or units will be new, remanufactured, or refurbished and is subject to the manufacturer’s discretion. For technical support and warranty service, please email [email protected]. newair.com





and hold for 3 seconds. The compressor will run for 24 hours and will stop after that period of time or when the inside temperature drops to -18.4°F (-28°C).

















