FISHER PAYKEL 82358-A Freestanding Range Cooker

INTRODUCTION
| BRAND | VOLTAGE | MODEL | PRODUCT CODE | |||
| Fisher & Paykel | 220/240 VAC 50Hz | DD60DCHX9 FP EU | 82358-A |
MODELS
- The models covered by this manual are listed on the front cover.
- The information detailed in this manual is subject to change without notice. The latest version is indicated by the reprint date and replaces any earlier editions.
KIT PARTS
Where a part number is shown against the descriptions for these kit components, they are also available as separate items. In addition, some parts may be supplied with these kits that are not available as separate items, and are therefore either not listed, or a part number is not shown against the part description in this manual.
PARTS LIST KEY
| NI | As a part reference, indicates the part is not illustrated on the diagram. |
| NOT USED | As a part number, indicates the diagram part reference is not used in this manual. |
| NS | As a part number, indicates the part is not servicable. |
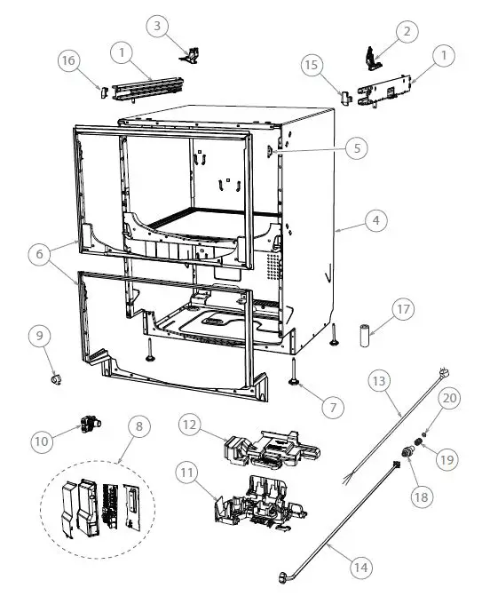
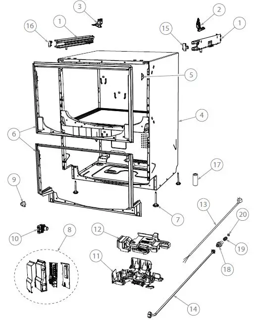
FRONT PANELS/CONTROLS

| REFERENCE | PART NUMBER | PART DESCRIPTION | ||
| 1 | 512019 | KIT MODULE DISPLAY DD60C9 | ||
| Includes | MOD DISP 525 PH9 CLSC X 1 | |||
| Includes 511861 | RIVET SNAP NYLON GREY X 3 | |||
| 2 | 510779 | WEDGE HOUSING UI DD PH9 | ||
| 3 | 524608 | CONTROL PANEL ESD SHIELD 608V | ||
| 4 | 524875 | HARNESS UI ONE PH8 | ||
| 5 | 511252 | BUTTON ASSY DD PH9 | ||
| 6 | 513228 | DOOR ASSY UPPER DD60DCX9 V2 (SP) | ||
| Includes | DOOR UPPER DD60DCX9 N BR X 1 | |||
| Includes | HANDLE BODY DD PH9 GREY X 1 | |||
| Includes 511152 | SCREW M3-5X10 CSK PN ZP BLK X 4 | |||
| Includes 510932 | GRIP HANDLE DD PH9 X 1 | |||
| Includes 510785 | SCREW M4X8 WAFER PH ZP YLW X 4 | |||
| Includes 511854 | KIT ASSY TOPCAP AL DD PH9 X 1 | |||
| Includes 550193 | RETAINING RING E18 X 4 | |||
| Includes | LENS UI GREY DD60DC PH9 X 1 | |||
| Includes 511861 | RIVET SNAP NYLON GREY X 3 | |||
| 7 | 513204 | DOOR ASSY LOWER DD60DCX9 V2 (SP) | ||
| Includes | DOOR LOWER DD60X9 X 1 | |||
| Includes | HANDLE BODY DD PH9 GREY X 1 | |||
| Includes 511152 | SCREW M3-5X10 CSK PN ZP BLK X 4 | |||
| Includes 510932 | GRIP HANDLE DD PH9 X 1 | |||
| Includes 510785 | SCREW M4X8 WAFER PH ZP YLW X 4 | |||
| Includes 511854 | KIT ASSY TOPCAP AL DD PH9 X 1 | |||
| Includes 550193 | RETAINING RING E18 X 4 | |||
| Includes 511861 | RIVET SNAP NYLON GREY X 3 | |||
| 8 | 511152P | SCREW M3-5X10 CSK BLK (PKT 10) | ||
| 9 | 510785P | SCREW M4X8 WAFER YLW (PKT 10) | ||
| 10 | 511861P | RIVET SNAP NYLON GREY (PKT10) | ||
| 11 | 550193P | RETAINING RING E18 (PKT 10) | ||
| 12 | 518735P | PIN DOOR PH9 EXTENDED SP X2 | ||
| 13 | 532490 | SEAL DOOR DD609 V2 |

CABINET ASSEMBLY

| REFERENCE | PART NUMBER | PART DESCRIPTION | ||
| 1 | 524116P | KIT BRACKET SLIDE RH & LH ASSY | ||
| Includes | BRACKET SLIDE RH ASSY X 1 | |||
| Includes | BRACKET SLIDE LH ASSY X 1 | |||
| Includes 556607 | SCREW MC M5X10 TAPTITE X 6 | |||
| Includes | INSTR SHT SLIDE BRACKET SPARE KIT | |||
| NI | 556607P | SCREW MC M5X10 TAPTITE (PKT 10) | ||
| 2 | 522584 | LATCH ASSY RH DD 606 | ||
| 3 | 522585 | LATCH ASSY LH DD 606 | ||
| 4 | 510878 | KIT REPLACE CHASSIS DD60DA8 | ||
| Includes 525968 | MOUNT LINK TOP | |||
| Includes | CHASSIS DOUBLE ASSY GALV | |||
| Includes | SHT INSTR REPLACE CHASSIS PH8 | |||
| Includes | TAB TOP (2) | |||
| Includes | INSTALL TAB TTA | |||
| Includes | INSTALL TAB TTB | |||
| Includes | TRIM UPPER COMOULD ASSY | |||
| Includes | TRIM LOWER COMOULD ASSY | |||
| Includes 524568 | 3 DEGREE PRISM (2) | |||
| Includes 528941 | FOOT (4) | |||
| 5 | 524568 | 3 DEGREE PRISM | ||
| 6 | 523397 | KIT TRIMSEAL DD60D | ||
| Includes | TRIM UPPER COMOULD ASSY | |||
| Includes | TRIM LOWER COMOULD ASSY | |||
| Includes 524568 | 3 DEGREE PRISM (2) | |||
| 7 | 528941 | FOOT | ||
| 8 | 518482P | KIT MC 525 PH9 230V DBL W SP | ||
| 9 | 525466 | CLAMP HOSE HERBIE TYPE E | ||
| 10 | 529730 | VALVE INLET DOUBLE 605 | ||
| 11 | 524559 | HOUSING CHASSIS MODULE DD608 | ||
| 12 | 524666 | COVER CHASSIS MODULE 608 | ||
| 13 | 511625 | FLEX MAINS EU PH8 | ||
| NI | 532017 | TERM STRIP SADDLE NIPL | ||
| NI | 556607P | SCREW MC M5X10 TAPTITE (PKT 10) |

| REFERENCE | PART NUMBER | PART DESCRIPTION | ||
| 14 | 527021 | HOSE INLET ASSY EU | ||
| 15 | 524783 | CLIP TUB RELEASE RH MID GREY | ||
| 16 | 524782 | CLIP TUB RELEASE LH MID GREY | ||
| 17 | 522158 | KIT FOOT TOOLS 605 | ||
| Includes | FOOT TOOL 605 | |||
| Includes | FOOT TOOL 45MM 605 | |||
| NI | 528821 | INSULATION CHASSIS TOP | ||
| NI | 528819 | INSULATION CHASSIS BOTTOM RH | ||
| NI | 528820 | INSULATION CHASSIS BOTTOM LH | ||
| 18 | 527096 | WATER BLOCK | ||
| 19 | 523667 | G20 MALE G20 FEMALE ADAPTER | ||
| 20 | 527141P | WASHER WIRSBO (PKT 10) |
LID & LINK ASSEMBLY

| REFERENCE | PART NUMBER | PART DESCRIPTION | ||
| 1 | 529969 | LID YOKE RIGHT | ||
| 2 | 529970 | LID YOKE LEFT | ||
| 3 | 522085 | KIT LID ACTUATORS 605 (PKT 2) | ||
| 4 | 510856 | KIT DD FILL HOSE LOWER SPARE | ||
| 510855 | KIT DD FILL HOSE UPPER SPARE | |||
| 5 | 510852 | KIT DD DRAIN HOSE SPARE | ||
| Includes | O RING CUFF SOCKET UL REC | |||
| Includes | HOSE DRAIN UPPER ASSY 605 | |||
| Includes | FLAP VALVE DRAIN 605 | |||
| NI | 525798 | KIT DRAIN HOSE EXTENSION 3.6M | ||
| Includes | DRAIN HOSE EXTENSION (2) | |||
| Includes 525482 | CLIP WIRE DRAIN (4) | |||
| Includes | DRAIN HOSE JOINER (2) | |||
| NI | 527394 | KIT DRAIN HOSE JOINER | ||
| Includes 525482 | CLIP WIRE DRAIN (2) | |||
| Includes | DRAIN HOSE JOINER | |||
| 6 | 529964P | LID ASSY 605 | ||
| 7 | 510854 | KIT DD HARNESS LOWER 608 SPARE | ||
| 510853 | KIT DD HARNESS UPPER 608 SPARE | |||
| 8 | 528674 | CLAMP HOSE TYPE 12232-17-4 | ||
| 9 | 524497 | ROD LINK SUPPORT 608 | ||
| 10 | 528101 | BRACKET LINK SUPPORT | ||
| 11 | 524541 | CLIP LINK SUPPORT 608 | ||
| 12 | 524543 | CLIP LINK CHASSIS SIDE | ||
| 13 | 524522 | CLIP LINK TUB RIB | ||
| 14 | 524478 | MOUNT LINK CHASSIS 608 | ||
| 15 | 524545 | MOUNT LINK TOP 608 |
TUB & COMPONENTS

| REFERENCE | PART NUMBER | PART DESCRIPTION | ||
| 1 | 524467 | FP O MOULDED 608 TYPE 16 | ||
| 2 | 510921 | KIT DRAIN/MICROFILTER ASYS 608 | ||
| Includes 510129 | DRAIN FILTER ASSY 608 | |||
| Includes 510658 | MICRO FILTER ASSY 608 TYPE 11 | |||
| 3 | 518712P | ROTOR ASSY DD609.5 | ||
| 4 | 512613P | KIT TUB STD W/ASSY DD60H9 V2 | ||
| 5 | 524569 | 3 DEGREE LIGHTPIPE PH8 | ||
| 6 | 524837 | BUNG ASSY DISP R/AID MID GREY | ||
| 7 | 524887 | KIT DISPENSER MID GREY (SP) | ||
| Includes | DISPENSER DISHDRWR MID GREY | |||
| Includes | GASKET DISPENSER | |||
| Includes 526789 | BRACKET DISPENSER SHORT X 2 | |||
| NI | 556155P | SCREW M3.5X14 PANTX K35 (PKT 10) | ||
| 8 | 514134 | PUMP CAP ASSY 609 | ||
| 9 | 526789 | BRACKET DISPENSER SHORT | ||
| 10 | 518491P | KIT WASH CTRL P9 W EU GB DK | ||
| NI | 556155P | SCREW M3.5X14 PANTX K35 (PKT 10) | ||
| 11 | 518937 | KIT MOTOR ASSY DD609.5 | ||
| Includes | MHOUSING ASSY DD609.5 | |||
| Includes | MOTOR HOUSING SEAL | |||
| Includes 525940 | O RING CUFF SOCKET UL REC | |||
| Includes 522178 | O RING 208 DRAIN INLET | |||
| Includes 529194 | FLAP VALVE DRAIN 605 | |||
| 12 | 524536 | MOTOR LOCKING RING | ||
| NI | 556155P | SCREW M3.5X14 PANTX K35 (PKT 10) | ||
| 13 | 522150 | KIT FLAP VALVE/O RING 605 (PKT 2) | ||
| Includes | FLAP VALVE DRAIN 605 (2) | |||
| Includes | O RING CUFF SOCKET UL REC (2) | |||
| Includes | O RING CUFF SOCKET UL REC (2) | |||
| 14 | 421169 | GROMMET 4MM THERMISTOR | ||
| NI | 510669 | HARNESS THERMISTOR LDY EPCOS | ||
| 15 | 510572 | SPACER THERMISTOR 608 |

| REFERENCE | PART NUMBER | PART DESCRIPTION | ||
| 16 | 524428 | COVER TUB BASE 608 | ||
| NI | 556155P | SCREW M3.5X14 PANTX K35 (PKT 10) | ||
| 17 | 514230 | KIT ELEMENT & SEAL 609 230V | ||
| Includes | ELEMENT SEAL 608 | |||
| Includes | ELEMENT 608 KAWAI 230V | |||
| 18 | 514184 | KIT ELEMENT COVER 609 ASSY | ||
| 19 | 522578 | EXIT DUCT ASSY | ||
| 20 | 515617 | SPRAY ARM ASSY DD6010 | ||
| 21 | 528674 | CLAMP HOSE TYPE 12232-17-4 | ||
| 22 | 528063 | FLAP VALVE FAN HOUSING 605 | ||
| 23 | 518855 | ISOLATION DRYING FAN PH9.5 | ||
| 24 | 515747 | HARNESS RINSEAID FAN DET DIV | ||
| 25 | 528064 | RETAINER FLAP FAN HOUSING 605 | ||
| 26 | 510611 | COWLING ASSY DD60D9 ADJ SLV | ||
| NI | 511371P | KIT RIVET PUSH IN (PKT 2) | ||
| 27 | 510727 | O RING 152 SILICONE 40 608 | ||
| 28 | 522404 | HOSE FILL CO-EX SOFTENER | ||
| 29 | 526718 | O RING OVERFLOW SOFTENER | ||
| 30 | 526717 | O RING SALT TANK | ||
| 31 | 524886 | KIT WATER SOFTENER ASSY (SP) MID GREY | ||
| Includes | WATER SOFTENER ASSY MID GREY | |||
| Includes | DIVERTER VALVE SOFTENER ASSY | |||
| Includes | BRINE PUMP ASSY | |||
| Includes 526718 | O RING OVERFLOW SOFTENER | |||
| Includes 526717 | O RING SALT TANK | |||
| Includes 524842 | BUNG SOFTENER ASSY MID GREY | |||
| Includes 528606P | SALT SENSE SMD 525 PH3.5 ROHS | |||
| Includes 556155 | SCREW M3.5X14 PANTX WN1412KL35 (4) | |||
| Includes 522765 | STRAINER SOFTENER ASSY | |||
| Includes | O RING STRAINER SOFTENER | |||
| Includes | INSTRUCTION SHEET SOFTENER | |||
| Includes | O RING STRAINER SOFTENER | |||
| Includes | INSTRUCTION SHEET SOFTENER |
BASKETS & RACKS

| REFERENCE | PART NUMBER | PART DESCRIPTION | ||
| 1 | 595598 | BASE RACK ASSY DD60C PH9V2 CTD | ||
| 2 | 512817 | CROCK INSERT FD DD60C PH9 | ||
| Includes | COMB RHS MP 7PS CTD X 1 | |||
| Includes | COMB LHS MP 7PS CTD X 1 | |||
| Includes | CLIP FOLDDOWN DD609 X 2 | |||
| 3 | 523649 | CROCK INS PA 60 ASSY | ||
| Includes | COMB PA FIXED 60 CTD | |||
| Includes | COMB PA MOVING 60 CTD | |||
| Includes | CLIP PA FRONT 60 | |||
| Includes | CLIP PA BACK 60 | |||
| 4 | 524147 | KIT CLIP FRONT/BACK PA | ||
| Includes | CLIP PA FRONT 60 | |||
| Includes | CLIP PA BACK 60 | |||
| 5 | 510076 | WIRE TRAPDOOR 608 LOOP CTD | ||
| 6 | 510026 | CLIP TRAPDOOR 608 | ||
| 7 | 522683 | WIRE SUPPORT CUP RACK STD | ||
| 8 | 524179 | RACK CUP LH DD60 100M ASSY | ||
| 9 | 524180 | RACK CUP RH DD60 80MM ASSY | ||
| 10 | 511870 | BASKET CUTLERY 60 ASSY MID-GY | ||
| 11 | 511874 | INSERT ST C BASKET 60 MID-GREY | ||
| 12 | 511872 | INSERT TABLET 60 MID-GREY | ||
| 13 | 511865 | CONTAINER C BASKET ASSY MID-GY | ||
| 14 | 522691P | SUPPORT GLASS CLIPON (PKT 2) | ||
| 15 | 523326 | DD KNIFE CLIP COMBINED |
INSTALLATION COMPONENTS

| REFERENCE | PART NUMBER | PART DESCRIPTION | ||
| 1 | 528690 | CLAMP HOSE DIA 32-14 | ||
| 2 | 525477 | SUPPORT DRAIN HOSE | ||
| 3 | 525067 | DRAIN SPIGOT CONNECTOR DOUBLE | ||
| 4 | 512024 | KIT KICKSTRIP DD60D9 F PNL SLV | ||
| NI | 512027 | KIT KICKSTRIP DD60D9 C PNL SLV (OPTIONAL CUT 50 TO 100MM) | ||
| 5 | 523007 | KIT INSTALL TAB DISHDRAWER | ||
| Includes | TAB TOP (2) | |||
| Includes | INSTALL TAB TTA (2) | |||
| Includes | INSTALL TAB TTB (2) | |||
| Includes | SCREW WS 8X5/8TWINFST MTSPH ZP (6) | |||
| 6 | 592852 | BKST UG DD60 PH9 DC SC EU | ||
| Includes | BK IG DD60DC DD 9 EU | |||
| 7 | 525482P | CLIP WIRE DRAIN (PKT 2) | ||
| 8 | 522158 | KIT FOOT TOOLS 605 | ||
| Includes | FOOT TOOL 605 | |||
| Includes | FOOT TOOL 45MM 605 | |||
| NI | 522995 | KIT INSTALL DBL/SGL PH5/PH6 | ||
| Includes 525477 | SUPPORT DRAIN HOSE | |||
| Includes 525482 | CLIP WIRE DRAIN (2) | |||
| Includes 525067 | DRAIN SPIGOT CONNECTOR DOUBLE | |||
| Includes 525460 | DRAIN SPIGOT CONNECTOR SINGLE | |||
| Includes 528690 | CLAMP HOSE DIA 32-14 | |||
| Includes | SCREW WS 8X5/8 TWIN FAST (7) | |||
| Includes 526797 | TAB TOP (2) | |||
| Includes | FOOT TOOL 605 | |||
| Includes | FOOT TOOL 45MM 605 | |||
| Includes | INSTALL TAB TTA (2) | |||
| Includes | INSTALL TAB TTB (2) | |||
| Includes | CORNER PLUG TRIM DDTALL (4) | |||
| Includes 527228 | KIT TAPE UNDERBENCH | |||
| NI | 527208 | TAPE UNDERBENCH CONDENSATION |
© Fisher & Paykel Appliances Ltd 2022. All rights reserved. The product specifications in this document apply to the specific products and models described at the date of issue. Under our policy of continuous product improvement, these specifications may change at any time. You should therefore check with your Dealer to ensure this document correctly describes the product currently available. For current details about model and specification availability in your country, go to our website fisherpaykel.com or contact your local Fisher & Paykel dealer
PRODUCT CODE: 82358-A 03.22



















