

Safety & Warnings
Preparation
Please Read This Page Carefully
Remove all parts and hardware from the carton and place them on a clean soft surface. Check carefully to make sure nothing is missing. Dispose of all packaging materials properly. Please recycle.
Safety Instructions
Failure to follow these safety instructions may result in serious injury or property damage and will void warranty.
Owner must ensure that all players know and follow these rules for safe operation of the system.
To ensure safety, do not attempt to assemble this system without following the instructions carefully. Check entire box and all packing material for parts and/or additional instruction material. Before beginning assembly, read the instructions and identify parts using the hardware identifier and parts list in this document. Proper and complete assembly, use and supervision are essential for proper operation and to reduce the risk of accident or injury. A high probability of serious injury exists if this system is not installed, maintained and operated properly.
- If using a ladder during assembly, use extreme caution.
- Check base regularly for leakage. Slow leaks could cause the system to tip over unexpectedly.
- Seat the pole sections properly (if applicable). Failure to do so could allow the pole sections to separate during play and/or during transportation of the system.
- Climate, corrosion or misuse could result in system failure.
- If technical assistance is required, contact Customer Service
- Minimum operational height is 6’6″ (1.98m) to the bottom of backboard.
Most injuries are caused by misuse and/or not following instructions.
Use caution when using this unit.
Warning
- Manufacturer recommends filling the base with sand, not water. If you choose to use water, ALWAYS check for leaks. Leaking water will lighten the base and cause the system to become unstable and tip over.
- Empty water completely from the base or add 2 gallons (7.5 litres) of anti-freeze before the temperature approaches or falls below the freezing point. Freezing water may crack the base and cause leaks. This will result in failure of the system and could result in serious injury.
- For residential use only. NOT for commercial use. DO NOT use this product other than its intended purpose. Any commercial, public or institutional use may void warranties.
Failure to Follow These Warnings May Result in Serious Injury and/or Property Damage
Owner must ensure that all players know and follow these rules for safe operation of the system.
- DO NOT HANG on the rim or any part of system including backboard, support braces or net. Only hang from the rim briefly to regain balance or avoid injuring others. Release the rim as soon as possible. Do not hang on the rim for any other reason.
- During play, especially when performing dunk type activities, keep player’s face away from the backboard, rim and net. Serious injury could occur if teeth/face meets the backboard, rim or net.
- Do not slide, climb or play on base and/or pole.
- After assembly is complete, fill system completely with water or sand. Never leave system in an upright position without filling base with weight, as system may tip over causing injuries.
- When adjusting height or moving system, keep hands and fingers away from moving parts.
- Do not allow children to move or adjust system.
- During play, do not wear jewellery (rings, watches, necklaces, etc). Objects may entangle in net and result in serious injury.
- Surface beneath the base must be smooth and free of gravel or other sharp objects. Punctures cause leakage and could cause system to tip over.
- Keep organic material away from pole base. Grass, litter etc. could cause corrosion and/or deterioration.
- Once a month, check pole system for signs of corrosion (rust, pitting and chipping) and repaint with exterior enamel paint. If rust has penetrated through the steel anywhere, replace pole immediately.
- Always check system before each use for proper ballast, loose hardware, excessive wear and signs of corrosion and repair before each use.
- Check system before each use for instability.
- Do not use system during windy and/or severe weather conditions; system may tip over. Place system in the storage position and/or in an area protected from the wind and free from personal property and/or overhead wires that may be damaged if the system falls.
- Never play on damaged equipment.
- Keep pole top covered with cap at all the times.
- While moving system, never allow someone to sit or stand on base or add extra ballast to base. At least two capable adults are necessary to move the system.
- Never leave system unsupervised or allow anyone to play on or near base or poles, when wheels are engaged for moving.
- Place the system on a flat surface. Using or moving system on uneven or sloped surfaces may result in tipping.
- Do not allow water in system to freeze. During sub-freezing weather conditions, add enough non-toxic, anti-freeze substance to water to prevent freezing, use sand or empty water and store system in a safe manner.
In the Box



Assembly
Tools Required

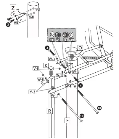
Steps to Assemble
Step 1

Step 2

Step 3


Step 4
Net and Rim Assembly

Step 5

Step 6

Step 7

Step 8

Step 9
- Place base where it will be used. Unscrew and remove base cap.
- First adult: Tip base up at a 45° angle
- Second adult: Carefully pour sand into base.
- Allow sand to slide into lower end of base near the wheels. Gradually lower base as sand is poured to ensure sand fills entire base. Once full, replace base cap.
- If filling with water, DO NOT tip base up.

Warning
- Two capable adults are required for this step.
- NEVER leave system in upright position without proper weight in base, failing to do so will make the system tip over.
- Manufacturer recommends using sand. If using water, see warning on page 2.

- Adjust backboard to lowest position.
- While holding pole and lifting base, carefully lean system forward until wheels touch ground.
- While holding pole and base, roll system to desired location.
- Stand pole upright and set base flat on ground.
- ALWAYS check to make sure that system is stable in new location.

User manual is subject to change without notice. For the latest version of your user manual, please visit https://www.kogan.com/usermanuals/














