Shelly 5904422369309 Universal Wi-Fi Sensor Input
This document contains important technical and safety information about the device and its safety use and installation. Before beginning the installation, please read this guide and any other documents accompanying the device carefully and completely. Failure to follow the installation procedures could lead to malfunction, danger to your health and life, violation of the law or refusal of legal and/or commercial guarantee (if any). All terco Robotics is not responsible for any loss or damage in case of incor-rect installation or improper operation of this device due to failure of following the user and safety instructions in this guide.
LEGEND
- Red cable – 12-36 DC
- Black cable – GND
- or Black and RED cable-12-24AC
- White cable – ADC Input
- Yellow – VCC 3.3VDC output
- Blue cable – DATA
- Green cable – Internal GND
- Light Brown cable – Input 1
- Dark Brown cable- Input 2
- OUT_1 – Maximum Current 100mA,
- Maximum Voltage AC: 24V / DC: 36V
- OUT_2 – Maximum Current 100mA,
- Maximum Voltage AC: 24V / DC: 36V
Specification
- Power supply: 12V-36V DC; 12V-24V AC
- Max Load: 100mA/AC 24V/DC 36V, Max 300mW
- Complies with EU standards:
• RE Directive 2014/53/EU
• LVD 2014/35/EU
• EMC 2014/30/EU
• RoHS2 2011/65/EU - Working temperature: 0°C up to 40°C
- Radio signal power: 1mW
- Radio protocol: Wi-Fi 802.11 b/g/n
- Frequency: 2412 – 2472 МHz (Max. 2483.5MHz)
- Operational range (depending on local construction):
• up to 50 m outdoors
• up to 30 m indoors - Dimensions: 20x33x13 mm
- Electrical consumption: <1W
Technical Information
The universal sensor input Shelly® UNI can operate with:
- Up to 3 DS18B20 sensors,
- Up to 1 DHT sensor,
- ADC input
- 2 x binary sensors,
- 2 x open collector outputs.
⚠ CAUTION! Danger of electrocution. Mounting the device to the power has to be performed with caution.
⚠ CAUTION! Do not allow children to play with the button/switch connected the Device. Keep the Devices for remote control of Shelly (mobile phones, tablets, PCs away from children.
Introduction to Shelly®
- Shelly® is a family of innovative Devices, which allow remote control of electric appliances through mobile phone, PC or home automation system. Shelly® uses Wi-Fi to connect to the devices controlling it. They can be in the same Wi-Fi network or they can use remote access (through the Internet). Shelly® may work standalone, without being managed by a home automation control-ler, in the local Wi-Fi network, as well as through a cloud service, from everywhere the User has Internet access. Shelly® has an integrated web server, through which the User may adjust, control and monitor the Device.
- Shelly® has two Wi-Fi modes – access Point (AP) and Client mode (CM). To operate in Client Mode, a Wi-Fi router must be lo-cated within the range of the Device. Shelly® devices can communicate directly with other Wi-Fi devices through HTTP protocol.
- An API can be provided by the Manufacturer. Shelly® de-vices may be available for monitor and control even if the User is outside the range of the local Wi-Fi network, as long as the Wi-Fi router is connected to the Internet. The cloud function could be used, which is activated through the web server of the Device or through the settings in the Shelly Cloud mobile application.
- The User can register and access Shelly Cloud, using ei-ther Android or iOS mobile applications, or any internet browser and the web site: https://my.Shelly.cloud/.
Installation Instructions
CAUTION! Danger of electrocution. The mounting/installation of the Device should be done by a qualified per-son (electrician).
CAUTION! Danger of electrocution. Even when the De-vice is turned off, it is possible to have voltage across its clamps. Every change in the connection of the clamps has to be done after ensuring all local power is powered off/disconnected.
⚠ CAUTION! Do not connect the Device to appliances ex-ceeding the given max load!
⚠ CAUTION! Connect the Device only in the way shown in these instructions. Any other method could cause damage and/or injury.
⚠ CAUTION! Use the Device only with power adapter which comply with all applicable regulations. Defective power adapter connected to the Device may damage the Device.
⚠ CAUTION! Тhe Device may be connected to and may control electric circuits and appliances only if they comply with the respective standards and safety norms.
⚠ RECOMMENDATION! The Device may be connected with solid single-core cables with increased heat resistance to insulation not less than PVC T105°C.
Declaration of conformity
Hereby, Allterco Robotics EOOD declares that the radio equipment type Shelly UNI is in compliance with Directive 2014/53/EU, 2014/35/EU, 2014/30/EU, 2011/65/EU. The full text of the EU declaration of conformity is available at the following internet address https://shelly.cloud/knowledge-base/devices/shelly-uni/
Manufacturer: Allterco Robotics EOOD
Address: Bulgaria, Sofia, 1407, 103 Cherni vrah Blvd. Tel.: +359 2 988 7435
E-mail: [email protected]
Web: http://www.shelly.cloud
Changes in the contact data are published by the Manu-facturer at the official website of the Device http://www.shelly.cloud
All rights to trademarks She® and Shelly® , and other intellectual rights associated with this Device belong to Allterco Robotics EOOD.
Wiring of DS18B20 sensor
Wiring of DHT22 sensor
Wiring of binary sensor (Reed Ampule)
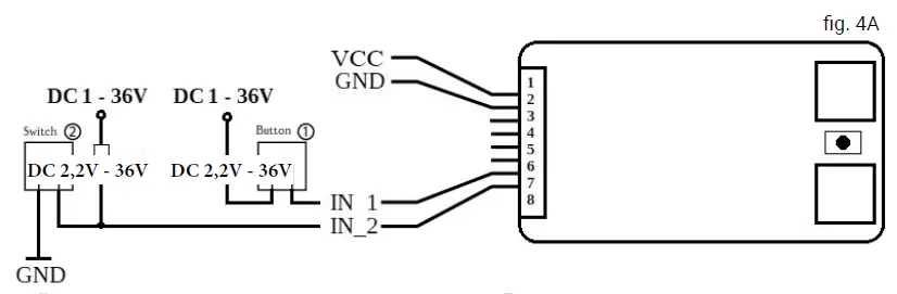
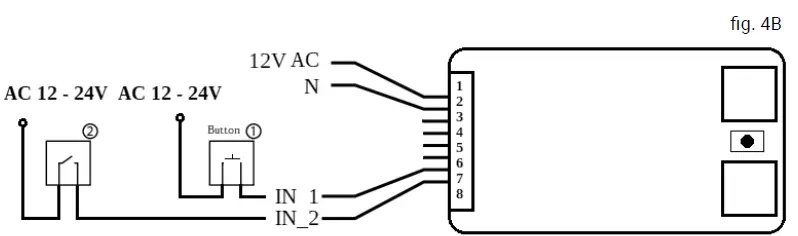
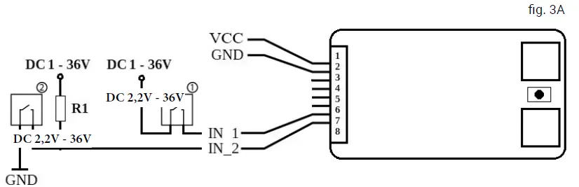
Wiring of buttons and switches
Wiring of buttons and switches
Wiring of load
Wiring of ADC
Hazardous voltage presents on both side of the product!




















