UNIVERSAL WI-FI SENSOR INPUT
USER AND SAFETY GUIDE
This document contains important technical and safety information about the device and its safe use and installation.
Before beginning the installation, please read this guide and another document accompanying the device carefully and completely. Failure to follow the installation procedures could lead to malfunction, danger to your health and life, violation of the law or refusal of legal and/or commercial guarantee (if any). Allterco Robotics is not responsible for any loss or damage in case of incorrect installation or improper operation of this device due to failure of following the user and safety instructions in this guide.
Wiring of the DS18B20 sensor

Wiring of DHT22 sensor
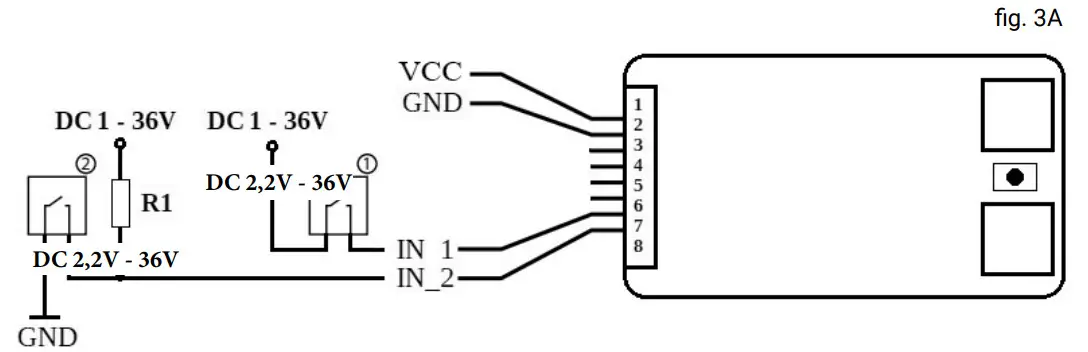
Wiring of the binary sensor (Reed Ampule)
Wiring of the binary sensor (Reed Ampule)

Hazardous voltage is present on both sides of the product!
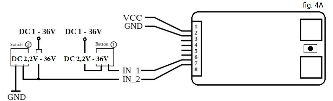
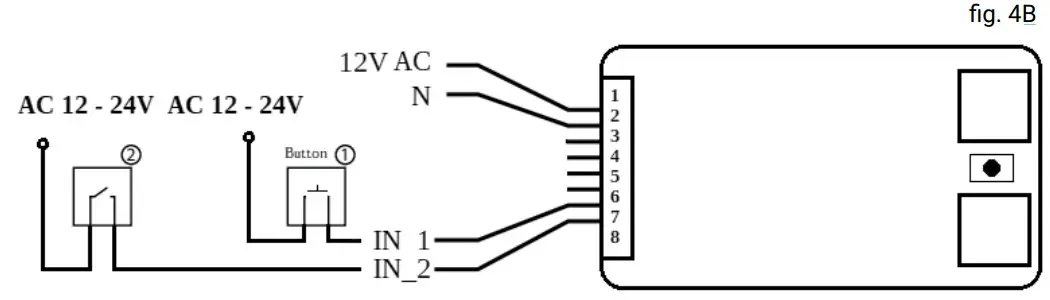
Wiring of buttons and switches


Wiring of load
Wiring of ADC
Hazardous voltage is present on both sides of the product!
LEGEND
Red cable – 12-36 DC
Black cable – GND
or Black and RED cable-12-24AC
White cable – ADC Input
Yellow – VCC 3.3VDC output
Blue cable – DATA
Green cable – Internal GND
Light Brown cable – Input 1
Dark Brown cable- Input 2
OUT_1 – Maximum Current 100mA,
Maximum Voltage AC: 24V / DC: 36V
OUT_2 – Maximum Current 100mA,
Maximum Voltage AC: 24V / DC: 36V
Specification
Power supply:
- 12V-36V DC
- 12V-24V AC
Max Load: 100mA/AC 24V/DC 36V, Max 300mW
Complies with EU standards:
- RE Directive 2014/53/EU
- LVD 2014/35/EU
- EMC 2014/30/EU
- RoHS2 2011/65/EU
Working temperature: 0°C up to 40°C
Radio signal power: 1mW
Radio protocol: Wi-Fi 802.11 b/g/n
Frequency: 2412 – 2472 МHz (Max. 2483.5MHz)
Operational range (depending on local construction):
- up to 50 m outdoors
- up to 30 m indoors
Dimensions: 20x33x13 mm
Electrical consumption: <1W
Technical Information
The universal sensor input Shelly® UNI can operate with:
- Up to 3 DS18B20 sensors,
- Up to 1 DHT sensor,
- ADC input
- 2 x binary sensors,
- 2 x open collector outputs.
⚠CAUTION! Danger of electrocution. Mounting the device to the power has to be performed with caution.
⚠CAUTION! Do not allow children to play with the button/ switch connected to the Device. Keep the Devices for remote control of Shelly (mobile phones, tablets, PCs away from children.
Introduction to Shelly®
Shelly® is a family of innovative Devices, which allow remote control of electric appliances through mobile phones, PC or home automation systems. Shelly® uses Wi-Fi to connect to the devices controlling it. They can be in the same Wi-Fi network or they can use remote access (through the Internet). Shelly® may work standalone, without being managed by a home automation controller, in the local Wi-Fi network, as well as through a cloud service, from everywhere the User has Internet access. Shelly® has an integrated web server, through which the Users may adjust, control and monitor the Device. Shelly® has two Wi-Fi modes – access Point (AP) and Client mode (CM). To operate in Client Mode, a Wi-Fi router must be located within the range of the Device. Shelly® devices can communicate directly with other Wi-Fi devices through HTTP
protocol.
An API can be provided by the Manufacturer. Shelly® devices may be available for monitor and control even if the User is outside the range of the local Wi-Fi network, as long as the Wi-Fi router is connected tothe Internet. The cloud function could be used, which is activated through the webserver of the Device or through the settings in the Shelly Cloud mobile application. The User can register and access Shelly Cloud, using either Android or iOS mobile applications, or any internet browser and the website: https://my.Shelly.cloud/.
Installation Instructions
⚠CAUTION! Danger of electrocution. The mounting/ installation of the Device should be done by a qualified person (electrician).
⚠CAUTION! Danger of electrocution. Even when the device is turned off, it is possible to have voltage across its clamps. Every change in the connection of the clamps has to be done after ensuring all local power is powered off/ disconnected.
⚠CAUTION! Do not connect the Device to appliances exceeding the given max load!
⚠CAUTION! Connect the Device only in the way shown in these instructions. Any other method could cause damage and/or injury.
⚠CAUTION! Use the Device only with a a power adapter which complies with all applicable regulations. A defective power adapter connected to the Device may damage the Device.
⚠CAUTION! Тhe Device may be connected to and may control electric circuits and appliances only if they comply with the respective standards and safety norms.
⚠RECOMMENDATION! The Device may be connected with solid single-core cables with increased heat resistance to insulation not less than PVC T105°C.
Declaration of conformity
Hereby, Allterco Robotics EOOD declares that the radio equipment type Shelly UNI is in compliance with Directive 2014/53/EU, 2014/35/EU, 2014/30/EU, 2011/65/EU. The full text of the EU declaration of conformity is available at the following internet address: https://shelly.cloud/knowledge-base/devices/shelly-uni/
Manufacturer: Allterco Robotics EOOD
Address: Bulgaria, Sofia, 1407, 103 Cherni vrah Blvd.
Tel.: +359 2 988 7435
E-mail: [email protected]
Web: http://www.shelly.cloud
Changes in the contact data are published by the Manufacturer at the official website of the Device http://www.shelly.cloud
All rights to trademarks She® and Shelly ® , and other intellectual rights associated with this Device belong to Allterco Robotics EOOD.




















