

CVC Cartridges are compatible with MX-500, MX-5000, MX-5200 and CV-5200, CV-500 Systems – MX-RM3E, MX-RM6E, MX-H1-AV, MX-H7-SF – CV-H1-AV and CV-H7-AV Solder Hand pieces.
STTC Cartridges are compatible with MX-500, MX-5000 and MX-5200 Systems – MX-RM3E, MX-RM6E, MX-H1-AV and MX-H7-SF Solder Hand pieces.
Temperature | CV-Serie | MX-Serie | Application |
575 °F/302 °C | CVC-5xxx | STTC-5xx | Temperature Sensitive |
675 °F/357 °C | CVC-6xxx | STTC-0xx | |
775 °F/413 °C | CVC-7xxx | STTC-1xx | Most Standard |
875 °F/468 °C | CVC-8xxx | STTC-8xxV1 | Ceramic and High Thermal Demand |
925 °F/496 °C | CVC-9xxx | STTC-8xx |
Please note the above temperatures are the maximum temperatures of the heater. The idle temperature is dependent on the geometry of the cartridge (up to 15 °C lower.)
Bevel Cartridges | |||
![]() | CVC-5BV6005A CVC-6BV6005A CVC-7BV6005A CVC-8BV6005A CVC-9BV6005A | STTC-546 STTC-046 STTC-146 STTC-846V1 STTC-846 | Long reach, (Bevel/L) 60° x 1 mm, (ø x L) 0.50 x 14.2 mm (.04″x .56″) |
![]() | CVC-5BV6018P CVC-6BV6018P CVC-7BV6018P CVC-8BV6018P CVC-9BV6018P | STTC-547P STTC-047P STTC-147P STTC-847PV1 STTC-847P | (Bevel/L) 60° x 1.78 mm, optimised geometry for best thermal performance, (ø x L) 0.83 x 6.4 mm (.07″ x .25″) |
![]() | CVC-5BV6018R CVC-6BV6018R CVC-7BV6018R CVC-8BV6018R CVC-9BV6018R | STTC-547 STTC-047 STTC-147 STTC-847V1 STTC-847 | Long reach, (Bevel/L 60°) x 1.78 mm, (ø x L) 0.83 x 14.2 mm (.07″x .56″) |
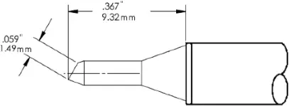
![]() | CVC-5BV4001S CVC-6BV4001S CVC-7BV4001S CVC-8BV4001S CVC-9BV4001S | STTC-524 STTC-024 STTC-124 STTC-824V1 STTC-824 | (Bevel/L) 30° x 1.49 mm, (ø x L) 1.23 x 9.3 mm (.059″x .367″) |
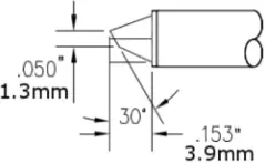
![]() | CVC-5BV3018P CVC-6BV3018P CVC-7BV3018P CVC-8BV3018P CVC-9BV3018P | STTC-515 STTC-015 STTC-115 STTC-815V1 STTC-815 | (Bevel/L) 30° x 1.47 mm, optimised geometry for best thermal performance, (ø x L) 1.3 x 3.9 mm (.05” x 0153”) |
![]() | CVC-5BV6018S CVC-6BV6018S CVC-7BV6018S CVC-8BV6018S CVC-9BV6018S | STTC-535 STTC-035 STTC-135 STTC-835V1 STTC-835 | (Bevel/L) 30° x 2.06 mm, (ø x L) 1.78 x 9.9 mm (.07″x .39″) |
![]() | CVC-5BV3018S CVC-6BV3018S CVC-7BV3018S CVC-8BV3018S CVC-9BV3018S | STTC-505 STTC-005 STTC-105 STTC-805V1 STTC-805 | (Bevel/L) 30° x 2.06 mm, (ø x L) 1.78 x 11.7 mm (.07″x .39″) |
Chisel Cartridges | |||
![]() | CVC-5CH0010P CVC-6CH0010P CVC-7CH0010P CVC-8CH0010P CVC-9CH0010P | STTC-525P STTC-025P STTC-125P STTC-825PV1 STTC-825P | Optimised geometry for best thermal performance, (W x L) 1.0 x 6.0 mm (.04″ x .24″) |
![]() | CVC-5CH0010A CVC-6CH0010A CVC-7CH0010A CVC-8CH0010A CVC-9CH0010A | N/A | Long reach, for work in tight spaces, (W x L) 1.0 x 12.4 mm (.0.4″ x .0.49″) |
![]() | CVC-5CH0010S CVC-6CH0010S CVC-7CH0010S CVC-8CH0010S CVC-9CH0010S | STTC-525 STTC-025 STTC-125 STTC-825V1 STTC-825 | (W x L) 1.0 x 9.1 mm (.04″x .33″) |
![]() | CVC-5CH0014P CVC-6CH0014P CVC-7CH0014P CVC-8CH0014P CVC-9CH0014P | STTC-538P STTC-038P STTC-138P STTC-838PV1 STTC-838P | Optimised geometry for best thermal performance, (W x L) 1.4 x 6.0 mm (.06″ x .24″) |
![]() | CVC-5CH0014S CVC-6CH0014S CVC-7CH0014S CVC-8CH0014S CVC-9CH0014S | STTC-538 STTC-038 STTC-138 STTC-838V1 STTC-838 | (W x L) 1.5 x 9.9 mm (.06″ x .39″) |
![]() | CVC-5CH0015A CVC-6CH0015A CVC-7CH0015A CVC-8CH0015A CVC-9CH0015A | N/A | Long reach, for work in tight spaces, (W x L) 1.5 x 12.4 mm (.06″ x 0.49″) |
![]() | CVC-5CH0015R CVC-6CH0015R CVC-7CH0015R CVC-8CH0015R CVC-9CH0015R | STTC-599 STTC-099 STTC-199 STTC-899V1 STTC-899 | Bent 30°, for work under a microscope, (W x L) 1.5 x 11.9 mm (.06″ x .47″) |
![]() | CVC-5CH0018A CVC-6CH0018A CVC-7CH0018A CVC-8CH0018A CVC-9CH0018A | STTC-542 STTC-042 STTC-142 STTC-842V1 STTC-842 | Long reach, flat, for work in tight spaces, (W x L) 1.78 x 16mm (.07″ x .63″) |
![]() | CVC-5CH0018L CVC-6CH0018L CVC-7CH0018L CVC-8CH0018L CVC-9CH0018L | STTC-537LL STTC-037LL STTC-137LL STTC-837LLV1 STTC-837LL | Long life plating, (W x L) 1.78 x 1.0 mm (.07″ x .24″) |
![]() | CVC-5CH0018S CVC-6CH0018S CVC-7CH0018S CVC-8CH0018S CVC-9CH0018S | STTC-537 STTC-037 STTC-137 STTC-837V1 STTC-837 | (W x L) 1.78 x 9.9 mm (.07″ x .39″) |
![]() | CVC-5CH0018P CVC-6CH0018P CVC-7CH0018P CVC-8CH0018P CVC-9CH0018P | STTC-537P STTC-037P STTC-137P STTC-837PV1 STTC-837P | Optimised geometry for best thermal performance, (W x L) 1.8 x 6.0 mm (.07″ x .24″) |
![]() | CVC-5CH0018R CVC-6CH0018R CVC-7CH0018R CVC-8CH0018R CVC-9CH0018R | STTC-598 STTC-098 STTC-198 STTC-898V1 STTC-898 | Bend 30°, for work under a microscope, (W x L) 1.8 x 10.0 mm (.07″ x0.4″) |
![]() | CVC-5CH0020S CVC-6CH0020S CVC-7CH0020S CVC-8CH0020S CVC-9CH0020S | STTC-514 STTC-014 STTC-114 STTC-814V1 STTC-814 | Optimised geometry for best thermal performance, (W x L) 2.0 x 4.7 mm (.08″ x .19″) |
![]() | CVC-5CH0020A CVC-6CH0020A CVC-7CH0020A CVC-8CH0020A CVC-9CH0020A | N/A | Long reach, for work in tight spaces, (W x L) 2.0 x 12.4 mm (.08″ x 0.49″) |
![]() | CVC-5CH0025A CVC-6CH0025A CVC-7CH0025A CVC-8CH0025A CVC-9CH0025A | N/A | Long reach, for work in tight spaces, (W x L) 2.5 x 12.4 mm (.10″ x .49″) |
![]() | CVC-5CH0025P CVC-6CH0025P CVC-7CH0025P CVC-8CH0025P CVC-9CH0025P | STTC-536P STTC-036P STTC-136P STTC-836PV1 STTC-836P | Optimised geometry for best thermal performance, (W x L) 2.5 x 6.0 mm (.10″ x .24″) |
![]() | CVC-5CH0025S CVC-6CH0025S CVC-7CH0025S CVC-8CH0025S CVC-9CH0025S | STTC-536 STTC-036 STTC-136 STTC-836V1 STTC-836 | (W x L) 2.5 x 9.9 mm (.10″ x .39″) |
![]() | CVC-5CH0034S CVC-6CH0034S CVC-7CH0034S CVC-8CH0034S CVC-9CH0034S | STTC-503 STTC-003 STTC-103 STTC-803V1 STTC-803 | (W x L) 2.8 x 8.6 mm (.11″ x .34″) |
![]() | CVC-5CH0030S CVC-6CH0030S CVC-7CH0030S CVC-8CH0030S CVC-9CH0030S | STTC-513 STTC-013 STTC-113 STTC-813V1 STTC-813 | Optimised geometry for best thermal performance, (W x L) 3.0 x 4.8 mm (.12″ x .19″) |
![]() | CVC-5CH0035S CVC-6CH0035S CVC-7CH0035S CVC-8CH0035S CVC-9CH0035S | N/A | (W x L) 3.5 x 8.13 mm (.14″ x .32″) |
![]() | CVC-5CH0035P CVC-6CH0035P CVC-7CH0035P CVC-8CH0035P CVC-9CH0035P | N/A | Optimised geometry for best thermal performance, (W x L) 3.5 x 6.13 mm (.14″ x .24″) |
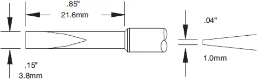
![]() | CVC-5CH2238A CVC-6CH2238A CVC-7CH2238A CVC-8CH2238A CVC-9CH2238A | STTC-520 STTC-020 STTC-120 STTC-820V1 STTC-820 | Long reach, flat, for work in tight spaces, (W x L) 3.8 x 21.6 mm (.15″ x .85″) |
![]() | CVC-5CH0040P CVC-6CH0040P CVC-7CH0040P CVC-8CH0040P CVC-9CH0040P | N/A | Optimised geometry for best thermal performance, (W x L) 4.2 x 6.0 mm (.165″ x .24″) |
![]() | CVC-5CH0040S CVC-6CH0040S CVC-7CH0040S CVC-8CH0040S CVC-9CH0040S | N/A | (W x L) 4.2 x 7.6 mm (.17″ x .3″) |
![]() | CVC-5CH0050A CVC-6CH0050A CVC-7CH0050A CVC-8CH0050A CVC-9CH0050A | STTC-565 STTC-065 STTC-165 STTC-865V1 STTC-865 | Long reach, (W x L) 5.0 x 11.4 mm (.20″ x .45″) |
![]() | CVC-5CH0050S CVC-6CH0050S CVC-7CH0050S CVC-8CH0050S CVC-9CH0050S | STTC-517 STTC-017 STTC-117 STTC-817V1 STTC-817 | (W x L) 5.0 x 7.6 mm (.20″ x .30”) |
![]() | CVC-5CH0050P CVC-6CH0050P CVC-7CH0050P CVC-8CH0050P CVC-9CH0050P | N/A | Optimised geometry for best thermal performance, (W x L) 5.23 x 6.0 mm (.21″ x .24”) |
Conical Cartridges | |||
![]() | CVC-5CN0003A CVC-6CN0003A CVC-7CN0003A CVC-8CN0003A CVC-9CN0003A | STTC-590 STTC-090 STTC-190 STTC-890V1 STTC-890 | Fine, long reach, for work in tight spaces, (ø x L) 0.25 x 13.2 mm (.01″x .52″) |
![]() | CVC-5CN0004P CVC-6CN0004P CVC-7CN0004P CVC-8CN0004P CVC-9CN0004P | STTC-545P STTC-045P STTC-145P STTC-845PV1 STTC-845P | Sharp, optimised geometry for best thermal performance, (ø x L) 0.4 x 8.5 mm (.016″ x .34″ |
![]() | CVC-5CN0004R CVC-6CN0004R CVC-7CN0004R CVC-8CN0004R CVC-9CN0004R | STTC-526 STTC-026 STTC-126 STTC-826V1 STTC-826 | Sharp, Bent 30°, for work under a microscope, (ø x L) 0.4 x 7.9 mm (.016″ x .31″) |
![]() | CVC-5CN1304A CVC-6CN1304A CVC-7CN1304A CVC-8CN1304A CVC-9CN1304A | STTC-506 STTC-006 STTC-106 STTC-806V1 STTC-806 | Sharp, long reach, (ø x L) 0.4 x 13.7 mm (.016″x .54″) |
![]() | CVC-5CN1404S CVC-6CN1404S CVC-7CN1404S CVC-8CN1404S CVC-9CN1404S | STTC-522 STTC-022 STTC-122 STTC-822V1 STTC-822 | Sharp, (ø x L) 0.4 x 8.4 mm (.016″ x .33″) |
![]() | CVC-5CN1504A CVC-6CN1504A CVC-7CN1504A CVC-8CN1504A CVC-9CN1504A | STTC-545 STTC-045 STTC-145 STTC-845V1 STTC-845 | Sharp, long reach, (ø x L) 0.4 x 14.7 mm (.016″x .58″) |
![]() | CVC-5CN1604R CVC-6CN1604R CVC-7CN1604R CVC-8CN1604R CVC-9CN1604R | STTC-540 STTC-040 STTC-140 STTC-840V1 STTC-840 | Sharp, long reach, bent 30°, for work under a microscope, (ø x L) 0.4 x 16 mm (.016″ x .63″) |
![]() | CVC-5CN0005A CVC-6CN0005A CVC-7CN0005A CVC-8CN0005A CVC-9CN0005A | STTC-543 STTC-043 STTC-143 STTC-843V1 STTC-843 | Sharp, long reach, (ø x L) 0.5 x 15.2 mm (.02″ x .6″) |
![]() | CVC-5CN0005R CVC-6CN0005R CVC-7CN0005R CVC-8CN0005R CVC-9CN0005R | STTC-544 STTC-044 STTC-144 STTC-844V1 STTC-844 | Sharp, long reach, bent 30°, for work under a microscope, (ø x L) 0.5 x 14.5 mm (.02″ x .57″) |
![]() | CVC-5CN0005S CVC-6CN0005S CVC-7CN0005S CVC-8CN0005S CVC-9CN0005S | STTC-511 STTC-011 STTC-111 STTC-811V1 STTC-811 | Blunt, optimised geometry for best thermal performance, (ø x L) 0.5 x 4.6 mm (.02″ x .18″) |
![]() | CVC-5CN4805S CVC-6CN4805S CVC-7CN4805S CVC-8CN4805S CVC-9CN4805S | STTC-516 STTC-016 STTC-116 STTC-816V1 STTC-816 | Blunt, Optimised geometry for best thermal performance, (ø x L) 0.5 x 4.8 mm (.02″ x .19″) |
![]() | CVC-5CN0010A CVC-6CN0010A CVC-7CN0010A CVC-8CN0010A CVC-9CN0010A | STTC-501 STTC-001 STTC-101 STTC-801V1 STTC-801 | Long reach, (ø x L) 1.0 x 13.5 mm (.04″ x .53″) |
![]() | CVC-5CN0010P CVC-6CN0010P CVC-7CN0010P CVC-8CN0010P CVC-9CN0010P | STTC-501P STTC-001P STTC-101P STTC-801PV1 STTC-801P | Optimised geometry for best thermal performance, (ø x L) 1.0 x 6.5 mm (.04″ x .25″) |
![]() | CVC-5CN0010S CVC-6CN0010S CVC-7CN0010S CVC-8CN0010S CVC-9CN0010S | STTC-531 STTC-031 STTC-131 STTC-831V1 STTC-831 | (ø x L) 1.0 x 9.9 mm (.04″ x .39″) |
![]() | CVC-5CN1710A CVC-6CN1710A CVC-7CN1710A CVC-8CN1710A CVC-9CN1710A | STTC-507 STTC-007 STTC-107 STTC-807V1 STTC-807 | Long reach, (ø x L) 1.0 x 16.7 mm (.04″ x .66″) |
![]() | CVC-5CN0013R CVC-6CN0013R CVC-7CN0013R CVC-8CN0013R CVC-9CN0013R | STTC-541 STTC-041 STTC-141 STTC-841V1 STTC-841 | Bent 30°, for work under a microscope, Long Reach, for work in tight spaces, (ø x L) 1.3 x 21.8 mm (.05″ x .86″) |
![]() | CVC-5CN1002S CVC-6CN1002S CVC-7CN1002S CVC-8CN1002S CVC-9CN1002S | STTC-532 STTC-032 STTC-132 STTC-832V1 STTC-832 | Blunt, (ø x L) 1.52 x 9.78 mm (.10″x .385″) |
![]() | CVC-5CN1208S CVC-6CN1208S CVC-7CN1208S CVC-8CN1208S CVC-9CN1208S | STTC-502 STTC-002 STTC-102 STTC-802V1 STTC-802 | (ø x L) 1.8 x 12 mm (.07″x .48″) |
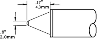
![]() | CVC-5CN4302S CVC-6CN4302S CVC-7CN4302S CVC-8CN4302S CVC-9CN4302S | STTC-512 STTC-012 STTC-112 STTC-812V1 STTC-812 | Blunt, optimised geometry for best thermal performance, (ø x L) 2.0 x 4.3 mm (.8″ x .17″) |
U- / V-Groove Cartridges – For Pin Soldering | |||
![]() | CVC-5LG1802A CVC-6LG1802A CVC-7LG1802A CVC-8LG1802A | STTC-583 STTC-083 STTC-183 STTC-883V1 | U-Groove for pin soldering, groove (ø x L) 0.89 x 8.4 mm, (Total ø x L) 1.9 x 17.8 mm (.08″ x .70″) |
![]() | CVC-5VG0016A CVC-6VG0016A CVC-7VG0016A CVC-8VG0016A CVC-9VG0016A | N/A | V-Groove for pin soldering, grove (W x L) 0.8 x 3 mm, (W x L) 1.6 x 6.12 mm (.06″ x .25″) |
![]() | CVC-5VG0016P CVC-6VG0016P CVC-7VG0016P CVC-8VG0016P CVC-9VG0016P | N/A | V-Groove for pin soldering, Optimised geometry for best thermal performance, grove (W x L) 0.8 x 3,5 mm, (W x L) 1.6 x 6 mm (.06″ x .24″) |
![]() | CVC-5VG0032A CVC-6VG0032A CVC-7VG0032A CVC-8VG0032A CVC-9VG0032A | N/A | V-Groove for pin soldering, grove (W x L) 1.0 x 3 mm, (W x L) 3.2 x 10.35 mm (.12″ x .41″) |
![]() | CVC-5VG0032P CVC-6VG0032P CVC-7VG0032P CVC-8VG0032P CVC-9VG0032P | N/A | V-Groove for pin soldering, Optimised geometry for best thermal performance, grove (W x L) 1.0 x 4 mm, (W x L) 3.2 x 5.75 mm (.12″ x .23″) |
www.okinternational.com – www.metcal.com







































































