HENDI 975305 Electric Meat Tenderizer Instruction Manual
Dear Customer,
Thank you for purchasing this Hendi appliance. Before using the appliance for the first time, please read this manual carefully, paying particular attention to the safety regulations outlined below.
General Safety Regulation
- You should read this user manual carefully before using the appliance.
- Keep these instructions with the appliance
- For indoor use only


Safety regulations
- This appliance is not intended for household use.
- The appliance must only be used for the purpose for which it was intended and designed.
The manufacturer is not liable for any damage caused by incorrect operation and
improper use. - Keep the appliance and electrical plug away from water and any other liquids. In the event that the appliance should fall into water, immediately remove plug from the socket and do not use until the appliance has been checked by a certified technician. Failure to follow these instructions could cause a risk to lives.
- Never attempt to open the casing of the appliance yourself.
- Do not insert any objects in the casing of the appliance.
- Do not touch the plug with wet or damp hands.
Danger of electric shock! Do not attempt to repair the appliance yourself. In case of malfunctions, repairs are to be conducted by qualified personnel only.- Never use a damaged appliance! Disconnect the appliance from the electrical outlet and contact the retailer if it is damaged.
- Warning! Do not immerse the electrical parts of the appliance in water or other liquids. Never hold the appliance under running water.
- Regularly check the power plug and cord for any damage. If the power plug or power cord is damaged, it must be replaced by a service agent or similarly qualified persons in order to avoid danger or injury.
- Make sure the cord does not come in contact with sharp or hot objects and keep it away from open fire. To pull the plug out of the socket, always pull on the plug and not on the cord.
- Ensure that the cord (or extension cord) is positioned so that it will not cause a trip hazard.
- Always keep an eye on the appliance when in use.
- Warning! As long as the plug is in the socket the appliance is connected to the power source.
- Turn off the appliance before pulling the plug out of the socket.
- Never carry the appliance by the cord.
- Do not use any extra devices that are not supplied along with the appliance.
- Only connect the appliance to an electrical outlet with the voltage and frequency mentioned on the appliance label.
- Connect the power plug to an easily accessible electrical outlet so that in case of emergency the appliance can be unplugged immediately. To completely switch off the appliance pull the power plug out of the electrical outlet.
- Always turn the appliance off before disconnecting the plug.
- Never use accessories other than those recommended by the manufacturer. Failure to do so could pose a safety risk to the user and could damage the appliance. Only use original parts and accessories.
- This appliance is not intended for use by persons (including children) with reduced physical, sensory or mental capabilities, or lack of experience and knowledge.
- This appliance must not be used by children under any circumstances.
- Keep the appliance and its cord out of reach of children.
- Always disconnect the appliance from the mains if it is left unattended or is not in use, and before assembly, disassembly or cleaning.
- Never leave the appliance unattended during use.
Special Safety Regulations
- This appliance should not be used for frozen meat, meat with bones, fish, etc.
- Use the appliance only as described in this manual.
- This appliance should be operated by trained kitchen personnel of restaurants, butcheries, catering, etc.
- WARNING: Keep all ventilation openings clear of obstruction.
- WARNING: ALWAYS switch off the appliance and unplug from the electrical power supply before cleaning, maintenance or storage.
- WARNING: ALWAYS keep hands, long hair and clothing away from the moving parts.
- Never bypass any interlocks inside the appliance.
- Do not place the appliance on a heated object (gasoline, electric, charcoal cooker, etc.). Keep the appliance away from any hot surfaces and open flames. Always operate the appliance on a level, stable, clean, heat-resistant and dry surface.
- This appliance is not intended to be operated by means of an external timer or separate remote-control system.
• Allow at least 15 cm of space around the appliance for ventilation purpose during use - Caution! Securely route the power cord if necessary in order to prevent unintentional pulling of the appliance.
- Do not wash the appliance with water or water jet. Washing with water can cause leakage and increase the risk of electric shock.
- Do not clean or store the appliance unless it is completely cooled down.
- Do not move the appliance while it is under operation. Unplug the appliance when moving and hold it at the bottom.
- Do not operate the appliance without meat to prevent overheating.
- Special care should be taken when moving or transporting the machine due to its heavy weight. Lift with at least people or use a trolley for assistance. Move the machine slowly and carefully, never tilt the appliance more than 45°.
- WARNING: During cleaning take caution when handling rollers due to sharp edges. Wear
protective gloves (not supplied) if necessary.
Intended use
- This appliance is intended for professional use and can be operated only by qualified personnel.
- This appliance is intended only for cutting boneless meat. Any other use may lead to damage to the appliance or personal injury.
- Operating the appliance for any other purpose shall be deemed a misuse of the device. The user shall be solely liable for improper use of the device.
Grounding installation
This appliance is classified as an ‘protection class I’ appliance and must be connected to a protective ground. Grounding reduces the risk of electric shock by providing an escape wire for the electric current. This appliance is equipped with a cord having a grounding wire with a grounding plug. The plug must be plugged into an outlet that is properly installed and grounded.
Preparations before using for the first time
- Remove all protective packaging and wrapping.
- Make sure the appliance is undamaged. In case of incomplete delivery (e.g. beef and pork tenderizer included) or damages, DO NOT use the appliance and contact the supplier (See ==> Warranty).
- Clean the appliance before use (See ==> Cleaning and Maintenance).
- Place the appliance on a horizontal, stable, dry and heat resistant surface.
- Ensure that there is sufficient ventilation. Keep a minimum distance of 15 cm around the appliance.
Note: Due to manufacturing residues, the appliance may emit a slight odour in the first few cycles. This is normal and does not indicate any defect or hazard. Make sure the appliance is well ventilated.
Operation
Preparation:
- Make sure the appliance is unplugged from the electrical power supply and check if the “roller blade” is properly placed inside the appliance. DO NOT operate the appliance without “roller blade” installed.
- WARNING: Do not use meat larger than : 160 mm wide x 30 mm thick. Do not use meat with thick veins or bones. Failure to comply will result in damage to your appliance. For the best result use refrigerated meat.
- Prepare meat for tenderizing by removing all skin and bones. Then, cut the meat into appropriately sized pieces for tenderizing.
- Place the appliance on a on a horizontal, stable, dry and heat resistant surface with 4 suction cup rubber feet firmly placed on the surface.
- Place a plate underneath the tenderizer opening to catch the meat as it falls from the bottom.
Start Processing:
- Connect the power plug to a suitable electrical power supply.
- Turn ON the appliance by pressing down the GREEN “I” button. Now the motor starts operating.
- Feed the meat into the tenderizer slowly piece by piece. Insert meat into the top opening until it makes contact with the blades. The blades will pull the meat through.
- WARNING: DO NOT use force to get the meat to go through the rollers by hands or fingers.
- If the meat is jammed inside, turn the appliance off and use a pair of stainless steel tongs to unjam the meat, take great care not to make contact with the sharp blades.
- Turn OFF the appliance by pressing down the RED “O” button when finished and disconnect the appliance from the power supply
Note: There are 2 optional interchangeable accessories: Rollers for poultry (Item 975329) and rollers for shoarma (Item 975312) that sale separately.
Assembling Instructions
Attention: Always unplug the appliance from the electrical power outlet before starting assembling or disassembling.




Disassembling Instructions



Cleaning and Maintenance
Attention: Always unplug the appliance from the electrical power outlet and let it cool down completely before cleaning & storage.
Cleaning
- Never immerse the appliance in water or other liquids.
- Clean the surface with a slightly damp cloth or sponge with some mild soap solution.
- Never use abrasive sponges or detergents, steel wool or metal utensils to clean the interior or exterior parts of the appliance.
- WARNING: Take care during cleaning when handling the rollers due to its sharp edges. Wear protective gloves (not supplied) if necessary
Storage
- Before storage, always make sure the appliance has already been disconnected from the electrical outlet and cooled down completely.
- Store the appliance in a cool, clean and dry place.
Troubleshooting
If the appliance does not function properly, please check the below table for the solution. If you are still unable to solve the problem, please contact the supplier/service provider
| Problems | Possible cause | Possible solution |
| The appliance does not switch on. |
|
|
| Meat jammed inside the blades | The meat is too thick or with too much cartilage or gristle. | Turn OFF the appliance by pressing down the RED “0” button and unplug it. Lift up the cover, use the steel tongs to clear the jammed meat. |
Technical Specification
- Item no.: 975305
- Operating voltage and frequency: 230V~ 50Hz
- Rated input power: 350W
- Protection class: Class I
- Knife speed: approx. 75 rpm
- Dimension: 465 x 220 x (H) 435mm
- Net weight: approx. 18kg
Remark: Technical specification is subjected to change without prior notification
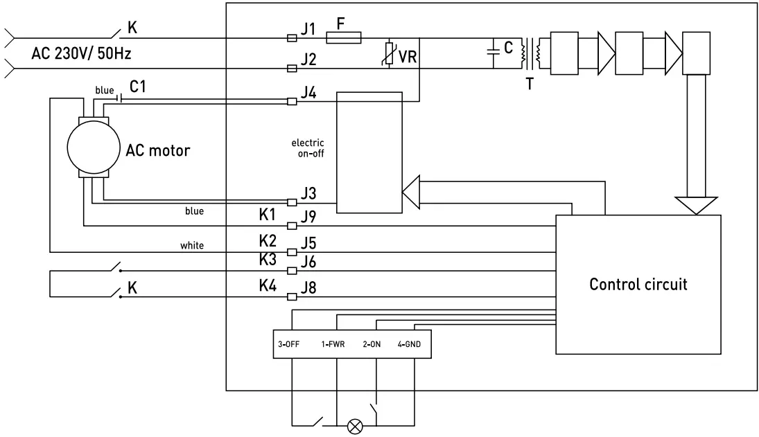
Circuit diagram

Exploded view

Part list
| Part No. | Part Name | Part No. | Part Name | Part No. | Part Name |
| 1 | front plate | 26 | electric box | 51 | cp35xcp25x7 oil seal |
| 2 | shaft protector A | 27 | electric box cover | 52 | reversing small gear |
| 3 | nut | 28 | fan cover | 53 | cp20 C-type snap ring |
| 4 | blade | 29 | cp12 C-type snap ring | 54 | cp35 C-type snap ring |
| 5 | spacer | 30 | fan | 55 | 6202 bearing |
| 6 | square mandrill | 31 | motor back cover | 56 | M5x20 screw |
| 7 | left stripper comb | 32 | ripple gasket | 57 | M6x20 screw |
| 8 | hand wheel. | 33 | 6201 bearing | 58 | 5x5x12 flat key |
| 9 | back plate | 34 | rotor | 59 | 6x6x15 flat key |
| 10 | right closing ring | 35 | motor shaft | 60 | reversing big gear shaft |
| 11 | pin | 36 | stator | 61 | reversing big gear |
| 12 | right shaft | 37 | switch | 62 | cp15 C-type snap ring |
| 13 | shaft protector B | 38 | connect plate | 63 | microswitch |
| 14 | M5x10 screw | 39 | s/s case | 64 | s/s shield |
| 15 | bracket | 40 | spindle | 65 | connect bracket |
| 16 | base plate | 41 | M6 nut | 66 | 20x15x3 magnet |
| 17 | rubber foot | 42 | motor screw | 67 | magnet base |
| 18 | M8x20 screw | 43 | gear box cover | 68 | guide plate |
| 19 | M10 nut | 44 | 6804 bearing | 69 | left closing ring |
| 20 | worm | 45 | worm gear | 70 | knob |
| 21 | cp24xcp15x7 oil seal | 46 | spacer | 71 | round mandrill |
| 22 | motor front cover | 47 | 6805 bearing | 72 | right stripper comb |
| 23 | 6002 bearing | 48 | M5x16 screw | 73 | lock |
| 24 | motor foot | 49 | gearbox | 74 | left shaft |
| 25 | motor case | 50 | output shaft |
Warranty
Any defect affecting the functionality of the appliance which becomes apparent within one year after purchase will be repaired by free repair or replacement provided the appliance has been used and maintained in accordance with the instructions and has not been abused or misused in any way. Your statutory rights are not affected. If the appliance is claimed under warranty, state where and when it was purchased and include proof of purchase (e.g. receipt).
In line with our policy of continuous product development we reserve the right to change the product, packaging and documentation specifications without notice.
Discarding & Environment
When decommissioning the appliance, the product must not be disposed of with other household waste. Instead, it is your responsibility to dispose to your waste equipment by handing it over to a designated collection point. Failure to follow this rule may be penalized in accordance with applicable regulations on waste disposal. The separate collection and recycling of your waste equipment at the time of disposal will help conserve natural resources and ensure that it is recycled in a manner that protects human health and the environment. For more information about where you can drop off your waste for recycling, please contact your local waste collection company. The manufacturers and importers do not take responsibility for recycling, treatment and ecological disposal, either directly or through a public system.
Declaration of conformity
Hendi BV hereby declares under his own responsibility that the product:
- Product number: 975305
- Product name: Electric meat tenderizer
- Brand: Hendi
- Meets the essential requirements as described in:
- 2006/42/EC
- 2014/30/EU
- 2011/65/EU & amendment 2015/863/EU
- Has been engineered and manufactured in conformity to harmonized standards:
- EN 55014-1:2017
- EN 55014-2:2015
- EN 61000-3-2:2014
- EN 61000-3-3:2013
- EN 60204-1:2006+A1:2009/AC:2010
- EN ISO 12100:2010
- Meets the requirements as described in regulations:
- 1907/2006/EC
- 1935/2004/EU
- 10/2011/EU
- Technical documentation available at the company’s headquarters:
- Hendi B.V., Innovatielaan 6, 6745 XW De Klomp, The Netherlands
HENDI Customer Service Center

Hendi B.V.
Innovatielaan 6
6745 XW De Klomp
The Netherlands
Tel: +31 317 681 040
Fax: +31 317 681 045
Email: [email protected]
www.hendi.eu















