Elnur RFE Plus Thermal Radiators User Manual

IMPORTANT INFORMATION
- The warranty of the heater will not cover any damage caused by non-observance of any of these instructions.
- The instructions should be retained for future reference. This guide must be kept and given to any new owner.
- This appliance can be used by children aged from 8 years and above and persons with reduced physical, sensory or mental capabilities or lack of experience and knowledge if they have been given supervision or instruction concerning the use of the appliance in a safe way and understand the hazards involved. Children must not play with the appliance. Cleaning and user maintenance must not be made by children without supervision.
- Children aged from 3 years and less than 8 years shall only switch on/off the appliance provided that it has been placed or installed in its intended normal operating position and they have been given supervision or instruction concerning use of the appliance in a safe way and understand the hazards involved. Children aged from 3 years and less than 8 years shall not plug in, regulate and clean the appliance or perform user maintenance.
- Children of less than 3 years should be kept away unless continuously supervised.
- Please check that the voltage in the rating label fits the power supply.
- The use of these heaters is forbidden in any area where there is a presence of gases, explosives or inflammable objects.
- Do not use this heater to dry clothes. Do not cover this heater or put objects in contact with it.
- Neither the connecting cable nor any other object must come into contact with the hot unit.
- Do not cover this heater at any time.
- The air outlet at the top of the thermal radiator and the air inlet at the bottom are provided to ensure the most efficient operation of the appliance. They also protect the heater from overheating; therefore, it is essential that at no time are they covered.
- This heater should be switched off at the isolating switch before any repair work is carried out.
- The installation must be carried out in accordance with the current electrical regulations.
- Should the heater be moved and reinstalled it is essential that the work is carried out by a fully qualified technician.
- The heater should not be installed just below an electrical socket.
- The appliance must be installed in such a way that it is impossible for anyone using a bath or shower, to touch the controls.
- The heater is fitted with a flexible cable size 3 x 1mm² for electrical connection. It may be used to connect the heater to the fixed wiring of the premises through a suitable connection box positioned adjacent to the heater.
- The supply circuit to the heater must incorporate a double pole isolating switch having a contact separation of at least 3 mm.
- If the flexible power cable for this unit is damaged, it may only be replaced by a repair workshop recognised by the manufacturer, as special tools are necessary.
- This appliance must be earthed.
- All models are supplied with an electrical interrupt cut-out. This will switch off the heater if, for any reason, it overheats. Should the cut-out operate, turn the heater off and remove the cause for the overheating. The cut-out will be reset automatically.
- This heater is filled with a precise quantity of special oil. Repairs requiring opening of the oil container are only to be made by the manufacturer or their service agent who should be contacted if there is an oil leakage.
- Regulations concerning the disposal of oil when scrapping the appliance have to be followed.
- The presence of air particles of smoke, dust and other pollutants could, in time, discolour the walls and surfaces around the heater.
- CAUTION — Some parts of this product can become very hot and cause burns. Particular attention must be given when children and vulnerable people are present.
WARNING: Please read these instructions before installing or using this appliance for the first time.
INSTALLATION INSTRUCTIONS

Position and fix the brackets at the correct distance from the floor. It is possible to use the radiator as a measuring unit by positioning it on the polystyrene packaging and placing two supports above as indicated on the figure (shown right).
- The studs and screws to attach the supports are in the accessories bag.
- Hang the unit on the hooks of the brackets.
- By turning the screws, the metallic square will go downwards, retaining the heater. Repeat this on the other bracket.
- Open the package and check that it is the correct model and it is in good condition.
- To obtain optimum performances it is necessary to maintain a minimum clearance of 15 cm between the radiator and any flammable material such as furniture, curtains etc.
- The rest of clearances required to maintain are indicated on the figure opposite:

USING THE THERMAL RADIATOR

RFE Plus models have a built in electronic thermostat with a sensibility of 0.1 ºC. It is possible to set temperatures with an accuracy of 0.5ºC.
The daily or weekly programmer (selectable) allows you to allocate three different temperature levels to any of the 48 intervals of 30 minutes of the day.
SWITCHING ON THE HEATER AND SETTING THE TIME
Turn the mode selector dial to P position then press and hold the
until the time flashes intermittently. Set the hours by pressing the + and – keys. Set the minutes the same way. Press the
key once more to store the time.
If at any point you should need to change the times that have been set, just press the
key and repeat the above process.
FROST PROTECTION MODE
With this mode on, if the room temperature drops below 3oC the heater will connect itself automatically. If the display shows the time, the heater is in frost protection mode. Press the
key to shift from frost protection mode (time is shown in the display) to standard mode (temperature is shown in the display) and vice versa.
SELECTOR “O”, “P”, “I”.
Position “0”:
The heater is switched off permanently. The display is switched off.
Position “P”:
The heater is following a program. It will maintain the SUN, MOON or temperatures as per the introduced program. At this position if the display shows the time the heater is in frost protection mode.
Position “I”:
The heater is maintaining the SUN temperature and will be identified by both the SUN and MOON indicator being lit. This is useful when the SUN temperature is required, and we do not want to modify the program. At this position, if the display shows the time the heater is in frost protection mode. Press the key to shift from frost protection mode (time is shown in the display) to standard mode (temperature is shown in the display) and vice versa.
SUN, MOON AND
TEMPERATURES
The electronic programmer is able to handle three temperature levels during a 24hr period.
Press the key
to set the SUN temperature.
The display will show the SUN temperature. The display will show the SUN temperature value blinking.
Set the SUN temperature value by means of the + and – keys and press the
key to store the value. If the display shows the time the heater is in frost protection mode. Press the
key to shift from frost protection mode (time is shown in the display) to standard mode (temperature is shown in the display) and vice versa. Repeat the above steps with the
key to set the MOON temperature.
The
temperature level is 3oC and it is a fixed value. SUN, MOON or
temperatures can be allocated to any of the 48 intervals of 30 minutes throughout the day.
DAILY PROGRAMMES
It is best to visualise the day split in to 48 intervals of 30 minutes each. The SUN, MOON or
temperatures can be allocated to any of them.
The default settings include a daily mode so that the heater will repeat the program every day. If different programmes are required throughout the week, please see the next step WEEKLY PROGRAMMES. To check a programme or to make a new one, follow these steps:
Press the ‘PRG’ key and the display will show 00:00 intermittently.
Press one of the three keys –
to allocate SUN, MOON or OFF (frost protection) from 00:00h to 00:30h. If SUN or MOON temperatures are selected the relevant luminous indicator will be lit. If OFF temperature
is selected both luminous indicators will be off.
Press the + key to go to the next interval. The display will show 00:30 intermittently and, again, press one of the three keys
to allocate SUN, MOON or OFF (frost protection) from 00:30h to 01:00h or press + key directly if the existing temperature level is ok.
Repeat these steps allocating the desired temperatures levels over the 24 hours of the day. Press the – key at any time to modify a previous period. By reaching the 23:30 in the display and pressing + key, the controller will store the program and will return to the previous mode.
At any time PRG key can be used also to store the program and return the previous mode.

EXAMPLE
Let’s see an example of how to introduce a program with the above distribution of temperatures.
OFF from 24:00h to 7:30h in the morning. The heater will be on only if the temperature drops to 3ºC.
SUN temperature from 7:30h to 9:00h.
MOON temperature from 9:00h to 13:00h.
SUN temperature from 13:00h to 15:00h.
MOON temperature from 15:00h to 19:30h.
SUN temperature from 19:30h to 24:00h.

WEEKLY PROGRAMMES
It is possible to allocate different programmes to different days of the week. To do this, the controller has to be changed from 24hr mode (factory default) to 24hr/7days mode as follows:
Move the selector to 0 position, the display will be Off. Press the
key and at the same time turn the selector to P position maintaining hold of the
key for five seconds. The display will show P-SE which means that weekly mode has been set.
SETTING THE DAY:
Press and hold the
key until the display shows the number of the day. Set the correct number, if required, by pressing the + or – keys. Press the
key again and the values will be saved.
To check a programme or to make a new one press PRG key. The display will show day1 . Press the PRG key again and the display will show 00:00 intermittently. Follow the steps from the DAILY PROGRAMMES section until the display shows day1 again. Repeat this process with the 7 days of the week. When the display shows day7 the weekly program will be stored by pressing + key.
If the display shows day1 then pressing and holding the + key will copy the day 1 program to day 2 and so on.
It is possible to allocate any of the three temperature levels to all of the intervals on any of the days by holding the relevant (temperature mode) key until an audible signal is heard.
To turn back the controller from 24hr/7days to a single 24hr period press the PRG key for six seconds. This will restore the factory default settings.
KEYBOARD LOCK
Press and hold the
key until the following is shown on the display [ – – ] The heater will still function internally. To unlock the keyboard press and hold the
key.
SUN MANUAL OVERRIDE
In programming mode, the heater will maintain the sun temperature set point and will ignore the pre-set programme until the next change in the programming temperature level.
Hold the SUN key pressed in programming mode to set the sun manual override. Both SUN and MOON indicators will be lit to confirm this.
This function could be useful when SUN temperature is required and we do not want to modify the program. By pressing the SUN key for 4 seconds with Sun Manual Override activated, the function will be removed and the heater will follow the programme again.
ADVANCED FUNCTION
OPEN WINDOW DETECTION
With open window detection activated, the heating element will be disconnected automatically when a sharp decrease in temperature in the room is detected avoiding energy wastage. After this period of time, the radiator returns to the prior operation mode.
When Open Window Detection is working, the word Open will be displayed alternating with the status of the current mode.
Note: To activate the open window detection please refer to ADVANCED FUNCTION ACTIVATION section.
ADAPTIVE START CONTROL
RFE Plus electronic control analyses the heating requirements of the room where the radiator is installed using this information to turn on the heating element in advance in order to reach the set point temperature at the desired time.
When Adaptive Start Control is working, the word AdAP will be displayed alternating with the status of the current mode.
Note: To activate the adaptive start control please refer to ADVANCED FUNCTION ACTIVATION section.
ADVANCED FUNCTION ACTIVATION
Advanced functions Open Windows Detection and Adaptive Start Control are disabled by default. To enable / disable these functions, the following steps must be followed:
Move the selector to 0 position, the display will be Off. Press the
key and at the same time turn the selector to P position maintaining the key at least five seconds.
The display will show OPEn alternating with the status of the function (On or OFF). Use the navigation keys + or – to enable / disable Open Windows Detection function.
Confirm the new value for the function by pressing the PRG key. The next function (AdAP) is shown alternating with its status (On or OFF). Use the navigation keys + or – to enable / disable Adaptive Start Control function. Confirm the new value for the function by pressing the PRG key.
UNIT RESET
The heater reset establishes the factory configuration of the heater removing the programming, establishing the daily programming and disabling the advanced functions. To reset the unit, hold the PRG key for 4 seconds, the display will show InIC to indicate the heater has been reset.
CLEANING AND MAINTENANCE
The radiators do not require any special maintenance providing thermal comfort during large periods. Clean dust with a dry, soft cloth only when the unit is disconnected and cold.
Do not use solvents or abrasive products for cleaning. This thermal radiator has been manufactured under an assured quality system using environment friendly processes.
Please take the heaters to a clean point once their useful life is finished, in order to recycle their materials in the right way.
TROUBLESHOOTING

SPECIFICATIONS

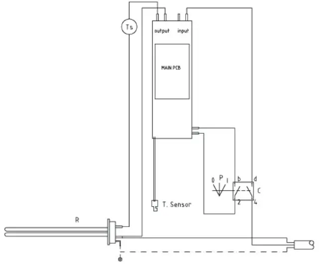
MAIN COMPONENTS LIST

WIRING
R heating element
Ts safety cut out
C three way selector

PRODUCT FICHE
MODEL(S): GABARRON RF4E Plus, RF6E Plus, RF8E Plus, RF10E Plus, RF12E Plus, RF14E Plus

Supplier:
ELNUR UK Ltd.
Unit 1, Brown Street North
Leigh, Lancashire, WN7 1BU.
+44(0)1942 670119
[email protected]
Manufactured by:
ELNUR S.A.
Travesía de Villa Esther, 11 28110, Algete
Madrid Telephone: +34 916281440

The symbol on the product or in its packaging indicates that this product may not be treated as household waste. Instead it shall be handed over to the applicable collection point for the recycling of electrical and electronic equipment. By ensuring this product is disposed of correctly, you will help prevent potential negative consequences for the environment and human health, which could otherwise be caused by inappropriate waste handling of this product. For more detailed information about recycling of this product, please contact your local council office, your household waste disposal service or the shop where you purchased the product. These instructions are only valid in the EU member states.

© All rights reserved. As part of the continuous improvement policy, ELNUR, S.A. reserves the right to alter or modify any specifications without notice.
Elnur RFE Plus Thermal Radiators User Manual – Optimized File
Elnur RFE Plus Thermal Radiators User Manual – Original File













