PROLiGHTS EclDisplay CC, CCFC LED Gallery Light 
Thank you for choosing PROLIGHTS
Please note that every PROLIGHTS product has been designed in Italy to meet quality and performance requirements for professionals and designed and manufactured for the use and application as shown in this document.
Any other use, if not expressly indicated, could compromise the good condition/operation of the product and/or be a source of danger.
This product is meant for professional use. Therefore, commercial use of this equipment is subject to the respectively applicable national accident prevention rules and regulations.
Features, specifications and appearance are subject to change without notice. Music & Lights S.r.l. and all affiliated companies disclaim liability for any injury, damage, direct or indirect loss, consequential or economic loss or any other loss occasioned by the use of, inability to use or reliance on the information contained in this document.
Product user manual can be downloaded from the website www.prolights.it , or can be inquired to the official PROLIGHTS distributors of your territory (https://www.prolights.it/sales_network.html).
Scanning the below QR Code, you will access the download area of the product page, where you can find a broad set of always updated technical documentation: specifications, user manual, technical drawings, photometrics, personalities, fixture firmware updates.
Visit the download area of the product page

The PROLIGHTS Logo, PROLIGHTS names and all other trademark in this document pertaining to PROLIGHTS services or PROLIGHTS product are trademarks OWNED or licensed by Music & Lights S.r.l., its affiliates, and subsidiaries. PROLIGHTS is a registered trademark by Music & Lights S.r.l. All right reserved. Music & Lights – Via A. Olivetti, snc – 04026 – Minturno (LT) ITALY
SAFETY INFORMATION
WARNING!
- Please read carefully the instruction reported in this section before installing, power-ing, operating or servicing the product and observe the indications also for its future handling.
This unit is not for household and residential use, only professional applications.
Connection to mains supply
- The Connection to the mains supply must be carried out by a qualified electrical installer.
- Use only AC supplies 100-240V 50-60 Hz, the fixture must be electrically connected to ground (earth).
- Select the cable cross section in according with the maximum current draw of the product and the possible number of products connected at the same power line.
- The AC mains power distribution circuit must be equipped with magnetic+residual current circuit breaker protection.
- Do not connect it to a dimmer system; doing so may damage the product.
Protection and Warning against electrical shock
- Do not remove any cover from the product, always disconnect the product from AC power before servicing.
- Ensure that the fixture is electrically connected to ground (earth). And use only a source of AC power that complies with local building and electrical codes and has both overload and ground-fault (earth-fault) protection.
- Before using the fixture, check that all power distribution equipment and cables are in perfect condition and rated for the current requirements of all connected devices.
- Isolate the fixture from power immediately if the power plug or any seal, cover, ca-ble, or other components are damaged, defective, deformed or showing signs of overheating.
- Do not reapply power until repairs have been completed.
- Refer any service operation not described in this manual to PROLIGHTS Service team or an authorized PROLIGHTS service center.
Installation
- Make sure that all visible parts of the product are in good visible condition before its use or installation.
- Make sure the point of anchorage is stable before positioning the projector.
- When suspending the fixture above ground level, secure it against failure of primary attachments by attaching a safety cable that is approved as a safety attachment for the weight of the fixture to the attachment point on the main frame of the product. ln case the safety cable, enter in action, it needs to be replaced with a new one.
- Install the product only in well ventilated places.
- For non temporary installations, ensure that the fixture is securely fastened to a load-bearing surface with suitable corrosionresistant hardware.
- For a temporary installation with clamps, ensure that the quarter-turn fastener and/or screws are turned fully, and secured with a suitable safety cable.
Minimum distance of illuminated objects
- The projector needs to be positioned so that the objects hit by the beam of light are at least 0.2 meters (0.65 ft) from the lens of the projector.
Max operating ambient temperature (Ta)
- Do not operate the fixture if the ambient temperature (Ta) exceeds 45 °C (113 °F).
Minimum operating ambient temperature (Ta)
- Do not operate the fixture if the ambient temperature (Ta) is below -10 °C (14 °F).
Protection from burns and fire
- The exterior of the fixture becomes hot during use. Avoid contact by persons and materials.
- Ensure that there is free and unobstructed airflow around the fixture.
- Keep flammable materials well away from the fixture
- Do not expose the front glass to sunlight or any other strong light source from any an-gle. Lenses can focus the sun’s rays inside the fixture, creating a potential fire hazard.
- Do not attempt to bypass thermostatic switches or fuses.
Indoor use
- This product is designed for indoor and dry environments.
- Do not use in wet location and do not expose the fixture to rain or moisture.
- Never use the fixture in places subject to vibrations or bumps.
- Make certain that no inflammable liquids, water or metal objects enter the fixture.
- Excessive dust, smoke fluid, and particle build up degrades performance, causes overheating and will damage the fixture.
- Damages caused by inadequate cleaning or maintenance are not covered by the product warranty.
Temperature of the external surface
- The surface of the fixture can reach up to 65 °C (149 °F) during operation. Avoid contact with people and materials.
Photobiological safety
- This device emits potentially dangerous optical radiation and is identified in the cat-egory of Risk Group 1 according to EN 62471.
Maintenance
- Warning! Disconnect the fixture from AC mains power and allow to cool for at least 10 minutes before handling.
- Only technicians who are authorized by PROLIGHTS or Authorised service partners are permitted to open the fixture.
- Users may carry out external cleaning, following the warnings and instructions pro-vided, but any service operation not described in this manual must be referred to a qualified service technician.
- Important! Excessive dust, smoke fluid, and particle build up degrades performance, causes overheating and will damage the fixture. Damages caused by inadequate cleaning or maintenance is not covered by the product warranty.
Do not stare at the operating light source
- Do not look directly at the LED source during operation. It can be harmful to the eyes and skin.
- During Installation, operation and maintenance, be prepared for the fixture to light and move suddenly when connected to power.
Disposal
- This product is supplied in compliance with European Directive 2012/19/EU – Waste
Electrical and Electronic Equipment (WEEE). To preserve the environment please dispose/ recycle this product at the end of its life according to the local regulation.
The products to which this manual refers comply with:
- 2014/35/EU – Safety of electrical equipment supplied at low voltage (LVD).
- 2014/30/EU – Electromagnetic Compatibility (EMC).
- 2011/65/EU – Restriction of the use of certain hazardous substances (RoHS).
The products to which this manual refers comply with:
- UL 1573 + CSA C22.2 No. 166 – Stage and Studio Luminaires and Connector Strips.
- UL 8750 + CSA C22.2 No.250 13-20 / Clause – Standard for power units other than class 2.
FCC Compliance:
- This device complies with Part 15 of the FCC Rules. Operation is subject to the following two conditions:
- This device may not cause harmful interference, and
- This device must accept any interference received, including interference that may cause undesired operation.
Other approvals
- The product meets the safety requirements of the certification procedures of the market in which it is placed and sold.
PACKAGING
PACKAGE CONTENT
- 1x ECLDISPLAYCC or 1x ECLDISPLAYCCFC;
- User Manual.
OPTIONAL ACCESSORIES
DEDICATED ACCESSORIES
- ECLDISPWASHL1530B/W: zoomable Wash Lens 15-30° for EclDisplay, black/white housing;
- ECLDISPWASHL2550B/W: zoomable Wash Lens 25-50° for EclDisplay, black/white housing;
- ECLDISPPRZL2040B/W: zoomable Profile Lens 20-40°, with 4 framing shutters, for EclDisplay, black/white housing;
- ECLDISPCEILKIT: ceiling adapter kit for EclDisplay, black/white flange;
- ECLDISPHSNOOTB/W: half snoot for EclDisplay, black/white housing;
- ECLDISPFSNOOTB/W: full snoot for EclDisplay, black/white housing;
- ECLDISPLOUVREB/W: anti-glare louvre for EclDisplay, black/white housing;
- ECLDISPBDNFFB/W: barndoor and filter frame (compatible with Wash Lenses) for EclDisplay, black/white housing;
- ECLDISPGOBOHINDB/W: gobo holder for EclDisplay with manual adjustable index position system, black/white housing;
- ECLDISPCEILFLGB/W: flange to complete the EclDisplay ceiling adapter kit, black/white;
- C6002: slim aluminium clamp, 200 kg loading, 48-51 mm tubes, M10 bolt;
- RSR0630A/B: steel security cable for hanging bodies, inox steel shackle, L=60 cm, silver/black.
EXTERNAL POWER SUPPLIER – LED DRIVER
NOTE: the final terms “2” and “3” in the codes indicate the corresponding color variant in black and white respectively.
- ELECODRIVE360A: ECOdrive, 30W, DALI-2, Pulse dimming, 1 control channel, con. cur., 1x55V output;
- ELPD50SAM4Z0X: POWERdrive AC, 50W, DMX/RDM, 4 control channels, constant current, 4x55V outputs;
- ELTOOLBOXPRO: TOOLbox pro;
- NAGA0172/3: global Pulse 3-Circuit Adapter-Driver, 200-700mA, 8,8-31W, black/white;
- NAGAC6162/3: global Pulse DALI 3-Circuit Adapter-Drivers, 300-1050mA, 12,6-40W, black/white;
- NAGAW0162/3: global Pulse CASAMBI 3-Circuit Adapter-Drivers, black/white;
- PLCLD82075; driver PVC cable black for 2x 0,75 mmq D=6,5mm (BLACK-RED);
- NAXTSA57129: Global Pulse Rotating Nipples 3-Circuit Adapters, M10, H 12MM;
- NAXTSA55129: global Pulse Rotating Nipples 3-Circuit Adapters, M13, H 12mm, D 9mm;
- NAGAM109: global Pulse Nut M10 for NAXTSA57129;
- NAGAM139: global Pulse Nut M13 for NAXTSA55129.
NORDIC ALUMINUM TRACK
NOTE: the final terms “2” and “3” in the codes indicate the corresponding color variant in black and white respectively.
- NAXTSC61002/3: global Pulse XTSC Lighting Track, 3 circuit DALI, 1000mm, black/white;
- NAXTSC62002/3: global Pulse XTSC Lighting Track, 3 circuit DALI, 2000mm, black/white;
- NAXTSC63002/3: global Pulse XTSC Lighting Track, 3 circuit DALI, 3000mm, black/white;
- NAXTSC64002/3: global Pulse XTSC Lighting Track, 3 circuit DALI, 4000mm, black/white;
- NAXTSC6112/3: global Pulse XTS Connector 3-CCT DALI end feed, earth right, black/white;
- NAXTSC6122/3: global Pulse XTS Connector 3-CCT DALI end feed, earth left, black/white;
- NAXTSC6142/3: global Pulse XTS Connector 3-CCT DALI middle feed, black/white;
- NAXTSC6232/3: global Pulse XTS Connector 3-CCT DALI flexible corner connector, black/white;
- NAXTSNC6342/3: global Pulse XTSN Connector 3-CCT DALI L connector, earth right, black/white;
- NAXTSNC6352/3: global Pulse XTSN Connector 3-CCT DALI L connector, earth left, black/white;
- NAXTSNC6362/3: global Pulse XTSN Connector 3-CCT DALI T connector, earth right/right, black/white;
- NAXTSNC6372/3: global Pulse XTSN Connector 3-CCT DALI T connector, earth left/left, black/white;
- NAXTSNC6382/3: global Pulse XTSN Connector 3-CCT DALI X connector, black/white;
- NAXTSNC6392/3: global Pulse XTSN Connector 3-CCT DALI T connector, earth right/left, black/white;
- NAXTSNC6402/3: Global Pulse XTSN Connector 3-CCT DALI T connector, earth left/right, black/white;
- NAXTS412/3: global Pulse XTS Connector 3-CCT DALI END cap, black/white;
- NASPW12SK215M: global Pulse Track clip wire suspension set 1.5m, 150N, black;
- NASPW12SK25M: global Pulse Track clip wire suspension set 5m, 150N, black;
- NASPW12SK315M: global Pulse Track clip wire suspension set 1.5m, 150N, white;
- NASPW12SK35M: global Pulse Track clip wire suspension set 5m, 150N, white;
- NASKB122/3: global Pulse Track Mounting Clamp for Rod and Wire, 200N, black/white;
- NAXTSC6212/3: global Pulse XTS Connector 3-CCT DALI straight connector, black/white.
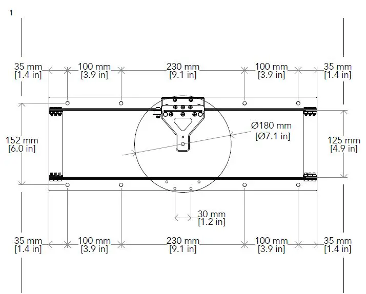
TECHNICAL DRAWING




TILT RANGE
INSTALLATION
MOUNTING
Check that the supporting structure can safely bear the weight of all installed fixtures, clamps, cables, auxiliary equipment, etc. and complies with locally applicable regulations.
When suspending the fixture above ground level, secure it against failure of primary attachments by attaching a safety wire that is approved as a safety attachment for the weight of the fixture to an anchor point on the product main frame.
Do not use removable parts or weak anchors for secondary attachment.
Warning! When clamping the fixture to a truss or other structure at any angle, use clamps of half-cou-pler type. Do not use any type of clamp that does not completely encircle the structure when fastened.
CONNECTION TO THE EXTERNAL PSU OR LED DRIVER
Use only SELV remote control gear (max output voltage 60V). The unit must be powered only by Con-stant Current PSU. To avoid damage, do not connect the unit to any Constant Voltage PSU. Installation must be performed by a qualified person.
- ECLDISPLAYCC: max current 700mA 36V 25W.
Led driver: constant current 700mA maximum output voltage 60Vdc, min 25W. - ECLDISPLAYCCFC: Max current 4×1,5A 0-5V 30W.
Led driver: Constant current 1,5 A maximum output voltage 60Vdc, min 30W.
NOTE: Please take attention to the polarity of the connection.
CONNECTION TO EXTERNAL POWER SUPPLIES
ECLDISPLAYCC
ECLDISPLAYCCFC
STARTUP
CONNECT AND DISCONNECT POWER FROM THE PRODUCT
To apply and disconnect power to the product:
- Check that the product is installed and secured as indicated in the Safety Informations, and that personal safety will not be put at risk when the fixture lights up.
- Connect the external led driver to the mains line.
- The product is then ready for its operations and can be controlled through the available input sig-nals on led driver.
- To disconnect power from the product, disconnect the mains from the socket.
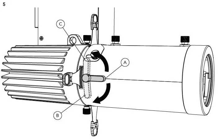
PRODUCT OVERVIEW
- SAFETY EYE to attach safety cable;
- KNOB for releasing and locking the optic;
- KNOB for releasing and locking the optic and for zoom;
- OPTIC (accessory not included, in the figure ECLDISPWASHL1530);
- RUBBER RING (accessory included in the box optic);
- PLASTIC ARM COVER;
- LOCK TILT.

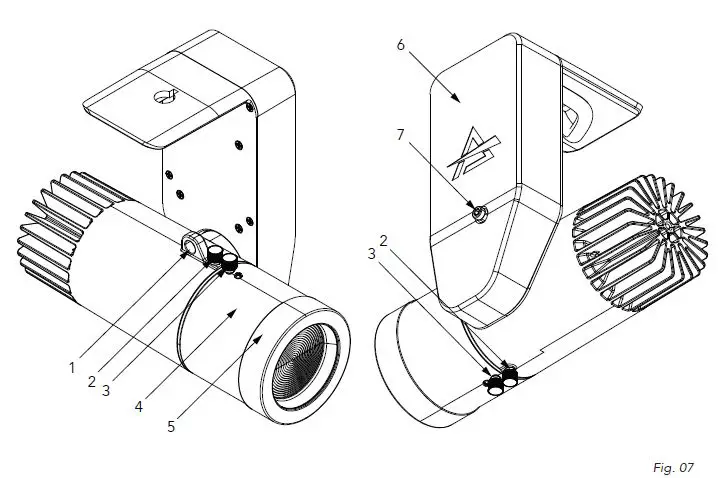
ACCESSORIES INSTALLATION
OPTIC (CODES ECLDISPWASHL1530 / ECLDISPWASHL2550 / ECLDISPPRZL2040 – OPTIONAL)
NOTE: the mounting procedure described below is the same for all lenses.


Loosen the two marked knobs on the top and lower of the ECLDISPLAY to rotate the optics.
The marked lever in position A allows the locking of the blades. Rotating the lever to position B or C allows the release of the blades. This operation must be repeated for both levers on the frame system.
BARNDOOR AND FILTER FRAME (CODE ECLDISPBDNFFB – OPTIONAL)
Insert the filter frame mounting the four marked screws into the holes provided on the optic.
Rotate the marked knob of the filter frame (2) and and move the marked rod upwards (3).
Insert the holder from above throught the track (4). Then insert the barn door (5).
Move the marked rod down (6).
ANTI-GLARE LOUVRE (CODE ECLDISPLOUVRE – OPTIONAL)
NOTE: the rubber ring can also be used to fix a filter with a maximum diameter of 79 mm.
Insert the anti-glare louvre or a filter of maximum size of Ø79 mm into the rubber ring.
Mount the anti-glare louvre with the rubber ring on the optic.
GOBO HOLDER (CODE ECLDISPGOBOHIND – OPTIONAL)
To mount the gobo remove the spring (1) from the gobo holder. Then insert the gobo following the sequence of image 2.
Loosen the two marked knobs of the optic (3). Then move the cover plate (4). Insert the gobo holder into the slot provided on the optic (5).
HALF SNOOT, FULL SNOOT (CODES ECLDISPHSNOOT, ECLDISPFSNOOT – OPTIONAL)

Loosen the three marked knob. Insert the half snoot on the optic and tighten the knobs in the egraved ring.
Loosen the three marked knob. Insert the full snoot on the optic and tighten the knobs in the egraved ring. Fig. 12
CEILING ADAPTER KIT (CODES ECLDISPCEILKIT, ECLDISPCEILFLG – OPTIONAL)



Mount the marked ceiling adapter kit on the ceiling by tightening the screws in the marked points (4). Fit the M6 screw to fix the projector (placed upside down) in the holes provided in the back housing (see detail). Fit the M4 screw to lock rotation.
The projector can be tilted with a range of tilt movement of -15° ÷ +15° (5). Tighten the two screws (see “DETAIL”) to lock the tilt movement. It is possible to decide the positioning height of the projec-tor by using the marked plate (6). Tighten the M4 screw (6) to lock the vertical movement of the plate.
Mount the flange tightening the two marked screws (7) to complete the ceiling adapter kit.
MAINTENANCE
MAINTENANCE AND CLEANING THE PRODUCT
WARNING: Disconnect from the mains before starting any maintenance work
It is recommended to clean the front at regular intervals, from impurities caused by dust, smoke, or other particles to ensure that the light is radiated at maximum brightness.
- For cleaning, disconnect the main plug from the socket. Use a soft, clean cloth moistened with a mild detergent. Then carefully wipe the part dry. For cleaning other housing parts use only a soft, clean cloth. Never use a liquid, it might penetrate the unit and cause damage to it.
- The user must clean the product periodically to maintain optimum performance and cooling.
- The frequency of such maintenance operations is to be performed according to various factors, such as the amount of the use and the condition of the installation environment (air humidity, presence of dust, salinity, etc.). It is recommended that the product is subject to annual service by a qualified technician for special maintenance involving at least the following procedures:
- General cleaning of internal parts.
- For all the parts subject to friction, using lubricants specifically supplied by PROLIGHTS.
- General visual check of the internal components, cabling, mechanical parts, etc.
- Electrical, photometric and functional checks; eventual repairs.
- Cleaning the lenses. Only use neutral soap and water to clean the lenses, then dry it carefully with a soft, non-abrasive cloth.
WARNING: the use of alcohol or any other detergent could damage the lenses.
- All other service operations on the product must be carried out by PROLIGHTS, its approved service agents or trained and qualified personnel.
- It is PROLIGHTS policy to apply the strictest possible calibration procedures and use the best quality materials available to ensure optimum performance and the longest possible component lifetimes. However, optical components are subject to wear and tear over the life of the product, resulting in gradual changes in colours over many thousands of hours of use. The extent of wear and tear depends heavily on operating conditions and environment, so it is impossible to specify precisely whether and to what extent performance will be affected. However, you may eventually need to re-place optical components if their characteristics are affected by wear and tear after an extended pe-riod of use and if you require fixtures to perform within very precise optical and colour parameters.
- Do not apply filters, lenses or other materials on lenses or other optical components. Use only ac-cessories approved by PROLIGHTS.
VISUAL CHECK OF PRODUCT HOUSING
- The parts of the product cover/housing should be checked for eventual damages and breaking start at least every two months. In addition, especially the parts of the front lens holder have to be checked mechanically (by means of movement by the part) if it is firmly fastened to the fixture. If hint of a crack is found on some plastic part, do not use the product until the damaged part will be replaced.
- Cracks or another damages of the cover/housing parts can be caused by the product transportation or manipulation and also ageing process may influence materials.
- This checking is necessary for both fixed installations and preparing product for renting. Any free moving parts inside of the product, cracked cover/housing or any part of front lens not sitting prop-erly in place need to be immediately replaced.
TROUBLESHOOTING
| Problems | Possible causes | Checks and remedies |
| Product doesn’t power ON | • No power to the product | • Check that power is switched ON and cables are plugged in. |
| Product reset correctly but does not respond correctly to the contoller. | • Bad signal connection | • Inspect connections and cables. Fix eventual bad connections. Repair or replace damaged cables. |
| • Signal connection not terminated | • Insert DMX termination plug in signal output socket of the last product on the signal line. | |
| • Incorrect addressing of the product | • Check the product address and control settings | |
| • One of the product is defective and is corrupt- ing the signal transmis- sion on the signal line | • Unplug the XLR in and out connectors and connect them directly together to bypass one product at a time until normal operation is regained. Once found the error, have that fixture serviced by a qualified technician. | |
| Timeout error after fixture reset. | • One or more hardware • components requires • mechanical adjustments | • Check product stored error messages for more information. Contact PROLIGHTS Service or an authorized service partner. |
| Mechanical effect loses position | • Mechanical hardware require cleaning, adjust- ment or lubrification | • Check product stored error messages for more information. Contact PROLIGHTS Service or an authorized service partner. |
| Light output turn OFF Intermittently | • Fixture is too hot | • Check product stored error messages. • Allow product to cool. • Clean the product and airflow filters. • Reduce ambient temperature. |
| • Hardware failure (tem- perature sensor, fans, Light source…) | • Check product stored error messages for more information. Contact. PROLIGHTS Service or an authorized service partner. | |
| General low light intensity | • Dirty lens assembly • Dirty or damaged filters | • Clean the fixture regularly. • Install lens assembly properly. |
Contact an authorized service center in case of technical problems or not reported in the table can not be resolved by the procedure given in the table.
PROLIGHTS is a trademark of MUSIC & LIGHTS S.r.l. musiclights.it
Via A.Olivetti snc
04026 – Minturno (LT) ITALY Tel: +39 0771 72190
[email protected]
































