ecler Genio Multi-Format Box for Audio Connection and Transmission

IMPORTANT REMARK
- CAUTION: RISK OF ELECTRIc SHOCK DO NOT OPEN
- WARNING: SHOCK HAZARD – DO NOT OPEN AVIS: RISQUE DE CHOC ÉLECTRIQUE NE PAS OUVRIR
- The lightning flash with the arrowhead symbol, within an equilateral triangle, is intended to alert the user to the presence of uninsulated “dangerous voltage” within the product’s enclosure that may be of sufficient magnitude to constitute a risk of electric shock to persons.
- The exclamation point within an equilateral triangle is intended to alert the user to the presence of important operating and maintenance (servicing) instructions in the literature accompanying the appliance.
- WARNING (If applicable): The terminals marked with the symbol “ ” may be of sufficient magnitude to constitute a risk of electric shock. The external wiring connected to the terminals requires installation by an instructed person or the use of ready-made leads or cords.
- WARNING: To prevent fire or shock hazards, do not expose this equipment to rain or moisture.
- WARNING: An apparatus with Class I construction shall be connected to a main socket outlet with a protective earthing connection.
IMPORTANT SAFETY INSTRUCTIONS
- Read these instructions.
- Keep these instructions.
- Heed all warnings.
- Follow all instructions.
- Do not use this apparatus near water.
- Clean only with dry cloth.
- Do not block any ventilation openings. Install in accordance with the manufacturer’s instructions.
- Do not install near any heat sources such as radiators, heat registers, stoves, or other apparatus (including amplifiers) that produce heat.
- Do not defeat the safety purpose of the polarized or grounding type plug. A polarized plug has two blades with one wider than the other. A grounding type plug has two blades and a third grounding prong. The wide blade or the third prong are provided for your safety. If the provided plug does not fit into your outlet, consult an electrician for replacement of the obsolete outlet.
- Protect the power cord from being walked on or pinched particularly at the plugs, convenience receptacles, and at the point where they exit from the apparatus.
- Only use attachments/accessories specified by the manufacturer.
- Unplug the apparatus during lightening sorts or when unused for long periods of time.
- Refer all servicing to qualified personnel. Servicing is required when the apparatus has been damaged in any way, such as power supply cord or plug is damaged, liquid has been spilled or objects have fallen into the apparatus, the apparatus has been exposed to rain or moisture, does not operate normally, or has been dropped.
- Disconnecting from mains: Switching off the POWER switch all the functions and light indicators of the amplifier will be stopped, but fully disconnecting the device from mains is done unplugging the power cord from the mains input socket. For this reason, it always shall remain readily operable.
- Equipment is connected to a socket-outlet with earthing connection by means of a power cord.
- The marking information is located at the bottom of apparatus.
- The apparatus shall not be exposed to dripping or splashing and that no objects filled with liquids, such as vases, shall be placed on apparatus.
NOTE: This equipment has been tested and found to comply with the limits for a Class A digital device, pursuant to part 15 of the FCC Rules. These limits are designed to provide reasonable protection against harmful interference when the equipment is operated in a commercial environment. This equipment generates, uses, and can radiate radio frequency energy and, if not installed and used in accordance with the instruction manual, may cause harmful interference to radio communications. Operation of this equipment in a residential area is likely to cause harmful interference in which case the user will be required to correct the interference at his own expense.
WARNING: This product must not be discarded, under any circumstance, as unsorted urban waste. Take to the nearest electrical and electronic waste treatment centre. NEEC AUDIO BARCELONA, S.L. accepts no liability for any damage that may be caused to people, animal or objects due to failure to comply with the warnings above.
IMPORTANT NOTE
Thank you for choosing our multi-format audio box GENIO for connection and transmission! It is VERY IMPORTANT to carefully read this manual and to fully understand its contents before any connection in order to maximize your use and get the best performance from this equipment. To ensure optimal operation of this device, we strongly recommend that its maintenance be carried out by our authorised Technical Services.
Ecler GENIO comes with a 3-year warranty.
INTRODUCTION
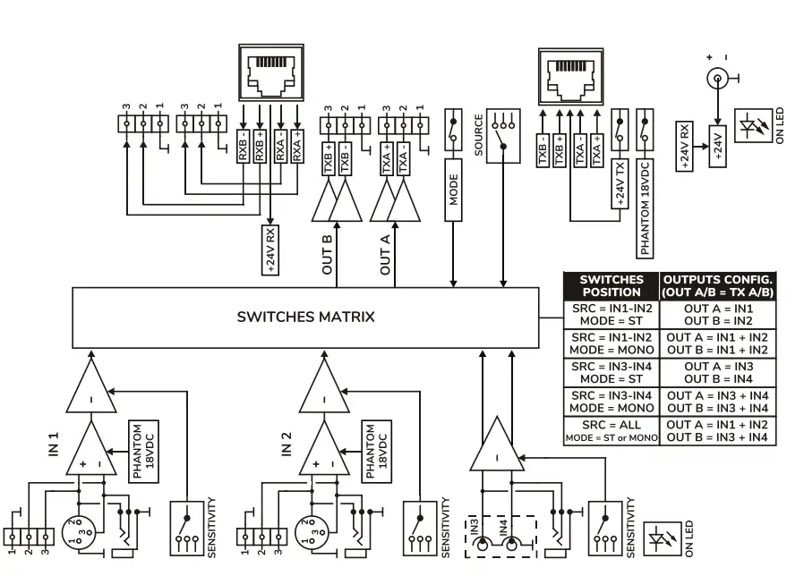
GENIO is an audio balancing box with multiformat connection and transmission. It includes 3 inputs (2 balanced mono inputs + 1 unbalanced stereo input), and a balanced stereo output. It also has an RJ45 (RX) input port and an output port (TX) for transmitting and receiving the balanced signal to another GENIO unit over long distances using a CAT5 cable. The equipment is powered by external PSU, and it is also possibility to send power to another remote GENIO unit via the transmission cable (TX).
Main features:
- Audio balancing box with multiformat connection and transmission
- 2 balanced mono inputs, with XLR combo + Euroblock connectors
- 1 unbalanced stereo input, with mini-jack + dual RCA connectors
- Input sensitivity adjustment: 0/-20/-40 dB switch for the two mono inputs and the stereo input
- 2 balanced outputs, resulting from the combination of the SRC (IN 1-2/IN 3-4/ALL) and MODE (ST/MONO) switch positions.
- TX RJ45 connector, which receives a copy of outputs A and B
- RX RJ45 connector, delivering its signal in 2 Euroblock outputs (RX A OUT and RX B OUT) for the reception of signal from other GENIO equipment (maximum distance of 300m using CAT5 cable or higher)
- PHANTOM INPUT 1&2 switch to provide 18VDC Phantom power to balanced inputs
- Unit powered by external power supply, 24 VDC
- Possibility of feeding, from a GENIO unit, another remote GENIO unit by means of the interconnection between two units through the TX and RX ports (injected power in the TX port, RJ45).
- REMOTE POWER switch to activate/deactivate the remote power function of another GENIO unit.
- Dimensions and weight: 200x44x130mm (1/2 RU wide, 1 RU high), 750gr
INSTALLATION
Location, mounting and ventilation
GENIO has been specially designed both for placement as a desktop unit and for placement in 19″ rack furniture, occupying a height unit (mounting kit included for surface and standard rack cabinets). GENIO does not require ventilation due to its low power consumption, however, it is recommended that the unit is not completely enclosed or exposed to extreme temperatures. Fresh air should be allowed to pass through the ventilation holes in the chassis, leaving at least one free rack unit between each piece of equipment and those installed above and below it in the rack frame. If the installation consists of several units in the same rack or is carried out inside cabinets closed by means of doors, it is highly recommendable to equip them with forced upward ventilation, installing fans at their lower and upper ends. This upward flow of ventilation will favor the dissipation of the heat generated in its interior.
Mains connection and power on
GENIO is powered from the mains by its universal external power supply. This external power supply has several interchangeable connectors (mains plugs): American, European, British and Chinese formats. On the front and rear panel there is a LED ON that gets lit when the unit is in operation. Do not allow the external power supply cable intermingles and runs parallel to the shielded cables carrying the audio signal, as this may cause humming.
FRONT PANEL
- IN1 and IN2: balanced audio inputs in XLR combo format, and possibility of connection via Euroblock.
- IN3 and IN4: unbalanced audio input with RCA or minijack connection.
- SENS: input signal sensitivity control (one for each input). 3 options available: 0/-20/-40 dB.
- ON: LED indicator of equipment operation.
REAR PANEL
DC INPUT:
- ON: LED indicator of equipment operation.
OUTPUT SIGNALS (TX):
- PHANTOM INPUT 1&2: switch to enable/disable 18VDC Phantom power on balanced inputs.
- REMOTE POWER: switch to activate/deactivate the remote power supply to another GENIO unit, injected in the RJ45 TX connector.
- TX: RJ45 output for connection to remote equipment via CAT5 cable or higher.
- SRC: switch to choose which inputs to send to the output: IN 1-2, IN 3-4 or ALL.
- MODE: switch to choose MONO or ST (stereo) output.
- OUT A/B: Outputs with Euroblock connectors.
INPUT SIGNALS (RX):
- RX: RJ45 input for connection to remote equipment via CAT5 cable or higher.(maximum distance 300m).
- RX A/B OUT: direct outputs of the signals received in the RX port, with Euroblock connectors.
CABLE CONNECTIONS
It is recommended to make all audio connections with devices off or on stand-by, whether input devices such as audio sources or devices connected to the mixer outputs such as power amplifiers.
Audio input connections
GENIO has the following audio inputs, with the following types of connection:
- INPUT 1 and 2: balanced mono signal, with 3-pin female XLR connector + ST jack (combo connector) and with Euroblock connector. Control of the input sensitivity of the signal by means of the SENS switch (0, -20, -40 dB).
- COMBO connector:

- COMBO connector:
- Live or direct signal
- Cold or inverted signal Ground
- XLR/ Jack TRS/ Euroblock
- Terminal 2 / Tip / +
- Terminal 3 / Centre ring / –
- Terminal 1 / Base / ⊥

- Microphone connection: The microphone connection for the Euroblock connector is shown in the diagram below.

- Microphone connection: The microphone connection for the Euroblock connector is shown in the diagram below.
On the rear panel of the unit, there is a PHANTOM ON/OFF switch, which provides phantom power (18VDC) to inputs 1 and 2 for use with microphones that require it, usually condenser microphones.
- INPUT 3 and 4: unbalanced stereo line signal, with RCA connectors and 3,5mm stereo mini-jack connector.
Dual RCA Connector: Connect your stereo sound source (CD players, Smartphones, radio tuners, streaming players, etc.) directly using a cable that delivers the left (L) and right (R) channels to the unit’s white and red RCA connectors, respectively.
- RX: RJ45 connector for the reception of the signal sent from the TX port of another remote GENIO unit, by means of a CAT5 cable or higher. It also receives remote power in case of activation of the REMOTE POWER switch in the remote TX unit.
Output Audio Connections
- GENIO has the following audio outputs, with the following types of connection:
- OUT A and B: main output. Balanced stereo or mono line signals, with Euroblock connector on the rear panel. Depending on the position of the SRC and MODE switches, the output will be configured in the following ways:
| POSITION SWITCHES | OUTPUT CONFIGURATION (OUT A/B = TX A/B) |
| SRC = IN 1 – IN 2 MODE = ST | OUT A = IN 1 OUT B = IN 2 |
| SRC = IN 1 – IN 2 MODE = MONO | OUT A = IN 1 + IN 2 OUT B = IN 1 + IN 2 |
| SRC = IN 3 – IN 4 MODE = ST | OUT A = IN 3 OUT B = IN 4 |
| SRC = IN 3 – IN 4 MODE = MONO | OUT A = IN 3 + 4 OUT B = IN 3 + 4 |
| SRC = ALL MODE = ST / MONO | OUT A = IN 1 + IN 2 OUT B = IN 3 + IN 4 |
- TX: a copy of outputs A and B is delivered to the RJ45 connector to send the signal to another remote GENIO unit via a CAT5 cable or higher. It also sends the remote power in case of activation of the REMOTE POWER switch.
- RX A / B: Audio outputs connected directly to the A and B signals received on the RX port from a remote TX unit, with Euroblock connectors.
Other connections
- TX and RX: if two GENIO units are interconnected via a CAT5 link or higher, it is possible to send the audio signal from one unit to another, in addition to being able to send/receive remote power from one unit (TX) to another (RX).
About balanced and unbalanced audio connections
- If a balanced output channel is connected to an amplifier or audio device with balanced input, the + (Pin 2), – (Pin 3), and ⊥ (Pin 1) terminals must be a connected point to point between the two devices.

- If you connect a balanced output channel to an amplifier or device with unbalanced audio input, leave the – (Pin 3) terminal unconnected.

- If an unbalanced output channel is connected to an amplifier or audio device with an unbalanced input, the signal ( tip) and ground (base) terminals must be a connected from point to point between the two devices.

- If an unbalanced output channel is connected to an amplifier or audio device with a balanced input, the unused output pin (terminal –) must be short-circuited to the ground. Otherwise, the output signal will not have the right level or quality.

OPERATION AND USE
Start-up
- Once all the connections have been made, connect the GENIO unit to an external PSU. The ON LED will light up in green. In a complete audio installation it is important to start the equipment according to the following sequence: sound sources (microphones, music players etc.), mixers, audio processors and finally the power amplifiers. To stop them, the sequence must be reversed. In this order, the transients produced by the turning on or off of the devices will not affect the next one in the chain, remaining inaudible.
Switch configuration
- The default settings for the equipment switches are as follows:
- SENS: switches at 0dB
- MODE: ST
- SRC: IN 1 – 2
- PHANTOM INPUT 1&2: OFF
- REMOTE POWER: OFF
To change the input sensitivity (SENS), move the corresponding input switch to set it to 0, -20 or -40dB. To change the configuration of the OUT A/B outputs, the input selection switches (SRC) and mono/stereo output switches (MODE) can have the following positions with their corresponding output configuration:
| POSITION SWITCHERS | OUTPUT CONFIGURATION (OUT A/B = TX A/B) |
| SRC = IN 1 – IN 2 MODE = ST | OUT A = IN 1 OUT B = IN 2 |
| SRC = IN 1 – IN 2 MODE = MONO | OUT A = IN 1 + IN 2 OUT B = IN 1 + IN 2 |
| SRC = IN 3 – IN 4 MODE = ST | OUT A = IN 3 OUT B = IN 4 |
| SRC = IN 3 – IN 4 MODE = MONO | OUT A = IN 3 + 4 OUT B = IN 3 + 4 |
| SRC = ALL MODE = ST / MONO | OUT A = IN 1 + IN 2 OUT B = IN 3 + IN 4 |
To activate the phantom power to the microphones as needed, the PHANTOM IN 1&2 switch must be turned ON. In the same way, to activate the remote power supply to another GENIO unit, the REMOTE POWER switch must be turned ON.
OBSERVATIONS
Ground loops
It must be ensured at all times that the signal sources that reach the unit, as well as all the devices that are connected to its output, do not have the grounds interconnected, that is to say that the gounds never reach them by two or more different paths, since, in this way, buzzes could be produced that would even interfere with the quality of the sound reproduction.
The shields of the cables, if they are connected to a chassis, must never be connected to each other. This way we avoid the formation of ground loops.
Background noise
GENIO has been designed to obtain the lowest possible background noise. Regardless of the electronic design, the background noise will depend directly on the correct use nd installation of the unit.
Cleaning
The cover should not be cleaned with solvents or abrasive substances as there is a risk of damage to the screen printing. To clean it, use a cloth dampened with water and a neutral liquid detergent and then dry it with a clean cloth. Under no circumstances should water be allowed to enter through any of the holes in the appliance.
PACKAGE CONTENTS
- GENIO unit
- External power supply
- Accessory kit for rack or surface mounting
- Quick user guide and warranty card.
FUNCTION LIST
- Balanced mono input with Euroblock IN1 connector
- Balanced mono input with Combo IN1 connector
- Sensitivity switch (0,-20 and -40 dB) IN1
- Balanced mono input with Euroblock IN2 connector
- Balanced mono input with Combo IN2 connector
- Sensitivity switch (0,-20 and -40 dB) IN2
- Unbalanced stereo input with dual RCA connector
- Unbalanced stereo input with minijack connector
- Sensitivity switch (0,-20 and -40 dB) IN3 & 4
- Front power LED
- Safety flange for power cable
- Rear power LED
- External power supply connector
- PHANTOM INPUT 1&2 and REMOTE POWER switches
- TX output with RJ45 connector
- SRC switch
- MODE switch
- OUT A/B outputs with Euroblock connector
- RX input with RJ45 connector
- RX A/B outputs with Euroblock connector
FUNCTION DIAGRAM
BLOCKS DIAGRAM
TECHNICAL FEATURES
| GENIO | |
| Inputs | |
| INPUTS 1-2 Type Connectors Input Impedance Phantom power Sensitivity @ 0dBV out | Mono, balanced XLR combo + PHOENIX >4kΩ +18VDC (ON/OFF ext switch) -40/-20/0 dBV |
| INPUTS 3-4 Type Connectors Input Impedance Sensitivity @ 0dBV out | Stereo, unbalanced RCA, minijack 10 kΩ -40/-20/0 dBV |
| INPUTS RXA/RXB Type Connectors | Balanced, 0dBV RJ-45 RX port, PHOENIX |
| Outputs | |
| OUT A/B | |
| Type | Balanced |
| Connectors | PHOENIX |
| Output level | 0dBV |
| TX Port | |
| Connectors Audio out signals Remote Power Supply Output | RJ-45 OUT A/ OUT B 24VDC / 200mA max |
| RX Port | |
| Connectors | RJ-45 |
| Audio signals | RX A/ RX B |
| Remote Power Supply Output | 24VDC |
| Maximum distance TX-RX | 300m* |
| Mechanical | |
| Dimensions Weight | 200x44x130mm / 7,8”x1,7”x5,1” 0,75kg / 1,65 lb. |
| Power Supply | |
| External Power Supply | 24VDC |
| RX Port Power Supply | 24VDC |
| TX Port Power Supply enable | External dip switch |
| Power consumption | 4W |
- The distance depends on the cable path and its features (min. CAT5 cable or higher, AWG24/ AWG23/ AWG22 twisted pair cable section).
- All product characteristics are subject to variation due to production tolerances. NEEC AUDIO BARCELONA S.L. reserves the right to make changes or improvements in the design or manufacturing that may affect these product specifications
For technical queries contact your supplier, or distributor or complete the contact form on our website, in Support / Technical requests. - Motors, 166‐168 – 08038
- Barcelona ‐ Spain
- (+34) 932238403
- [email protected]
- www.ecler.com































