Felfil Evo Assembled

Product Information
The Felfil Evo Assembled is a plastic filament extruder that is capable of producing filaments for 3D printers using industrial pellets or plastic waste. It is suitable for domestic, research, or business use and has an input power of 12V and 180W. The extruder weighs 3.8Kg and is designed to be placed on a stable table for extrusion on the floor. It is equipped with an LCD panel, a temperature knob, and a screw rpm knob for easy operation.
Product Usage Instructions
- Warnings: Read the user manual carefully before using the Felfil Evo Assembled. Do not modify the device as it will result in the decay of the warranty. Only use the device with specified input power and keep it out of children’s reach. Do not use vinyl and PVC, and avoid eating or inhaling plastic pellets or extruded plastic.
- Connect the power supply: Plug the AC power cord into an electrical outlet and set the power switch to the [ I ] position.
- Drop: Place the Felfil Evo Assembled on a stable table and adjust the drop height according to the material being used. Typically, PLA requires a more constant diameter of filament, so adjust the drop height accordingly.
- Powering On: The Felfil Evo will display welcome text on the LCD panel. Set the temperature using the temperature knob and confirm by pressing it. Wait until it reaches the set temperature. Then set the screw rpm using the screw rpm knob and confirm by pressing it.
Follow these instructions carefully to ensure optimal extrusion results and to avoid any damage to the device or injury to yourself or others.
Thank you and congratulation for choosing the Felfil Evo Assembled.
Felfil Evo is a plastic filament extruder, able to produce filaments for 3D printers starting from industrial pellets or plastics wastes. In order to obtain optimal extrusion resutls, please follow the details of the complete project. This guide is designed to allow you a good experience with Felfil Evo Assembled, please read this manual in all its parts before connecting and operating. Felfil Evo is suitable for domestic, research or business use; is wary of improper use.
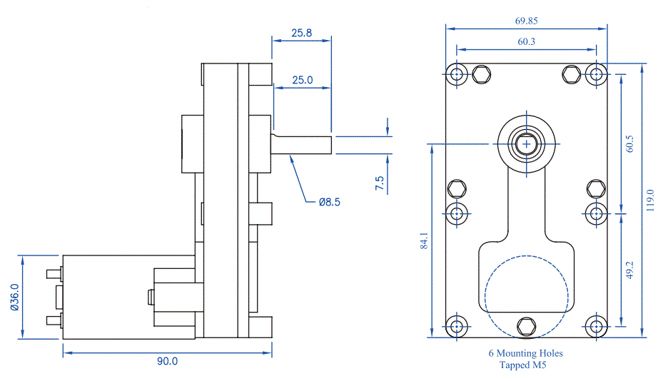
Dimension

- electrical input: 12V
- power usage: 180W
- weight: 3,8Kg
- temperature: max 250°C
- gearmotor: up to 9 rpm
Precautions
Warnings
Felfil S.r.l. does not assume responsibility and expressly disclaim liability for loss, injuries, damage, or expense arising out of or in any way connected with the assembly, handling, storage, wrong use or disposal of the product. Please, read this document before use Felfil Evo. Any kind of modification will be at your own risk, and will result in the decay of the warranty. Felfil S.r.l. does not take any responsibility for damage occurred to people or object, caused by such modifications or improper uses.
- Do not use vinyl and PVC, they will produce toxic emissions.
- Do not eat or inhale neither the plastic pellets nor the extruded plastic.
- Do not use the extruder if any parts are missing or damaged. If you notice any damage to the unit, unplug the device immediately and contact the Felfil team for guidance.
Use the device only with specified input power. Using the device with any other input power is likely to damage the electrical and/or electronic parts of the device. Remind to keep the equipment out of children’s reach. Use this device only to extrude plastic filament for 3D printing. No other use has been tested.
Caution
- Do not insert screws, nuts or materials unsuitable for extrusion in the catchment area.
- Do not insert your fingers in the feeding windows of the plasticizing screw located on the upper side of the pipe.
- Do not insert water in the extruder.
- Do not touch pipe, nozzle and resistor when the extruder is switched on, it may hurt you.
- Do not hit the extruder and its accessories or you could damage the extruder.
- Please, never try to extrude a plastic unless you are absolutely certain you know what type it is.
- Some polymers can undergo thermal decomposition resulting in potentially toxic fumes. So always use the Felfil Evo in a well ventilated area, or inprecence of a suction hood (not your bedroom or inside your house), and understand the thermal decomposition properties of the polymer you are extruding.
- Be sure to check in on it periodically.
The Felfil Evo Complete Kit is a first-generation, experimental piece of hardware. Treat it as such. Basically, use common sense. If you have questions, write us at [email protected]
Connection
Connect the power supply

- In order to obtain the best quality filament, Felfil Evo is designed to be placed on a common and stable table and to extrude on the floor.
- The height of extrusion is called drop, and tipically is about 80cm.
- Moreover, with some materials, will be useful to reduce or to increase the drop in order to obtain more constant diameter of the filament; typically PLA need this treatment.

- So, if your filament is quite inconstant, or get stretched too much, try to reduce or increase this value.
Powering On
- Plug the AC power cord into an electrical outlet.
- Set the power switch to the [ I ] position

- The Felfil Evo will display welcome text on the LCD panel. This is the beginning of the script that will guide you through the extrusion.

- In the first step you can set the temperature turning the knob E6.
- Then press the knob to confirm.

- Then press the knob to confirm.
- Felfil Evo is heating, wait untill it reaches the setted temperature

- Now you can set the screw rpm. Press the knob to confim
- This is the user interface when Felfil Evo is running.
- The LCD contains all information about the extruding.

- The LCD contains all information about the extruding.
- When the sceen below appears, it’s because Felfil Evo goes on protection mode. This usually occours when the engine torque is too high, in order to avoid failure for engine and mechanics.
- Usually this is due to a too low temperature in the melting chamber, or a too high speed of extrusion.
- However when the block occurs, please set the temperature to 200°C, and wait about 20 minutes, to be sure that the material in the chamber is properly melted.

- Press the knob, and you will be able to restart the process from “set tempereture”.
Usage
Usage
For a correct usage of Felfil Evo Complete Kit please follow these suggestions:
- Place it on a flat and stable surface before operating (a table is quite good);
- Do not place anything near Felfil Evo, it requires unrestricted airflow, for cooling, proper operation and to protect the electronic components from overheating;
- The extruding screw must turn clockwise.
The first meters of filament will be dirty, and may have some metal shavings in it. Do not use this filament in your 3D printer. Extrude all the pellets that were in the hopper, if filament still looks dirty after this step, extrude more pellets to further clean the system.
Please pay attention
- If the nozzle is not correctly tightened, plastic may exit, producing smell.
- If you recognise smell of burning plastic, immediately stop extrusion, open Felfil Evo and check that everything is ok.
- If the cartridge heater seems to be ruined, please substitute with a brand new one, in order to avoid any potential short-circuit.
- If you have any problems using Felfil Evo filament extruder, contact [email protected].
Maintenance
- Felfil Evo needs some occasional maintenance: when you have finished to extrude, empty the hopper leaving the filament extruder running for few minutes.
- Use always gloves while working on still hot components.
- Remove the three nozzle screws only when these are cold.
Polymers Guide
In this section you can find some information about the plastic. When using commercial pellets, rely on the maker’s identification of the type of plastic. When using recycled plastic, check the markings on the item(s) to determine which type of plastic you are using. Do not mix types of plastic, as this may affect processing times, both in the extruder and in the printer. The following is a table of general processing temperatures. Notice that the processing temperature may not be the same as the melt temperature. Temperatures will vary based on: humidity, ambient temperature and chemical composition of the polymers.
| MFR | Density [g/cm3] | T [°C] | Speed [rpm] | |
| PLA | 6 | 1,3 | 180 (+/-10) | 5 |
| ABS | 19 | 1,04 | 200 (+/-10) | 6 |
| HIPS | 4 | 1.04 | 180 (+/-10) | 6 |
| TPU | – | 1,22 | 190 (+/-10) | 8 |
| T45 (pc+abs) | 4 | – | 180 (+/-10) | 6 |
NOTE: The temperature ranges in the chart are approximate. It will require some trial and error to determine the right processing temperatures. Keep notes of actual temperature settings with different types of plastics, along with other operational notes, to develop a procedure that works well in your situation.
Gearmotor Specs

TECHNICAL DATA
- Motor Type: 555 Series
- Voltage: 12v DC
- Motor Resistance at 21 ‘C: 2 Ohms
- Input Power at 12v DC: 3.20 Watts
- Nominal Current at 12v DC: 0.300 Amps
- Stall Current at 12v DC: 2.191 Amps
- Output torque at 12v DC: 23Nm
- Thermal Protection: No Thermal Protection
- Duty Cycle: Continuous
- No Load Speed at 12v DC: 8rpm.
- Output Shaft Rotation when viewed from front: CW/CCW.
- Temp Heat Rise: 21 ‘C – 65’C / 5hrs
Contacts
Marking
- Felfil Evo is a product complying with the 2014/30 EU Directive and the Harmonized Standard EN 61326-1: 2013.
- On its case is reported the serial number of the product #EBxxxx along with CE and RAEE marks.
Felfil s.r.l.
- VAT number: 11482100010
- Corso Castelfidardo 30/A, 10129 Torino, Italy
- [email protected]
- Please be sure to download always the latest version of this manual from: felfil.com
- Manual revision: 1.0
- Last revision date: 24 october 2017


























