Tooluck 17E Safety Box 
OPERATING INSTRUCTION
CAUTION: Do not keep the keys in the safe itself!
OPENING THE SAFE
To open the safe first time, remove the small plastic cover (“B”, see diagram 1) on the front panel, insert the key into the keyhole and turn it counter-clockwise direction, at the same time, turn the doorknob (“A”, see diagram 1) clockwise direction to open the safe.
- Diagram 1

INSTALLING THE BATTERIES
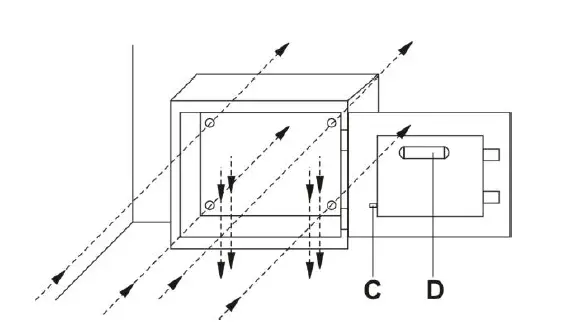
- The safe requires 4×size “AA” (1.5V) batteries.
- Open the safe, push the battery cover plate “D” (see diagram 2) on the back of the door and install the batteries.
- Ensuring the batteries are fitted with the correct corresponding polarity.
- Use of alkaline batteries is recommended.
PROGRAMMING THE CODE
- With the safe door open, press the red button “C” (see diagram 2) on the back of the door near the hinge, release it and you will hear two beeps. The yellow light will be on at the same time.
- Now press from 3 to 8 numbers that you wish to use as a combination, and confirm by pressing the letter “E” within 15 seconds. The safe
“bleeps” twice and the yellow light will go off, your personal code is now set. - Write down your new combination immediately and check whether your new combination has been programmed or not on conditions of the safe door open.
USING YOUR SAFE
- To open the safe, enter your personal code followed by the letter “E”, you will hear a beep and the green light will be on, then turn the doorknob in clockwise direction to open the door within 5 seconds.
- If you or an intruder uses the incorrect group of numbers, it will not open. If the incorrect combination is used 3 times consecutively, you must wait for 20 seconds before reattempting.
- If again the incorrect combination is selected 3 times, you must wait approximately 5 minutes before reattempting access.
BATTERY REPLACEMENT WARNING
If the batteries are low, the red light (in the middle of the number panel) will warn you immediately. To test the batteries, just input your personal numbers to open the door. If the batteries are low, the red light will be on. If nothing happens, it means that the batteries are in order.
REPLACING THE BATTERIES
- The safe requires 4×size “AA” (1.5V) batteries.
- Open the safe, push the battery cover plate “D” (see diagram 2) on the back of the door and replace the 4 PCS old batteries.
- You must reprogram the code, using the above third step.
- The use of alkaline batteries is recommended.
OVERRIDE INSTRUCTION TO OPEN THE SAFE
For your convenience, we have engineered a manual override system for your safety. If you forget or misplace your combination, remove the small central plate on the front panel ( “B”, see diagram 1), insert the key into the keyhole and turn it in a counter-clockwise direction, then turn the knob (“A”, see in diagram 1) in a clockwise direction towards the right. This will manually open your safe at any time.
INSTALLING THE SAFE
To reduce the risk of theft of the safe, it can be secured to the floor, wall, or in a cupboard. For your convenience, there are holes (diameter 8mm) on the back and in the bottom; therefore it can be fixed by the expansion bolts.
CAUTION: The safe should be placed vertically when installing the safe.
Please refer to diagram 2 for reference:




















