Submittal Data Information
Low Water Cutoff
101-081
Supersedes: 10/01/17
Job:………………………………………………………
Engineer:……………………………………………..
Contractor:………………………………………….
Rep:…………………………………………………..
| ITEM NO. | MODEL NO. | |
Listings/Approvals
UL GUIDE (MBPR) for Limit Controls per UL Standard 353 Limit Controls
UL GUIDE (MBPR7) Controls, Limit Certified for Canada CSA Standard C22.2
UL GUIDE (MCUR2) for Electrode Assemblies – Component (remote probes)
FM Approved (LF only)
Fully compliant with CSD-1 requirements
Material of Construction
LTA-2 and LF Control Unit: NEMA Type 1(For indoor use only). Formed sheet metal with powder coat/plated finish enclosure, knock-outs for 1/2” conduit fittings.
LTR Unit: UL 94 V0 rated engineered plastic enclosure Remote Probe: NEMA Type 4. Drawn sheet metal with powder coat/plated finish enclosure. Opening for 1/2” conduit fitting.
All models are not for use in hazardous locations
Performance Data
| Category | LF Model | LTA-2 Model | LTR Model |
| Maximum Pressures Steam | 250 psi (17.6 kg/cm=) | NA | N/A |
| Maximum Pressures Hot Water | 250 psi (17.6 kg/cm?) @250°F (121°C) | 250 psi (17.6 kg/cm’) @250°F (121°C) | 160 psi (11.2 kg/cm) @ 250°F (121°C) |
| Maximum Ambient Temp. | 150°F (66°C) | 150°F (66°C) | 120°F (49°C) |
| Delays | Automatic | N/A | N/A |
| Probe Sensitivity | 20K Ohms, extended operation to 40K Ohms | 20K Ohms, extended operation to 40K Ohms | 20K Ohms, extended operation to 40K Ohms |
| Control Power Consumption | 3VA @ 120VAC, 3VA @ 24VAC | 2.8VA @ 120VAC, 2.8VA @ 24VAC | 1.5VA @ 24VAC |
| Input Supply Voltage | 120VAC, 24VAC* | 120VAC, 24VAC* | 24VAC* |
*24VAC supplied by a Class 2 power source
Model LF Dimensions

Model LTA-2 Dimensions
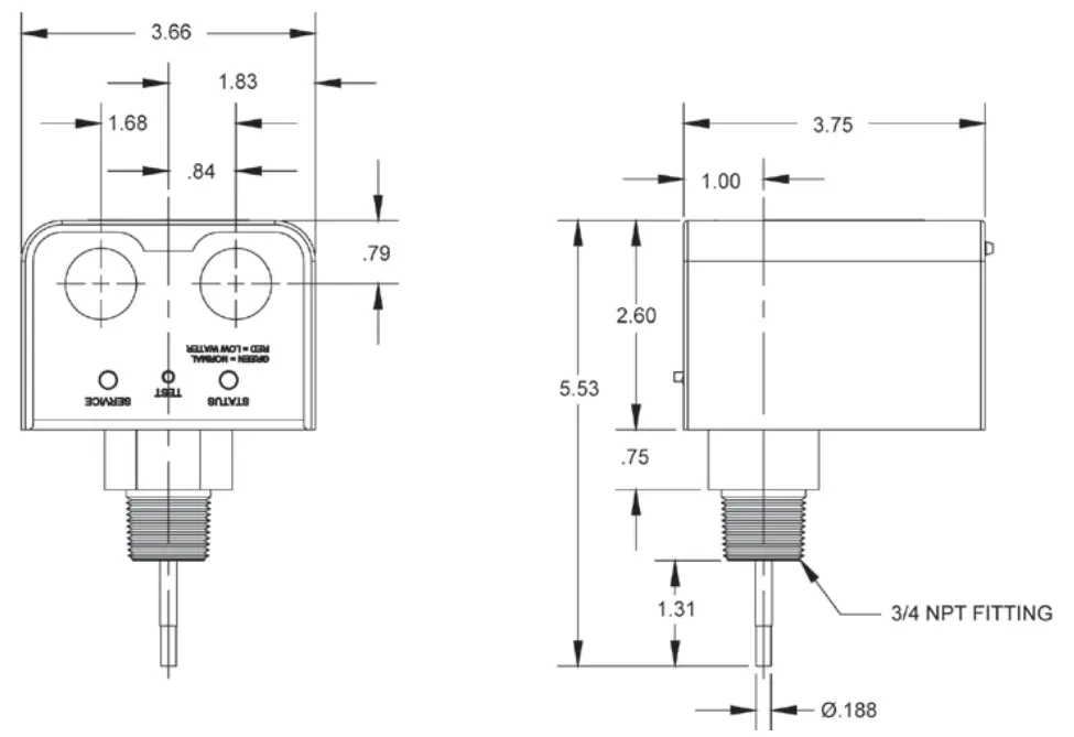
Model LTR Dimensions
Remote Probe Dimensions
A Taco Family Company
Taco, Inc., 1160 Cranston Street, Cranston, RI02920 | Tel: (401) 942-8000 | FAX: (401) 942-2360
Taco (Canada), Ltd., 8450 Lawson Road, Suite #3, Milton, Ontario L9T 0J8 =
Tel: (905) 564-9422 | FAX: (905) 564-9436
Visit our web site: www.TacoComfort.com ©2022 Taco, Inc.![]()




















