VIESSMANN 7560749 Common Low Water Cutoff Device Interface

Safety And Installation Requirements
Please ensure that these instructions are read and understood before starting any service work. Failure to comply with these instructions may cause product/ property damage, severe personal injury and/or loss of life.
Working on the equipment
The installation, adjustment, service and maintenance of this product must be performed by a licensed professional heating contractor who is qualified and experienced in the installation, service, and maintenance of hot water boilers. There are no user serviceable parts on the boiler, burner or control.
Ensure that main power to the equipment being serviced is off.
Ensure that the main fuel supply valve to the boiler is closed.
Take precautions to avoid accidental activation of power or fuel during service work.
Do not perform service work on any component part without ensuring safe operation of the heating system. When replacing parts, use original Viessmann or Viessmann approved replacement parts.
Refer to the Installation Instructions applicable to this boiler.
About These Instructions
Take note of all symbols and notations intended to draw attention to potential hazards or important product information. These include “WARNING”, “CAUTION”, and “IMPORTANT”. See below.
WARNING
Indicates an imminently hazardous situation which, if not avoided, could result in loss of life, serious injury or substantial product/property damage.
- Warnings draw your attention to the presence of potential hazards or important product information
CAUTION
Indicates an imminently hazardous situation which, if not avoided, may result in minor injury or product/ property damage.
- Cautions draw your attention to the presence of potential hazards or important product information.
IMPORTANT
- Helpful hints for installation, operation or maintenance which pertain to the product.
Important Regulatory and Installation Requirements
Codes
The installation of this unit must be in accordance with local codes. All electrical wiring is to be done in accordance with the latest edition of CSA C22,1 Part 1 and/or local codes. In the U.S. use the National Electrical Code ANSI/NFPA 70. The heating contractor must comply with the Standard of Controls and Safety Devices for Automatically fired Boilers, ANSI/ASME CSD-1 where required by the authority having jurisdiction.
Working on the equipment
The installation, adjustment, service and maintenance of this unit must be done by a licensed professional heating contractor who is qualified and experienced in the installation, service, and maintenance of hot water heating boilers. There are no user serviceable parts on the boilers or control.
Power supply
Install power supply in accordance with the regulation of the authorities having jurisdiction or in absence of such requirements, in accordance with National Codes. Viessmann recommends the installation of a disconnect switch in the 120VAC power supply outside of the boiler room.
- Please carefully read this manual prior to attempting installation, Any warranty is null and void if these instructions are not followed. For information regarding other System Technology componentry, please reference documentation of the respective product.
We offer frequent installation and service seminars to familiarize our partners with our products. Please inquire. - he completeness and functionality of field supplied electrical controls and components must be verified by the heating contractor. These include low-water cut-offs, flow switches (if used), staging controls, pumps motorized valves, air vents, thermostats, etc.
WARNING
More than one live circuit. See wiring diagram in this manual. Turn off power supply to control and damper/ blower before servicing. Contact with live electrical components can result in serious injury or death.
Purpose of Device
The propose of this unit is to interconnect the individual manifold mounted boiler and a common low water cutoff device interface.
IMPORTANT
Refer to the applicable Vitodens 200-W manuals for specific information.
Installation and Operating
Common Low Water Cutoff Device Interface Connection
WARNING
There is more than one live circuit. See boiler wiring diagram in this manual. Turn off power supply to control LWCO and common LWCO device interface before servicing. Contact with live electrical components can result in serious injury or loss of life.
CAUTION
When making connections with individual boilers, ensure the power is turned off at the boiler control.
IMPORTANT
Refer to local codes and/or regulations with respect to providing electrical disconnect for the low water cutoff, and LWCO device interface.
Installation
- Mount the common low water cutoff device interface in a common area to the boilers.
- The interface device requires 120/1/60 12A external power supply. Connect the incoming 120VAC to the three pole terminal strip located on the PCB. The junction box is equipped with knockouts to allow BX and conduit connections.
- Refer to the low water cutoff documentation to ensure the correctly sized fuse is selected during installation.
- Provide disconnect means and over-current protection as required by code requirements.

IMPORTANT
Refer to the common low water cutoff device manual for current rating to properly size the fuse.
IMPORTANT
Once installation has been completed, ensure all connected components are tested for proper operation and functionality.
Low water cutoff device connection
Specifications:
- Rated Voltage: 120VAC
- Current Rating: 5A maximum
- Low water cutoff device connection.
Legend
- A Common low water cutoff device interface
- B Low water cutoff

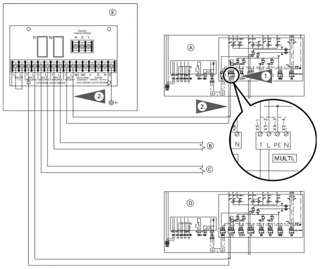
Common Low Water Cutoff Device Interface Connection (for B2HA/B 1-4 Boilers)
IMPORTANT
Once installation has been completed, ensure all connected components are tested for proper operation and functionality.
IMPORTANT
Refer to applicable Vitodens 200-W manuals for detailed operating information.
IMPORTANT
Multi terminal in boiler electrical junction box is 120VAC.
Boiler interconnections
The drawing below shows interconnections between common low water cutoff device interface and the individual boilers.
- Remove jumper installed at the connection terminal 1 and L of the boiler.
- Connect the multi terminal of the common Low Water cutoff device interface to the multi connection of the individual boiler terminals 1 and L. Terminals 1 and L cannot be interchanged.
Note: All cables and wires are field supplied.
Legend
- A Connection to B2HA/B boiler 1 Electrical Junction Box
- B Connection to B2HA/B boiler 2 Electrical Junction Box
- C Connection to B2HA/B boiler 3 Electrical Junction Box
- D Connection to B2HA/B boiler 4 Electrical Junction Box
- E Common low water cutoff device interface

IMPORTANT
Once installation has been completed, ensure all connected components are tested for proper operation and functionality.
IMPORTANT
Refer to applicable Vitodens 200-W manuals for detailed operating information.
IMPORTANT
Multi terminal in boiler electrical junction box is 120VAC.
Boiler interconnections
The drawing below shows interconnections between common low water cutoff device interface and the individual boilers.
- Connect the multi terminal of the common Low Water cutoff device interface to the ZI1 connection of the individual boilers.
Note: All cables and wires are field supplied.
Legend
- A Connection to B2HE boiler 1 (MZIO)
- B Connection to B2HE boiler 2 (MZIO)
- C Connection to B2HE boiler 3 (MZIO)
- D Connection to B2HE boiler 4 (MZIO)
- E Common low water cutoff device interface

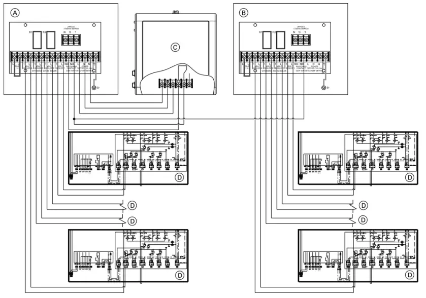
Connecting Two Common Low Water Cutoff Device Interface
Interface Interconnections
The drawing shows interconnections between two common low water cutoff device interface used when connecting common low water cutoff device interface for 5 to 8 boilers.
- Follow the connection instructions for the common low water cutoff device interface shown on pages 3 and 4. These connections are made to the primary common low water cutoff device interface only.
- Connect the ‘NO’ switching contact terminal (closest to the low water cutoff device power supply) from the primary common low water cutoff device interface to the ‘NO’ switching contact terminal (closest to the low water cutoff device power supply) of the secondary common low water cutoff device interface (as shown).
- Connect the ‘N’ (neutral) power supply terminal from the primary common low water cutoff device interface to the ‘N’ (neutral) power supply terminal of the secondary common low water cutoff device interface (as shown).
Legend
- A Primary common low water cutoff device interface
- B Secondary common low water cutoff device interface
- C Low water cutoff device (typical)

Common Low Water Cutoff Device Interface Connections (for B2HA/B 5-8 Boilers)
IMPORTANT
Once installation has been completed, ensure all connected components are tested for proper operation and functionality.
Boiler connections
This drawing shows interconnections between common low water cutoff device interface and the individual boiler control electrical connection boxes.
Legend
- A Primary common low water cutoff device interface
- B Secondary common low water cutoff device interface
- C Low water cutoff device
- D Vitodens 200-W B2HA/B boilers installed on a low loss distribution manifold
Note: Interconnections are field supplied wiring. No factory supplied harness is available.
Common Low Water Cutoff Device Interface Connections (for B2HE 5-8 Boilers)
IMPORTANT
Once installation has been completed, ensure all connected components are tested for proper operation and functionality.
Boiler connections
This drawing shows interconnections between common low water cutoff device interface and the individual boiler control electrical connection boxes.
Legend
- A Primary common low water cutoff device interface
- B Secondary common low water cutoff device interface
- C Low water cutoff device
- D Vitodens 200-W B2HE boilers installed on a low loss distribution manifold
Note: Interconnections are field supplied wiring. No factory supplied harness is available.
Common Low Water Cutoff with Boiler Low Gas Pressure Switch (B2HA/B)
IMPORTANT
Once installation has been completed, ensure all connected components are tested for proper operation and functionality.
IMPORTANT
Refer to applicable Vitodens 200-W manuals for detailed operating information.
IMPORTANT
Multi terminal in boiler electrical junction box is 120VAC.
Boiler interconnections
The drawing below shows interconnections between common low water cutoff device interface and the individual Vitodens 200-W B2HA/B series boilers, when the boiler is equipped with a low gas pressure switch.
- Install the low gas pressure switch in series with the common low water cutoff on the ‘L’ terminal, repeat for all boilers connected to the common low water cutoff.
Note: All cables and wires are field supplied.
Legend
- A Connection to B2HA/B boiler 1
- B Connection to B2HA/B boiler 2
- C Connection to B2HA/B boiler 3
- D Connection to B2HA/B boiler 4
- E Common low water cutoff device interface
- F Low gas pressure switch
- G Boiler junction box
- H Low water cutoff

Operating
Sequence of Operation (B2HA/B)
- Upon low water condition the switching contact in the low water cutoff device will break contact opening the NO/NO contacts, this will break the 1/L contacts to each of the boilers connected to the common LWCO device interface causing a shut down of the boiler.
IMPORTANT
Opening of the “NO” connection at common low water cutoff device interface or opening of the 1/L connection of the individual boiler will cause the boiler to shut down. - During low water, the condition the boilers will not display a Fault code. Access coding level 2, enter the ‘Boiler’ submenu and scroll to coding address 38. If coding address 38:29 is displayed, reset the LWCO.
For details on accessing coding levels, refer to Vitodens Service Instructions
To restart the boiler, reset the LWCO. Return to the home screen and access coding level 2, enter the ‘Boiler’ submenu and scroll to coding address 38. Coding address 38 should now display 38:0. If coding address 38:29 continues to be displayed, verify the low water condition has been rectified. - Once the low water condition has been rectified, the NO/NO contacts will close, closing the 1/L contacts to the individual boilers. Boilers will resume normal operation.
IMPORTANT
Once installation has been completed, ensure all connected components are tested for proper operation and functionality.
For testing procedure refer to the installation instructions of the LWCO
Sequence of Operation (B2HE)
- Upon low water condition the switching contact in the low water cutoff device will break contact opening the NO/NO contacts, this will break the low water cutoff signal to each of the boilers connected to the common LWCO device interface causing a shut down of the boiler.
IMPORTANT
Opening of the “NO” connection at common low water cutoff device interface will cause the boiler to shut down. - During low water, condition the boilers will display a Fault code.
For details on accessing coding levels, refer to Vitodens Service Instructions - Once the low water condition has been rectified, the NO/NO contacts will close, low water cutoff signal to the individual boilers. Boilers will resume normal operation and the fault display will terminate.
IMPORTANT
Once installation has been completed, ensure all connected components are tested for proper operation and functionality.
For testing procedure refer to the installation instructions of the LWCO
Customer Support
Viessmann Manufacturing Company Inc.
750 McMurray Road
Waterloo, Ontario • N2V 2G5 • Canada
Techlnfo Line 1-888-484-8643
1-800-387-7373 • Fax (519) 885-0887
www.viessmann.ca • [email protected]
Viessmann Manufacturing Company (U.S.) Inc.
45 Access Road
Warwick, Rhode Island • 02886 • USA
Techlnfo Line 1-888-484-8643
1-800-288-0667 • Fax (401) 732-0590
www.viessmann-us.com • [email protected]

























