
Installation & Operations Manual

Emergency Tower Phone
- 2100-TLL Landline 12v Tower
- 2100-TLC Cellular 12v Tower
- 2100-TLV VoIP 12v Tower
- 2100-TLW Wi-Fi VoIP 12v Tower

RP8500060
Ver. 9
04/21
Thank you for purchasing RATH’s 12v Tower Phone. We are the largest Emergency Communication Manufacturer in North America and have been in business for over 35 years.
We take great pride in our products, service, and support. Our Emergency Products are of the highest quality. Our experienced customer support teams are available to remotely assist with site preparation, installation, and maintenance. It is our sincere hope that your experience with us has and will continue to surpass your expectations.
Thank you for your business,
The RATH® Team
Description
Figure 1: Front & Back View

Features:
- ADA compliant (hands-free operation)
- LED call status indicator
- Powder-coated steel construction inside and out
- Aluminum access panels powder coated inside and out
- Weather and vandal resistant
- Blue beacon and strobe
- Strobe turns on upon phone activation
- Recessed illuminated faceplate
- Internal anchor base plate
- Ability to program up to 5 emergency numbers
- Remote or on-site programmable*
- Panels secured with security screws
- Torx bit provided to access panels
*Not applicable for Cellular applications
Tower Specifications:
| Height | 9’ |
| Width | 10-3/4” |
| Depth | 6” |
| Thickness of Steel | 11 Gauge |
| Weight | 167 lbs. |
Safety Guidelines
- Save these instructions. This manual contains important instructions that will assist you during installation and maintenance.
- Keep all the components secure and protected during storage.
- Be careful of finished surfaces during transport and installation to avoid damaging the finish.
- Installation and maintenance should only be performed by qualified electricians.
- It is recommended a minimum of 2 people perform the installation.
- Do not install phones during extreme weather conditions.
- Do not touch uninsulated phone wires or terminals unless the phone line has been disconnected at the network interface.
Tower Site Preparation Instructions
- The concrete mounting pad should be at least 16” in depth and 2’ in diameter.
- Insert the 3/4” x 12” galvanized rods per mounting template provided.
- A minimum of 2” of the thread must be exposed above the level of the concrete.
- Let the concrete set for a minimum of 48 hours to cure.
Items Needed for Installation
| • Concrete for 16” deep, 2’ diameter • RATH® Kit 7476* or 7477** • #1 Phillips screwdriver • 1/4” driver • Torx bit (provided to remove access panels) | • 1/4” spanner adapter (provided to remove access panels) • Adjustable wrench • Analog phone line (if using a Landline) • Phone cable (if using a Landline) |
| *7476 (For New Concrete) • (4) 3/4” x 12” galvanized anchor bolts • (12) 3/4” flat washers • (4) 3/4” hex nuts • (4) 3/4” SAE washers • (4) split lock washers | **7477 (For Existing Concrete) • (4) anchors • (4) 3/4” x 4” galvanized anchor bolts • (1) setting tool • (8) 3/4” flat washers • (4) split lock washers |
Tower Installation
- Lay Tower on its side with the base next to the concrete pad.
- Open lower Access Panel 2 on back of Tower (see Figure 1).
- Feed the electrical and phone wires in the conduit into the Tower base through the 4” hole.
- Align the Tower mounting holes with the four 3/4” galvanized rods and lift on to the concrete slab.
- Put a lock washer on each rod along with a nut and secure tightly.
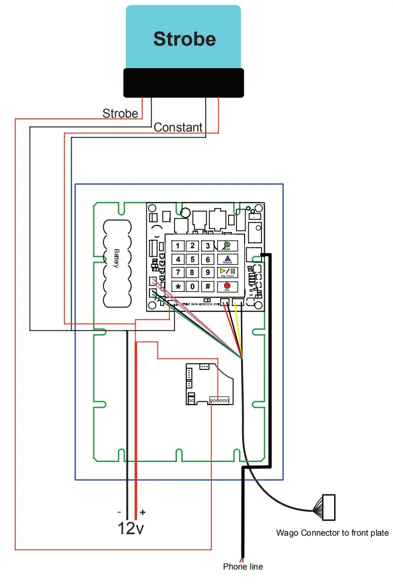
Connecting the Electric Lines:
- Locate the black (positive) and white (negative) wires that exit the NEMA 4 box behind the faceplate. (see Figure 1).
- Connect the electrical wires from the conduit to the wires in the Tower using the waterproof wire nuts located on the wires.
Connecting the Phone and Turning On the Electric Power:
- Locate the gray phone cable coming out of the NEMA 4 box behind the faceplate.
- If using an analog phone line for communication, connect tip and ring from phone line run through the conduit to red and green phone cable coming out of the NEMA 4 box.
Note: If using Cellular, phone line should already be connected within the Tower. - Turn on the electrical power.
Communication
Landline:
To connect your analog phone line to the Tower:
- Open Access Panel 1 (see Figure 1) using the Torx bit to remove the security screws.
- Locate the gray phone cable coming out of the NEMA 4 box.
- Connect the gray phone cable to the phone cable that was run through the conduit either by connecting the modular jack or the red and green wires.
LTE Cellular (Units Are Carrier Specific):
- Open the Cellular Gateway by unscrewing the screw on the left side of the front cover with a Phillips screwdriver and gently pull up on the left side.
- Insert standard size SIM card (25mm x 15mm) into J4 with the perforated edge first and the gold contact side facing downward. Push until you hear it click. If the SIM card does not click into place, the wrong size SIM card is being used.
Note: Do NOT use nano or micro size SIM cards with an adapter. The adapter edge can catch and cause permanent damage. - Wait for the LED lights to turn on. Check the SIM LED to make sure it is amber-colored. If it is flashing red, check that the SIM card has been inserted correctly and has an active 4G data/voice plan.
- A signal strength test is recommended. Check the signal strength by using the built-in network signal strength scanner. To use the scanner function, turn on SW1 dip switch 1 to ON (check that dipswitch 4 is also ON). When finished, turn SW1 dipswitch 1 back to “OFF”.

- The RUN LED should change color to flashing green when the main power connection is made. If you see any other color, please consult the LED indication chart below.

RUN LED FLASHES GREEN POWER SUPPLY IS OK BAT LED IS ALWAYS ON BATTERY IS OK SIM LED IS AMBER THE DEVICE IS CONNECTED TO THE NETWORK COVERAGE LED IS GREEN OR AMBER GOOD COVERAGE SLIC LED IS GREEN THE DEVICE IS ON STANDBY - Place the lid back on the top of the Cellular Gateway and fasten the lid with the screw.
VoIP & Wi-Fi VoIP: See additional manual.
Phone Programming
- You can program the phone on-site or remotely.
Note; Cellular applications cannot be remotely programmed.
- If programming on-site, remove the faceplate. Use the #10 spanner bit provided to remove the 6 security screws.
- Remove the cover of the NEMA 4 enclosure by loosening the 4 corner screws.
On-Site Programmincr
Step 1: To Begin Program Mode
- Press Enter
Step 2: To Program Emergency Numbers
- Press 1, Enter, (phone number), Stop
Note: Press 2-5 in step 2A for emergency numbers 2-5 as needed
Step 3: To Program Location Message
- To tum on message Press 1, 3, Enter, 2
- Press 6, Record (speak message) Stop (to replay message Press 6, Play)
- For no message Press 1, 3, Enter, 0
Step 4: To Program Auto Disconnect Time (Default is 5 minutes, the lowest interval is 1 minute) A. Press 8, Enter, (3 digit number in minutes)
Ex: 2 minutes = 002
Step 5: To Exit Program Mode
- Press Stop for 3 seconds
Remote Programming:
Step 1: To Begin Program Mode
- Call into the phone by dialing the number of the Tower
- After the first simulated ring, Press #, # (Wait for 4 tones)
- Key in security code (Default is 1111) (Wait for confirmation tones)
Step 2: To Program Emergency Numbers
- Press 1, *, (Phone number),’, # (Wait for confirmation tones)
Note: Emergency numbers (2-5) repeat step 2A pressing (2-5) as needed
Step 3: To Program Location Message
- To turn on the message press 1, 3, *, 2 (Wait for confirmation tones)
- Press 6, *, (Speak message) #, *, # (Wait for confirmation tones)
To replay the message Press 6, # (Wait for confirmation tones) - For NO message Press 1, 3, *, 0 (Wait for confirmation tones)
Step 4: To Program Auto Disconnect Time (Default is 5 minutes, the lowest interval is 1 minute) A. Press 8, *, (3 digit number in minutes)
Ex: 2 minutes – 002
Step 5: To Exit Program Mode
- Press*, #, 0 (You will hear a beep, beep)’, # (You will hear a buzz)
Phone Testing
Push the emergency button on the front of the Tower:
| Yes | No | |
| Did you hear a dial tone? | ||
| Did the strobe start flashing immediately after the button was pushed? | ||
| Did the red LED become a solid light when you pushed the button? | ||
| Did the red lead flash and approximately 15-20 seconds later the called party started talking to you? (Delay is due to the phone telling the other party your location via the “Location Message”) | ||
| Can you hear the other party clearly? (If not, see “Adjust Speaker” below) | ||
| Can the other party hear you clearly? (If not, see “Adjust Microphone” below) | ||
| When the party you called hangs up, does the strobe stop? | ||
| If you have answered YES to all questions, you have successfully installed and tested the phone. If you answer NO to any question, proceed to the Troubleshooting Section. |
*RATH® recommends the Tower be tested on a regular basis to ensure proper operation.
*RATH® recommends the 7.2-volt battery be replaced every 3 years (Part #: RP7300110).
Adjusting the Volume
If the volume is too low or high, adjust it by referring to the diagram and instructions below.
Note: Refer to the instructions under “Programming the Phone” to access the circuit board.
Adjusting the Microphone:
If the person you are calling reports your voice is not loud enough, increase the Microphone Sensitivity by adjusting VR2 a 1/4 turn clockwise (requires a small Phillips screwdriver).
Adjusting the Speaker:
If the voice of the person you call is not loud enough in the phone speaker, increase the volume by adjusting VR1 a 1/4 turn clockwise.
Troubleshooting
| Problem | Possible Cause & Solutions |
| No dial tone when the button is pushed: | · Check to make sure the phone line is connected to the SmartPhone board. · Verify dial tone and voltage on phone line going into the unit. |
| Audio is low from the speaker: | · Speaker control needs to be adjusted. Go to “Speaker Adjustment” on page 7. · Make sure the speaker holes are not blocked. |
| Audio is distorted from the speaker: | · Speaker control needs to be adjusted. Go to “Speaker Adjustment” on page 7. · Make sure there are no items touching the speaker inside the Tower. |
| When the called party hangs up, strobe continues to flash: | · Phone company or phone system is not providing a disconnect signal. Contact the appropriate party to make sure the disconnect signal is provided. |
| When the called party hangs up, a busy signal is heard through the speaker: | · Phone company or phone system is not providing a disconnect signal. · Operator needs to press •, # to disconnect the call. · Disconnect time on the phone needs to be lowered (see page 6). |
| The tower appears non-functional. Strobe does not flash and no audio is heard from the speaker when a button is pushed: | · Check to make sure the phone line is connected from the communication source. · Check electrical connections and 120v supply to transformer. · Push-button may be non-functional. |
| LED above push button comes on and goes off immediately: | · No dial tone or operating voltage from the communication source. · Remove the line from SmartPhone and connect to analog phone. Verify 2-way calling. |
Wiring




















