RATH 2100-CLL Landline 12v 36 Inch Emergency Call Station

Thank you for purchasing RATH’s Low Voltage Call Station. We are the largest Emergency Communication Manufacturer in North America and have been in business for over 35 years.
We take great pride in our products, service, and support. Our Emergency Products are of the highest quality. Our experienced customer support teams are available to remotely assist with site preparation, installation, and maintenance. It is our sincere hope that your experience with us has and will continue to surpass your expectations.
Thank you for your business,
The RATH® Team
Description
Figure 1: Front & Back View
Features
- ADA compliant (hands free operation)
- LED call status indicator
- Powder coated aluminum construction
- NEMA 4 enclosure for electronics
- Conduit holes for easy installation
- Security torx screws for internal access
- Weather and vandal resistant
- Blue beacon and strobe
- Strobe turns on upon phone activation
- Recessed illuminated face plate
- Ability to program up to 5 emergency numbers
- Remote or on-site programmable*
*Not applicable for Cellular applications
Call Station Specifications:
| Height | 36” |
| Width | 10” |
| Depth | 8” |
| Thickness of Aluminum* | 0.090” |
| Weight | 29 lbs. |
Stainless Steel Call Stations are 14 Gauge Steel
Safety Guidelines
- Save these instructions. This manual contains important instructions that will assist you during installation and with maintenance.
- Keep all the components secure and protected during storage.
- Be careful of finished surfaces during transport and installation to avoid damaging the finish.
- Installation and maintenance should only be performed by qualified electricians.
- It is recommended a minimum of 2 people perform installation.
- Do not install phone during extreme weather conditions.
- Do not touch uninsulated phone wires or terminals unless the phone line has been disconnected at the network interface.
- To comply with Americans with Disabilities Act (ADA) requirements, the Call Station must be mounted so that the push button is less than 48” above the ground.
Items Needed for Installation
| Item | Description |
| Wall Mounting Hardware | If Mounting to Wall |
| Pole Mount Bracket (Part # RP7700098A) | If Mounting to Pole |
| #1 Phillips Screwdriver | |
| Voltage Meter | |
| Security Torx Bit | Provided by RATH® |
| Adjustable Wrench | |
| 12v Power Source or POE | |
| Analog Phone Line | If Using Landline |
| Phone Cable | If Using Landline |
Installation
- Remove the 12 security screws from unit.
- Remove top cap from unit.
- Pull front assembly away from back unit.
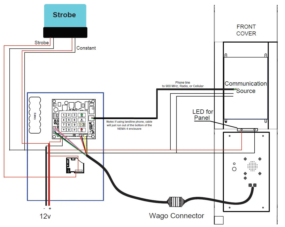
- Disconnect the gray Wago connector (see diagram on page 9).
- If wall mount, mount to wall.
- If pole mount, attach unit to pole using Pole Mounting Bracket (Part # RP7700098A).
- Connect the electrical conduit of the 12v power supply to the Call Station and run necessary wires.
- Connect 12v wiring to the Call Station power cable (see diagram on the last page).
- Turn on 12v power to the Call Station.
Once the electrical is “live”, the phone needs to be programmed and tested. Reconnect the Wago connectors that attach the front plate to the NEMA 4 box. If the phone will be programmed remotely, secure the front assembly to the back panel and reinstall the 12 screws to the sides of the unit. If the phone will be programmed on-site, proceed to the directions for “On-Site Programming”.
Communication
Landline:
To connect your analog phone line to the Emergency Call Station:
- Remove front Stainless Steel plate using the security torx bit to remove the 6 security screws.
- Locate the gray phone cable coming out of the NEMA 4 box.
- Connect the incoming phone line by connecting the tip and ring of the phone line to red and green of provided gray line cord.
LTE Cellular (Units Are Carrier Specific):
- Open the Cellular Gateway by unscrewing the screw on the left side of the front cover with a Phillips screwdriver and gently pull up on the left side.
- Insert standard size SIM card (25mm x 15mm) into J4 with the perforated edge first and the gold contact side facing downward. Push until you hear it click. If SIM card does not click into place, the wrong size SIM card is being used.
Note: Do NOT use a nano or micro size SIM card with an adapter. The adapter edge can catch and cause permanent damage. - Wait for the LED lights to turn on. Check the SIM LED to make sure it is amber colored. If it is flashing red, check that the SIM card has been inserted correctly and has an active 4G data/voice plan.
- A signal strength test is recommended. Check the signal strength by using the built-in network signal strength scanner. To use the scanner function, turn on SW1 dipswitch 1 to ON (check that dipswitch 4 is also ON). When finished, turn SW1 dipswitch 1 back to “OFF”.

- The RUN LED should change color to flashing green when the main power connection is made. If you see anyother color, please consult the LED indication chart below.

RUN LED FLASHES GREEN POWER SUPPLY IS OK BAT LED IS ALWAYS ON BATTERY IS OK SIM LED IS AMBER DEVICE IS CONNECTED TO THE NETWORK COVERAGE LED IS GREEN OR AMBER GOOD COVERAGE SLIC LED IS GREEN DEVICE IS IN STANDBY - Place the lid back on the top of the Cellular Gateway and fasten the lid with the screw.
VoIP & Wi-Fi VoIP:
See additional manual.
Phone Programming
- You can program the phone on-site or remotely.
Note: Cellular applications cannot be remotely programmed. - If programming on-site, remove 12 security screws from unit, remove top cap, and pull front assembly away from back unit.
- Remove the cover of the NEMA 4 enclosure by loosening the 4 corner screws.
On-Site Programming:
- Step 1: To Begin Program Mode
A. Press Enter - Step 2: To Program Emergency Numbers
A. Press 1, Enter, (phone number), Stop
Note: Press 2-5 in step 2A for emergency numbers 2-5 as needed - Step 3: To Program Location Message
A. To turn on message Press 1, 3, Enter, 2
B. Press 6, Record (speak message) Stop (to replay message Press 6, Play)
C. For no message Press 1, 3, Enter, 0 - Step 4: To Program Auto Disconnect Time (Default is 5 minutes, lowest interval is 1 minute)
A. Press 8, Enter, (3 digit number in minutes)
Ex: 2 minutes = 002 - Step 5: To Exit Program Mode
A. Press Stop for 3 seconds
Remote Programming
- Step 1: To Begin Program Mode
A. Call into phone by dialing the number of the Call Station
B. After first simulated ring, Press #, # (Wait for 4 tones)
C. Key in security code (Default is 1111) (Wait for confirmation tones) - Step 2: To Program Emergency Numbers
A. Press 1, *, (Phone number), *, # (Wait for confirmation tones)
Note: Emergency numbers (2-5) repeat step 2A pressing (2-5) as needed - Step 3: To Program Location Message
A. To turn on message press 1, 3, *, 2 (Wait for confirmation tones)
B. Press 6, *, (Speak message) #, *, # (Wait for confirmation tones)
i. To replay message Press 6, # (Wait for confirmation tones)
C. For NO message Press 1, 3, *, 0 (Wait for confirmation tones) - Step 4: To Program Auto Disconnect Time (Default is 5 minutes, lowest interval is 1 minute)
A. Press 8, *, (3 digit number in minutes)
Ex: 2 minutes = 002 - Step 5: To Exit Program Mode
A. Press *, #, 0 (You will hear a beep, beep) *, # (You will hear a buzz)
Phone Testing
Push the emergency button on the front of the Call Station: Yes No
| Did you hear a dial tone? | ||
| Did the strobe start flashing immediately after the button was pushed? | ||
| Did the red LED become a solid light when you pushed the button? | ||
| Did the red LED flash and approximately 15-20 seconds later the called party started talking to you? (Delay is due to the phone telling the other party your location via the “Location Message”) | ||
| Can you hear the other party clearly? (If not, see “Adjust Speaker” below) | ||
| Can the other party hear you clearly? (If not, see “Adjust Microphone” below) | ||
| When the party you called hangs up, does the strobe stop? | ||
| If you have answered YES to all questions, you have successfully installed and tested the phone. If you answer NO to any question, proceed to the Troubleshooting Section. |
*RATH® recommends the Call Station be tested on a regular basis to ensure proper operation.
Adjusting the Volume
If the volume is too low or high, adjust it by referring to the diagram and instructions below.
Note: Refer to the instructions under “Programming the Phone” to access the circuit board. Reinstall the cover on the NEMA 4 enclosure and close the Call Station when finished.
Adjusting the Microphone:
If the person you are calling reports your voice is not loud enough, increase the Microphone Sensitivity by adjusting VR2 a 1/4 turn clockwise (requires a small Phillips screwdriver).
Adjusting the Speaker:
If the voice of the person you call is not loud enough in the phone speaker, increase the volume by adjusting VR1 a 1/4 turn clockwise.
Troubleshooting
| Problem | Possible Cause & Solutions |
| No dial tone when the button is pushed: | • Check to make sure the phone line is connected to SmartPhone board. • Verify dial tone and voltage on phone line going into unit. |
| Audio is low from the speaker: | • Speaker control needs to be adjusted. Go to “Speaker Adjustment” on page 7. • Make sure the speaker holes are not blocked. |
| Audio is distorted from the speaker: | • Speaker control needs to be adjusted. Go to “Speaker Adjustment” on page 7. • Make sure there are no items touching the speaker inside of the Call Station. |
| When the called party hangs up, strobe continues to flash: | • Phone company or phone system is not providing a disconnect signal. Contact the appropriate party to make sure the disconnect signal is provided. |
| When the called party hangs up, busy signal is heard through speaker: | • Phone company or phone system is not providing a disconnect signal. • Operator needs to press *, # to disconnect the call. • Disconnect time on phone needs to be lowered (see page 6). |
| Call Station appears non-functional. Strobe does not flash and no audio is heard from the speaker when button is pushed: | • Check to make sure the phone line is connected from the communication source. • Check electrical connections and 120v supply to transformer. • Push button may be non-functional. |
| LED above push button comes on and goes off immediately: | • No dial tone or operating voltage from communication source. • Remove line from SmartPhone and connect to analog phone. Verify 2-way calling. |






















