
Installation & Operations Manual

36” Emergency Call Station
- 2100-CSL Landline Solar Call Station
- 2100-CSC Cellular Solar Call Station
- 2100-CSV VoIP Solar Call Station
- 2100-CSW Wi-Fi VoIP Solar Call Station

RP8500CS
Ver. 7
04/21
Thank you for purchasing RATH’s Solar Call Station. We are the largest Emergency Communication Manufacturer in North America and have been in business for over 35 years.
We take great pride in our products, service, and support. Our Emergency Products are of the highest quality. Our experienced customer support teams are available to remotely assist with site preparation, installation, and maintenance. It is our sincere hope that your experience with us has and will continue to surpass your expectations.
Thank you for your business,
The RATH® Team
Description
Figure 1: Front & Back View

Features:
- ADA compliant (hands-free operation)
- LED call status indicator
- Powder-coated aluminum construction
- NEMA 4 enclosure for electronics
- Conduit holes for easy installation
- Security Torx screws for internal access
- Weather and vandal resistant
- Blue beacon and strobe
- Strobe turns on upon phone activation
- Recessed illuminated faceplate
- 85 Watt or 145 Watt solar panel
- Ability to program up to 5 emergency numbers
- Remote or on-site programmable*
*Not applicable for Cellular
Call Station Specifications:
| Height | 36” (without solar panel) |
| Width | 10” |
| Depth | 8” |
| The thickness of Aluminum* | 0.090” |
| Weight | 29 lbs. |
*Stainless Steel Call Stations are 14 Gauge Steel
Safety Guidelines
- Save these instructions. This manual contains important instructions that will assist you during installation and maintenance.
- Keep all the components secure and protected during storage.
- Be careful of finished surfaces during transport and installation to avoid damaging the finish.
- Installation and maintenance should only be performed by qualified electricians.
- It is recommended a minimum of 2 people perform the installation.
- Do not install phones during extreme weather conditions.
- Do not touch uninsulated phone wires or terminals unless the phone line has been disconnected at the network interface.
- To comply with Americans with Disabilities Act (ADA) requirements, the Call Station must be mounted so that the push button is less than 48” above the ground.
Items Needed for Installation
| Item | Description |
| Wall Mounting Hardware | If Mounting to Wall |
| Pole Mount Bracket (RP7700098A) | If Mounting to Pole |
| #1 Phillips Screwdriver | |
| Voltage Meter | |
| Security Torx Bit | Provided by RATH® |
| Adjustable Wrench | |
| 120v Power Source | |
| Analog Phone Line | If Using Landline |
| Phone Cable | If Using Landline |
Call Station Installation
- Remove 12 security screws from the unit.
- Remove top cap from the unit.
- Pull front assembly away from the back unit.
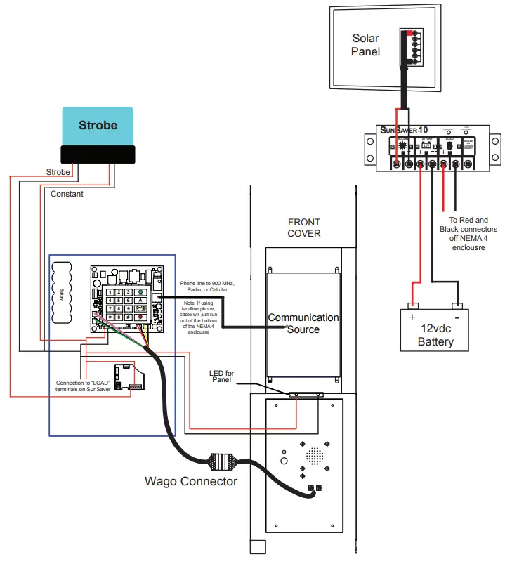
- Disconnect the gray Wago connector (see diagram on page 11).
- If wall mount, mount to the wall.
- If pole mount, attach the unit to pole using Pole Mounting Bracket (Part # RP7700098A).
- Connect the electrical conduit of the 110vac bolt supply to the Call Station and run the necessary wires.
- Connect 110vac wiring to the Call Station power cable (see diagram on page 11).
- Turn on 110vac power to the Call Station.
Once the electrical is “live”, the phone needs to be programmed and tested. Reconnect the Wago connectors that attach the front plate to the NEMA 4 box. If the phone will be programmed remotely, secure the front assembly to the back panel and reinstall the 12 screws to the sides of the unit. If the phone will be programmed on-site, proceed to the directions for “On-Site Programming”.
Battery Installation
- Install battery at the bottom of Call Station.
- Connect the power cables to the battery (red to positive and black to negative) and secure with nut/bolt/washer (provided).
Note: Batteries that will not be installed within 90 days should be connected to a RATH® Charger Part # RP7700100AV. Failure to do this may result in the battery not working correctly upon installation or shortening the battery life.

Solar Panel Installation
- Identify a location that will allow the solar panel to collect the maximum amount of light and a minimal amount of shade.
- Mount the solar panel bracket to the wall using screws (not provided) or to a pole with the two supplied hose clamps. Open up the electrical box on the back of the solar panel by removing the screws. Connect the power cable that leads out of the top of the Call Station to the terminals in the electrical box by feeding the wire through the circular opening in the box. Connect red to positive and black to negative which are the outer two terminals (see picture below). Secure the weather-tight connection to the box and reattach the cover by installing the screws.
- Use the chart below to determine your approximate latitude. Take your estimated latitude, multiply by .9, and add 29 to arrive at the angle to set the solar panel.

Adjusting the Photocell (If Equipped):
- Slide the cover to the proper position on the photocell in order for the blue light to be lit at the proper time (see drawing below). The cell may need to be partially covered if the Call Station is near a light source.

Solar Panel Wiring and Testing:
- Remove security screws, top cap, and pull the front of the Call Station enclosure down.
- Remove the cover of the NEMA 4 enclosure by loosening the 4 corner screws.
- Locate the Sun Saver in the NEMA 4 enclosure (see drawing below).
- Using a voltmeter, check each set of terminals for Solar, Battery, and Load. The voltage should measure between 12.6 and 13.8 volts on each set. If voltage is low, recheck connections.

Communication
Landline:
To connect your analog phone line to the Emergency Call Station:
- Remove front Stainless Steel plate using the security Torx bit to remove the 6 security screws.
- Locate the gray phone cable coming out of the NEMA 4 box.
- Connect the incoming phone line by connecting the tip and ring of the phone line to the red and green of provided gray line cord.
LTE Cellular (Units Are Carrier Specific):
- Open the Cellular Gateway by unscrewing the screw on the left side of the front cover with a Phillips screwdriver and gently pull up on the left side.
- Insert standard size SIM card (25mm x 15mm) into J4 with the perforated edge first and the gold contact side facing downward. Push until you hear it click. If the SIM card does not click into place, the wrong size SIM card is being used.
Note: Do NOT use nano or micro size SIM cards with an adapter. The adapter edge can catch and cause permanent damage. - Wait for the LED lights to turn on. Check the SIM LED to make sure it is amber-colored. If it is flashing red, check that the SIM card has been inserted correctly and has an active 4G data/voice plan.
- A signal strength test is recommended. Check the signal strength by using the built-in network signal strength scanner. To use the scanner function, turn on SW1 dip switch 1 to ON (check that dipswitch 4 is also ON). When finished, turn SW1 dipswitch 1 back to “OFF”.

- The RUN LED should change color to flashing green when the main power connection is made. If you see any other color, please consult the LED indication chart below.

RUN LED FLASHES GREEN POWER SUPPLY IS OK BAT LED IS ALWAYS ON BATTERY IS OK SIM LED IS AMBER THE DEVICE IS CONNECTED TO THE NETWORK COVERAGE LED IS GREEN OR AMBER GOOD COVERAGE SLIC LED IS GREEN THE DEVICE IS ON STANDBY - Place the lid back on the top of the Cellular Gateway and fasten the lid with the screw.
VoIP & Wi-Fi VoIP: See additional manual.
Phone Programming
- You can program the phone on-site or remotely.
Note; Cellular applications cannot be remotely programmed.
- If programming on-site, remove 12 security screws from the unit, remove the top cap, and pull the front assembly away from the back unit.
- Remove the cover of the NEMA 4 enclosure by loosening the 4 corner screws.
On-Site Programming:
Step 1: To Begin Program Mode
- Press Enter
Step 2: To Program Emergency Numbers
- Press 1, Enter, (phone number), Stop
Note: Press 2-5 in step 2A for emergency numbers 2-5 as needed
Step 3: To Program Location Message
- To turn on the message Press 1, 3, Enter, 2
- Press 6, Record (speak message) Stop (to replay message Press 6, Play)
- For no message Press 1, 3, Enter, 0
Step 4: To Program Auto Disconnect Time (Default is 5 minutes, the lowest interval is 1 minute) A. Press 8, Enter, (3 digit number in minutes)
Ex: 2 minutes = 002
Step 5: To Exit Program Mode
- Press Stop for 3 seconds
Remote Programming:

Step 1: To Begin Program Mode
- Call into the phone by dialing the number of the Call Station
- After the first simulated ring, Press #, # (Wait for 4 tones)
- Key in security code (Default is 1111) (Wait for confirmation tones)
Step 2: To Program Emergency Numbers
- Press 1, *, (Phone number), *, # (Wait for confirmation tones)
Note: Emergency numbers (2-5) repeat step 2A pressing (2-5) as needed
Step 3: To Program Location Message
- To turn on the message press 1, 3, *, 2 (Wait for confirmation tones)
- Press 6, *, (Speak message) #, *, # (Wait for confirmation tones) To replay message Press 6, # (Wait for confirmation tones)
- For NO message Press 1, 3, *, 0 (Wait for confirmation tones)
Step 4: To Program Auto Disconnect Time (Default is 5 minutes, the lowest interval is 1 minute)
- Press 8, *, (3 digit number in minutes)
Ex: 2 minutes = 002
Step 5: To Exit Program Mode
- Press*, #, 0 (You will hear a beep, beep)*, # (You will hear a buzz)
Phone Testing
Push the emergency button on the front of the Call Station:
| Yes | No | |
| Did you hear a dial tone? | ||
| Did the strobe start flashing immediately after the button was pushed? | ||
| Did the red LED become a solid light when you pushed the button? | ||
| Did the red lead flash and approximately 15-20 seconds later the called party started talking to you? (Delay is due to the phone telling the other party your location via the “Location Message”) | ||
| Can you hear the other party clearly? (If not, see “Adjust Speaker” below) | ||
| Can the other party hear you clearly? (If not, see “Adjust Microphone” below) | ||
| When the party you called hangs up, does the strobe stop? | ||
| If you have answered YES to all questions, you have successfully installed and tested the phone. If you answer NO to any question, proceed to the Troubleshooting Section. |
*RATH® recommends the Call Station be tested on a regular basis to ensure proper operation.
Adjusting the Volume
If the volume is too low or high, adjust it by referring to the diagram and instructions below.
Note: Refer to the instructions under “Programming the Phone” to access the circuit board. Reinstall the cover on the NEMA 4 enclosure and close the Call Station when finished.

Adjusting the Microphone:
If the person you are calling reports your voice is not loud enough, increase the Microphone Sensitivity by adjusting VR2 a 1/4 turn clockwise (requires a small Phillips screwdriver).
Adjusting the Speaker:
If the voice of the person you call is not loud enough in the phone speaker, increase the volume by adjusting VR1 a 1/4 turn clockwise.
Troubleshooting
Problem | Possible Cause & Solutions |
| No dial tone when the button is pushed: | · Check to make sure the phone line is connected to the SmartPhone board. |
| Audio is low from the speaker | · Speaker control needs to be adjusted. Go to “Speaker Adjustment” on page 9. · Make sure the speaker holes are not blocked. |
| Audio is distorted from the speaker: | · Speaker control needs to be adjusted. Go to “Speaker Adjustment” on page 9. · Make sure there are no items touching the speaker inside the Call Station. |
| When the called party hangs up, strobe continues to flash: | · Phone company or phone system is not providing a disconnect signal. Contact the appropriate party to make sure the disconnect signal is provided. · Press *, # to simulate disconnect signal. |
| When the called party hangs up, strobe continues to flash for one minute: | · Slow disconnecting signal from the communication source. This is considered a normal operation. |
| When the called party hangs up, a busy signal is heard through the speaker: | · Phone company or phone system is not providing a disconnect signal. · Operator needs to press *, # to disconnect the call. · Disconnect time on the phone needs to be lowered (see page 8). |
| Call Station appears non-functional. Strobe does not flash and no audio is heard from the speaker when the button is pushed: | · Disconnect the red wire in the Solar Panel Electrical Box (see photo on page 5). Using a voltmeter, measure the voltage across the + and —terminals. There should be approximately 20 volts dc on a sunny day. If voltage is low or 0, the panel may be damaged. · Disconnect both red and black wires in the Solar Panel Electrical Box. Using a voltmeter, measure the voltage across the + and — terminals. The voltage should be more than 12.8 volts dc. If voltage is low, the battery may not be getting charged or holding a charge. If the voltage is 0, check to make sure the battery is connected properly. · Verify 12 volts are going to the SmartPhone board. |
| Call Station works in the afternoon but not at night or early in the morning: | · Make sure solar panel is not shaded by trees or other objects. · Angle of solar panel may not be set to correct degree for the location of the Call Station (see page 5 for map). · Angle of solar panel may not be set to the correct degree for the time of the year (Daylight Savings and season changes may impact the level of the sun the solar panel will receive). |
| Blue light stays on constantly, even though it should only be on at night: | · Check photocell adjustment on page 6. · Cover the opening of the photo-eye. The blue light should go out. If the light stays lit, the photodiode may be damaged. |
Wiring

N56W24720 N. Corporate Circle Sussex, WI 53089
800-451-1460 www.rathcommunications.com
RP8500CS
Ver. 7
04/21





















