Franklin Electric SSP3R SmartStart Pump Starter

INTRODUCTION
The SmartstartTM Pump Starter offers industry-leading protections including underload (dry-run) protection and enhanced Class 10 electronic overload protection to prolong the pumping system’s life. 3-Phase, 50/60 Hz, 200~600 VAC ±10%, NEMA Type 3R Enclosed Starter
- Ambient Operating Temperature: 41 °F (5 °C) to 104 °F (40 °C)
- Ambient Storage Temperature: -5 °F (-20 °C) to 185 °F (85 °C)
- Relative Humidity: 5% to 95% non-condensing
For additional important safety, operation, and warranty information refer to the product page and AIM Manual available at:
www.franklinwater.com.
SAFETY INSTRUCTIONS
This equipment should be installed and serviced by technically qualified personnel who are familiar with the correct selection and use of appropriate tools, equipment, and procedures. Failure to comply with national and local electrical and plumbing codes and within Franklin Electric recommendations may result in electrical shock or fire hazard, unsatisfactory performance, or equipment failure.
Know the product’s application, limitations, and potential hazards. Read and follow instructions carefully to avoid injury and property damage. Do not disassemble or repair unit unless described in this manual.
Failure to follow installation or operation procedures and all applicable codes may result in the following hazards:
WARNING
High voltages capable of causing severe injury or death by electrical shock are present in this unit.
- To reduce risk of electrical shock, disconnect power before working on or around the system. More than one disconnect switch may be required to de-energize the equipment before servicing.
- Make sure the ground terminal is connected to the motor, control enclosures, metal plumbing, and other metal near the motor or cable using wire no smaller than motor cable wires.
- To maintain overcurrent and short-circuit protection, the manufacturer’s instructions for selecting current elements and setting the inverse trip time circuit breaker must be followed.
- Tripping of the inverse trip time circuit breaker is an indication that a fault current has been interrupted. Current-carrying components of the magnetic motor controller should be examined and replaced if damaged to reduce the risk of fire or electric shock.
- Do not locate starter in an environment subject to flammable gases, dusts, or materials. Contact arcing can induce explosion or fire.
- All electrical connections must be made by a qualified electrical technician.
- Check local electrical and building codes before installation. The installation must be in accordance with their regulations as well as the most recent National Electrical Code (NEC), Occupational Safety and Health Act (OSHA), and Canadian Electrical Code (CEC).
INSTALLATION
Physical Installation
CAUTION Risk of bodily injury, electric shock, or equipment damage.
- This equipment must not be used by children or persons with reduced physical, sensory or mental abilities, or lacking in experi-ence and expertise, unless supervised or instructed. Children may not use the equipment, nor may they play with the unit or in the immediate vicinity.
- Equipment can start automatically. Lockout-Tagout before servicing equipment.
- This equipment produces high temperatures during normal operation. Use caution when contacting surfaces.
- Operation of this equipment requires detailed installation and operation instructions provided in this manual for use with this product. Read entire manual before starting installation and operation. End User should receive and retain manual for future use.
- Keep safety labels clean and in good condition.
- Pumps can develop very high pressure in some situations. Always use a properly selected and installed pressure relief valve to prevent damage and injury from the over-pressurization of pipes and tanks.
- Do not allow lint, paper, woodchips, dust, metallic chips, or other foreign material into the starter.
NOTICE Risk of damage to pump or other equipment.
- Install and wire starter according to the instructions in this manual.
- Take protective measures against ESD (Electrostatic Discharge) before touching control boards during inspection, installation or repair.
- Do not connect power factor correction capacitors, surge suppressors, or RFI filter to the starter output.
- Check if input power voltage is within acceptable range before applying power to starter.
- Set correct motor data from the motor nameplate and overload protection parameters for proper motor overload protection.
- Do not modify starter internal components and circuits.
- Locate starter in a location appropriate to enclosure ratings and operational ratings (e.g. NEMA 1 should only be located in a dry, protected environment).
- Mount the starter on a vertical surface in an upright orientation.
- To conform to the EMC directive, install a ferrite core on the input of the starter module.
- Consult customer support for the recommended part number.
Electrical Installation
Specifications
| Part Number Wire Gauge (AWG) | Torque | ||
| Input (in-lbs) Output (in-lbs) | |||
| SSP3E-30S | 6-14 | 16 | 35 |
| SSP3F-30S | 6-10 | 31 | |
| SSP3H-30S | 2-8 | 61 | 45 |
| SSP3B-3A015S | 10-14 | 32 | 20 |
| SSP3B-3A020S | |||
| SSP3C-3A030S | |||
| SSP3C-3A040S | 8-10 | 40 | |
| SSP3E-3A050S | 6-8 | 48 | 35 |
| SSP3E-3A060S | |||
| SSP3F-3A080S | 4-6 | ||
| SSP3F-3A100S | 3-6 | 56 | |
| SSP3G-3A125S | 1-4 | 134 | 45 |
| SSP3H-3A150S | 1/0-4 | ||
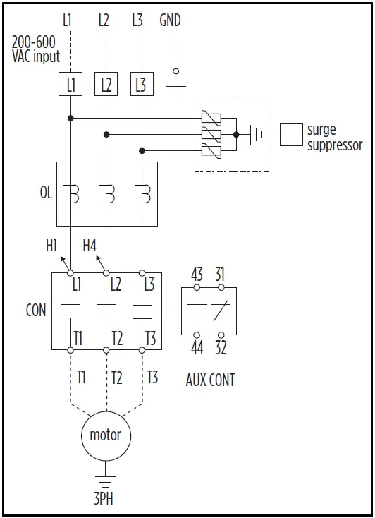
Power Wiring Connections
NOTE: Consult the product wiring diagram located on the starter enclosure for customized panels.
- Wire main power input and motor leads to the appropriate terminals, tightened as indicated in the “Specifications” on page 2.
- Use only copper conductors rated at least 167 °F (75 °C).
- Maintain proper clearances and verify that no possibility of an electrical short exists between the power conductors or enclosure.
- Ensure that wires are not under stress and all insulation is intact.
- Verify voltage input matches label.
- Low voltage and automation system wiring should be run in a separate conduit.
I/O Wiring Connections
NOTE: Use 26~14 AWG wire and torque to 3.5 lb-in for control wiring (D3/D4/D5, C-/C+, and T-/TI/T+). Use 20~12 AWG wire for control wiring (D1/D2 and O1/O2).
- D3/D4/D5 Pilot Device Input: Connections for a factory-installed 3-position (HOA) switch for motor control
- D1/D2 Dry Auto Input: Close this input to send a run command to the soft starter when in Auto mode. (N.O. dry contact or transistorized input)
- O1/O2 Fault Relay Output: Normally open relay contacts that close in the event of a fault condition. Rated for 120 VAC, 0.6 A
- C-/C+ Contactor Output: Provides a 24 V output to close the contactor when the motor starter is commanded in either Hand or Auto mode. Once the contactor is closed, the output drops to 2-4 V to maintain contactor closure while optimizing efficiency. Only for use with Franklin Electric contactor with 24 VAC coil (0.875 A Max).
STARTER CONFIGURATION

- Overload: Set to the SFA amperage value found on the motor nameplate.
- If no SFA amperage value is provided, set to the FLA listed on the motor nameplate.
- Underload: For submersible motor applications, set the dial to 70%. For surface motor applications, set the dial to 20%.
- DIP Switches: Select Phase Unbalance and Power Fail Mode settings.
DIP Switch Settings
Phase Unbalance (DIP SW1)
- Default = OFF
- OFF – Trips in the event of phase loss or if any 1 phase deviates by more than 25% from average.
- ON – Trips in the event of phase loss or if any 1 phase deviates by more than 80% of average.
Power Fail Modes (DIP SW2)
- Default = ON
- OFF – In the event of a power failure, the starter returns to OFF mode.
- ON – In the event of a power failure, the starter returns to the last HOA mode it was in within 10 seconds.
OPERATION
WARNING Risk of severe injury or death by electrical shock.
- Ensure that all connections are properly torqued and enclosure is closed prior to applying power to the device.
- Ensure all mechanical equipment operated by the starter is ready for safe operation before activating the stater.
- When in Auto mode, starter may be activated remotely by other devices in the control system.
The LED illuminates with corresponding mode selection.
NOTE: In the event of a power failure, the starter will return to the last mode it was placed in before loss of power.
- Select to manually engage motor.
- Select to manually disengage the motor and/or manually reset.
- Select to control the starter by a remote Start/Stop command.
- Illuminates when starter receives a Run signal and detects 20% of FLA.
- Illuminates when a fault occurs.
System Diagnostics Faults
| Fault | Flashing LED | Description |
| Cycle Fault | NONE | Activates when the starter exceeds rate of 20 starts per minute. |
| Hardware Fault | RUN & FAULT | The current drawn from the 24 V contactor terminals exceeds the rating of the contac- tor, the wrong size contactor is installed, or there is a circuit board failure. NOTE: Contactor terminals C+ & C- are for use with a Franklin Electric contactor only. Do not connect to any other devices. |
| Locked Rotor | OFF | A locked rotor condition occurs for 0.5 seconds. |
| Max Start Time | OFF & AUTO | The motor takes more than 10 seconds to start. |
| No Current Fault | HAND | No current is detected 10 seconds after a run command has been received. |
| Overload | HAND & OFF | The load is greater than the trip current = 115% of FLA (12t trip curve). |
| Phase Unbalance | HAND, OFF, & AUTO | A phase failure event occurs or any phase deviates by more than 25% from the average when SmartstartTM is enabled. If SmartstartTM is disabled, the starter will trip if any phase deviates more than 80% of the average. |
| Stall | HAND & AUTO | A stall condition occurs (0.5 sec @ 300% FLA and current slope not decreasing). Dis- abled during startup |
| Underload | AUTO | The current falls below the user-selected % threshold of the underload dial setting for 0.5 seconds and if the current is not increasing (0-100% of overload setting). |
Franklin Electric Co., Inc. | Oklahoma City, OK 73157-2010
Droits d’auteur © 2022, Franklin Electric, Co., Inc. Tous droits réservés.
800.701.7894 | franklinwater.com
10000012663 Rév. 000 11/22


















