ALC4-R
4-Channel 0-10 V Lighting/
Plug Load Controller 
COMPLIANCE
This device complies with part 15 of the FCC. Operation is subject to the following two conditions:
- this device may not cause harmful interference, and
- this device must accept any interference received, including interference that may cause undesired operation.
FCC NOTE: The manufacturer is not responsible for any radio or TV interference caused by unauthorized modifications to this equipment. Such modifications could void the user’s authority to operate the equipment.
NOTE: This equipment has been tested and found to comply with the limits for a Class B digital device, pursuant to Part 15 of the FCC Rules. These limits are designed to provide reasonable protection against harmful interference in a residential installation. This equipment generates, uses, and can radiate radio frequency energy and, if not installed and used in accordance with the instructions may cause harmful interference to radio communications. However, there is no guarantee that interference will not occur in a particular installation. If this equipment does cause harmful interference to radio or television reception, which can be determined by turning the equipment off and on, the user s encouraged to try to correct the interference by one or more of the following measures:
- Reorient or relocate the receiving antenna.
- Increase the separation between the equipment and receiver.
- Connect the equipment into an outlet on a circuit different from that to which the receiver is connected.
- Consult the dealer or an experienced radio/TV technician for help.
Important note: To comply with the FCC RF exposure compliance requirements, no change to the antenna or the device is permitted. Any change to the antenna or the device would result in the device exceeding the RF exposure requirements and void the user’s authority to operate the device.
This Class B digital apparatus complies with ICES-005 of Canada.
OVERVIEW
The ALC4-R 4-Channel controller allows for each channel to be independently controlled via schedule, sensor, or combination of the technologies to provide even greater energy savings. Each channel can be configured to work as either 0-10 VDC for dimming applications, or an ON/OFF for plug load or other non-dimming application needs. These settings will be available via the ARISTA app.
WARNINGS/SAFETY
WARNING
Risk of Fire or Electric Shock
• Disconnect power at the circuit breaker(s) or disconnect switch(es) before installing or servicing.
• Installation and/or wiring must be in accordance with national and local electrical code requirements.
• Only use copper conductors rated 105°C minimum
• Battery is not user-replaceable.
• Do NOT use timers to control devices that could have dangerous consequences due to inaccurate timing such as sun lamps, saunas, heaters, and slow cookers.
• Class 1 connections shall be torqued to a minimum of 10.6 lb-in.
• Class 2 connections shall be torqued to 4.5 lb-in.
• Cover should be installed at all times when not servicing.
NOTICE
Dispose of product per local regulations on the disposal of lithium batteries.
Ratings
| Operating Voltage | 120-277 VAC |
| E-Ballast/ Magnetic Ballast | 16 A, 120-277 VAC |
| Resistive | 20 A, 120-277 VAC |
| General Purpose | 20 A, 120-277 VAC |
| Tungsten | 12.5 A, 277 VAC |
| Motor | 1/2 HP, 120 VAC; 1 HP, 240 VAC |
| Ambient Operating Temperature | 0° to 55° C (32° to 131° F) |
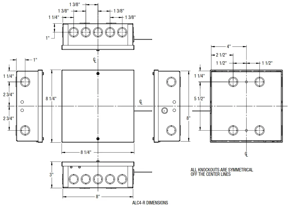
| Dimensions | 8.2″ H x 8.2″ W x 2.8″ D |
For indoor use only
The ALC4-R is suitable for plenum use.
^1 Type 1 action, operating control, PD2 pollution
degree, Impulse voltage 4000V.
Class 1:0-10VDC output = 50mA per channel
Class 2: 24 VDC = 290mA Total
INSTALLATION (SEE WARNINGS BEFORE INSTALLING)
- Determine the mounting location.
- Determine and remove proper knockouts for installation.
- Install proper fittings for installation adhering to all local codes.
- Connect all input and output wiring (See wiring diagrams for examples).
a. Be sure to keep all Class 1 and Class 2 wiring separated. - Install the included antenna.
- Turn power ON to the controlling circuit.
- Verify blue LED is flashing and all connected loads are ON.
a. Green Load indicators and loads should turn ON and OFF by manual button presses. - Refer to programming instructions.
NOTE: For Programming instructions please visit www.Intermatic.com. The Arista App is available on Apple App and Google Play stores. (Search for Arista by Intermatic)

NOTE: Bluetooth Operations have a maximum range of 100’
WIRING DIAGRAMS
ALC4-R CLASS 1 WIRING DIAGRAM
ALC4-R DIGITAL INPUT WIRING DIAGRAM 
| Terminal | Description |
| COM | Connect to COM (Common) from switch/sensor |
| DIN1 or DIN2 | Connect to DO (Digital Output) from switch/sensor |
| 24 V | Connect to 24 V (Power) from switch/sensor |
Note: Maximum distance <= 200’ with a minimum wire size of 24 AWG; maximum wire size of 16 AWG.
ALC4-R ANALOG INPUT WIRING DIAGRAM
| Terminal | Description |
| COM | Connect to COM (Common) from the sensor |
| -PNK | Connect to pink 0-10 V analog output wire from the sensor (Not needed when using ARISTA ALC-DH-BT Daylight Harvester) |
| +PUR | Connect to AO (Analog Output) from the sensor |
| 24 V | Connect to 24 V (Power Input) for sensor |
Note:
- Maximum wiring distance <= 200’ with a minimum size of 24 AWG; the maximum size of 16 AWG.
- Communications can be done via Bluetooth or wired when using 24 V installations and ARISTA ALC-DH-BT Daylight Harvesters.
ALC4-R 3RD PARTY 0-10V DIMMER WIRING DIAGRAM

| Terminal | Description |
| -PNK | Connect to Pink 0-10 V wire from Dimmer |
| +PUR | Connect to Purple 0-10 V wire from Dimmer |
| DIN1 or DIN2 | Connect switch leg side of Dimmer (APP configuration required for DIN2) |
| 24 V | Connect to the power side of Dimmer |
Note:
- This approach utilizes both Digital and Analog Inputs on the ALC4-R.
- When using a non-Intermatic dimmer switch, daylight harvesting will need to be installed as a wireless configuration.
- Additional configurations may be required in the App depending on switching configurations.
WARRANTY
This warranty service is available by either (a) returning the product to the dealer from whom the unit was purchased or (b) completing a warranty claim online at www.intermatic.
com. This warranty is made by: Intermatic Incorporated, Customer Service, 1950 Innovation Way Suite 300, Libertyville, IL 60048. For warranty service go to: www.intermatic.com or call 815-675-7000.
For complete information on Intermatic products, literature, and Contractors Guides visit www.intermatic.com.
158–02434



















