
Rinnai RSC199EP 160,000 BTU Exterior Natural Gas Tankless Water Heater

CIRC-LOGIC RECIRCULATION TECHNOLOGY
Rinnai Circ-Logic recirculation technology allows users to set recirculation patterns that coincide with their hot water usage patterns. Hot water is available when needed, without the expense of circulating it during times of inactivity. Two recirculation modes are available:
- Dedicated Mode: With a dedicated return line, the integrated pump recirculates water from the tankless water heater through the return line and back to the heater.
- Crossover Mode: In applications where a dedicated return line is not available or is difficult to install, Circ-Logic technology allows for the simple installation of a Thermal Bypass Valve (included with purchase) at the fixture farthest away from the water heater.

EASE OF INSTALLATION AND SERVICEABILITY
- Compact Design to Save Space
- Wi-Fi Technology for Remote Monitoring and Management
- Simple Gas Conversion
TECHNICAL SPECIFICATION
| SUPER-HIGH-EFFICIENCY (CONDENSING) TANKLESS WATER HEATER | ||
| Installation Type | External (Outdoor) Applications | |
| Model Numbers | RSC199e (REU-NP3237W-US(A)) RSC160e (REU-NP2530W-US(A)) | |
| Approved Gas Types | Natural and Propane | |
| UEF: 0.93 | ||
| Efficiency | Ratings not certified by AHRI | |
| EF: 0.96 | ||
| High Altitude Approved | Up to 10,200 ft (3,109 m) | |
| Water Flow Control | Water Flow Sensor, Electronic Water Control and Bypass Control | |
| Controller | Standard: MC-91-2US Required for scheduled Recirculation: MC-195T-US or control·r™ Wi-Fi Module | |
| Certifications | AHRI, ANSI Z21.10.3, CSA 4.3, and ENERGY STAR® | |
| Warranty · Heat Exchanger: 15 years or 12,000 operation hours, whichever occurs first · All Other Parts and Components: 5 Years · Reasonable Labor: 1 Year | ||
| Safety Devices Flame Failure – Flame Rod, Boiling Protection, Combustion Fan RPM Check, Over Current – Glass Fuse, Remaining Flame (OHS) and Automatic Frost Protection | ||
| Included with Purchase Tankless Water Heater, Thermal Bypass Valve, Pressure Relief Valve and Adapter, Isolation Valve Kit, Integrated Controller | ||
| Additional Features · Complies with South Coast Air Quality Management District 14 ng/J or 20 ppm NOx Emission Levels | · Ultra Low NOx · Tankless Rack System™ Compatible · 1/2 in. (13 mm) Gas Line Compatible | |
OPTIONAL ACCESSORIES
Room Air Screen, Condensate Neutralizer, ScaleCutter, Drain Down Kit, Additional Controllers, Pipe Cover, Recirculation Pump, DPS/MIS Switch, EZConnect™ Cables, Wireless Accessories, and many more. Visit rinnai.us for a complete list of accessories.
SENSEi™ TECHNICAL SPECIFICATIONS
| SPECIFICATION | RSC199e | RSC160e | |
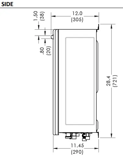
| Dimensions – w, h, d | 18.5 in. x 26.4 in. x 11.4 in. (470 mm x 670 mm x 290 mm) | ||
| Minimum Gas Consumption Btu/h | 15,000 | ||
| Maximum Gas Consumption Btu/h | 199,000 | 160,000 | |
| Flow Rate1 (Min – Max) | 0.26 – 9.8 GPM (1.0 – 37 L/min) | 0.26 – 8.0 GPM (1.0 – 30 L/min) | |
| Max Flow Rate with Parameter Adjustment | 11 GPM (42 L/min) | 9 GPM (34 L/min) | |
| Weight | 68 lb (31 kg) | 66 lb (30 kg) | |
| Sound Level | 53 dB | 52 dB | |
| Electrical | Normal | 78 W | 55 W |
| Standby | 2.3 W | ||
| Freeze Protection | 172 W | ||
| Max Current | 4 Amps | ||
| Fuse | 10 Amps | ||
| Temperature | · Minimum: 98° F (37° C) Default 120° F (49° C) Crossover Mode · Maximum: 120° F (49° C) Default 140° F (60° C) With Parameter Adjustment | ||
| By-Pass Flow Control | Electronic | ||
| Gas Supply Pressure2 | · Natural: 3.5 in. w.c. – 10.5 in. w.c. · Propane: 8.0 in. w.c. – 13.5 in. w.c. | ||
| Ignition System | Direct Electronic Ignition | ||
| Electronic Connections | · Appliance: AC 120 Volts, 60Hz. · Temperature Controller: DC 12 Volts (Digital) | ||
| Water Supply Pressure | · Minimum: 50 PSI (Recommended 60-80 PSI for max performance) · Maximum: 150 PSI | ||
| Controller Cable | Non-Polarized Two Core Cable (Minimum 22 AWG) | ||
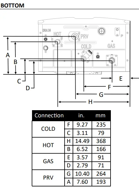
| Service Connections | · Gas Supply: 3/4 in. (19 mm) NPT · Cold Water Inlet: 3/4 in. (19 mm) NPT · Hot Water Outlet: 3/4 in. (19 mm) NPT · Condensate Drain: 1/2 in. (13 mm) NPT | ||
| Clearances | · Top: 2 in. (51 mm)* · Back: 0 in. · Bottom/Ground: 12 in. (305 mm) · Sides: 2 in. (51 mm)*** · Front: 0 in.** · Front Exhaust: 24 in. (610 mm) | ||
- 0 in. from vent components
- Clearance for servicing is 24 in. (610 mm) in front of water heater
- Add 0.25 in. (6.35 mm) for recess box
- Minimum flow may vary slightly depending on the temperature setting and the inlet water temperature. Minimum activation flow is 0.4 GPM (1.5 L/min).
- The maximum gas supply pressure must not exceed the value specified by the manufacturer.
SENSEi™ WATER FLOW CURVE
Flow curves apply only to incoming water temperatures of 70° F (21° C) or less. For incoming water temperatures greater than 70° F (21° C), please contact Rinnai.

SENSEi™ DIMENSION



SENSEi .. PUMP PERFORMANCE AND PUMP + T ANKLESS PERFORMANCE CURVE

Water Flow (GPM)
- Recirculation Pump Control
- Smart-Circ™ “learns” users’ hot water patterns to activate recirculation.
- Manual schedule selection is available with Accessory controllers (MC-195T or control r™ Wi-Fi module)
- Internal Multi-Speed DC Pump
Integrated pump allows for recirculation through a dedicated return line or crossover with thermal bypass valve. - Maximum Recirculation Pipe Lengths
- 400 equivalent feet for 3/4 in. pipe diameter
- 100 equivalent feet for 1/2 in. pipe diameter
Take equivalent elbow lengths into consideration when calculating pipe length.- For dedicated return lines: Total length includes both hot water supply and dedicated return lines.
- Cross-over mode: Total length includes both hot water supply and cold water piping length from the tankless water heater to the thermal bypass valve. Cross-over mode requires the use of a thermal bypass valve (included).
















