S S REGELTECHNIK HYGRASGARD DHKF In Ceiling Light Intensity Sensors

M12 connector
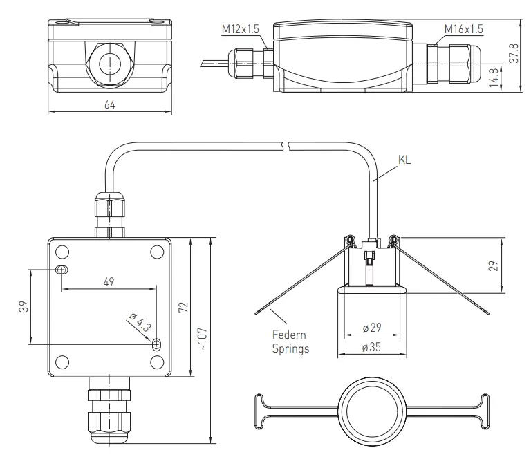
The light-intensity sensor PHOTASGARD® DHKF with six switchable measuring ranges (six devices in one) for installation in suspended ceilings. The connecting head is pluggable for quick and easy mounting. The measuring transducer is accommodated in a separate housing.
The sensor used was specifically adapted to the sensitivity of the human eye.
Its greatest sensitivity is in the range of 400 nm to 700 nm. With its special filter, the sensor is therefore ideally suited to exposure measurement of daylight and/or for measuring artificial light of high colour temperature (similar to sunlight). It is used for daylight-dependent constant light control, to control luminaires, lighting systems, Venetian blinds and canvas blinds, and to control light intensity and sun protection hoods to avoid unnecessary heating-up of rooms. It is used in greenhouses, storage halls, industrial halls, workshops, corridors, and residential and commercial buildings.
TECHNICAL DATA

PHOTASGARD® DHKF In-ceiling light intensity sensors

Light sensor
The sensor used in PHOTASGARD® light intensity sensors was specifically adapted to the sensitivity of the human eye. Its greatest sensitivity is in the range of 350 nm to 820 nm. Therefore with its special filter the sensor is predestined for exposure measurement of daylight and ⁄ or for measuring artificial light of high colour temperature (similar to sunlight).
General notes
– Protect sensor surface against any kind of dirt and ⁄ or damage.
– Scratches, dirt, and also partial shading falsify the measuring result.
– Applying overvoltage will destroy the device.
– If this device is operated beyond the specified range, all warranty claims are forfeited.
Our “General Terms and Conditions for Business“ together with the “General Conditions for the Supply of Products and Services of the Electrical and Electronics Industry“ (ZVEI conditions) including supplementary clause “Extended Retention of Title“ apply as the exclusive terms and conditions. In addition addition, the following points are to be observed:
- These instructions must be read before installation and putting in operation and all notes provided therein are to be regarded!
- Devices must only be connected to safety extra-low voltage and under dead-voltage condition. To avoid damages and errors the device (e.g. by voltage induction) shielded cables are to be used, laying parallel with current-carrying lines is to be avoided, and EMC directives are to be observed.
- This device shall only be used for its intended purpose. Respective safety regulations issued by the VDE, the states, their control authorities, the TÜV and the local energy supply company must be observed. The purchaser has to adhere to the building and safety regulations and has to prevent perils of any kind.
- No warranties or liabilities will be assumed for defects and damages arising from improper use of this device.
- Consequential damages caused by a fault in this device are excluded from warranty or liability.
- These devices must be installed and commissioned by authorised specialists.
- The technical data and connecting conditions of the mounting and operating instructions delivered together with the device are exclusively valid.
Deviations from the catalogue representation are not explicitly mentioned and are possible in terms of technical progress and continuous improvement of our products. - In case of any modifications made by the user, all warranty claims are forfeited.
- Operating this device close to other devices that do not comply with EMC directives may influence functionality.
- This device must not be used for monitoring applications, which serve the purpose of protecting persons against hazards or injury,
or as an EMERGENCY STOP switch for systems or machinery, or for any other similar safety-relevant purposes. - Dimensions of housings or housing accessories may show slight tolerances on the specifications provided in these instructions.
- Modifications of these records are not permitted.
- In case of a complaint, only complete devices returned in original packing will be accepted.
Notes on commissioning:
This device was calibrated, adjusted and tested under standardised conditions. When operating under deviating conditions,
we recommend performing an initial manual adjustment on-site during commissioning and subsequently at regular intervals.
Commissioning is mandatory and may only be performed by qualified personnel!
These instructions must be read before installation and commissioning and all notes provided therein are to be regarded!
SUPPLY VOLTAGE :
For operating voltage reverse polarity protection, a one-way rectifier or reverse polarity protection diode is integrated in this device variant. This internal one-way rectifier also allows operating 0 – 10 V devices on AC supply voltage.
The output signal is to be tapped by a measuring instrument. Output voltage is measured her against zero potential (O V) of the input voltage!
When this device is operated on DC supply voltage, the operating voltage input UB+ is to be used for 15…36 V DC supply and UB – or GND for ground wire!
When several devices are supplied by one 24 V AC voltage supply, it is to be ensured that all ”positive“ operating voltage input terminals (+) of the field devices are connected with each other and all ”negative“ operating voltage input terminals (–) (= reference potential) are connected together (in-phase connection of field devices). All outputs of field devices must be referenced to the same potential!
In case of reversed polarity at one field device, a supply voltage short- circuit would be caused by that device. The consequential short-circuit current flowing through this field device may cause damage to it. Therefore, pay attention to correct wiring! 
Subject to errors and technical changes. All statements and data herein represent our best knowledge at date of publication. They are only meant to inform about our products and their application potential but do not imply any warranty as to certain product characteristics. Since the devices are used under a wide range of different conditions and loads beyond our control, their particular suitability must be verified by each customer and/or end-user themselves. Existing property rights must be observed. We warrant the faultless quality of our products as stated in our General Terms and Conditions.




















