HUDSON VALLEY LIGHTING 6310 Wallis Dalton Pendant Instruction Manual
WARNING/CAUTION
- DISCONNECT POWER BEFORE RE-LAMPING OR WIRING THE FIXTURE. READ ALL INSTRUCTIONS COMPLETELY BEFORE STARTING INSTALLATION.
- TO AVOID THE RISK OF FIRE OR SHOCK, FIXTURE MUST BE INSTALLED IN COMPLIANCE WITH ALL APPLICABLE NATIONAL AND LOCAL ELECTRICAL/BUILDING CODES. THE INSTALLATION ANDMAINTENANCE OF THIS UNIT SHOULD BE COMPLETED BY A LICENSED ELECTRICIAN OR CERTIFIED FACTORY TRAINED TECHNICIAN.
- CALIFORNIA PROP 65: THIS LIGHTING FIXTURE CONTAINS CHEMICALS KNOWN TO THE STATE OF CALIFORNIA TO CAUSE CANCER, BIRTH DEFECTS, AND/OR OTHER REPRODUCTIVE HARM.
WASH HANDS AFTER USE. - UNPACK FIXTURE, PARTS AND PARTS BAG(S) BEFORE DISCARDING THE CARTON. MAKE CERTAIN THAT ALL PARTS ARE FOUND. INSPECT THE FIXTURE PRIOR TO INSTALLATION FOR ANY DAMAGE. HVLG DOES NOT PAY OR REIMBURSE ELECTRICIAN FEES. FIXTURE MAY NOT BE RETURNED ONCE IT HAS BEEN INSTALLED. SEE WARRANTY FOR EXCEPTIONS.
- PLEASE CLEAN WITH A SOFT, DRY CLOTH ONLY! DO NOT USE CLEANSERS.
Installation Instructions
FIXTURE INSTALLATION

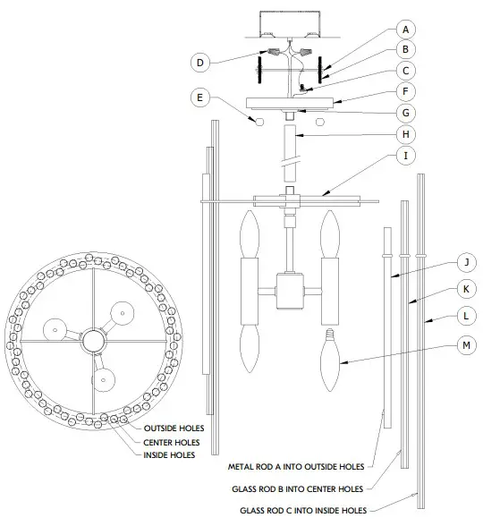
- 1. Feed the wire through the STEM KIT (H) and twist tightly onto the FIXTURE ASSEMBLY (I). Keep adding additional stems until you desired hanging height is met.
2. Slide in CANOPY (F) onto the STEM KIT (H), and thread the SWIVEL (G) onto the top end of the STEMKIT (H).
3. Pull the wire out from the junction box, and install the MOUNTING PLATE (A) onto the junction box using the MOUNTING SCREWS (B). This fixture is designed to be mounted on standard round or
octagon junction box. The junction box must be securely mounted to the structure of the building.
4. Trim off the excess wire to a minimum 6″ beyond the STEM KIT (H) and strip each wire 58
“.
5. Attach the Ground wire (Green) to the ground inside the outlet box (Generally green or bar copperware) or the GROUND SCREW (C) on the MOUNTING PLATE (A). NEVER CONNECT GROUND WIRETO “HOT” - Connect the white fixture lead to the neutral (Generally white) wire in the outlet box. Fasten the wires together with an approved fastener ( WIRE NUT) (D). Starting 1″ below the fastener, tightly wrap the connection with electrical tape so that the connections seals the end of the fastener. Connect the black fixture leads to the hot (Generally black) wire in the outlet box. Fasten the joined wires same as previous step. SERIOUS INJURY OR DEATHĞ
- Push the wires back into the junction box. Lift up the CANOPY (F) up to the ceiling, and secure withthe BALL NUT (E).
- Screw the BULB (M) into the SOCKET of the fixture.
- Install the METAL ROD A (J), GLASS ROD B (K) and GLASS ROD C (L) into corresponding holes according to the instruction drawing.
- Restore power to the outlet at the breaker or fuse box.
| PART(S) | REPLACEMENT PART NAME | NUMBER |
| A,B,C,D,E | HARDWARE KIT | HDW-6310 |
| F,G | CANOPY ASSEMBLY | CAS-6310 |
| H | STEM KIT | STM-LT1600-SET |
| J | METAL ROD A | ROD-6300-A |
| K | GLASS ROD B | ROD-6300-B |
| L | GLASS ROD C | ROD-6300-C |














