SIEMENS ZAM-180 Zone Amplifier Module

Installation Instructions
Model ZAM-180
Zone Amplifier Module 180W (500-035600 / S24235-B6-A5 (70V))
INTRODUCTION
The Model ZAM-180 from Siemens Industry, Inc. is a CAN data bus module that contains two speaker zones and one audio amplifier, capable of operating at 25 (150W) or 70 (180W) VRMS.
The two speaker zones can be wired and operate as either a single Class A zone or a single Class B zone or as two Class B zones independently protected to provide split zone or interleaved speaker zones.
The ZAM-180 can also be used as a backup amplifier to serve as a backup for other ZAM-180 amplifiers in a 1 to 1 backup or 1 to many backup. The ZAM-180 mounts at the back of the enclosure of the system and occupies ¼ of the total space of the Mounting Plate.

Figure 1 ZAM-180
Features
ZAM-180 features are as follows:
- Digital (Class D) audio power amplifier with 180W RMS output power
- Over all efficiency about 80% under full load
- Amplifier is supervised for functionality
- Amplifier is protected against open, short circuit, over current and over modulation
- Speaker lines are supervised for open, short circuit and ground fault
- The ZAM-180 is micro controller controlled
- A FPGA controls the digital audio data stream (ASI Bus) transmitted by the DAC-NET
- SW update via PMI/PMI-2/PMI-3 (XLS), FCM2041-U2 (Desigo Fire Safety Modular), FCM2041-U3 (Cerberus PRO Modular)
OPERATION
The ZAM-180 receives its control and communication data from the DAC-NET and sends its status data to the DAC-NET via the CAN Bus. Therefore it takes 1 sub-address of the DAC-NET.

The transmission of compressed or uncompressed audio data from the DAC-NET to the ZAM-180 is realized via ASI (Audio Serial Interface). Transmission on the ASI is executed with a timeslot method and is synchronized with Frame and Bit Synchronize Signals. Via control data on the CAN Bus, the timeslots are allocated to each ZAM-180. Each ZAM-180 is configured to listen to its corresponding timeslot.
A local audio input is provided to connect an external audio source. The audio input is isolated on the ZAM-180 to prevent ground loops. The local audio input is activated via an external contact. The control of this input will be executed by the amplifier directly. The ZAM-180 will send a message informing the DAC-NET that the ZAM-180 has turned on the local input. It is also possible to activate/ deactivate the local input on the control panel via CAN bus.
The speaker lines are individually supervised for open and short circuit. Ground fault is detected in common for both speaker lines on each ZAM-180.
The speaker lines are supervised in both the inactive and active state. The speakers must be AC-coupled.
Controls and Indicators
The ZAM-180 has one Reset button,seven diagnostic LEDs, level adaptation of the local external audio input and the CAN address switches, one terminal block, two terminal connections and two 60 pin flat ribbon connections as shown in Figure 2.
A reset switch is located on the top of the front panel. Pushing the reset switch re-initializes the ZAM-180 operation.
The LEDs functions are defined as follows:
| LED | COLOR | NORMAL STATE | OFF NORMAL STATE | ACTION IN OFF NORMAL STATE |
| POWER | green | ON | OFF –external voltages fail | Check for failure on PSC-12, CC-5, wiring |
| MODULE FAIL | yellow | OFF | ON –general trouble at ZAM-180 | Failure on ZAM, ZAM-180 needs to be replaced |
| CAN FAIL | yellow | OFF | ON –CAN interface trouble | Failure on AIC, DAC-NET, CC-5 backplane or other CAN cards/modules |
| ASI FAIL | yellow | OFF | ON –ASI interface trouble | Failure on “ASI OUT“ and/or “ASI IN“ at this ZAM-180 |
| ZONE ACTIVE | green | OFF | ON –Speaker zone active | Indicates normal operation on speaker zone |
| ZONE TRBL | yellow | OFF | ON –Speaker zone trouble, open circuit or short circuit | Check wires to the speakers, EOL resistor(s) and de-coupling capacitors on every speaker |
| ZONE GND FAULT | yellow | OFF | ON –unwanted earth ground connection on a speaker line | Check wires to the speakers for earth ground connections |
| OVERLOAD | yellow | OFF | ON | Refers to Local Audio input only: Press “DOWN” push button until “OVERLOAD” LED turns off and “NORMAL” LED turns on |
| NORMAL | green | ON | OFF | Refers to Local Audio input only: No audio signal or audio signal too high/low |
| LOW | yellow | OFF | ON | Refers to Local Audio input only: Press “UP” push button until “LOW” LED turns off and “NORMAL” LED turns on |
- Terminal Connections: These terminals are used for field wiring as shown in Figure 12-14
- Power Input: This terminal block is non power limited and can supply up to 12A. This Input is connected to the output terminal TB4 of the
PSC-12/PSX-12 as shown in Figure 11.
PRE-INSTALLATION
The ZAM-180 takes one sub-address on the DAC-NET. To configure the CAN address use the two rotary-switches on the front panel (refer to Figure 2)
Remove screws as shown in Figure 3 on the left and the right side of the ZAM-180 housing and remove the front plate.

Figure 3 Position Of The Securing Screws
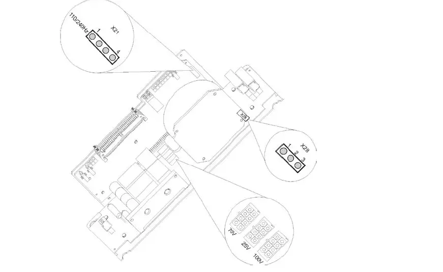
For setting the speaker line voltage and the low frequency cutoff see Figure 4.

Figure 4 Position Of Connectors And Jumpers For Setting The Speakerline Voltage And The Low Frequency Cutoff
Setting the Speaker Line Voltage
The amplifier supervision has to be configured for the appropriate line voltage, too. Amplifier supervision is configured with jumpers on header X28.
Speaker Line Voltage 70V
Plug in the coded connector in the position marked 70 V. and set Jumper X28 position 2-3.

Figure 5 Jumper Position 70V
Speaker Line Voltage 25V
Plug in the coded connector in the position marked 25 V. There is No jumper on X28.


Figure 6 Jumper Position 25V
Setting the low frequency cutoff
Low frequency cutoff can be set for 240Hz or 110Hz. This setting acts on both local audio input and on all digital channels.
Setting for 240 Hz protects small speakers from being overload with bass impulses. Speech intelligibility may be improved. This setting is not recommended for higher quality music reproduction.
For 520 Hz low frequency usage, use the 110 Hz setting. 110Hz: Set no jumper on X21
240Hz: For 240Hz low frequency cut-off two jumpers have to be set
Never set only one jumper. 
After having done these pre-installations install the front plate and secure it again.
INSTALLATION
Remove ELECTRICAL POWER prior to working on equipment.

Figure 9
Location Of The ZAM-180 On The Mounting Plate
The ZAM-180 can occupy any position on the mounting plate (Refer to Figure 9). When the ZAM-180 is mounted correctly on the Mounting Plate it will be flush on the top, bottom, and right with the Mounting Plate and the mounting screw holes of the PSC-12 will align with the threaded posts.
Figure 10
Mounting the ZAM-180 On The Mounting Plate
A24205-A334-B832 (Edition 10)
P/N 315-035600-10
- Install four M5 screws in the threaded posts at the mounting position. Screw each of the M5 screws into the threaded posts 5-6 turns.
- Place the ZAM-180 over the four screws on the Mounting Plate and slide it down or towards you to rest on the four screws. (Refer to Figure 10.) When the ZAM-180 is in the correct position it will be flush with the top, bottom and right side of the Mounting Plate.
- Tighten the four screws.
WIRING
Remove ELECTRICAL POWER prior to working on equipment.
All field wiring of the ZAM-180 is connected to the terminal blocks on the upper side of the ZAM-180.
The screw terminals can accommodate one 12-18 AWG (Ø 0,5mm-2,5mm²) or two 16-18 AWG, (Ø 0,5mm-1,0mm²).
To connect external wiring
Loosen the screw of the terminal by turning it counterclockwise.
Insert the wire into the side of the terminal block.
Tighten the screw of the terminal block by turning it clockwise
Input Power Wiring

Figure 11
ZAM-180 Input Power Wiring
NOTES
- 14-18 AWG (Ø 1,0mm -1,5mm²)
- Not power limited.
Speaker Line Wiring
The configuration of the speaker lines is selectable between Class A,
Class B, or 2 x Class B.
NOTE: For U.S. installation only, reference to Power Limited is deemed Class 2 and reference to Power Limited 70V speaker circuits is deemed Class 3. Class 2 and Class 3 designations do not apply to Canadian installations. Please refer to the appropriate product installation instructions for further details.
Class A: The speaker line is looped back to the system. The end of line resistor (EOL) is connected directly at the ZAM-180 (CC-5/-2). In this configuration the line works during an open circuit condition by feeding it from both sides. In the short circuit condition, the speaker line is not functional.

Figure 12
ZAM-180 Class A Wiring
NOTES (Speaker Lines and Backup Amplifier)
- Use tw isted pair or shielded twisted pair.
- Terminate shields at one end only.
- Supervised and not power limited.
- Positiv e or negative ground faults detected at <10k Ohms for terminals 9-12.
Class B: A configuration, where the end of line resistor is at the end of the speaker line. The ZAM-180 is capable of single Class B wiring if the unused speaker line is connected to an EOL .

Figure 13
ZAM-180 Class B Wiring
NOTES (Speaker Lines and Backup Amplifier)
- Use twisted pair or shielded twisted pair.
- Terminate shields at one end only.
- Supervised and not power limited.
- Positive or negative ground faults detected at <10k Ohms for terminals 9-10.
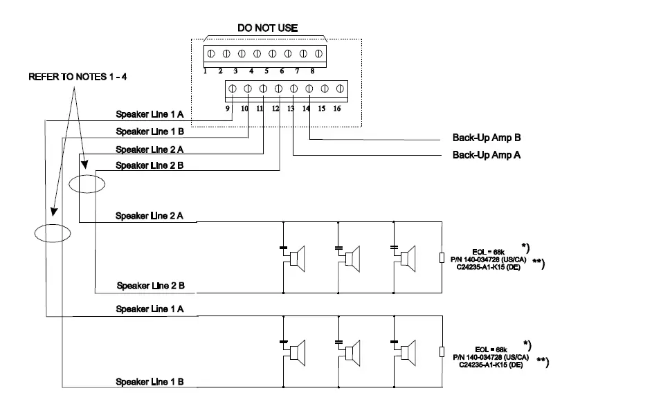
2x Class B: Both lines are used and have the end of line resistor at the end of the speaker line

Figure 14
2x Class B Configuration
NOTES (Speaker Lines and Backup Amplifier)
- Use twisted pair or shielded twisted pair.
- Terminate shields at one end only.
- Supervised and not power limited.
- Positive or negative ground faults detected at <10k ohms for terminals 9-12.
ELECTRICAL RATINGS
| Input Power | |
| 24V Back Plane Current | 0mA |
| 24V Screw Terminal Current @ 180W @ 90W @ 45W @ 0W | 9.5A 4.9A 2.7A 0.3A |
| 6.2V Back Plane Current | 0mA |
| 24V Standby Current | 300mA |
| Maximum Output Power | |
| 25 VRMS | 150W |
| 70 VRMS | 180W |
| Dry Contact Input | 24V/10mA power limited |
Cyber security disclaimer
Siemens products and solutions provide security functions to ensure the secure operation of building comfort, fire safety, security management and physical security systems. The security functions on these products and solutions are important components of a comprehensive security concept.
It is, however, necessary to implement and maintain a comprehensive, state-of-the-art security concept that is customized to individual security needs. Such a security concept may result in additional site-specific preventive action to ensure that the building comfort, fire safety, security management or physical security system for your site are operated in a secure manner. These measures may include, but are not limited to, separating networks, physically protecting system components, user awareness programs, defense in depth, etc.
For additional information on building technology security and our offerings, contact your Siemens sales or project department. We strongly recommend customers to follow our security advisories, which provide information on the latest security threats, patches and other mitigation measures.
http://www.siemens.com/cert/en/cert-security-advisories.htm
© Siemens AG, I BT DE FS SYS, 2003-2010
Siemens Industry, Inc., Building Technologies Division, Florham Park, NJ Siemens Canada Ltd., Oakville, Ontario L6H 0H6 Canada
Order No. A24205-A334-B832 (Edition 10)
P/N 315-035600-10
Document ID A6V10259386
Delivery subject to availability; right of technical modifications reserved.
Issued by Siemens AG I BT DE FS SYS D-81379 Munich




















