MFL 237012 Bondi Large 1lt Spot Light
Installation Instructions
BONDI LARGE 1LT SPOTLIGHT
SKU# 237012
Rated Voltage 220-240V~ 50Hz
Thank you for purchasing this quality MFL product. To ensure correct function and safety, please read and follow all instructions carefully before using the product. Please keep instructions for future reference.
Warranty
- This light fitting is covered by a 3-year warranty. The warranty is from the date of purchase, not the date of installation. Please retain the proof of purchase.
- The warranty will be void if there is any damage due to improper usage or modification to the fitting.
- Failure to comply with the instructions in this manual may increase the risk of damage or injury and will void the warranty.
Installation requirements
- Must be installed by a licensed electrician.
- All wiring and installation of the light fitting must adhere to local and national wiring rules. eg. AS/NZS 3000:2007/Amendment 2:2012 Electrical installations.
- This fitting is rated IP65. This must be maintained during installation.
- This fitting contains floating tempered glass. Replace any cracked protective glass to maintain IP rating when using this fitting.
- Select a suitable location for installation;
- This product is suitable for outdoor and indoor use.
- This fitting is rated IP65 which is protected against jets of water.
- The mounting point must support 2 times the weight of the fitting.
- Take care not to pull any electrical wires during unpacking as this may damage the connection.
- Lay out all the components on a smooth surface and make sure there are no components missing before assembling.
- Check whether the fitting has been damaged during transport. Do not operate/install any product which appears damaged in any way. Return the complete product to the place of purchase for inspection, repair, or replacement.
- Ensure power to the circuit you are working on has been switched OFF.
Installation directions
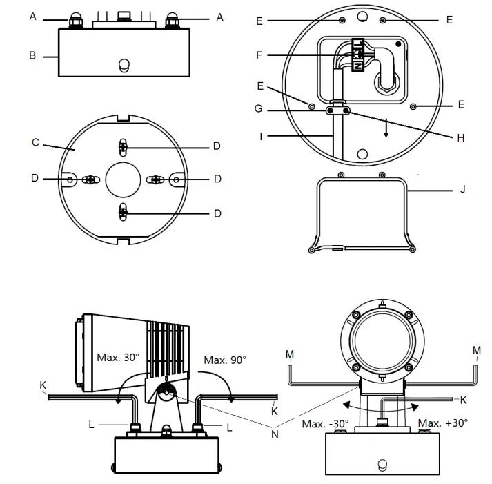
Install the fitting with the terminal block provided
- Ensure power to the circuit you are working on has been switched OFF before commencing any electrical work.
- Remove the mounting bracket (C) from the body of the fitting (B) by loosening two screw nuts (A).
- Use the mounting bracket (C) as a template to mark the screw positions in the installation area. Drill holes into the installation area and push the plastic anchors into the holes.
- Install the mounting bracket (C) onto the installation area by using appropriately sized mounting screws (D) and anchors. Ensure the screws, plastic washers and anchors used are suitable for the mounting surface.
- Remove the junction box cover (J) by loosening four screws (E).
- Connect the main supply wire (I, not included) to the terminal block (F). Ensure that the wires are secure and no bare wires are exposed. Additional silicone glue may need to be added to maintain the IP65 rating of the fitting.
Mains Supply Wire- Earth – Yellow/Green
- Neutral – Blue or Black
Wiring Label
- Yellow/Green
- N (Neutral)
Live – Brown or Red
L (Live) - Secure the main supply wire with the cord anchorage (G) by tightening two screws (H).
- Reposition the junction box cover.
- Install the fitting back onto the mounting bracket.
- Adjust the angle of the LED head to the desired position (up and down) by loosening the Allen key screws (N) with an M5 Allen key (M, not included).
- Adjust the angle of the LED head to the desired position (left to right) by loosening the Allen key screws (L) with an M6 Allen key (K, not included)
- Switch the power to circuit back ON only after all electrical work has been fully completed and the fitting is fully assembled and ready to use for the first time.

NOTE: When adjusting the head of the fitting, do not adjust more than the angles shown in the above diagrams, as this may damage the wiring.
Install the fitting with an IP65 connector (Not included)
Replace points 5, 6, 7, and 8 of the above instructions with the following:
Connect the mains supply wire (Q, not included) and fitting wire (P) to the IP65 connector (O). Ensure that the wires are secure and no bare wires are exposed. Additional silicone glue may need to be added to maintain the IP65 rating of the fitting.
Safety Tips
- Always ensure the power is OFF and the fitting has cooled down before performing any maintenance, cleaning, or adjustment to the fitting.
- To avoid injury or damage to the fitting, ensure that power leads and screws are secure before connecting the power.
- Ensure that the fitting does not come in contact with corrosive chemicals, etc.
Specifications
| SKU # | 237012 |
| Color | Black |
| Insulation Class | Class I |
| Rated Voltage | 220-240V~ 50Hz |
| Rated Wattage | 25W |
| LEDs | NICHIA LEDS 3000K, 2000lm |
| Weight | 2.18kg |
| Dimensions | H:210mm W:170 mm E:250 mm MAX. |
| IP rating | IP65 |
| IK rating | IK06 |


















