coates 12406ST Electric Spa Heater

MODELS: 12406ST & 12411ST installation, operation and maintenance
DESCRIPTION
Coates Spa Heaters are intended for use on spas or hot tubs having a forced water circulation system.
The water flow through the heater should be at least 15 GPM but should not exceed 70 GPM. Higher flow may damage the heater.
INSTALLATION
WARNING
Only qualified personnel, as defined by National Electrical Code Article 100, should install and maintain this equipment. Unauthorized alteration or improper maintenance Qf .this unit may release the manufacturer from any warranty claims. The installation must be in accordance with the instructions in this manual and applicable local plumbing and electrical codes.
CHECK ELECTRICAL CONNECTIONS TO ALL COMPONENTS within the heater for tightness. These can become loose during sh.iprrient and handling.
PHYSICAL PLACEMENT
The Coates Spa Heater is suitable for indoor or outdoor installation. See Figure 1 for piping connections and figures 3A and 3B for electrical connections. The heater should be securely mounted to a smooth, flat surface. It may be conveniently located next to the filtration equipment. Leave minimum clearance of 9 inches on the left, 12 inches on the front for service entrances and access.

ELECTRICAL INSTALLATION
CAUTION
The electrical installation must be in accordance with Article 680 of the National Electrical Code, and ANSI/NFPA 70.
The electrical supply power must be single phase, 2 wire, 240 VAC. The supply must be protected by a circuit breaker or a fused disconnect switch. An insulated ground conductor must be provided. See Figures 3A and 3B and Table 1 for supply wire and circuit sizing. A lug has been provided for attachment of the BONDING wire per the National Electric Code, 1996 Edition, Article 680-22, (a) (4). This lug is located between the inlet and outlet pipes of the heater.

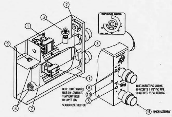
Figure 2. Coates Spa Heater Assembly Refer to Table 2 for part description.
POWER SUPPLY
240V SINGLE PHASE

- HTL: HI-TEMP CUT OFF “MANUAL RESET”.
- TC: TEMPERATURE CONTROL-THERMOSTAT.
- EI.M 1 -2: HEATING ELEMENT(S).
- CON1: CONTAC. 2 Pole. 50 ,– RES
- CON2: CONTACTOR. 2 Pole, !,MP RES.
- CB: CIRCUIT BREAKER (CUSTOMER SUPPLIED.
- Pl1: Pit .OT LIGHT “Element.
- Pl.2 Pit. OT LIGHT “FLOW SWITCH”.
- PS: RES&JRESWITCH

- FACTORY SPUCED LEADS ARE PROVIDED FOR CONNECTION TO CUSTOMER SUPPUEO AUXILIARY CONTROLS. I.e. REMOTE THERMOSTAT OR HEATER “ON/OFF” SWITCH. SEE YOUR DEALER FOR Fortier INFORMATION.
- INSULATED GROUND CONDUCTOR, COPPER ONLY. MUST BE SAME SIZE AS THE SUPPI. Y WIRING, BUT NOT LESS THEN t 12 AWG.
TABLE 1

TABLE2

SEE TABLE 1 FOR ELEMENT QUANTITY
When ordering spare parts from your dealer, provide the model number and serial number of your heater.
HEATER CONTROLS
The heater has a temperature controller adjustable from 65°F to 104°F, one manual reset type high temperature limit thermostat set at 122°F and a pressure switch to prevent operation of heater without water flow.
CAUTIONS AND WARNINGS
- Be sure to check all cautions and warnings in this manual and as displayed on the heater labels before operating or performing any maintenance on these heaters.
- Do not remove the heater cover while electrical power is applied to the heater. Power must be interrupted at the heater supply circuit breaker or disconnect switch.
- The MIN. setting on the temperature control dial is an OFF position. The heater will not operate at this setting regardless of water temperature.
STARTING THE HEATER
CAUTION
Do not operate heater without water.
- ensure that heater case is properly grounded, and bonded.
- Fill the system with water and start the circulating pump.
- Turn on electrical power at the heater supply circuit breaker.
- Set the temperature control to medium water temperature control to medium water temperature and increase gradually to desired operating temperature.
DO NOT EXCEED 104°F MAXIMUM.
PRESSURE SWITCH ADJUSTMENT
The pressure switch, as factory set, may provide proper operation for many installations.
The factory setting of the pressure switch may need to be adjusted if the heater is installed above or below the level of the spa, or for two speed pumps.
POWER SUPPLY TO THE HEATER MUST BE OFF WHEN ADJUSTMENTS ARE MADE.
Verify correct operation of switch by:
- If pump has two speeds, set at low speed.
- Energize pump and then energize heater. If flow light turns on, the pressure switch is closing.
- Turn pump off while watching flow light. The light should turn off within 5 seconds, if. it does not, restart pump immediately.
If the light turns on and off with the pump, no further adjustment is necessary.
If the switch is closed (light on) with the pump off turn the thumb knob clockwise (increase pressure) until the switch opens.
If the switch is open (light off) with the pump on, turn the thumb knob counter-clockwise (decrease pressure) until the switch closes.
STOPPING THE HEATER
- Turn off electrical power at the heater supply circuit breaker before stopping the circulating pump.
MAINTENANCE
- Keep the heater clean.
- If high temperature causes limit thermostat to cut off the electrical power, disconnect power at disconnect switch and determine the cause before resetting thermostat. A water temperature drop is required to allow resetting of the manual reset high limit.
- If leaks develop in the heater or connecting piping, shut down the heater and repair defective connections.
- If heating elements are removed for replacement, use only Coates elements, see Table 2.
OPERATION SEQUENCE
- Power supplied to heater
(Circuit Breaker). - Pressure switch closes
(with sufficient flow from pump). - Flow light illuminates.
- Upper contactor closes.
(High limit must be closed) - Rotate temperature dial until it is greater than water temperature.
- Lower contactor closes.
- Element light illuminates and the element(s) heat(s) the water.
WARNING:
Only qualified personnel should attempt maintenance on this equipment. (N.E.C. Article 100)
HEATER TROUBLE SHOOTING GUIDE
CAUTION
This heater incorporates 240 volt electrical circuits.
Do not open the case unless unit is disconnected from electrical power.
Use only manufacturer’s parts, or U.L. listing and warranty may be void.
| PROBLEM | INDICATORS | POSSIBLE CAUSES | ACTION |
| No Heat | No lights ON | No Power to heater | Check Circuit Breaker “ON”. |
| Insufficient Flow/Pressure | Check that pump is running and filter is clean. | ||
| Pressure Switch out of adjustment | Consult this manual, Section 3.3, for adjustment instructions. | ||
| Pressure Switch inoperative | Use Ohm meter to check continuity across switch while ozumo is running. Replace Pressure Switch if Open. | ||
| Flow light ON Element light OFF | Hi-Limit Reset Tripped | Push “Reset” button | |
| High Limit switching operative | Use Ohm meter to check continuity across switch. Replace Hush limit Switch if always open. | ||
| Temp Control inoperative or set too low | Adjust control higher or replace as required. You should hear it “click” if the switch is operational. | ||
| Contactor (wooer) inoperative | Replace upper contactor | ||
| Contactor (lower) inoperative | Replace lower contactor | ||
| Element Light burned out | Replace Element Light | ||
| Flow light ON Element light ON | Heating Element(s) inoperative | Replace Cement(s) as required. | |
| Insufficient Heat | Flow light ON Element light ON | Heater too small for Spa | Check heater sizing requirement of Spa. |
| One element inoperative on 11KW model | Replace Element as required. | ||
| High Limit RESET Trips | Flow light ON Element light OFF | Temperature control inoperative, water overheats in Spa. | Replace Temperature Control. |
| Pressure Switch not turning off heater when pump/flow stops | Consult this Manual Section .3 for adjustment instructions. Replace as required. | ||
| Heater subjected to high ambient temperature (i.e. Direct sunlight) | Cool Equipment room or shade heater from sun. | ||
| High Limit switch inoperative | Replace High Limit Switch | ||
| Water Temp Greater than setpoint | Flow light ON Element light ON | Thermostat out of calibration/inoperative | Replace thermostat. . |
| Flow light ON Element light OFF | External heat source (i.e. Solar Heating, heat from the pump, etc.) | Tum off power to heater and verify problem continues. |
Elements@ can be checked with an Ohm meter only when power is disconnected from heater. Each element® should read approximately I 0.5 Ohms. Ambient temperatures above I 20°F will cause the High Temperature Limit© to trip prematurely.
PROTECTING YOUR COATES HEATER WITH PROPER WATER CHEMISTRY
Proper water balance is important to extending the life of your Coates Hunter.
While pH control is critical, the control of calcium hardness will protect against scaling and also help prevent corrosion.

The correct levels of sanitizer, pH, total alkalinity and calcium hardness will vary some depending on the type of pool (plaster, vinyl or fiberglass) and the chemical content of the fill water. water that Is not maintained In balance can void you warranty,




















