inter VOLT GEN II MAXI SERIES Power Conditioner Instruction Manual
Introduction
Thank you for choosing an inter VOLT isolated power conditioner …
A 12VDC to 12VDC power conditioner is used primarily for connecting auxiliary 12VDC equipment in a 12VDC wired application. The power conditioner must be sized according to the load connected in order to ensure good performance, safety and longevity. Listed below are just a few of the features and benefi ts you have gained in selecting an inter VOLT power conditioner
Intervolt SPCi Series Switch mode power conditioners are designed for high demand power requirements in transport, telemetry, alternative energy applications and the like. They are suitable for powering a large range of auxiliary 12 VDC equipment including communications, navigation, monitoring, instrumentation, lighting, refrigeration and much more.
Intervolt SPCi’s incorporate a range of innovative features including an industry fi rst, microprocessor controlled operator interface for the control and monitoring of the many SPCi functions. This feature is designed to help trouble-shoot general installation errors and assist in fault fi nding common problems.
Intervolt SPCi’s are fully protected from typical connection and installation faults by a range of built-in safety devices. These devices protect the units from reverse connection, short-circuiting, overloading, high output voltages and high temperatures.
Intervolt SPCi’s are designed to cope with the demands of the harshest applications and will operate in high temperature, high humidity environments. They are constructed of quality marine grade materials and when applied and installed correctly are designed to provide many years of continuous service.
Inter volt SPC i’s are designed and assembled in Australia and comply with relevant Australian and international standards for electro-magnetic compatibility (EMC). They are supported by a 100% factory backed 24 month warranty against faulty components and/or workmanship.
SP Ci MAXI SERIES GEN II
The second generation inter VOLT SP Ci Maxi series isolated power conditioners are the evolution of the original and renowned SP Ci models fi rst released in 2003. The GEN II Series is not just a cosmetic ‘makeover’ but rather a complete new product from the ground up. The all new design features complete digital control with a specifi cation second-to-none. Here are just a few of the new features and benefi ts exclusive to the new range:
- Unique operator interface for control and monitoring
- Galvanically isolated input to output – no common connectivity
- Handy charge mode for charging a 12V auxiliary battery (2 stage)
- High resolution voltage output of less than 0.5% under any load
- Peak effi ciency of 92% (better than 90% under most load conditions)
- Remote operator control to turn unit on/off with signal current only
- Multifunction alarm output for fault and pre-emptive warnings
- Temperature and speed controlled internal cooling fan (Vapo bearing)
- Compact design and can be mounted vertically or horizontally
- Heavy duty termination with separate, removable terminal cover
- 24 months warranty (subject to specifi c terms and conditions)
- High quality assembly featuring marine grade hardware
- Conformally coated printed circuit board assembly (tropicalisation)
This manual contains comprehensive information on the installation, set-up and use of the all new SPCi isolated power conditioners and is applicable to GEN II models only. Whilst every care has been taken in the preparation of this manual, Amelec Australia Pty Ltd offers no guarantee, express or implied, and accepts no liability for any inaccuracies, errors or omissions in its content. Specifi cations are subject to change without notice.
NOTICE
The SPCi must be properly installed in order to comply with environmental operating considerations and the manufacturer’s warranty terms and conditions. The SPCi is constructed from marine grade materials and the printed circuit board has been conformally coated (tropi calised) to protect the SPCi from condensation and humidity. It is NOT however, waterproof.
LOCATION
Select a suitable location where the SPCi can be mounted. Ensure there is adequate ventilation and that the location is free from excessive moisture, dust, vibration and heat. The SPCi is designed for installation in a protected environment.
ORIENTATION
The SPCi can be mounted vertically or horizontally. The SPCi should be installed on a hard fl at surface – do not install on an upholstered or insulated surface. Ensure at least 50mm of clearance all around from other equipment. There should be no restrictions in the way of the ventilated end cap.
MOUNTING
The SPCi unit should be installed with appropriate fasteners ensuring all anchor holes are utilised. The mounting hole diameter is 5mm and it is recommended that a fastener with a diameter (major thread) of no less than 3.5mm be used. Do not overtighten.
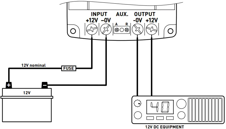
WIRING
In order to ensure safety, good performance and long life the SPCi should be wired according to the method detailed overleaf. Please refer pages 11-15 for schematics of the various wiring circuits available.
WIRING
IMPORTANT! Ensure adequately rated cables are used for the maximum load of the SPCi model installed. If uncertain, consult your cable supplier quoting the continuous rating of the SPCi and the length of cable on both input and output. The input current draw is approximately 110% of the output load (subject to V in and V out references). Under-sizing the cable will result in poor performance, over-heating, a reduction in longevity and may jeopardise your warranty in the event of a failure.
Disconnect the 12VDC supply at the source before attempting any connection to the input terminals of the SP Ci or equipment to the output. Install an appropriately rated circuit breaker or fuse (see chart below) as the input protection for the 12VDC supply cable to the SP Ci.
| EXTERNAL INPUT FUSE REQUIREMENT CHART | ||
| SPCi Model No | SPCi Rating | Input Fuse |
| SPCi121210G2 | 10 Amps cont | 20 Amps |
| SPCi121220G2 | 20 Amps cont. | 40 Amps |
Connect all input wiring to the SPCi ensuring correct polarity. Failure to observe correct polarity will result in the internal protection circuit blowing the fuse. This circuit protects the SPCi from catastrophic damage. The internal fuse is not user serviceable. In the event the SPCi is incorrectly reverse polarity connected, the unit must be returned to vendor for servicing. The power terminals utilise M5 combination head screws for excellent conductivity. It is recommended that proper tinned drawn-copper cable lugs are used for termination. An example of this item is depicted on page 6.
Once the input supply is terminated the SP Ci can be powered up. Upon reconnecting the 12VDC supply the POWER indicator
is illuminated intermittently (pulsing green) indicating the SP Ci is operational.
If any other icon is illuminated or the POWER indicator is not illuminated, refer to the troubleshooting guide on pages 24-25.
The SP Ci is now in standby and operating at the factory default output of 13.0VDC. The output can now be adjusted in one of two ways depending upon the application:
- For use as a power conditioner – output voltage is selectable between 12.0V and 14.0V in 0.5V increments. Please refer to the set-up instructions on pages 7-8 before connecting the output wiring to the 12V equipment.
- For use as a battery charger – output voltage is set to battery charging mode (standard lead acid battery only). Please refer to the set-up instructions on pages 7-8 before connecting the output wiring to the 12V battery.
Before connecting the output wiring, ensure the input supply is isolated. Once the output is connected the SP Ci can again be powered up and is now ready for operation.
In addition to the main power terminals there is an auxiliary terminal block located between the input and output terminals. See over for further information on wiring the auxiliary terminal block.
NOTE: It is also possible to wire the SPCi’s in parallel to increase the output current rating. For example, two 20A rated units can be paralleled for a combined total of 40 Amps continuous, three for 60 Amps, etc. The wiring must be appropriately rated to carry the total load and the output voltage setting of each unit MUST be the same i.e. 13.0V. The SP Ci’s can ONLY be paralleled when used as power conditioners and NOT when used in battery charging mode. Please refer to pages 11-13 for schematics.
Auxiliary Terminal Block: The auxiliary terminals are optional and not required for operation of the SP Ci, however they do provide some very useful functions. Please refer to pages 9-10 for details of the specifi c control and monitoring functions of the auxiliary circuits. When connecting any of the optional auxiliary circuits (terminal block) the wiring used is for low power circuits and should be wired according to the schematic on pages 14-15. For reference purposes the maximum current for each of the connections is as follows:
- Terminal A: This is the external alarm output connection and is limited to 250mA @input voltage i.e. 12VDC nominal.
- Terminal R: This is the remote control input and is signal current only. Supply is 8-32VDC via a control switch
When wiring to the auxiliary terminal block it is recommended that proper boot-lace or ferrule type crimp connectors are used (see below). The terminating tunnels in the auxiliary terminal blocks are a cage type and do not need excessive force to make good contact. Do not overtighten the terminal screw.
COPPER LUG
BOOT-LACE FERRULE
INITIAL SET-UP
One of the major features of the Gen II SP Ci is the ability to adjust the output voltage when used as a conditioner or alternatively, select a two stage voltage curve when used as a battery charger (lead acid only).
As detailed in the wiring section, the output voltage of the SPCi should ideally be selected before connecting the output supply to the 12V equipment or battery. The SPCi output can however, be adjusted at any time providing there is power on the input and NO load on the output.
The output voltage cannot be adjusted in battery charging mode.
IMPORTANT: A battery should only be connected to the SPCi in battery charging mode and NOT in power conditioner mode.
Step 1 – Enter Output Set-Up Mode
To adjust the output voltage press and hold the SET button
for 5 seconds until the 5 bars of the OUTPUT VOLTS indicator
and the CHARGE icon
are illuminated intermittently (flashing).
At this point release the SET button
The OUTPUT icon
and the factory default voltage setting of 13.0V is displayed on the OUTPUT VOLTS indicator
.
Step 2 – Changing Output Setting
Press the SET button
again to scroll through the display incrementally to select the desired setting for your specifi c application as follows:
- For use as a power conditioner the output setting can be adjusted between 12.0V and 14.0V in 0.5V increments on the OUTPUT VOLTS bar
display. It is important to ensure the equipment connected to the output of the SPCi is correctly rated for the voltage you have selected. - For use as a battery charger the CHARGE icon
must be selected which changes the output from a continuous DC regulated supply to a special two stage charging protocol (sample curve data available upon request). The two stages consist of a boost cycle of 14.4V and a fl oat cycle of 13.6V. These voltages are not adjustable.
Step 3 – Saving Output Setting
Simply release the SET button
at the desired point and the output will adjust automatically to the new setting after a few moments. The OUTPUT icon
will pulse rapidly and then disappear indicating the setting has been successfully saved.
The new setting will be displayed for a further 10 seconds as confirmation of the new setting. The selected setting will now be permanently memorised but can be changed at any time if necessary
NOTE: The factory default settings can be reset at any time. Press and hold the SET button
for 30 seconds until all icons on the operator interface display are illuminated (pulsing). Release the SET button
and the factory default settings will be restored at which point the illuminated icons will disappear.
EXTENDED FEATURES
The GEN II SPCi has a range of optional features which can be utilised for control and monitoring purposes. These functions are enabled through the use of the auxiliary terminal connections. This is a Euro style terminal block located between the input and output terminals of the SPCi. The Euro style terminal block is a high quality two pole connector used to terminate separate remote monitoring and control or auxiliary functions. There are no ferrous components in the terminal block so there is much less risk of corrosion which results in poor contact.
Please refer pages 14-15 for schematics of the various wiring circuits available.
External Alarm Output
This output (terminal A) is used for remote monitoring of the preemptive and shutdown alarms of the SPCi. Subsequently any alarm condition displayed on the operator interface display of the SPCi can also be remotely monitored i.e. cooling fan fault, unit overheating, low input voltage, output overload or short circuit. Generally the output would be connected to a remote sounder/indicator but can also be used to activate a relay coil to switch a larger warning device. It is important to note that the maximum power of the Alarm output is limited to 250mA @ input voltage i.e. 12VDC nominal.
Remote Switching Input
The SP Ci has a special isolation feature which allows the unit to be remotely turned on/off by using a simple (N/O) switch to isolate the output. The switch can be in the form of any normally open (N/O) latching device i.e. toggle, ignition, push-button, etc.
The remote isolation circuit is activated by using the R terminal as the input signal. This circuit is switched via any 8-32VDC source that is independent of the output side of the SP Ci. For example the feed can be connected directly to the +12VDC input terminal of the SPCi or from a remote source more conveniently located to the control switch if desired. This control feature can be utilised in different ways including the following:
- For safety or convenience purposes it is quite often necessary, for example, to isolate all equipment when the ignition is turned off in a vehicle. In this instance any equipment connected to the 12VDC output of the SPCi is immediately disconnected when the ignition switch is turned off and the key removed.
- The SPCi can be used as a fully automatic switching device where there is a requirement to switch 12VDC equipment via a 12VDC source. For example, a fl oat switch or daylight switch can be connected via the remote input terminal and used to switch the output of the SPCi on or off automatically.
The Remote input requires a trigger voltage of 8-32VDC to activate the internal control circuit. This is signal current (<5mA) only so the terminal can be wired with extra low power control or data cable.
NOTE: In the event the Remote (R) terminal is connected, the SPCi will memorise the connection, even if the input supply is disconnected. This is a requirement in order for the function to operate correctly. Should it be necessary to discontinue the use of this function, a full system reset will need to be performed. Isolate the 12V input to the SP Ci. Remove the wire connected to the Remote (R) terminal. Re-apply the 12V supply – the POWER Icon
does not illuminate. Press and hold the SET button
until the POWER icon
illuminates (this will take approximately 1 minute). The SP Ci is now operational and in standby mode again.
POWER CONDITIONER
Standard Installation
Parallel Installation
Output voltage setting MUST be the same for each unit connected in parallel.
BATTERY CHARGER
Standard Installation
AUXILIARY
External Alarm Output
Remote Switching – manual control
Remote Switching – automatic control
Remote Switching – with ignition switch control
INTRODUCTION
The operator interface panel is a new and innovative introduction to the second generation SPCi Maxi series. This component allows specifi c control functions to aid the installer/operator in addition to monitoring the status of the unit. The specifi c functions of the operator interface are as follows:
- User selectable voltage output from 12.0V to 14.0V in 0.5V increments to allow for voltage sensitive equipment or voltage drop over long distances. This is factory set to 13.0V but can be changed at any time and permanently saved in a non-volatile memory.
- A separate output function which can be selected for charging an auxiliary 12V battery connected to the output. This automatic 2 stage curve features boost and fl oat modes to reliably maintain a standard lead acid battery.
- A unique output load indicator which displays the load connected to the output (including overload) in percentage terms. This indicator is a valuable tool and can be displayed at any time at the push of a button.
- Useful pre-emptive warning of various fault conditions such as overload, over temperature, low input voltage and low output voltage (battery charging mode only) prior to shutdown. These alarm functions can be output for remote monitoring.
- Shutdown protection for critical fault conditions such as overload, over temperature, low input voltage, fan failure and short circuit of output. These alarm functions can be output for remote monitoring.
- Resetting of factory defaults at the push of a button.
POWER ICON
The POWER indicator icon (heart) is illuminated intermittently (pulsing green) under normal operating conditions. No other icons or indicators illuminate in this mode if there are no fault conditions. If a remote control switch is connected it must be in the ‘on’ position for the POWER icon to indicate.
FAN ICON
The FAN indicator icon displays a fault condition in relation to the internal cooling fan of the SPCi. In this conditi on the FAN icon is illuminated continuously (steady red) and the alarm output is activated (to external warning device if connected). The SPCi will continue to operate in this condition providing the temperature does not escalate to shutdown mode. The alarm condition is self-resetting should the fault condition revert to normal. Cooling fan failure can be as a result of burn-out, obstruction, disconnection, etc (see troubleshooting guide)
TEMP ICON
The TEMP indicator icon displays two possible fault conditions in relation to the operating temperature of the SP Ci, details as follows:
- Pre-emptive alarm condition.
The TEMP icon is illuminated intermittently (pulsing red) and the alarm output is activated (to external warning device if connected). In this condition the SPCi internal temperature is rising and exceeding factory preset level. The unit will continue to operate in this condition providing the temperature does not escalate to shutdown mode. The alarm condition is self-resetting should the fault condition revert to normal.
- Shutdown alarm condition.
The TEMP icon is illuminated continuously (steady red) and the alarm output is activated (to external warning device if connected). In this condition the SPCi internal temperature has risen above the safe operating level. The unit will shut down and no output is available until such time as the problem is rectifi ed. The alarm condition is self-resetting should the fault condition revert to normal.
INPUT ICON
The INPUT indicator icon displays two possible fault conditions in relation to the input (12V) voltage supply to the SPCi, details as follows:
- Pre-emptive alarm condition.
The INPUT icon is illuminated intermittently (pulsing red) and the alarm output is activated (to external warning device if connected). In this condition the SPCi input voltage is falling below factory preset level. The unit will continue to operate in this condition providing the voltage does not fall to shutdown mode. The alarm condition is self-resetting should the fault condition revert to normal.
- Shutdown alarm condition.
The INPUT icon is illuminated continuously (steady red) and the alarm output is activated (to external warning device if connected). In this condition the SPCi input voltage has fallen below the permissible minimum operating level. The unit will shut down and no output is available until such time as the problem is rectifi ed. The alarm condition is self-resetting should the fault condition revert to normal.
OUTPUT ICON
The OUTPUT indicator icon displays fi ve possible fault conditions in relation to the OUTPUT (12V) voltage supply to the SPCi, details as follows:
- Pre-emptive alarm condition.
The OUTPUT icon is illuminated intermittently (pulsing red) and the alarm output is activated (to external warning device if connected). In this condition the SPCi output (12V) is either:- Over loaded intermittently (>100% but <125% of continuous rating of SPCi). The unit will continue to operate in this condition providing the overload does not escalate to shutdown mode. The alarm condition is self-resetting should the fault condition revert to normal. The load bar indicator will also indicate amber (125%) in this condition.
- Low voltage (charge mode only). In this condition
the SPCi output voltage is falling below factory preset level. The unit will continue to operate in this condition providing the voltage does not fall to shutdown mode. The alarm condition is selfre setting should the fault condition revert to normal.
- Shutdown alarm condition.
The OUTPUT icon is illuminated continuously (steady red) and the alarm output is activated. In this condition the SPCi output is either:- Over loaded continuously (>125% of continuous rating of SPCi). The unit will shut down and no output is available until such time as the problem is rectifi ed. The alarm condition is self-resetting should the fault condition revert to normal.
- Short circuited. The unit will shut down and no output is available until such time as the problem is rectified. The alarm condition is self-resetting should the fault condition revert to normal.
- Low voltage (charge mode only). In this condition the SPCi output voltage has fallen below the permissible minimum operating level. The unit will shut down and no output is available until such time as the problem is rectifi ed. The alarm condition is self-resetting should the fault condition revert to normal.

CHARGE ICON
In the event the battery charging (12V) mode is selected (see set-up instructions) the CHARGE icon is permanently illuminated in addition to the normal POWER indicator icon. The charging mode is indicated in two possible states:
- The CHARGE icon is illuminated intermittently (pulsing amber). In this state the battery charging output is in boost mode (stage 1) and operating normally.

- The CHARGE icon is illuminated continuously (steady amber). In this state the battery charging output is in fl oat mode (stage 2) and operating normally

OUTPUT LOAD INDICATOR
The OUTPUT LOAD indicator is used to display the value of the load connected to the 12V output. The indicator consists of fi ve LED bars from 25 to 125% (four green and one amber). Push SET button momentarily to display the load in percentage terms on the output. The percentage is based on the rating of the SP Ci. Continuous load should not exceed 100% of the maximum rating of the SP Ci specifi cation. In normal mode only the green bars will be illuminated continuously (steady). If the unit is overloaded the amber bar will be illuminated continuously (steady) indicating 125% of load in addition to the OUTPUT warning indicator. The display will indicate for 60 seconds before turning off automatically.
OUTPUT VOLTS INDICATOR
The OUTPUT VOLTS indicator is used to display the user selected voltage of the SPCi (see set-up instructions). The indicator consists of 5 LED bars from 12.0V to 14.0V in 0.5V increments. The fi rst four bars are illuminated green and the fi fth amber. The factory default setting is 13.0V which will indicate for 10 seconds when powered up from the 12VDC supply. If the output voltage setting has been changed the new setting will be displayed each time the unit is powered up. The display will indicate for 10 seconds before turning off automatically
| INDICATION | ICON | STATUS | CAUSE | REMEDY |
| POWER icon Illuminated (pulsing green). | ![]() | The SPCi is operating normally | N/A. | N/A. |
| POWER icon not illuminated. | ![]() | The SPCi is not in service | No 12VDC supply available at input terminals. Remote isolation control may be enabled. Unit has failed due to internal fault | Check input voltage supply i.e. connection and/or fuse. Turn on remote isolation switch or perform system reset (see page 11). Return to vendor for servicing. |
| TEMP icon illuminated (pulsing red). | ![]() | The SPCi is overheating. | Excessive environmental temperature. Ventilated end cap is blocked or obstructed. Cooling fan is not operating (FAN icon illuminated). | Re-locate SPCi to cooler location. Remove blockage or obstruction to enable heat to ventilate (exhaust). See FAN icon fault fi nding indication (above). |
| TEMP icon illuminated (steady red). | ![]() | The SPCi has shutdown due to overheating. | Excessive environmental temperature Ventilated end cap is blocked or obstructed Cooling fan is not operating (FAN icon illuminated) SPCi has been continually overloaded to temperature shutdown point | Re-locate SPCi to cooler location Remove blockage or obstruction to enable heat to ventilate (exhaust) See FAN icon fault fi nding indication (above). Rectify overload/short circuit condition. |
| FAN icon Illuminated (steady red). | ![]() | The SPCi cooling fan has ceased operating. | fan has ceased operating. Cooling fan has failed. Cooling fan is obstructed. | Return to vendor for servicing. Check ventilated end cap for any visible obstruction and remove/rectify |
| INPUT icon illuminated (pulsing red). | ![]() | The SPCi is sensing low input voltage. | Input voltage is falling or dipping towards the factory preset limit. | Check input supply voltage. |
| INPUT icon illuminated (steady red). | The SPCi has shutdown due to low input voltage. | Input voltage has fallen below the factory preset limit. | Check input supply voltage. | |
| OUTPUT icon illuminated (pulsing red). | ![]() | The SPCi is being overloaded. | Output current is exceeding the continuous load rating. Output voltage (charge mode only) is falling or dipping towards the factory preset limit. | Reduce load on output. Check condition and/or state of 12V battery connected to output. |
| OUTPUT icon illuminated (steady red). | ![]() | The SPCi has shutdown due to overload or short circuit. | Output current has exceeded the maximum load rating. Output supply is short circuited. Output voltage (charge mode only) has fallen below factory preset limit. | Reduce load on output. Check for short circuits on output and rectify. Check condition and/or state of 12V battery connected to output. |
| OVERLOAD icon illuminated (pulsing amber) | ![]() | The SPCi is being overloaded. | Output current is exceeding the continuous load | Reduce load on output. |
| INTERVOLT SPCi GEN II SERIES | SPCi121210G2 | SPCi121220G2 |
| Continuous Load Rating @ 40°C | 10 Amps | 20 Amps |
| Intermittent Load Rating @ 40°C * (applicable in Power Conditioner mode only) | <125% | <125% |
| Peak Load Rating @ 40°C ** (applicable in Power Conditioner mode only | 125% | 125% |
| Input Voltage Range | 10.5 – | 125% |
| Input Voltage Range | 10.5 – 16 VDC initial (will dip to 9V during operation) | |
| Output Voltage – in Power Conditioner Mode | User adjustable 12.0V to 14.0V in 0.5V increments (factory default set at 13.0V). | |
| Output Voltage – In Battery Charging Mode | 2 Stage – boost 14.4V, fl oat 13.6V | |
| Standby current draw | 85 mA nominal | |
| Power Conversion Effi ciency @ 25°C | Typically 91% | |
| Output ripple | Less than 20 mV Peak to Peak | |
| Operating Temperature I | Ideally -25°C to + 50°C | |
| Operating Humidity | Ideally less than 90% | |
| Enclosure material | 6063-T5 aluminium dye anodised | |
| Enclosure End Caps | Injection moulded electrical grade ABS/PC plastic | |
| Diagnostics | Custom operator interface (see manual for full description) | |
| Transient Voltage Protection | Filtering | Purpose designed circuit |
| Over Load/Short Circuit Protection | Shutdown | Current sensing circuit (automatic reset) |
| Input Under Voltage Protection | Shutdown | Voltage sensing circuit (automatic reset) |
| Over Temperature Protection | Shutdown | Temperature sensing circuit (automatic reset) |
| Negative Disconnect Protection | Shutdown | Voltage sensing circuit (automatic reset) |
| Output Over Voltage Protection*** | Internal Fuse | Zener crowbar circuit (not user serviceable |
| Input Reverse Polarity Protection | Internal Fuse | – Diode bypass circuit (not user serviceable) |
| Termination | Screw Terminal | M5 with 304 SS Combination screw |
| Conformity | EMC – IEC 61204-3 and AS/NZS CISPR 11 Group 1, Class B | |
| Certifi cation | EMC – Australian C Tick mark and European CE mark | |
| Length Overall | 170mm | 230mm |
| Width Overall | 110mm | 110mm |
| Height Overall | 55mm | 55mm |
| Weight | 830 grams | 1150 grams |
- Based on a 50% duty cycle at 5 minute intervals over and above the continuous load rating.
- Based on a peak surge rating of 5 seconds over and above the continuous load rating.
- Battery charger mode only
inter VOLT products are warranted for a period of 24 months against faulty materials and/or workmanship from date of purchase by the end user subject to proof of purchase. In the event proof of purchase is not provided, and at the discretion of the manufacturer, the warranty shall be 24 months from manufacturer’s date of sale to the merchant from whom the product was purchased. Intervolt’s 24 month warranty is subject to the following terms and conditions: The goods must be installed and operated in accordance with the manufacturer’s recommendations and instructions set out within this booklet. In the event of a claim the goods are to be returned to the original point of purchase with a copy of the merchant invoice or the relevant merchant invoice number. In the event of a claim any associated expenses including diagnosis, removal, and/or installation of the goods is the responsibility of the client including any freight costs. The warranty shall be void where the goods have been used for a purpose for which they are not intended, or altered in any way that is detrimental, or opened or tampered with by an unau thorised party, or damaged by mechanical abuse, or contaminated by water or other substances, or damaged by incorrect application. Save and except for the express warranty set out above and to the maximum extent permitted by law, all conditions and warranties which may at any time be implied by the common law, Trade Practices Act, Fair Trading Act or any other State or Federal Act are excluded. To the extent that these cannot be excluded and where the law permits, the manufacturer in respect of any such condition or warranty shall
be limited at their option to the repair or the replacement of the goods or thesupply of equivalent goods or refunding the cost of the goods.
Manufactured by Amelec Australia Pty Ltd 16 Parkinson Lane, O’Connor, WA 6163, Australia www.intervolt.com
inter VOLT is a registered trademark of Amelec Australia Pty Ltd in Australia and various other countries including the UK and USA and as such is protected by the relevant laws of the country of registration. © 2012. All rights reserved. The entire contents of this instruction manual shall remain the property of Amelec Australia Pty Ltd and should not be reproduced without written permission. Manual No. MAXISPCi12G2 R1-0



































