
Machinery control by finger
12 VDC
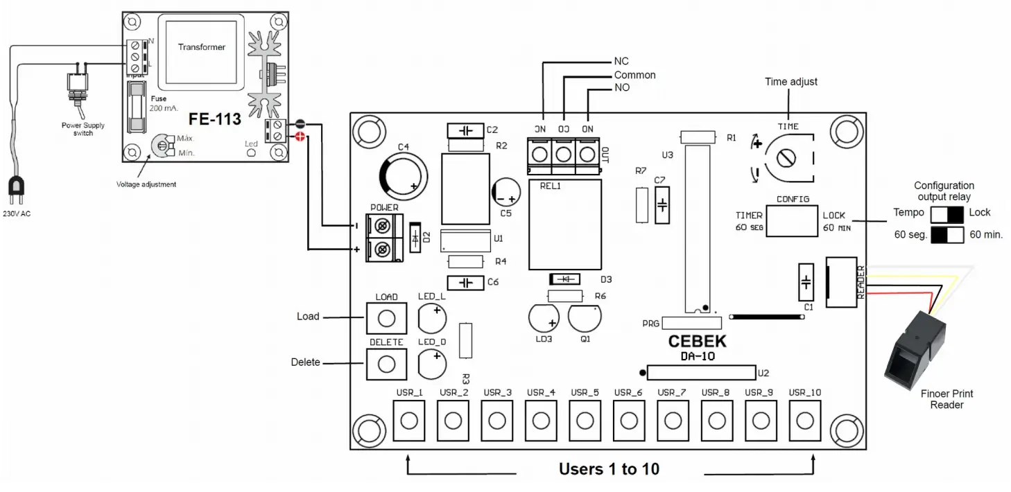
DA-10

Technical characteristics
Voltage : 12 V DC
Consumption : 60 – 120 mA
Maxim users : 10
Function output : Lock / Timing
Function Timing scale A : 1 sec to 60 sec
Function Timing scale B : 1 min to 60 min
Push buttons : Load / Delete / 10 users
Leds control : Load / Delete / Relay
Output type : Relay – NO / NC
Max. Output load : 7A ( 2A for inductive loads)
Protection Inversion Polarity : Yes.
Sizes : 72 x 110 x 20 mm.
Weight : 72,1 gr.
Din rail: C-7568
POWER SUPPLY: Connect the 12 VDC power supply to the POWER terminal respecting the polarity of ±.
Install a switch for circuit protection and your own safety.
Before activating the switch, make the rest of the circuit connections.
To supply 230 V AC you can use our recommended FE 103 or FE 300 power supplies.
OPERATION: When putting the finger on the reader, if the user’s fingerprint is registered, connect the output relay.
The relay can be programmed to interlock or timed individually for each user.
Programming
Register a user: Each user can configure the relay output individually with dips 1 and 2, this must be done at the time the user registers. (See output configuration section). Press the Load button for 1 second, and the green Load led flashes, select the output configuration with dips 1 and 2, then press the user button to be registered, and the green Load led will light up steadily. Put your finger on the fingerprint reader, when the correct reading of the fingerprint ends, the green Load led will blink 3 times and turn off to confirm that the user is registered.
If at any time you want to exit the registration process, press the Delete button.
If when a user is registered, the green Load led goes out and the red Delete led blinks 3 times and the green Load led flashes again, it indicates that there is a user registered in this position, you must choose another free user.
Unsubscribe a user: Press the Delete button for 1 second, the red Delete led flashes, then press the user button that you want to unsubscribe, and the red Delete led will flash 3 quick flashes to confirm the deletion of the user and turn off. If at any time during the de-registration process you want to exit, press the Load button. Canceling a user also deletes the exit configuration that this user had.
User types
There are two types of users, master, and standard, standard users only allow activating the relay according to the configured function, and the master user allows doing the same and canceling the orders of standard users.
User 1 is Master, and Users 2 through 10 are Standard.
Factory restore
With the two Load and Delete buttons pressed, connect the power supply, and the green Load led and the red Delete led will turn on for 5 seconds, after which the green Load and red Delete LEDs will flash 4 to confirm the deletion of all users at that point you can release the Load and Delete buttons. The circuit has been restored from the factory and the users with their functions are all erased.

NOTE :
Very important. Before connecting the power supply, check the correct order of the cables.

Circuit installation: The circuit must be installed in a box, preferably made of plastic, for the protection of the circuit and the safety of the users. Make sure that it is not possible to access the circuit easily, to avoid malicious manipulations by registering or deleting users of the circuit.
Fingerprint reading: To perform a correct fingerprint reading, the finger must be clean and dry.
Dirt and humidity can affect the reading, not allowing to register or validate a fingerprint.
The finger must always be the same, putting it on the reader in the same position and pressure that was exerted at the time of discharge.
If after registering a fingerprint, cuts or scratches are suffered on the fingertip, it may be that the reader gives a validation error.

OUTPUT CONNECTION: The output is made by means of a relay, a device that admits any type of load that does not exceed 7A. The relay has three output terminals. Normally open at rest (NO), Normally closed at rest (NC), and Common (CO). The operation of this mechanism is identical to a switch whose two terminals will be NO and Common. To perform the inverse function, the NC and Common terminals must be used. The figure shows the connection for 230 VAC. or 12 VDC.

OUTPUT CONSIDERATIONS: During the operation of the circuit, and depending on its load, a fluctuation or incorrect operation of the output may occur. If this occurs, install a non-sparking circuit between the two relay contacts used in the connection.


Cebek R is a registered trademark of the group Fadisel
www.cebek.com
[email protected]


















